Home
JAQForum Ver 24.01
Log In or Join  
Active Topics
Local Time 18:28 22 Apr 2026 Privacy Policy
Jump to

Notice. New forum software under development. It's going to miss a few functions and look a bit ugly for a while, but I'm working on it full time now as the old forum was too unstable. Couple days, all good. If you notice any issues, please contact me.

Forum Index : Electronics : 150V 45A MPPT - roll your own

     Page 7 of 50    
Author Message
azhaque
Senior Member

Joined: 21/02/2017
Location: Pakistan
Posts: 131
Posted: 08:49am 05 May 2020
Copy link to clipboard 
Print this post

  poida said  
Time to work on the PCB to make a few small changes. Once that is done and checked by Nick I will feel confident to publish it here.


Poida and Nick.

Would appreciate if you guys could consider doing the changes on EASYEDA portal. Since a number of us are anxiously awaiting the final outcome, hosting it on EASYEDA will simplify getting PCBs done from JLPCB in China.

Regards and Good wishes.

Stay safe

azhaque
 
nickskethisniks
Guru

Joined: 17/10/2017
Location: Belgium
Posts: 472
Posted: 12:22pm 06 May 2020
Copy link to clipboard 
Print this post

  azhaque said  
  poida said  
Time to work on the PCB to make a few small changes. Once that is done and checked by Nick I will feel confident to publish it here.


Poida and Nick.

Would appreciate if you guys could consider doing the changes on EASYEDA portal. Since a number of us are anxiously awaiting the final outcome, hosting it on EASYEDA will simplify getting PCBs done from JLPCB in China.

Regards and Good wishes.

Stay safe

azhaque


Hi, maybe it's better to discuss the design here Peter and let other people also get involved with it. The more voices the more input. The design is ok and will work electrically , but maybe we can give ourselves at least a week to think about simple improvements. And how connection/layout will be made with the brainbord.

So let's think about the design a bit:

1- If we want to use the Unidirectional current sensor for higher accuracy  we need to check it's polarity. (I'm NOT sure about it.) Let's check also compatible sensors like it's successor acs770? (edit: Also Poida told me there are some nice devices of LEM) If they aren't good enough because of the high noise you noticed maybe we better drop it? Or put them on another smaller boards to put them elsewhere to make them more immune against noise?

2- If I do the board all over again I want this connector (maybe overkill and extra cost), it has a more secure connection, but needs a little bit extra footprint space. Is the current connector well positioned the way it is now?

Connector


3- How are we going to connect the powerboard to the brainbord? If we use the ribbon flat cable will it be ok? Do we need to add extra mounting holes to bolt the brainbord directly on the powerpcb with long bolts or standoffs or are we mounting the brainbord directly to the housing.

4- Do we need to calculate the gate resistors for power dissipation? Is 1206 big enough? Maybe put a place for an extra series resistor with a small schottky diode to have different Turn on and turn off timings?  

5- I don't want to much extra bells and whistles, and want to keep it low cost and simple. The capacitors used are not the cheapest and dc/dc are maybe adding to much cost for others already @ this moment. But everything is there that we want?
We can always ad another footprint to allow a cheaper version of capacitors?
(My first criteria for this project was using components I had already laying around, but is potential more expensive for others) I will stay using the big ones, they allow the system to operate 20 years an beyond without looking back.

6- Maybe adding some extra bleed resistors to remove the charge quicker from the big capacitors? There are already the voltage dividers that are on place though. Maybe a small indication led on in and output?

Edit:

7- We might want to use M4 bolts to mount the mosfets and diodes, you can make the mounting hole of the to-247 device wider with a drill. I think it was a suggestion of RenewableMark in his warpverter build if I remember correctly. It's easier to tap those M4 then M3.
In this case we need to make the holes bigger in the pcb, the bolts I'm using have a head diameter of 7mm (hex key? allen screw? I don't know the translation), so 8mm is a good value
Edited 2020-05-07 05:56 by nickskethisniks
 
poida

Guru

Joined: 02/02/2017
Location: Australia
Posts: 1464
Posted: 11:47pm 06 May 2020
Copy link to clipboard 
Print this post

Nick, I am already happy with all the features of the existing board design.
Here I am at work building board #3 for further stress testing and code development.

detail changes:

I suggest there is no +Battery copper immediately nearby the -Battery terminal.
I accidentally bridged the terminal and +B when fitting an alligator clip during early testing. This copper is not needed, I showed a simple cut-out in the PCB changes I sent you.

put component values next to each SMD footprint, this makes building the board nearly fool-proof.

The connector you like (in the post above) will fit without any changes to the PCB.
It will overhang outside the PCB and look a bit like a hack I suppose.
(this sort of thing never worries me)
But you might like to neaten things a bit with a reshuffle of placements if the larger locking 10 pin connector is used. My view is the locking type is not needed if you use good quality plug and sockets. The force needed to remove the plug is quite high for me and I won't bother with a locking socket.

The low pass filter on the current sensor outputs is 100nF/220R and this has a Fc of 7.3kHz. I would want a Fc much more like 20Hz, something like 10uf/1K to smooth the sensor outputs. But EMI will be added to this signal in large amounts by the time it reaches the Nano...

Using a 10 wire ribbon to connect the brain to the PCB is OK in my view.
The PWM signal AS OUTPUT TO THE MOSFETS is not badly effected.
EMI will add small variations in pulse rise and fall shapes/timings. The TLP-250 isolates as well as low pass filters the noisy PWM signal it receives from the Nano.

For the brain PCB, I imagine a small board about 100% larger than the Arduino Nano, with another 10 pin socket, and SMD RC LP filters positioned close to the ADC inputs for the 2 NTC resistors, Vin, Vout, Iin and Iout. Fc for all filters to be 10-20Hz.
A bit of space for the LCD connection will be needed. Either 4 pins for I2C or 2 pins for UART at 9600 baud.
A 7805 to provide 5V for the Nano would be good. The Nano's onboard regulator can take 12V but it gets a bit hot when driving an LCD as well.

The current sensors are positioned in a way that they take +current on the left and -current is on the right. We could design things to require a unipolar sensor and need to get the component connection correct with possible PCB changes, or just use bipolar parts and fix it in calibration (a simple change to a negative calibration factor is all that's needed)
The datasheet for ACS770 shows the current flow arrangement and I think you have it correct for unipolar sensors with the existing PCB.

The LEM parts are good.
I make them fit like this:



I cut the 3 current sense wires on both sides of the part and feed 4.5mm copper conductor through the hole.

The Allergo sensors have 40mV/A sensitivity for the bipolar 50A device.
The LEM LTSR-15NP is a bipolar 48A device with ~42mV/A
The pinouts are the same (output, ground, 5V)
Accuracy and linearity are comparable and quite good enough for this application.

I see no need for M4 screws, the M3 screws do fine.

The large cap footprint is ideal. It is a standard size and will be easy and cheap to find caps. The 10,000uF 100V $6 each caps from aliexpress will fit. I would not fit 14 of these, no need at all.

1206 size SMD parts are easy to work with (for me at least).
I probably will experiment with diodes parallel to the gate resistor later.
You could add the footprint for a diode, to be used if needed..
wronger than a phone book full of wrong phone numbers
 
wiseguy

Guru

Joined: 21/06/2018
Location: Australia
Posts: 1267
Posted: 01:04am 07 May 2020
Copy link to clipboard 
Print this post

Any chance of seeing the schematic and PCB layout - has it been posted and I missed it ? (Is it Prime time yet?)

Not many comments, suggest considering using all through hole components - not sure that smd is required - there only seems to be a few smd parts used and they appear to be in areas where real estate is not a big problem ?

Can the whole unit be powered from the Solar voltage input - when solar is gone not sure that it needs to run/display anything ?  One of the little mains to 12V at 250mA would be a good candidate on the power board. Maybe a second one for the high side TLP250 drive.

Lastly my personal preference would be to use the FDH055N15A (or 2).  On paper one of those FET's should perform better than two of the IRFB4321 with half the drive requirement and its Avalanche rating is like 4 times as much. To be fair though it is nearly double the price of a 4321.
If at first you dont succeed, I suggest you avoid sky diving....
Cheers Mike
 
ryanm
Senior Member

Joined: 25/09/2015
Location: Australia
Posts: 203
Posted: 03:13am 07 May 2020
Copy link to clipboard 
Print this post

Perhaps you have mentioned this elsewhere, but what's the reason behind using a hall effect sensor instead of a cheaper shunt?
 
azhaque
Senior Member

Joined: 21/02/2017
Location: Pakistan
Posts: 131
Posted: 04:40am 07 May 2020
Copy link to clipboard 
Print this post

  nickskethisniks said   How are we going to connect the powerboard to the brainbord?


Hi again everyone,

I have already decided to use the ESP8266 with an A to D converter chip for the brainboard. The obvious advantage is the Wi-Fi for monitoring. The not so obvious advantage is that Poida's Arduino mppt code can be cut-paste into the ESP program with a minimum of hassle. The ESP is faster than the nano, thus facilitating finer grained PWM The only down side I can figure now is 3.3 vdc. However I believe that shouldn't be insurmountable.

Will share the Kicad and/or Easyeda files plus the firmware on this thread.

Regards all round.

Stay safe.

azhaque
Edited 2020-05-07 14:41 by azhaque
 
poida

Guru

Joined: 02/02/2017
Location: Australia
Posts: 1464
Posted: 04:42am 07 May 2020
Copy link to clipboard 
Print this post

  ryanm said  Perhaps you have mentioned this elsewhere, but what's the reason behind using a hall effect sensor instead of a cheaper shunt?


A shunt needs a specialised opamp to bring the small voltage up to 3V at 30 Amps,
good for direct conversion by the ADC.
Rail to rail and large common mode are a must.
The INA282 and similar current shunt monitor chips would be the way to go.
You can have the inputs nearly 80V above the chip's ground and Vdd so you can have the shunt on the high side if you like.

A shunt based current sense can be a pain if you want isolated signal output.
The LEM current sensors have 4kV isolation, need only 5V supply and give output ranging from approx 0.0 to 5.0V. I have salvaged 3 of these sensors from each Aerosharp inverter board I had the pleasure of taking parts from.

The rate of change of the primary factors that need to be measured in the case of this project is relatively slow. Maybe only need 5Hz bandwidth.
(Vin, Inn, Vout, Iout, heatsink temp, inductor temp)
The control loop does not need to run faster than about 10Hz.

I certainly would love nothing above about 25Hz to be present on all inputs to the microcontroller. So the "low" bandwidth of the LEM and Allegro sensors is not a problem. Both types have about 100kHz or more b/w.

So for me, I'm using parts I already have. The Allegro sensors are only about $11 each. How much is an hour of your time? I find it usually the case of "just buy the thing and get busy using it" is how I roll.
wronger than a phone book full of wrong phone numbers
 
Warpspeed
Guru

Joined: 09/08/2007
Location: Australia
Posts: 4406
Posted: 04:57am 07 May 2020
Copy link to clipboard 
Print this post

Have to agree with everything Peter says, plus with a Hall sensor you can very easily change the sensitivity by looping more or fewer turns through the hole.

That increases the sensitivity without introducing more noise.  
With a shunt, you are pretty much stuck with whatever it is, and they are no cheaper than a good Hall sensor for similar accuracy.
Cheers,  Tony.
 
ryanm
Senior Member

Joined: 25/09/2015
Location: Australia
Posts: 203
Posted: 05:03am 07 May 2020
Copy link to clipboard 
Print this post

If you've already got them makes perfect sense. Had a quick google and the first ones that come up were about $35.
 
ryanm
Senior Member

Joined: 25/09/2015
Location: Australia
Posts: 203
Posted: 05:29am 07 May 2020
Copy link to clipboard 
Print this post

I'm super keen to see a schematic if you've got one poida? I hope you'e not one of the forum members that does their PCB layouts free hand in MS Paint.

Can't see it being risky getting some of the core parts like the inductor on the way with how long shipping is taking right now.
 
poida

Guru

Joined: 02/02/2017
Location: Australia
Posts: 1464
Posted: 06:20am 07 May 2020
Copy link to clipboard 
Print this post

Here is the brainboard, it will use an off board 12V supply, sourced from the battery connection, using a XL7056 based buck converter (good for 80V input).
I only just roughed out this a moment ago. Errors and omissions
etc..



It presumes you will connect it to the power board.
Here is the schematic of the board I have built 3 of so far.



I now have a few changes to the above:

a 10uF 16V Tant cap alongside the 0.1uF bypass cap across the TPV-250 Vcc/GND pins
Any old caps either side of the 7805
No 4.7uF 250V caps used. (too expensive, will use them if they help in any way)
I used 10R resistors on the MOSFET gates, 12R was hard to find and why...
Also I used 1K in series with the LED driver of the TLV-250, just a standard part and available.


Edited 2020-05-07 16:31 by poida
wronger than a phone book full of wrong phone numbers
 
renewableMark

Guru

Joined: 09/12/2017
Location: Australia
Posts: 1678
Posted: 06:58am 07 May 2020
Copy link to clipboard 
Print this post

  wiseguy said  

Not many comments, suggest considering using all through hole components - not sure that smd is required - there only seems to be a few smd parts used and they appear to be in areas where real estate is not a big problem ?



Yeah, I'll put my hand up for that. Most of us use though hole bits and have good stocks at home already. A few of us may be getting older too.

But it's not a deal breaker, I'll build it either way, and say thanks for sharing the design.

Regarding pricey or cheap parts, I reckon make it nice, reliable, and Marky proof, so good bits are a must.

Having multiple power boards (ideally 4) being able to connect up to the controller would be a monster bonus.

.
Edited 2020-05-07 17:12 by renewableMark
Cheers Caveman Mark
Off grid eastern Melb
 
wiseguy

Guru

Joined: 21/06/2018
Location: Australia
Posts: 1267
Posted: 09:19am 07 May 2020
Copy link to clipboard 
Print this post

Can we (I) see the blue side too please?

From my calculations, the resistor value for the TLP-250 is too high & should be 330R for worst case spec & I would not recommend to go any higher than 470R (5V logic).  I know it is currently working but by what margin ?
If at first you dont succeed, I suggest you avoid sky diving....
Cheers Mike
 
ryanm
Senior Member

Joined: 25/09/2015
Location: Australia
Posts: 203
Posted: 09:30am 07 May 2020
Copy link to clipboard 
Print this post

So you've purchased a core and wound your own inductor? Only geting cores when I search that product no.
 
poida

Guru

Joined: 02/02/2017
Location: Australia
Posts: 1464
Posted: 10:06am 07 May 2020
Copy link to clipboard 
Print this post

Mike,
the TLP-250 specs recommend If(on) of 8mA.

5V from the Ardudino, 1K in series means 5mA which is good.

Absolute max is 20mA, so for 5V that means 5V/20mA = 250 Ohms
Threshold Iforward is 1.2mA, that is, the minimum current that turns the LED on, for 5V that means 4200 Ohms

I am using 1000 Ohms. 5mA.
The margin from the threshold (1.2mA) to what it's operating at now (5mA) seems good.
wronger than a phone book full of wrong phone numbers
 
nickskethisniks
Guru

Joined: 17/10/2017
Location: Belgium
Posts: 472
Posted: 10:30am 07 May 2020
Copy link to clipboard 
Print this post

Don't forget the forward voltage drop of the diode in the tlp250, about 1,2v. And the arduino nano is not putting out the total 5V.

What you may want to consider is using a buffer ( I use a simple mosfetdriver tc427) between the nano and the tlp250. I don't know what the current limit is of the 328 uC.
Edited 2020-05-07 20:35 by nickskethisniks
 
nickskethisniks
Guru

Joined: 17/10/2017
Location: Belgium
Posts: 472
Posted: 10:43am 07 May 2020
Copy link to clipboard 
Print this post

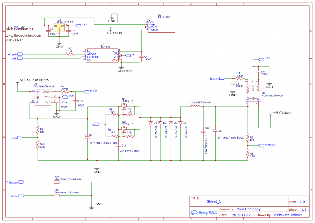
  ryanm said  So you've purchased a core and wound your own inductor? Only geting cores when I search that product no.


What you see is my original pcb layout and schematics, please take the layout as "concept" not all values are right.

Yes I wound my own inductor, because that gave better results.
 
wiseguy

Guru

Joined: 21/06/2018
Location: Australia
Posts: 1267
Posted: 10:44am 07 May 2020
Copy link to clipboard 
Print this post

TLP152 Recommended operating conditions from data sheet -> Led current 10mA minimum 15mA maximum.

LED forward voltage drop Max 1.8V
Voltage to work from -> 5V - 1.8V = 3.2V
Minimum current -> 3.2V / .01A (10mA) = 320 Ohm
Note this is maximum resistance for minimum current.
at 15mA Maximum current -> 3.2V / .015A (15mA) = 220 Ohm
Edited 2020-05-07 21:11 by wiseguy
If at first you dont succeed, I suggest you avoid sky diving....
Cheers Mike
 
nickskethisniks
Guru

Joined: 17/10/2017
Location: Belgium
Posts: 472
Posted: 11:11am 07 May 2020
Copy link to clipboard 
Print this post

  wiseguy said  TLP152 Recommended operating conditions from data sheet -> Led current 10mA minimum 15mA maximum.

LED forward voltage drop Max 1.8V
Voltage to work from -> 5V - 1.8V = 3.2V
Minimum current -> 3.2V / .01mA = 320 Ohm


Yes, I Will agree with you. It's an Led An degration will also play a roll in this after a few years. But I think we will be safe @ 10 mA, tests of me didn't show differences between 5 or 10 mA.
Edited 2020-05-07 21:15 by nickskethisniks
 
wiseguy

Guru

Joined: 21/06/2018
Location: Australia
Posts: 1267
Posted: 11:20am 07 May 2020
Copy link to clipboard 
Print this post

Nicks if I had a dollar for all the times I did similar I would be very well off.

Constructive criticism only in the quest for getting the design as close to right as we can manage.  The value looked a bit high from my experience so I ran the calculation.

I'm hopeful I might also be able to give some pointers to reduce the emi noise  but I need to see the blue side  
If at first you dont succeed, I suggest you avoid sky diving....
Cheers Mike
 
     Page 7 of 50    
Print this page
The Back Shed's forum code is written, and hosted, in Australia.
© JAQ Software 2026