Home
JAQForum Ver 24.01
Log In or Join  
Active Topics
Local Time 14:56 24 Apr 2026 Privacy Policy
Jump to

Notice. New forum software under development. It's going to miss a few functions and look a bit ugly for a while, but I'm working on it full time now as the old forum was too unstable. Couple days, all good. If you notice any issues, please contact me.

Forum Index : Electronics : ozinverter control no sinewave

     Page 7 of 11    
Author Message
johnmc
Senior Member

Joined: 21/01/2011
Location: Australia
Posts: 282
Posted: 08:19am 24 Jun 2018
Copy link to clipboard 
Print this post

Good Day All

I have been steadily checking out the shut down on the EG8010,
and I have been able to replicate severe spikes on restart.
If the control PCB does not time out you can happily switch the on off button to your hearts content.
BUT BUT if the Eg8010 has timed out after errors from current , voltage or temperature
the severety of the spike, depends on what part of the cycle the eg8010 is in some times no spike other times sever spikes.
I believe that the eg8010 maintains a memory register at all times, and if you try to restart without dumping the eg8010 garbage memory, then you are playing eg8010
roulette.
The above problem is with all control PCB including madness latest board

I have found that if I insert a two way on on switch between the positive 48v supply and the 120 ohm 10w resistor with common connected to the
PCB power, one on switch on legs, connected to the 120 ohm resistor and the other on
leg of the switch connected negative earth.

The only catch is that after a eg8010 times out you need to switch on/ on to negative earth for 10 to 20 seconds, this time depends on what part of the cycle the eg8010 was in at power off, I use 20 second to be sure .

I have tried the above method on the bench with the scope, and at this stage have not had spikes on restart .

Will keep you updated
cheers john




johnmc
 
Madness

Guru

Joined: 08/10/2011
Location: Australia
Posts: 2498
Posted: 08:23am 24 Jun 2018
Copy link to clipboard 
Print this post

Do all the EG8010's your using come from the same batch? I have never seen this problem.
There are only 10 types of people in the world: those who understand binary, and those who don't.
 
Tinker

Guru

Joined: 07/11/2007
Location: Australia
Posts: 1904
Posted: 09:29am 24 Jun 2018
Copy link to clipboard 
Print this post

  johnmc said  

I have found that if I insert a two way on on switch between the positive 48v supply and the 120 ohm 10w resistor with common connected to the
PCB power, one on switch on legs, connected to the 120 ohm resistor and the other on
leg of the switch connected negative earth



So you are trying to tell me that you are turning on/off your inverter by messing with the power supplied to the control board?

I'm not 100% sure just how that ozinverter design is supposed to work but applying +5V to the EG1810 at the same time as to the SPWMEN (pin 6) is asking for trouble IMO.

Try this : Connect a 10K resistor from pin 6 EG1810 *permanently* to ground.

Power up so you have 5VDC to your control board but *not* to pin 6.

You should be able to power up and down your control board now without anything happening since pin 6 is held low.

Apply +5V via your ON/Off switch to pin 6, your EG1810 should start up now if everything (VFB, IFB, TFB) is correct.

Switch off ONLY by removing +5V from pin 6 (this automatically connects it to ground and turns off the chip). You MUST have power (+5V) to the chip at all times unless disconnecting your inverter from the batteries.

You do NOT turn it off by removing power from the control circuit. You should NOT try to reset it by doing this as well.
To fit a reset fit a N/C push button in the +5V line to your on/off switch. On my control board that also interrupts the +5V to the SCR, thus resetting it from a tripped state.

Trying to switch on/off or reset by removing (shortening) power to the whole of the control board is like playing Russian roulette and perhaps the cause of many of the mishaps posted here.

My inverters do not have that odd zener/ resistor shunt regulator to get + 12V from the 48V battery. This might do if nothing else is available but I found a DC/DC converter very reliable for this job and its not expensive. I think mad or somebody else showed a link for one that accepts up to 90V in and 12V out. I ordered two of these as spares, my original DC/DC (still in use) so far never let me down despite having a 70V input limit.Edited by Tinker 2018-06-25
Klaus
 
renewableMark

Guru

Joined: 09/12/2017
Location: Australia
Posts: 1678
Posted: 09:30am 24 Jun 2018
Copy link to clipboard 
Print this post

Just curious John, why is the 8010 shutting down?
Are you turning it off intentionally or is it going off for different reasons?
Cheers Caveman Mark
Off grid eastern Melb
 
johnmc
Senior Member

Joined: 21/01/2011
Location: Australia
Posts: 282
Posted: 09:53am 24 Jun 2018
Copy link to clipboard 
Print this post


No I have bought the EG8010 from 5 or 6 different sources
But only the latest EG8010, are being checked .
Maybe it is just coincidence ,we shall see what happens.
johnmc
 
johnmc
Senior Member

Joined: 21/01/2011
Location: Australia
Posts: 282
Posted: 10:18am 24 Jun 2018
Copy link to clipboard 
Print this post

Kluas thanks for your input it will take me while to digest.

The EG8010 power pin 6 is hard wired to the 5v supply
When the EG8010 is timed out ,power is removed from the control pcb.
pcb is then tied to earth to remove all energy from the PCB.
pcb removed from earth
power restored to pcb
sytem restarts.

Mark Each time I have blown my fets, has been after a time out and I try to restart the inverter reason, overload set to low, Inverter welder trips out the 48v inverter.

The 48v Inverter will deliver 6kw yet my 3.6 kw welder trips it out.
At the moment I just stumbling along in the dark

cheers john
.
johnmc
 
Madness

Guru

Joined: 08/10/2011
Location: Australia
Posts: 2498
Posted: 10:39am 24 Jun 2018
Copy link to clipboard 
Print this post

John pin 6 is the one that is used to turn the inverter on and off on the control board you have from me. It should have the 10K resistor connecting it to ground as per Klaus. This is a pull down to ensure it is off unless 5V is connected to it to tell it to do it's startup routine. The original Oztules design has it turned on permanently but the temperature feedback is used to shut it down and start in that case.

The red boards work perfectly with the couple mods I posted here a few days ago. Pilling pin 6 to ground and then switching it to 5V to turn it on is not just a simple case of supply power to it and away it goes, the change to 5V tells the microprocessor (EG8010) to do it's routine for a soft start.Edited by Madness 2018-06-25
There are only 10 types of people in the world: those who understand binary, and those who don't.
 
johnmc
Senior Member

Joined: 21/01/2011
Location: Australia
Posts: 282
Posted: 10:40am 24 Jun 2018
Copy link to clipboard 
Print this post

.
I have had no trouble turning on and off, madness latest control PCB which has pin 6 tied to ground with a 10k resistor, as long as the EG8010 has not timed out with more than 5 retries
Any more than 5 retries then you must do a hard restart, as per the manual,
as the on off switch has no effect.
This is where my troubles start.
cheers john
johnmc
 
Tinker

Guru

Joined: 07/11/2007
Location: Australia
Posts: 1904
Posted: 10:41am 24 Jun 2018
Copy link to clipboard 
Print this post

  johnmc said  

The EG8010 power pin 6 is hard wired to the 5v supply

cheers john
.


John, I very much doubt that the EG1810 is designed for that 'treatment'.

Pin 6 is a dedicated on/off pin. Connected to ground, the output is disabled. Connected to +5V the output is enabled.
It will only do its job while the rest of the chip is powered up.

That "timing out" business you quote never has occurred here since my chip is always powered up.
If there is an overload/ over temperature shut down, the inverter stops. I manually reset it.
Klaus
 
Madness

Guru

Joined: 08/10/2011
Location: Australia
Posts: 2498
Posted: 10:53am 24 Jun 2018
Copy link to clipboard 
Print this post

I have found the part in the manual you are referring to

"If overvoltage or undervoltage issue still exists, EG8010 will repeat the process above every eight seconds. If EG8010 runs regularly for more than one minute, it will zero the counter of overvoltage and undervoltage. However, if EG8010 does not function regularly after five 8-second cycle, it will complete turn off the output of SPWM unit. It needs a hard reset to start again.

Any testing I have done I turn the on off switch off and back on to start up again for testing waveform outputs etc, I have not had a running inverter that has sh*t down to unde or overvoltage failure and gone into that state.

By hard reset I would take it the intention is to shut down the inverter by removing power completely and letting the caps drain out.

If you are getting this condition while testing via a resistance you can turn the voltage pot down and the inverter will run at about 180VAC quite happily.
There are only 10 types of people in the world: those who understand binary, and those who don't.
 
johnmc
Senior Member

Joined: 21/01/2011
Location: Australia
Posts: 282
Posted: 10:56am 24 Jun 2018
Copy link to clipboard 
Print this post

.
klaus, when you manually reset you inverter do you disconnect your battery and discharge your capacitors then restart your inverter?

cheers john
johnmc
 
Tinker

Guru

Joined: 07/11/2007
Location: Australia
Posts: 1904
Posted: 11:07am 24 Jun 2018
Copy link to clipboard 
Print this post

John, what does your welder trip? the DC circuit breakers from the battery?

Overload should trip the IFB current sensing. On my inverter this shuts down the chip via turning on the SCR which in turn applies +5V to pin 14 AND shuts off the gate driver chips (SD input).
I can't remember any time it took me longer than the quoted number of cycles mentioned in the app notes to reset it.

However, in your welder case you might follow the last sentence of the AC current feedback notes - if you risk it. You can still use the drivers SD input for overload shut down. This might involve cutting PCB tracks.

When I shut my inverter down completely, like for working inside it, I trip the battery breakers after first switching the on/off SW (pin 6) off.

After that one has to soft re charge the capacitors anyway so the 5V power comes on softly as the caps charge up (the on/off switch remains OFF all the time then).
Once fully charged the series resistor gets shorted out (its across a breaker so that happens automatically) when the battery C/B's are turned on again.

Its now ready for a soft start via the on switch. This is not instant, it takes a few seconds to generate 230V after the switch is turned on.

Works every time for me.
Klaus
 
Tinker

Guru

Joined: 07/11/2007
Location: Australia
Posts: 1904
Posted: 11:10am 24 Jun 2018
Copy link to clipboard 
Print this post

  johnmc said   .
klaus, when you manually reset you inverter do you disconnect your battery and discharge your capacitors then restart your inverter?

cheers john


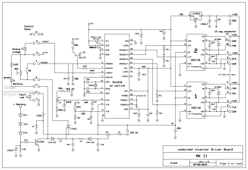
No John, I'll post the reset circuit in a while, got to cook my dinner now .

OK, below is my version of the control board. The reset part is on the left via a 6 pin plug.



Edited by Tinker 2018-06-25
Klaus
 
Revlac

Guru

Joined: 31/12/2016
Location: Australia
Posts: 1239
Posted: 11:39am 24 Jun 2018
Copy link to clipboard 
Print this post

John Can you catch this behavior on the cro so we can see it?
Without the power board connected
Check between the 8010 output and the IR2110
Then check the output of the 2110 and see if the spike still exists?

I think I have seen this behavior before, if I have understood your first comment correctly.
Think there were 5 pulses? But not sure which side of the 2110 I tested for that.

I will check this myself when I Finnish this next control board.



Nice layout tinker Edited by Revlac 2018-06-25
Cheers Aaron
Off The Grid
 
wiseguy

Guru

Joined: 21/06/2018
Location: Australia
Posts: 1267
Posted: 12:06pm 24 Jun 2018
Copy link to clipboard 
Print this post

Hi Yahoo2, Thanks for the reply. I have read a lot more now about the ESG002 board from this site and am becoming aware of some of its issues.

I remember that one high power supply I made some time ago using a toroid would make a god awful "boing" noise randomly at switch on. I believe it was caused by having been switched off mid way through a cycle and if you were lucky enough to turn back on at the earlier part of the same phase and causing magnetic saturation (due to an effect called remanent flux - plenty of info on google)and resulting in high current (and "boing" - and a slight flicker of the desk light).

I cant help but wonder if this could also be an issue with some of the inverters on these pages that after a current overload and shut down and then an attempt to start it again heading in the same direction could cause FET stress and let the smoke out from trying to over drive a toroid into even deeper saturation?

Of course if we shut down again and restart in the same direction again nothing has improved - probably just the opposite.

Perhaps if we remember (note) whether the overload was occurring during a positive or negative phase at the time of cycle interruption and ensure we always re-start our sine-wave in the opposite direction, it would be less stressful on the output FET's?

Of course I might be way off the mark but I am interested in others comments about this. Maybe this is what is done anyway and I just havent seen the post yet.

Lastly I have some 12,000 BUZ341's surplus to my needs and I am not sure what to do with them - anyone got any great ideas - maybe I could get some PCBway boards and make a composite single FET using 6 or 8 at a time and advertise them cheaply here ?? Plenty of smoke available from that lot..............


If at first you dont succeed, I suggest you avoid sky diving....
Cheers Mike
 
wiseguy

Guru

Joined: 21/06/2018
Location: Australia
Posts: 1267
Posted: 12:24pm 24 Jun 2018
Copy link to clipboard 
Print this post

I started writing the above post this morning - during the day we moved from page 10 to 12 - lots of activity - my comments sound just like the issues that JohnMC is suffering from.

I solved this issue once before. In discrete logic it involved setting a latch after an over-current trip and with some exclusive or's and a bit of steering, reverse the output drive signals in this case from the 8010. If you are writing your own code then of course it is a lot easier. I would recommend also storing the last flux direction in non volatile ram - the toroid wont forget it so we shouldnt either.
If at first you dont succeed, I suggest you avoid sky diving....
Cheers Mike
 
tinyt
Guru

Joined: 12/11/2017
Location: United States
Posts: 556
Posted: 05:20pm 24 Jun 2018
Copy link to clipboard 
Print this post

  wiseguy said   ...I remember that one high power supply I made some time ago using a toroid would make a god awful "boing" noise randomly at switch on. I believe it was caused by having been switched off mid way through a cycle and if you were lucky enough to turn back on at the earlier part of the same phase and causing magnetic saturation (due to an effect called remanent flux - plenty of info on google)and resulting in high current (and "boing" - and a slight flicker of the desk light).

I cant help but wonder if this could also be an issue with some of the inverters on these pages that after a current overload and shut down and then an attempt to start it again heading in the same direction could cause FET stress and let the smoke out from trying to over drive a toroid into even deeper saturation?

Of course if we shut down again and restart in the same direction again nothing has improved - probably just the opposite.

Perhaps if we remember (note) whether the overload was occurring during a positive or negative phase at the time of cycle interruption and ensure we always re-start our sine-wave in the opposite direction, it would be less stressful on the output FET's?

Of course I might be way off the mark but I am interested in others comments about this. Maybe this is what is done anyway and I just havent seen the post yet.
.............


Thanks for this info. I am trying to understand this magnetics black magic. So, if the PWM chip EG8010 is not restarted in the opposite direction but always restarted in soft- start mode, will this alleviate the problem.

Also if there is dead-time between the complementary PWM pulses and the longer pulse is always on one of the complements, will it cause core saturation after an extended operating time?Edited by tinyt 2018-06-26
 
Madness

Guru

Joined: 08/10/2011
Location: Australia
Posts: 2498
Posted: 08:44pm 24 Jun 2018
Copy link to clipboard 
Print this post

We are using the soft start Wiseguy so every start should be with a very low level and build up to full voltage. Most of us are using Toroids and soft start is the only possible option.
There are only 10 types of people in the world: those who understand binary, and those who don't.
 
johnmc
Senior Member

Joined: 21/01/2011
Location: Australia
Posts: 282
Posted: 11:38pm 24 Jun 2018
Copy link to clipboard 
Print this post

Good Day Gary,

Yes you are correct It was a moment lunancy (can not use my prefered descriptive word madness)
As It is only possible to soft start the inverter when the torriod is connected, as the massive current in rush with out the soft start is the death knell for the Fets.
Thanks again Madness and Tinker.


johnmc
 
wiseguy

Guru

Joined: 21/06/2018
Location: Australia
Posts: 1267
Posted: 12:01am 25 Jun 2018
Copy link to clipboard 
Print this post

Hi again thanks for the replies - I am not really surprised at their content - I think TinyT has a good approach though.

So if I understand magnetics even slightly then a saturated transformer is no longer an inductor but actually a resistor. So if we guess the resistance to be somewhere around 10Milliohms - I havent bothered calculating, then we have current from a 48V battery of around 4800A divided between 6? FETs just 800A each?

But we are going to rely on the speed of the overcurrent sense and shut down to protect our FETs and keep them within the safe operating area whilst operating into a short circuit ? So what time does it take for the over-current loop to operate ? Oh and we are going to soft start the FETs though so they approach the 800A gently?

Of course we could remember where the cycle shut down and start it in the opposite direction and avoid all this fun ?

Maybe I am contributing to the wrong place - I know there are some very clever people here but I also have an uncanny ability to view what doesnt seem to work properly and try to apply some original thinking to a problem.
If at first you dont succeed, I suggest you avoid sky diving....
Cheers Mike
 
     Page 7 of 11    
Print this page
The Back Shed's forum code is written, and hosted, in Australia.
© JAQ Software 2026