Home
JAQForum Ver 24.01
Log In or Join  
Active Topics
Local Time 08:04 24 Apr 2026 Privacy Policy
Jump to

Notice. New forum software under development. It's going to miss a few functions and look a bit ugly for a while, but I'm working on it full time now as the old forum was too unstable. Couple days, all good. If you notice any issues, please contact me.

Forum Index : Electronics : Micro controller driven Warpverter

     Page 6 of 10    
Author Message
Warpspeed
Guru

Joined: 09/08/2007
Location: Australia
Posts: 4406
Posted: 02:10am 07 Apr 2019
Copy link to clipboard 
Print this post

Mark,
Wiseguy is right, you need to test at 75v. The 0.06v between loose ends is fine, so you can connect those permanently in parallel. Anyhow, so far so good.

How big is the hole remaining in the toroid ?
Cheers,  Tony.
 
renewableMark

Guru

Joined: 09/12/2017
Location: Australia
Posts: 1678
Posted: 02:17am 07 Apr 2019
Copy link to clipboard 
Print this post

Yeah, I need to get a variac, another one for the big list of crap to buy.

Thanks guys.

ID down to 81mm before mylar which I ran out of. Have to head down to knoxfield tomorrow and get some more.
Cheers Caveman Mark
Off grid eastern Melb
 
wiseguy

Guru

Joined: 21/06/2018
Location: Australia
Posts: 1267
Posted: 02:26am 07 Apr 2019
Copy link to clipboard 
Print this post

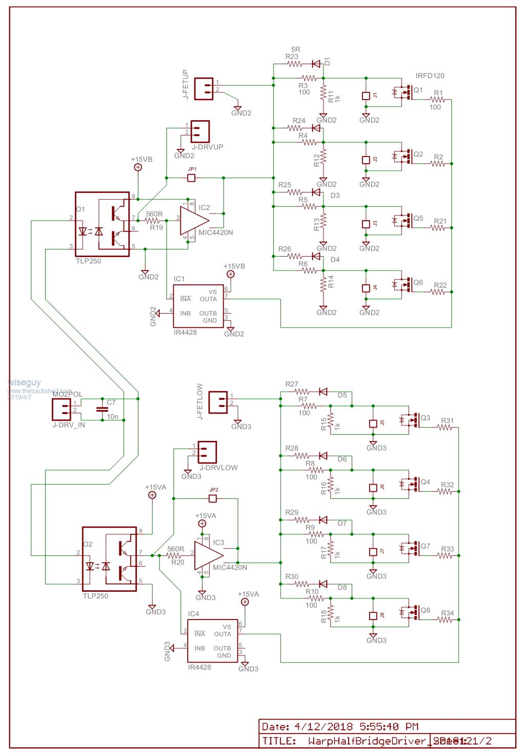
Tony, I have been perusing your schematics for the half bridge driver. What is the main purpose of the IRFD120's - is it to hold the Fets off strongly during power up and when not being driven? I assume JP1 is bridged when driving non paralleled FETs?
The JDRV connectors are for the large iGBT's ?

What is the purpose of the 560R into the MIC4420 - Im sure its not there as a decoration, but its not immediately obvious - is it just a small delay?.

I am considering doing a FET layout but Im kind of doing a peer review. I have some ideas I would like to bounce off you about maybe using digital output optos (2 in 1 8 pin Dip) and alternative isolated 12V supplies for simplicity and cost down. I imagine you frowning at this as it currently works - I would like to keep it that way too!

Another question - if the opto plug was removed during operation, would it be better to open circuit the transformer as it appears to be now or to short it out by default ie drive the two lower FETs on?

If you have described this circuit already can you give me a link? Edited by wiseguy 2019-04-08
If at first you dont succeed, I suggest you avoid sky diving....
Cheers Mike
 
Warpspeed
Guru

Joined: 09/08/2007
Location: Australia
Posts: 4406
Posted: 02:32am 07 Apr 2019
Copy link to clipboard 
Print this post

Great stuff Mark. 61 turns of that 13.5mm squared Tycab cable is going to fit on VERY easily, and its going to make a very nice transformer.

Klaus might be interested in all of this.
I believe he is planning to use a similar 2Kw toroid for his second transformer.
Klaus's voltage ratio is a bit different to yours, 48v to 75v but for him, 64 turns primary, 100 turns secondary works out spot on. Should be plenty of room for his three extra primary turns.

All good stuff to know for others following in your footsteps.
Cheers,  Tony.
 
Warpspeed
Guru

Joined: 09/08/2007
Location: Australia
Posts: 4406
Posted: 02:38am 07 Apr 2019
Copy link to clipboard 
Print this post

  wiseguy said   Tony, I have been perusing your schematics for the half bridge driver. What is the main purpose of the IRFD120's

That is not one of my circuits you are looking at?

Here is the schematic of my half bridge board.



Cheers,  Tony.
 
wiseguy

Guru

Joined: 21/06/2018
Location: Australia
Posts: 1267
Posted: 02:47am 07 Apr 2019
Copy link to clipboard 
Print this post

I'm glad you posted that circuit - it doesnt get much simpler.

I was looking at this, labelled as "Warp half bridge driver"



It was in my Warpinverter folder.... - sorry - maybe came from Andrew ! Edited by wiseguy 2019-04-08
If at first you dont succeed, I suggest you avoid sky diving....
Cheers Mike
 
wiseguy

Guru

Joined: 21/06/2018
Location: Australia
Posts: 1267
Posted: 02:50am 07 Apr 2019
Copy link to clipboard 
Print this post

One question though still remains - if the opto plug was removed during operation, would it be better to open circuit the transformer as it appears to be now or to short it out by default ie drive the two lower FETs on? Assuming it can be done simply.
If at first you dont succeed, I suggest you avoid sky diving....
Cheers Mike
 
Warpspeed
Guru

Joined: 09/08/2007
Location: Australia
Posts: 4406
Posted: 03:06am 07 Apr 2019
Copy link to clipboard 
Print this post

I have actually swapped around opto plugs with the inverter running, no problem at all.

If an opto plug is pulled out, both upper and lower mosfets (on one side) both lose drive and both just turn off safely.

The desirable condition of having a continuous conduction path through the transformer primaries at all times, only applies if you are trying to generate a correct low distortion sine wave.

If any inverter, or any inverter half stops working, the inverter output waveform becomes badly distorted, but its not a destructive condition.

Edited by Warpspeed 2019-04-08
Cheers,  Tony.
 
wiseguy

Guru

Joined: 21/06/2018
Location: Australia
Posts: 1267
Posted: 03:10am 07 Apr 2019
Copy link to clipboard 
Print this post

I was picturing the inverter driving a large load, the transformer/bridge that stops working due to the opto drive stopping - then the whole inverter output voltage that is left (3 stages) effectively driving the open circuited transformer and other side bridge ? Of course the worst effect is on the lowest voltage stage - Do I need to draw a diagram or can you follow my ramblings ? Edited by wiseguy 2019-04-08
If at first you dont succeed, I suggest you avoid sky diving....
Cheers Mike
 
Warpspeed
Guru

Joined: 09/08/2007
Location: Australia
Posts: 4406
Posted: 03:53am 07 Apr 2019
Copy link to clipboard 
Print this post

I understand what you are saying, and that too is not a problem.

The non driven inverter (or inverter half) still has the mosfets and their inverse drain source diodes connected.
The now non driven transformer primary tries to "thrash around" but is constrained between ground and the positive supply rail. Its not a harmful condition.

All that happens is the inverter output sine wave has chunks missing out of it, depending on which inverter has decided to stop working. It can still drive a load, even a very big load, but the voltage will be reduced and the inverter output waveform distorted.

The whole inverter is very benign, very fault tolerant, and very difficult to kill.
If it does stop working, there is a pretty good chance a fault will be only in one isolated part that can quickly and easily be replaced or repaired.

Its not like a PWM inverter that is either working properly, or there is total devastation.Edited by Warpspeed 2019-04-08
Cheers,  Tony.
 
wiseguy

Guru

Joined: 21/06/2018
Location: Australia
Posts: 1267
Posted: 04:50am 07 Apr 2019
Copy link to clipboard 
Print this post

  Warpspeed said   I have actually swapped around opto plugs with the inverter running, no problem at all.


I think I found the video of you doing that Here
LOLEdited by wiseguy 2019-04-08
If at first you dont succeed, I suggest you avoid sky diving....
Cheers Mike
 
Warpspeed
Guru

Joined: 09/08/2007
Location: Australia
Posts: 4406
Posted: 05:29am 07 Apr 2019
Copy link to clipboard 
Print this post

The first time I did the trick with the opto plug swap, I did not realize the inverter was still powered up.

Nothing happened, and when I went to turn the power back on, only then discovered it was already on. I quickly realised that unplugging an opto isolator, is just the same as turning it off electrically.

The only fires and explosions I have had with these step inverters has been when the crystal oscillator either stops or fails to start up very smartly. That is spectacular !
That happened when the metal can of the crystal shorted out the two pads directly underneath.

I am now terrified of crystal oscillators. I have an oscillator phobia, and have nightmares about them.

A bit of research on designing crystal oscillators, and all the experts say the exact same thing "don't bother, buy an oscillator module". So that is what I now do on any serious project.





Cheers,  Tony.
 
BenandAmber
Guru

Joined: 16/02/2019
Location: United States
Posts: 961
Posted: 06:51am 07 Apr 2019
Copy link to clipboard 
Print this post

Whoever didn't click here on Wiseguys post needs to go back up and do that

you won't be disappointed!!!!
be warned i am good parrot but Dumber than a box of rocks
 
JohnS
Guru

Joined: 18/11/2011
Location: United Kingdom
Posts: 4304
Posted: 02:47pm 07 Apr 2019
Copy link to clipboard 
Print this post

O M G !
 
Tinker

Guru

Joined: 07/11/2007
Location: Australia
Posts: 1904
Posted: 10:23am 09 Apr 2019
Copy link to clipboard 
Print this post

  Warpspeed said  
The circuit component values are all pretty much standard, and there is a voltage divider connected directly across the dc output pins which consists of a 9K1 and 2K4 on the 12v devices.

If the 2K4 is replaced with a 1K8 the output voltage increases to typically 15.1v.
Altronics have the 1K8 surface mount resistors in packs of five.




Question, does this mod work the other way, like reducing the output voltage?

I bought some 24V modules because they were very narrow which is what I was after.
Tracing the circuit at the output shows its quite similar but with different resistors.

R6 =1K, the one above (to the + rail) = 8K6.

I tried a smaller value, 5K1 instead of 8K6 but the output voltage went up.
Then I tried changing R6 but somehow managed to blow the module.

Anybody know if altering the feedback to the THX208 chip would work?

The other problem is this particular module does not start up below 50V DC input, could that be improved as well?

Otherwise I'll have to go hunting ebay again for the 12V version of this particular size module and try to boost the output voltage.


Klaus
 
wiseguy

Guru

Joined: 21/06/2018
Location: Australia
Posts: 1267
Posted: 02:25pm 09 Apr 2019
Copy link to clipboard 
Print this post

Klaus when I first started this answer I had not been able to find a data sheet, however I have since found one. Before commenting further can you confirm if the circuit looks anything like the attached data sheet on page 11 Here

Dont bother with the parts list in the datasheet as they are for a 5V output.

If you traced the whole circuit and it is different please post it and we might be able to help further in setting voltage and lowering startup voltage.Edited by wiseguy 2019-04-11
If at first you dont succeed, I suggest you avoid sky diving....
Cheers Mike
 
Warpspeed
Guru

Joined: 09/08/2007
Location: Australia
Posts: 4406
Posted: 09:54pm 09 Apr 2019
Copy link to clipboard 
Print this post

Klaus, there are a few things to bear in mind.

These little power supplies must be made by the millions for standard wall pack plastic moldings for all the various shapes and sizes of mains plug used around the world. The only thing that has become pretty standard is the physical size.

The basic circuit is similar too, but not always exactly the same. So when you reorder, the second batch might be completely different.

The basic topology is a flyback supply, with two separate secondary windings on the transformer.
One winding supplies internal power for the chip, and the main secondary supplies the main output load.

When you cheat by modifying the feedback resistors, this will directly effect the dc voltage the chip has available to run on. Boosting up the output voltage from 12v to 15v will have a similar effect on the dc voltage supplying the chip. Not sure what that voltage actually is, but its going to increase by 25% which is very likely quite safe.

If we go the other way and reduce the output voltage from 24v down to 15v the dc supply to the chip falls to only 62% of what its supposed to be, that may be o/k I really do not know.
Its worth a try I suppose.

How about experimentally reducing the voltage from 24v down to 12v (or less) and see if that works reliably. If it does, than its going to work fine set to 15v

Cheers,  Tony.
 
renewableMark

Guru

Joined: 09/12/2017
Location: Australia
Posts: 1678
Posted: 07:41am 10 Apr 2019
Copy link to clipboard 
Print this post

OK been busy, finished the third winding on No2 toroid.
Should knock off the last one tomorrow as I'm home minding mini devil.

So that brings us to No3 25v toroid.

Warp I'll need your calculations again mate.
I can do it with either a 2kw toroid or 1500.

Already have a bare 2kw so may as well use that unless there is a better reason to go for the 1500.
Cheers Caveman Mark
Off grid eastern Melb
 
Warpspeed
Guru

Joined: 09/08/2007
Location: Australia
Posts: 4406
Posted: 08:18am 10 Apr 2019
Copy link to clipboard 
Print this post

Great stuff Mark,

Give me some toroid dimensions for the 1.5Kw (the 2Kw is miles too big) and let me know what wire sizes you have there.

Needs 8mm sq for secondary like all the others, and about 4mm sq for the primary.
Edited by Warpspeed 2019-04-11
Cheers,  Tony.
 
Tinker

Guru

Joined: 07/11/2007
Location: Australia
Posts: 1904
Posted: 09:31am 10 Apr 2019
Copy link to clipboard 
Print this post

  wiseguy said   Klaus when I first started this answer I had not been able to find a data sheet, however I have since found one. Before commenting further can you confirm if the circuit looks anything like the attached data sheet on page 11 Here



Thanks wiseguy, but that link does not work here (not found message).

I have only traced the output side so far but may yet tackle the input side.

Anyway, what I found most annoying, and this will affect all the 48V version warpinverter builders, is the startup voltage is too close to 50V DC for comfort. I know, warpspeed uses 100V so it does not affect his inverter but for the 48V crowd it will have to be sorted so these modules start up from above 40V DC reliably into a load - every time.

Now, you being the resident expert on switch mode power supplies , what would be the effect of increasing the input capacitor?
My modules use a 4u7/400V electrolytic here. I could fit a 330u/63V of similar size instead. Don't have on at hand to try, unfortunately.

I might try to decrease the 24V output to 18V, the HY4008 gates should handle that (abs. max is 25V).
The other solution is to order the style module you mentioned in 12V version, they are cheap enough at about $A 1.- each. I actually like them better as they are quite a bit smaller too, I wish you had mentioned them earlier .
Klaus
 
     Page 6 of 10    
Print this page
The Back Shed's forum code is written, and hosted, in Australia.
© JAQ Software 2026