Home
JAQForum Ver 24.01
Log In or Join  
Active Topics
Local Time 13:33 22 Apr 2026 Privacy Policy
Jump to

Notice. New forum software under development. It's going to miss a few functions and look a bit ugly for a while, but I'm working on it full time now as the old forum was too unstable. Couple days, all good. If you notice any issues, please contact me.

Forum Index : Electronics : 150V 45A MPPT - roll your own

     Page 45 of 50    
Author Message
flyingfishfinger
Senior Member

Joined: 12/09/2020
Location: United States
Posts: 120
Posted: 11:18pm 31 May 2023
Copy link to clipboard 
Print this post

  Solar Mike said  I would use a Schottky rectifier, as the lower forward voltage drop means less heat. STPS60SM200CW


Ooh that looks like a nice part - sadly it's out of stock everywhere. This looks like an acceptable substitute, APT30S20BCTG

Will order up a couple and see what happens!
 
soudirector

Newbie

Joined: 14/05/2023
Location: Nigeria
Posts: 26
Posted: 10:02am 01 Jun 2023
Copy link to clipboard 
Print this post

  flyingfishfinger said  Well, here's a fun one. I blew up some diodes! My mistake actually, I feel silly.
The MPPT has been running great for a year on 2 panels (OC something like 90V) but I really want 3 panels in series (-> 130V). I had upsized the switching transistors to FDH055N15A as planned (150V).... but I forgot to swap out the "diode" transistors and stuck with HY5110 (100V)

Attached 3 panels, at the 60 second mark the thing quite spectacularly exploded.

Sadly I think there is more damage than just this transistor, there is some charring around the FOD3182's output pins as well, but the 12V output of the isolated regulator is still present. Will have to debug further when I have some time.

Question for the group: What transistor would you recommend as a diode that will handle 150V properly? Should I just use two FDH055N15A? EDIT: Looked through the thread and saw suggestions for Vishay VS-60EPU02-N3 or ST STTH6002C.





Cheers,
R


I prefer using IRFP260N Mosfet 200v, 50A, DS(on) = 0.04Ω
how times flies
 
Ziki_the
Newbie

Joined: 13/04/2023
Location: Yugoslavia
Posts: 39
Posted: 12:05pm 01 Jun 2023
Copy link to clipboard 
Print this post

Question?
For current sensor is it posible to use lem ltsp 25-np?
This is current output hall, not voltage out. I have few of them.

Thanks
Pozdrav iz Srbije
 
poida

Guru

Joined: 02/02/2017
Location: Australia
Posts: 1464
Posted: 12:15am 02 Jun 2023
Copy link to clipboard 
Print this post

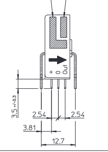
I think you can use these but you might have to mount it
in a way that permits you to fit a resistor across
M and ref

the pcb is designed for the 3 pin voltage output type so it's not ready
for the 4 pin current output version.

One of my mppt has the LEM sensors mounted upside down, with the pins pointing UP
and I have 3 wires leading from pins to the pcb.
It's not pretty but it works fine.
wronger than a phone book full of wrong phone numbers
 
Ziki_the
Newbie

Joined: 13/04/2023
Location: Yugoslavia
Posts: 39
Posted: 08:25pm 23 Jun 2023
Copy link to clipboard 
Print this post

So i have done a little work on one board.




Pro mini clone is used for display board.



For current sensors, do i need to put one more wire in the midle hole?
Just this work for now.


Pozdrav iz Srbije
 
flyingfishfinger
Senior Member

Joined: 12/09/2020
Location: United States
Posts: 120
Posted: 08:32pm 11 Jul 2023
Copy link to clipboard 
Print this post

Ok, I rebuilt the blown parts. Turns out the exploded diodes took 2 out of my 3 FETs with them... now it's back to working.

But I have a question about calibration. When I put the firmware in "cal" mode, the display freezes. Is that the intended behaviour (to lock it at the exact current that is being used at that moment) or is there something I'm not doing correctly?

R
Edited 2023-07-12 06:32 by flyingfishfinger
 
poida

Guru

Joined: 02/02/2017
Location: Australia
Posts: 1464
Posted: 10:08pm 11 Jul 2023
Copy link to clipboard 
Print this post

putting it in cal mode is not mandatory.
it was more of a test for me to see if there is much change in the calibration
of the 4 values when running or not.

The display must freeze when in cal mode since it disables the 20kHz interrupt
which contains code that sends out data to the LCD.

I should have made this clear to people that cal mode is not much use and does not
need to be used. Sorry if it caused any issues.
wronger than a phone book full of wrong phone numbers
 
flyingfishfinger
Senior Member

Joined: 12/09/2020
Location: United States
Posts: 120
Posted: 10:21pm 11 Jul 2023
Copy link to clipboard 
Print this post

No problem, just wondering how best to calibrate the thing. Any suggestions?

All I've got is a shunt ammeter (actually just current setting on DMM) that will go to 10A, heh.

R
 
poida

Guru

Joined: 02/02/2017
Location: Australia
Posts: 1464
Posted: 10:23pm 11 Jul 2023
Copy link to clipboard 
Print this post

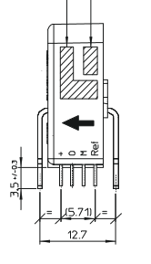
Zikki,

I think you have it connected up OK.
The 5V and Ground are lined up and soldered in, the "O" and "Ref" need
a resistor.
If it works then no need to do anything else.

(for those who might be wondering)

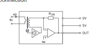
the 4 pin LEM sensor schematic is






and the 3 pin sensor is





Edited 2023-07-12 08:26 by poida
wronger than a phone book full of wrong phone numbers
 
flyingfishfinger
Senior Member

Joined: 12/09/2020
Location: United States
Posts: 120
Posted: 06:45pm 25 Jul 2023
Copy link to clipboard 
Print this post

Progress report: Fixed up my unit and it runs at 1000W with no issues so far - the higher input voltage (130V) is also handled nicely with the new diodes.

Question: I'm still having the issue where the current sensor reports incorrect values when there's no charging (anywhere between 0.1 and 0.6A instead of zero) despite zeroing the current beforehand. My theory is that running it at high currents breaks the calibration after some time due to temperature or something.

I wonder if an improvement would be to call the "zero" function each time the device is in night mode? That way it should in theory fix itself after each day. I'll try this next time I go up to my site but that won't be for about 2 months.

Cheers,
R
 
poida

Guru

Joined: 02/02/2017
Location: Australia
Posts: 1464
Posted: 06:33am 26 Jul 2023
Copy link to clipboard 
Print this post

the current sensors to take a "set", in other words
their zero current output value can represent + or - a bit of current.
OR
zero current will produce an output with a bit + or - from zero position.

I have found this hysteresis is stable, so long as you do not change direction
of current. In the mppt design, current direction does not change.
This permits us to let the hysteresis to accumulate and we keep
calibrating the zero point and gain.
Things tend to settle down after a couple of good power use periods and recalibrations.

Also, calibrating at 10A is fine. No need to get it perfect, we just need reasonable
values for the mppt program to work.
wronger than a phone book full of wrong phone numbers
 
poida

Guru

Joined: 02/02/2017
Location: Australia
Posts: 1464
Posted: 06:35am 26 Jul 2023
Copy link to clipboard 
Print this post

I could make a version of the code to measure both current sensors after a few hours of "NIGHT" and then store that as their new zero current settings.
You like that? I need to be at work to do this, I have a lot of spare time
when I am at work. (lucky, eh?)
wronger than a phone book full of wrong phone numbers
 
flyingfishfinger
Senior Member

Joined: 12/09/2020
Location: United States
Posts: 120
Posted: 07:44pm 26 Jul 2023
Copy link to clipboard 
Print this post

  poida said  I could make a version of the code to measure both current sensors after a few hours of "NIGHT" and then store that as their new zero current settings.
You like that? I need to be at work to do this, I have a lot of spare time
when I am at work. (lucky, eh?)


Oh, I figure it won't be hard to add myself - but if you're offering I won't say no :) Do keep in mind I use the I2C version!

My main issue is that since I'm away most of the time and use no power, the batteries spend their time in absorb / float with maybe a bit of bulk in the morning. Thus generally small amounts of current are measured, which increases the error on the total capacity charged significantly more than when higher currents are being used.

Also, I think I mentioned the negative current readings at night causing the accumulated capacity to DECREASE by morning, maybe the zeroing would help with that as well. Maybe we zero once an hour at night? Probably overkill but might be more accurate no?

R
Edited 2023-07-27 05:45 by flyingfishfinger
 
soudirector

Newbie

Joined: 14/05/2023
Location: Nigeria
Posts: 26
Posted: 05:11pm 02 Aug 2023
Copy link to clipboard 
Print this post

I tired to program my nano using the code with I2C. i got error

exit status 1

Compilation error: no matching function for call to 'LiquidCrystal_I2C::LiquidCrystal_I2C(int)'


Why the I2C file is present in the folder with the ino file. What could be the problem?
how times flies
 
soudirector

Newbie

Joined: 14/05/2023
Location: Nigeria
Posts: 26
Posted: 05:28pm 02 Aug 2023
Copy link to clipboard 
Print this post

  soudirector said  I tired to program my nano using the code with I2C. i got error

exit status 1

Compilation error: no matching function for call to 'LiquidCrystal_I2C::LiquidCrystal_I2C(int)'


Why the I2C file is present in the folder with the ino file. What could be the problem?



this was highlighted when the error occurred

LiquidCrystal_I2C lcd(0x27); // set the LCD address to 0x27 for a 16 chars and 2 line display
how times flies
 
pd--
Senior Member

Joined: 11/12/2020
Location: Australia
Posts: 122
Posted: 10:46pm 02 Aug 2023
Copy link to clipboard 
Print this post

Do you have " #include <LiquidCrystal_I2C.h> "  at the start of your code.

There are multiple LiquidCrystal_I2C libraries you may be using the wrong one
i haven't tried it but give this one a go
https://www.arduino.cc/reference/en/libraries/liquidcrystal-i2c/
 
soudirector

Newbie

Joined: 14/05/2023
Location: Nigeria
Posts: 26
Posted: 10:33am 03 Aug 2023
Copy link to clipboard 
Print this post

  pd-- said  Do you have " #include <LiquidCrystal_I2C.h> "  at the start of your code.

There are multiple LiquidCrystal_I2C libraries you may be using the wrong one
i haven't tried it but give this one a go
https://www.arduino.cc/reference/en/libraries/liquidcrystal-i2c/


Yes, i do have that. But i have fix the problem. Thanks
how times flies
 
soudirector

Newbie

Joined: 14/05/2023
Location: Nigeria
Posts: 26
Posted: 11:36am 03 Aug 2023
Copy link to clipboard 
Print this post

  Bryan1 said  G'Day Guy's,
            Well the choke is wound  





got 10.5 turns using new 6x3mm enameled wire and I do have another length so I can do a join and solder it so I can get those few more turns if needed.

I live in the Adelaide Hills so for SA guy's a drive up the hill will save postage, those M4 connectors haven't even left to get on the slow boat so still no ETA.

Wiseguy if you want I do have some 6mm, 14mm, 20mm and 25mm rolls so you can have one of each and 2 off 20mm if you like.

Cheers Bryan



I was wondering if this can work without issues.



how times flies
 
Ziki_the
Newbie

Joined: 13/04/2023
Location: Yugoslavia
Posts: 39
Posted: 04:12pm 03 Aug 2023
Copy link to clipboard 
Print this post

Look like ATX choke.
Maybe 5pcs stocked and some thing like 15-17turns with multply coper wire, litz..
My sugestion..
Pozdrav iz Srbije
 
soudirector

Newbie

Joined: 14/05/2023
Location: Nigeria
Posts: 26
Posted: 09:41am 09 Aug 2023
Copy link to clipboard 
Print this post

  Ziki_the said  Look like ATX choke.
Maybe 5pcs stocked and some thing like 15-17turns with multply coper wire, litz..
My sugestion..



this inductor is for mppt not ATX choke
how times flies
 
     Page 45 of 50    
Print this page
The Back Shed's forum code is written, and hosted, in Australia.
© JAQ Software 2026