Home
JAQForum Ver 24.01
Log In or Join  
Active Topics
Local Time 18:46 30 Apr 2026 Privacy Policy
Jump to

Notice. New forum software under development. It's going to miss a few functions and look a bit ugly for a while, but I'm working on it full time now as the old forum was too unstable. Couple days, all good. If you notice any issues, please contact me.

Forum Index : Microcontroller and PC projects : Calling matherp - driver for this LCD?

     Page 3 of 4    
Author Message
WhiteWizzard
Guru

Joined: 05/04/2013
Location: United Kingdom
Posts: 2967
Posted: 07:51am 30 Dec 2015
Copy link to clipboard 
Print this post

@matherp/kiid

Just for clarification - are the two types of round display now 'working'?
An earlier post by matherp implies the one he was sent would not work BUT I see he has posted a photo of one working??

Another example of how great TBS is at pulling people together to get 'results'. Great work guys and guess the MM SmartWatch will be here soon

Please clarify which round TFT(s) are currently working. Also, what is the sideways viewing angle like??

WW
 
Zonker

Guru

Joined: 18/08/2012
Location: United States
Posts: 772
Posted: 07:43pm 30 Dec 2015
Copy link to clipboard 
Print this post

Sweet.!!

I love this..! Awesome work matherp

I hope the 2.2" display works with the driver...

The Gauge display code you created should work great with these units...!

EDIT: I read that the actual pixel area is less... Will wait and see which one is the correct one to order... Display Pix looks good..!!Edited by Zonker 2016-01-01
 
matherp
Guru

Joined: 11/12/2012
Location: United Kingdom
Posts: 11252
Posted: 10:33pm 30 Dec 2015
Copy link to clipboard 
Print this post

  Quote  Please clarify which round TFT(s) are currently working


The driver I have written is tested and works with the R61505V graphics controller.

The issue is that the wiring of the various mounted displays seems to vary. Some purport to be set up for 8-bit operation and have the 8 data-lines connected to pins 9-16 (TFT1P2477). The ones Kiiid has bought should have been like this but were a different variant (TFT1P4967) which are configured for optional 16-bit operation. To use them in 8-bit mode it is was necessary to connect the data-lines to pins 17-24 and also to pull pin 26 (IM0) high). The working display is a TFT1P4967 with the duplicate connections patch wired on Kiiid's PCB.

In general if pins 9-16 and 17-24 are connected together in pairs and pin 26 is pulled high then any of the displays should work. However this is not tested on a TFT1P2477 - if they actually exist .

TFT1P4967 datasheet

TFT1P2477 datasheet

  Quote  Will wait and see which one is the correct one to order


Just because you order a particular display doesn't mean you will get it - ask Kiiid!!! My recommendation if laying out a PCB is to parallel wire the databus as above and to pull pin 26 high - this should(???????) work for any of the variants
Edited by matherp 2016-01-01
 
WhiteWizzard
Guru

Joined: 05/04/2013
Location: United Kingdom
Posts: 2967
Posted: 10:42pm 30 Dec 2015
Copy link to clipboard 
Print this post

Thanks for that clarification
So best just buy some and see what we end up with!

Is the viewing angle any good?
 
Grogster

Admin Group

Joined: 31/12/2012
Location: New Zealand
Posts: 9938
Posted: 02:17am 01 Jan 2016
Copy link to clipboard 
Print this post

  matherp said   I found a bug in the code when porting to the 64-pin MM+ so please find attached an updated version for the 44-pin. Please note I have changed the parameter order on the 44-pin to be compatible with the 64-pin which doesn't need the pinout specifying as it uses the standard LCD pins as described in the MM manual.

44-pin:

2015-12-21_171132_ILI9325v44.zip

and a new version for the 64-pin:

2015-12-21_171216_ili9325.zip

C source:

2015-12-21_171149_ILI9325v64.zip


Peter - I am laying out the new stereo PCB using this display and your driver, and your post above mentions that the 64-pin version now uses the defined LCD pins, but the text in the file still says to use specific pins.

...I will be connecting to DB8-DB15 on the LCD, and using MM+ pins 60-64 and 1-3...Edited by Grogster 2016-01-02
Smoke makes things work. When the smoke gets out, it stops!
 
matherp
Guru

Joined: 11/12/2012
Location: United Kingdom
Posts: 11252
Posted: 03:06am 01 Jan 2016
Copy link to clipboard 
Print this post

  Quote  but the text in the file still says to use specific pins.


Sorry - forgot to update the header text

Use the MM+ 64-pin standard LCD pins for databus and control signals (RS, WR, RESET)
 
Grogster

Admin Group

Joined: 31/12/2012
Location: New Zealand
Posts: 9938
Posted: 03:10am 01 Jan 2016
Copy link to clipboard 
Print this post

Thanks.

I thought that was probably the case, but before I have to re-do a layout.....
Smoke makes things work. When the smoke gets out, it stops!
 
Zonker

Guru

Joined: 18/08/2012
Location: United States
Posts: 772
Posted: 05:36am 01 Jan 2016
Copy link to clipboard 
Print this post

Ok... 4 round displays on order....

I wanted to get the wiring for the PCB correct, so i think it was said to connect the upper data bus bits with the lower ones in case the display you get is the "other" type... So, I would connect DB0 with DB8, DB1 with DB9, ect.. Then put in a solder ball jumper to control pin 26 "IMO" so as to adapt the interface to use the upper or lower data buss... ??

Other questions:...

Pin 2 and 3 (vcc and IOvcc) get connected together ? (3.3v) ?
CS gets tided LOW, RD HIGH, WR tided LOW...

Whats the "MAX" current for the back light LEDs..? should I use a separate resistor for K1 and K2..?

Does the CFunction code able to function with the 28 pin MM V5 core code..?

Thanks for help on this..! Edited by Zonker 2016-01-02
 
kiiid

Guru

Joined: 11/05/2013
Location: United Kingdom
Posts: 671
Posted: 07:44am 01 Jan 2016
Copy link to clipboard 
Print this post




This is the schematic that should work with both 8-bit and 16-bit displays of this type. IM0 can be permanently high because it is NC in the 8-bit modules anyway.
Note that these displays by specs work with 2.8V supply.

The backlight is better to have two separate resistors, though.Edited by kiiid 2016-01-02
http://rittle.org

--------------
 
Zonker

Guru

Joined: 18/08/2012
Location: United States
Posts: 772
Posted: 02:48pm 01 Jan 2016
Copy link to clipboard 
Print this post

Thanks kiiid for the info..!

I like the PWM transistor you selected... Nice... Has it's own bias resistors inside... (sweet) So, insert 1 diode drop from 3.3v to get there, or should a separate reg be used..? (diode probably ok)...

P.S. - Can't wait to hear news of your up coming PCBA
 
Zonker

Guru

Joined: 18/08/2012
Location: United States
Posts: 772
Posted: 06:56pm 15 Jan 2016
Copy link to clipboard 
Print this post

Good evening Gents..

Well, the AliExpress order for the round LCD displays came in today.. They seemed in fine condition.. I don't have an FPC connector for them, so I was considering soldering wire wrap wires onto the connector area to get the prototype interface going.. I was wondering if this was a good idea or not, so I thought to ask if anyone else has tried doing this before..? When laying out a PCB, is it OK to just directly solder the display to the PCB, or would using a FPC connector be the way to go..? All the display modules from china seem to directly solder the displays to the PCB's so I guess this can be done... I am currently trying to create a PCB part in Dex for the round LCD... I can't seem to make sense of the PCB pad information in the PDF file but now have the actual display units to check the sizing... If anyone knows the pitch between the pad centers, would be a big help... will be working on it this weekend..

Thanks for any feedback on this...!!



EDIT: I got the Display mounted up and ready for the interface wiring... It took some "Microscope" time to get all the wire wrap wires soldered onto the display..!




Edited by Zonker 2016-01-28
 
matherp
Guru

Joined: 11/12/2012
Location: United Kingdom
Posts: 11252
Posted: 06:23am 14 Feb 2016
Copy link to clipboard 
Print this post

Zonker

Driver for R61505V based display (the round ones) attached configured for 44-pin MX170 as requested. Requires V5.1.

Note this display is tested in 64-pin mode and the similar ILI9325 driver is tested in 44-pin mode but this combination has not been tested although it should work.

Also note (as in the 64-pin version) although the display is effectively 220x220 pixels, MM.HRES and MM.VRES are set to 230 because of the way the display is wired.


sub mm.startup
R61505V_V44(4, 42) 'orientation, reset pin number
end sub

'**********Append this code and below onto the end of your MMBasic program***********
'
' Copyright (c) Peter Mather 2015
'
' Initialise the Display Driver for R61505V controlled TFT LCD Panel in 8-bit databus, 16-bit mode
' i.e. RGB565. This is optimised for the 44-pin uM2 and uses defined pinout except for the reset pin
'
' R61505V_V44 initialises the loadable CFunction driver so that you can use all of the
' MMBasic graphic commands in your program.
' Parameters:
' Orient% LANDSCAPE=1,PORTRAIT=2,RLANDSCAPE=3,RPORTRAIT=4
' RST% is pin number of Reset signal
'
' After Calling R61505V_V44, any of the usual MM Graphic commands may be used
' in your MMBasic program, eg BOX, TEXT, LINE, CIRCLE etc
'
' Note: you must use pins 25,26,27,36,37,38,2,3 for the data pins
' you must use pin 4 for RS and pin 5 for WR
' Tie CS Low and tie RD high
'
' For TFT1P4967 displays connect to data pins DB8-DB15
' For TFT1P2477 displays connect to data pins DB0-DB7
'
' Ver 1.10 2016-02-14 Initial Release
'
'**********************************************************************************
' File ILI9325_V44.bas written 14-Feb-2016 16:11:36
'
CSUB R61505V_V44
000001BD
'writeRegister
7C833A00 34630200 3C02BF88 AC436230 24030200 AC436234 AC436238 308400FF
34840200 AC446230 AC436234 AC436238 2402FFFF 10A2000C 7CA33A00 34630300
3C02BF88 AC436230 24030200 AC436234 AC436238 30A500FF 34A50300 AC456230
AC436234 AC436238 03E00008 00000000
'defineregion
27BDFFD8 AFBF0024 AFB40020 AFB3001C AFB20018 AFB10014 AFB00010 2490FFFF
02063021 24B2FFFF 02479021 3C039D00 8C620094 8C420000 8C630098 8C630000
0043382B 10E00003 00604021 00404021 00601021 3C039D00 8C630090 80630015
24070002 10670007 24070004 1067000B 24070001 5467001D 24B0000A 10000013
00129027 00A0A021 2490000A 24D1000A 00A09821 1000001D 02002821 00068027
02088021 00048827 02288821 2413FFF5 02729023 0242A021 02659823 02629021
02409821 10000011 02202821 02488021 00058827 02288821 0080A021 00C09021
00809821 10000009 02202821 2651000A 2412FFF5 0246A023 0282A021 02449023
02429021 02409821 02002821 24040020 0411FF9F 00000000 24040021 02602821
0411FF9B 00000000 24040050 02002821 0411FF97 00000000 24040052 02802821
0411FF93 00000000 24040051 02202821 0411FF8F 00000000 24040053 02402821
0411FF8B 00000000 24040022 2405FFFF 0411FF87 00000000 8FBF0024 8FB40020
8FB3001C 8FB20018 8FB10014 8FB00010 03E00008 27BD0028
'DrawBitmap_R61505V
27BDFFB0 AFBF004C AFBE0048 AFB70044 AFB60040 AFB5003C AFB40038 AFB30034
AFB20030 AFB1002C AFB00028 AFA40050 00A0F021 00C09021 AFA7005C 8FB00060
8FA30064 8FA20068 8FB3006C 3C069D00 8CC70094 8CF10000 8CC60098 8CC60000
AFA60010 0003BC03 32F700F8 7C661340 02E6B825 36F70300 0003B143 32D600E0
7C6320C0 02C3B025 36D60300 0002AC03 32B500F8 7C431340 02A3A825 36B50300
0002A143 329400E0 7C4220C0 0282A025 72123002 8FA2005C 72023802 0411FF6A
00000000 8FA3005C 1860005C 36940300 02007821 AFBE0014 00121023 AFA2001C
7072F002 27DEFFFF AFB20020 00007021 AFA00018 24180001 3C05BF88 1000004B
24060200 04400019 0051202B 50800018 24630001 05220016 24630001 51600014
24630001 91A40000 008C2024 10800009 00000000 ACB76230 ACA66234 ACA66238
ACB66230 ACA66234 ACA66238 10000008 24630001 ACB56230 ACA66234 ACA66238
ACB46230 ACA66234 ACA66238 24630001 1470FFE4 24420001 24E70001 2508FFFF
10F20010 014F5021 00EE1021 24430007 284D0000 006D100B 000268C3 026D6821
000817C3 00021742 01026021 318C0007 01826023 01986004 01401021 1000FFD1
00001821 27390001 17300004 25290001 10000009 8FA30018 0000C821 1A40FFF9
8FAA0050 03C04021 00003821 8FA20010 1000FFE5 0122582B 24630001 AFA30018
8FA20014 004F1021 AFA20014 8FA3001C 03C3F021 8FA20020 01C27021 8FA30018
8FA2005C 10620006 8FBF004C 1E00FFEA 8FA90014 1000FFF0 8FA30018 8FBF004C
8FBE0048 8FB70044 8FB60040 8FB5003C 8FB40038 8FB30034 8FB20030 8FB1002C
8FB00028 03E00008 27BD0050
'DrawRectangle_R61505V
27BDFFD0 AFBF002C AFB50028 AFB40024 AFB30020 AFB2001C AFB10018 AFB00014
00808021 00A09021 00C08821 8FB40040 24020001 16820007 00E09821 24040007
24050103 0411FED1 00000000 10000009 0211102A 24020002 16820006 0211102A
24040007 24050133 0411FEC8 00000000 0211102A 14400005 0253102A 02001021
02208021 00408821 0253102A 14400004 2A040000 02401021 02609021 00409821
0004800B 02002021 3C029D00 8C420094 8C420000 0202282B 2443FFFF 0065200A
2A260000 0006880B 0222182B 2442FFFF 0043880A 2A450000 0005900B 02402821
3C029D00 8C420098 8C420000 0242302B 2443FFFF 0066280A 2A670000 0007980B
0262182B 2442FFFF 0043980A 24070001 00E43023 00D13021 00E53823 00F33821
70E6A802 0411FEB5 00000000 00142C03 30A500F8 7E821340 00A22825 34A50300
00141143 304200E0 7E9420C0 0054A025 36940300 50B40005 3C02BF88 16A00018
26A4FFFF 10000023 8FBF002C AC456230 24030200 AC436234 AC436238 AC436234
AC436238 26B5FFFF 12A00019 26B5FFFF 3C03BF88 24020200 2404FFFF AC626234
AC626238 AC626234 AC626238 26B5FFFF 16A4FFFA 8FBF002C 1000000F 8FB50028
3C02BF88 24030200 2406FFFF AC456230 AC436234 AC436238 AC546230 AC436234
AC436238 2484FFFF 1486FFF8 00000000 8FBF002C 8FB50028 8FB40024 8FB30020
8FB2001C 8FB10018 8FB00014 03E00008 27BD0030
'getFPC
27BDFFF8 AFBF0004 00852023 03E42021 ACC40000 8FBF0004 03E00008 27BD0008
'pstring
27BDFFE0 AFBF001C AFB00018 00808021 00002021 3C059D00 24A506D0 27A60010
0411FFEF 00000000 8FA40010 3C029D00 8C42002C 0040F809 02042021 8FBF001C
8FB00018 03E00008 27BD0020
'main
27BDFFA8 AFBF0054 AFB30050 AFB2004C AFB10048 AFB00044 00808021 00A08821
27B30038 00002021 3C059D00 24A50730 02603021 0411FFD7 00000000 3C029D00
8C430090 8E040000 A0640015 8C420090 8E230000 A043002E 24020019 AFA20018
2402001A AFA2001C 2402001B AFA20020 24020024 AFA20024 24020025 AFA20028
24020026 AFA2002C 24020002 AFA20030 24020003 AFA20034 27B20018 3C109D00
8E510000 8E020010 02202021 24050008 0040F809 00003021 8E020010 02202021
24050065 0040F809 00003021 8E02001C 02202021 0040F809 24050005 26520004
5653FFF0 8E510000 3C109D00 8E020010 24040004 24050008 0040F809 00003021
8E020010 24040004 24050065 0040F809 00003021 3C11BF88 24020100 AE226238
8E020010 24040005 24050008 0040F809 00003021 8E020010 24040005 24050065
0040F809 00003021 24020200 AE226238 8E030090 8E020010 8064002E 24050008
0040F809 00003021 8E030090 8E020010 8064002E 24050065 0040F809 00003021
8E030090 8E02001C 8064002E 0040F809 24050006 8E030090 8E02001C 8064002E
0040F809 24050006 8E020004 0040F809 3404C350 8E030090 8E02001C 8064002E
0040F809 24050005 8E020004 0040F809 3404C350 8E030090 8E02001C 8064002E
0040F809 24050006 8E020004 0040F809 3404C350 240400E5 34058000 0411FDC3
00000000 00002021 24050001 0411FDBF 00000000 24040001 24050100 0411FDBB
00000000 24040002 00002821 0411FDB7 00000000 24040003 24051030 0411FDB3
00000000 24040004 00002821 0411FDAF 00000000 24040008 24050202 0411FDAB
00000000 24040009 2405002F 0411FDA7 00000000 2404000A 00002821 0411FDA3
00000000 2404000C 00002821 0411FD9F 00000000 2404000D 00002821 0411FD9B
00000000 2404000F 00002821 0411FD97 00000000 24040010 00002821 0411FD93
00000000 24040011 24050007 0411FD8F 00000000 24040012 00002821 0411FD8B
00000000 24040013 00002821 0411FD87 00000000 8E020004 0040F809 3404C350
24040010 24050730 0411FD80 00000000 24040011 24050007 0411FD7C 00000000
8E020004 0040F809 24042710 24040012 24050138 0411FD75 00000000 8E020004
0040F809 24042710 24040013 24051A00 0411FD6E 00000000 24040029 2405000C
0411FD6A 00000000 8E020004 0040F809 24042710 24040030 00002821 0411FD63
00000000 24040031 24050505 0411FD5F 00000000 24040032 24050004 0411FD5B
00000000 24040035 24050006 0411FD57 00000000 24040036 24050707 0411FD53
00000000 24040037 24050105 0411FD4F 00000000 24040038 24050002 0411FD4B
00000000 24040039 24050707 0411FD47 00000000 2404003C 24050704 0411FD43
00000000 2404003D 24050807 0411FD3F 00000000 24040050 00002821 0411FD3B
00000000 24040051 240500EF 0411FD37 00000000 24040052 00002821 0411FD33
00000000 24040053 2405013F 0411FD2F 00000000 24040060 24052700 0411FD2B
00000000 24040061 24050001 0411FD27 00000000 2404006A 00002821 0411FD23
00000000 24040021 00002821 0411FD1F 00000000 24040020 00002821 0411FD1B
00000000 24040080 00002821 0411FD17 00000000 24040081 00002821 0411FD13
00000000 24040082 00002821 0411FD0F 00000000 24040083 00002821 0411FD0B
00000000 24040084 00002821 0411FD07 00000000 24040085 00002821 0411FD03
00000000 24040090 24050010 0411FCFF 00000000 24040092 00002821 0411FCFB
00000000 24040093 24050003 0411FCF7 00000000 24040095 24050110 0411FCF3
00000000 24040097 00002821 0411FCEF 00000000 24040098 00002821 0411FCEB
00000000 24040007 24050173 0411FCE7 00000000 8E020004 0040F809 3404C350
8E020090 80420015 24030002 10430009 24051030 24030004 10430006 24051000
38450001 24031018 24041028 0085180A 00602821 24040003 0411FCD4 00000000
3C029D00 8C420090 90420015 30420001 10400007 3C039D00 8C640098 240200E6
AC820000 8C630094 10000006 AC620000 8C640094 240200E6 AC820000 8C630098
AC620000 8FA50038 3C029D00 8C430048 3C049D00 24840474 00852021 AC640000
8FA50038 8C43004C 3C049D00 24840208 00852021 AC640000 8C430048 8C440094
8C860000 8C420098 8C470000 AFA00010 8C620000 00002021 00002821 24C6FFFF
0040F809 24E7FFFF 3C049D00 24840D88 0411FE50 00000000 8FBF0054 8FB30050
8FB2004C 8FB10048 8FB00044 03E00008 27BD0058
'.rodata
'startup
35313652 20563530 76697264 6C207265 6564616F 000A0D64
End CSUB
Edited by matherp 2016-02-15
 
matherp
Guru

Joined: 11/12/2012
Location: United Kingdom
Posts: 11252
Posted: 07:03am 14 Feb 2016
Copy link to clipboard 
Print this post

Latest versions (V1.10) of ILI9325 driver for 44-pin MX170 V5.1
ILI9325 driver for 64-pin MX470 (4.7b37+) and
R61505V driver for 64-pin MX470 (4.7b37+)


ILI9325 44-pin V1.10

sub mm.startup
CPU 48
ILI9325_V44(4, 42 ) 'orientation, reset pin number
end sub

'**********Append this code and below onto the end of your MMBasic program***********
'
' Copyright (c) Peter Mather 2015
'
' Initialise the Display Driver for ILI9325 controlled TFT LCD Panel in 8-bit databus, 16-bit mode
' i.e. RGB565. This is optimised for the 44-pin uM2 and uses defined pinout except for the reset pin
' NOTE For this display in 8-bit mode you must connect to DB8-DB15 and not DB0 to DB7
'
' ILI9325_V44 initialises the loadable CFunction driver so that you can use all of the
' MMBasic graphic commands in your program.
'
' Parameters
' Orient% LANDSCAPE=1,PORTRAIT=2,RLANDSCAPE=3,RPORTRAIT=4
' RST% is pin number of Reset signal
'
' After Calling ILI9325_V44, any of the usual MM Graphic commands may be used
' in your MMBasic program, eg BOX, TEXT, LINE, CIRCLE etc
'
' Note: you must use pins 25,26,27,36,37,38,2,3 for the data pins DB8-DB15
' you must use pin 4 for RS and pin 5 for WR
' Tie CS Low and tie RD high
'
' Ver 1.02 2015-08-19 Initial Release
' Ver 1.03 2015-12-21 Swap parameters for compatibility with 64-pin code
' Ver 1.10 2016-02-14 Implement enhanced CFunction capabilities to avoid address passing
'
'**********************************************************************************
' File ILI9325_V44.bas written 14-Feb-2016 16:10:22
'
CSUB ILI9325_V44
000001BA
'writeRegister
7C833A00 34630200 3C02BF88 AC436230 24030200 AC436234 AC436238 308400FF
34840200 AC446230 AC436234 AC436238 2402FFFF 10A2000C 7CA33A00 34630300
3C02BF88 AC436230 24030200 AC436234 AC436238 30A500FF 34A50300 AC456230
AC436234 AC436238 03E00008 00000000
'defineregion
27BDFFD8 AFBF0024 AFB40020 AFB3001C AFB20018 AFB10014 AFB00010 2491FFFF
02263021 24B1FFFF 02278821 3C039D00 8C620094 8C420000 8C630098 8C630000
0043382B 10E00003 00604021 00404021 00601021 3C039D00 8C630090 80630015
24070002 10670007 24070004 1067000B 24070001 5467001C 00A09821 10000012
00118827 00809821 00C08021 00A0A021 00A09021 1000001A 00802821 00069827
02689821 00048027 02088021 00118827 0222A021 00058827 02228821 02209021
1000000F 02002821 02289821 00058027 02088021 0080A021 00C08821 00809021
10000007 02002821 02208021 0006A027 0282A021 00048827 02228821 02209021
24040020 0411FFA2 00000000 24040021 02402821 0411FF9E 00000000 24040050
02602821 0411FF9A 00000000 24040052 02802821 0411FF96 00000000 24040051
02002821 0411FF92 00000000 24040053 02202821 0411FF8E 00000000 24040022
2405FFFF 0411FF8A 00000000 8FBF0024 8FB40020 8FB3001C 8FB20018 8FB10014
8FB00010 03E00008 27BD0028
'DrawBitmap_ILI9325
27BDFFB0 AFBF004C AFBE0048 AFB70044 AFB60040 AFB5003C AFB40038 AFB30034
AFB20030 AFB1002C AFB00028 AFA40050 00A0F021 00C09021 AFA7005C 8FB00060
8FA30064 8FA20068 8FB3006C 3C069D00 8CC70094 8CF10000 8CC60098 8CC60000
AFA60010 0003BC03 32F700F8 7C661340 02E6B825 36F70300 0003B143 32D600E0
7C6320C0 02C3B025 36D60300 0002AC03 32B500F8 7C431340 02A3A825 36B50300
0002A143 329400E0 7C4220C0 0282A025 72123002 8FA2005C 72023802 0411FF6D
00000000 8FA3005C 1860005C 36940300 02007821 AFBE0014 00121023 AFA2001C
7072F002 27DEFFFF AFB20020 00007021 AFA00018 24180001 3C05BF88 1000004B
24060200 04400019 0051202B 50800018 24630001 05220016 24630001 51600014
24630001 91A40000 008C2024 10800009 00000000 ACB76230 ACA66234 ACA66238
ACB66230 ACA66234 ACA66238 10000008 24630001 ACB56230 ACA66234 ACA66238
ACB46230 ACA66234 ACA66238 24630001 1470FFE4 24420001 24E70001 2508FFFF
10F20010 014F5021 00EE1021 24430007 284D0000 006D100B 000268C3 026D6821
000817C3 00021742 01026021 318C0007 01826023 01986004 01401021 1000FFD1
00001821 27390001 17300004 25290001 10000009 8FA30018 0000C821 1A40FFF9
8FAA0050 03C04021 00003821 8FA20010 1000FFE5 0122582B 24630001 AFA30018
8FA20014 004F1021 AFA20014 8FA3001C 03C3F021 8FA20020 01C27021 8FA30018
8FA2005C 10620006 8FBF004C 1E00FFEA 8FA90014 1000FFF0 8FA30018 8FBF004C
8FBE0048 8FB70044 8FB60040 8FB5003C 8FB40038 8FB30034 8FB20030 8FB1002C
8FB00028 03E00008 27BD0050
'DrawRectangle_ILI9325
27BDFFD0 AFBF002C AFB50028 AFB40024 AFB30020 AFB2001C AFB10018 AFB00014
00808021 00A09021 00C08821 8FB40040 24020001 16820007 00E09821 24040007
24050103 0411FED4 00000000 10000009 0211102A 24020002 16820006 0211102A
24040007 24050133 0411FECB 00000000 0211102A 14400005 0253102A 02001021
02208021 00408821 0253102A 14400004 2A040000 02401021 02609021 00409821
0004800B 02002021 3C029D00 8C420094 8C420000 0202282B 2443FFFF 0065200A
2A260000 0006880B 0222182B 2442FFFF 0043880A 2A450000 0005900B 02402821
3C029D00 8C420098 8C420000 0242302B 2443FFFF 0066280A 2A670000 0007980B
0262182B 2442FFFF 0043980A 24070001 00E43023 00D13021 00E53823 00F33821
70E6A802 0411FEB8 00000000 00142C03 30A500F8 7E821340 00A22825 34A50300
00141143 304200E0 7E9420C0 0054A025 36940300 50B40005 3C02BF88 16A00018
26A4FFFF 10000023 8FBF002C AC456230 24030200 AC436234 AC436238 AC436234
AC436238 26B5FFFF 12A00019 26B5FFFF 3C03BF88 24020200 2404FFFF AC626234
AC626238 AC626234 AC626238 26B5FFFF 16A4FFFA 8FBF002C 1000000F 8FB50028
3C02BF88 24030200 2406FFFF AC456230 AC436234 AC436238 AC546230 AC436234
AC436238 2484FFFF 1486FFF8 00000000 8FBF002C 8FB50028 8FB40024 8FB30020
8FB2001C 8FB10018 8FB00014 03E00008 27BD0030
'getFPC
27BDFFF8 AFBF0004 00852023 03E42021 ACC40000 8FBF0004 03E00008 27BD0008
'pstring
27BDFFE0 AFBF001C AFB00018 00808021 00002021 3C059D00 24A506C4 27A60010
0411FFEF 00000000 8FA40010 3C029D00 8C42002C 0040F809 02042021 8FBF001C
8FB00018 03E00008 27BD0020
'main
27BDFFA8 AFBF0054 AFB30050 AFB2004C AFB10048 AFB00044 00808021 00A08821
27B30038 00002021 3C059D00 24A50724 02603021 0411FFD7 00000000 3C029D00
8C430090 8E040000 A0640015 8C420090 8E230000 A043002E 24020019 AFA20018
2402001A AFA2001C 2402001B AFA20020 24020024 AFA20024 24020025 AFA20028
24020026 AFA2002C 24020002 AFA20030 24020003 AFA20034 27B20018 3C109D00
8E510000 8E020010 02202021 24050008 0040F809 00003021 8E020010 02202021
24050065 0040F809 00003021 8E02001C 02202021 0040F809 24050005 26520004
5653FFF0 8E510000 3C109D00 8E020010 24040004 24050008 0040F809 00003021
8E020010 24040004 24050065 0040F809 00003021 3C11BF88 24020100 AE226238
8E020010 24040005 24050008 0040F809 00003021 8E020010 24040005 24050065
0040F809 00003021 24020200 AE226238 8E030090 8E020010 8064002E 24050008
0040F809 00003021 8E030090 8E020010 8064002E 24050065 0040F809 00003021
8E030090 8E02001C 8064002E 0040F809 24050006 8E030090 8E02001C 8064002E
0040F809 24050006 8E020004 0040F809 3404C350 8E030090 8E02001C 8064002E
0040F809 24050005 8E020004 0040F809 3404C350 8E030090 8E02001C 8064002E
0040F809 24050006 8E020004 0040F809 3404C350 240400E5 240578F0 0411FDC6
00000000 24040001 24050100 0411FDC2 00000000 24040002 24050700 0411FDBE
00000000 24040003 24051030 0411FDBA 00000000 24040004 00002821 0411FDB6
00000000 24040008 24050207 0411FDB2 00000000 24040009 00002821 0411FDAE
00000000 2404000A 00002821 0411FDAA 00000000 2404000C 00002821 0411FDA6
00000000 2404000D 00002821 0411FDA2 00000000 2404000F 00002821 0411FD9E
00000000 24040010 00002821 0411FD9A 00000000 24040011 24050007 0411FD96
00000000 24040012 00002821 0411FD92 00000000 24040013 00002821 0411FD8E
00000000 24040007 24050001 0411FD8A 00000000 8E020004 0040F809 3404C350
24040010 24051090 0411FD83 00000000 24040011 24050227 0411FD7F 00000000
8E020004 0040F809 3404C350 24040012 2405001F 0411FD78 00000000 8E020004
0040F809 3404C350 24040013 24051500 0411FD71 00000000 24040029 24050027
0411FD6D 00000000 2404002B 2405000D 0411FD69 00000000 8E020004 0040F809
3404C350 24040020 00002821 0411FD62 00000000 24040021 00002821 0411FD5E
00000000 24040030 00002821 0411FD5A 00000000 24040031 24050707 0411FD56
00000000 24040032 24050307 0411FD52 00000000 24040035 24050200 0411FD4E
00000000 24040036 24050008 0411FD4A 00000000 24040037 24050004 0411FD46
00000000 24040038 00002821 0411FD42 00000000 24040039 24050707 0411FD3E
00000000 2404003C 24050002 0411FD3A 00000000 2404003D 24051D04 0411FD36
00000000 24040050 00002821 0411FD32 00000000 24040051 240500EF 0411FD2E
00000000 24040052 00002821 0411FD2A 00000000 24040053 2405013F 0411FD26
00000000 24040060 3405A700 0411FD22 00000000 24040061 24050001 0411FD1E
00000000 2404006A 00002821 0411FD1A 00000000 24040080 00002821 0411FD16
00000000 24040081 00002821 0411FD12 00000000 24040082 00002821 0411FD0E
00000000 24040083 00002821 0411FD0A 00000000 24040084 00002821 0411FD06
00000000 24040085 00002821 0411FD02 00000000 24040090 24050010 0411FCFE
00000000 24040092 24050600 0411FCFA 00000000 24040007 24050133 0411FCF6
00000000 8E020090 80420015 24030002 10430009 24051030 24030004 10430006
24051000 38450001 24031018 24041028 0085180A 00602821 24040003 0411FCE6
00000000 3C029D00 8C420090 90420015 30420001 10400008 3C029D00 8C430098
240400F0 AC640000 8C420094 24030140 10000007 AC430000 8C430094 240400F0
AC640000 8C420098 24030140 AC430000 8FA50038 3C029D00 8C430048 3C049D00
24840468 00852021 AC640000 8FA50038 8C43004C 3C049D00 248401FC 00852021
AC640000 8C430048 8C440094 8C860000 8C420098 8C470000 AFA00010 8C620000
00002021 00002821 24C6FFFF 0040F809 24E7FFFF 3C049D00 24840D48 0411FE5D
00000000 8FBF0054 8FB30050 8FB2004C 8FB10048 8FB00044 03E00008 27BD0058
'.rodata
'startup
39494C49 20353233 76697264 6C207265 6564616F 000A0D64
End CSUB


ILI9325 64-pin V1.10

sub mm.startup
ILI9325_V64 1 'Landscape
end sub

'**********Append this code and below onto the end of your MMBasic program***********
'
' Copyright (c) Peter Mather 2015
'
' Initialise the Display Driver for ILI9325 controlled TFT LCD Panel in 8-bit databus, 16-bit mode
' i.e. RGB565. This is optimised for the 64-pin MM+
' NOTE For this display in 8-bit mode you must connect to DB8-DB15 and not DB0 to DB7
'
' ILI9325_V64 initialises the loadable CFunction driver so that you can use all of the
' MMBasic graphic commands in your program.
'
' Parameters:
' Orientation% LANDSCAPE=1,PORTRAIT=2,RLANDSCAPE=3,RPORTRAIT=4
'
' After Calling ILI9325_V64, any of the usual MM Graphic commands may be used
' in your MMBasic program, eg BOX, TEXT, LINE, CIRCLE etc
'
' Note: you must use the standard MM+ pins for the data pins DB8-DB15
' and for WR, RS and RESET as though the display was a SSD1963
' Tie CS Low and tie RD high
'
' Ver 1.02 2015-08-19 Initial Release
' Ver 1.03 2015-12-21 Swap parameters for compatibility with 64-pin code
' Ver 1.04 2015-12-28 Additional wait states for 64-pin code
' Ver 1.10 2016-02-14 Implement enhanced CFunction capabilities to avoid address passing
'
'**********************************************************************************
' File ILI9325_V64.bas written 14-Feb-2016 16:13:17
'
CSUB ILI9325_V64
000001CD
'writeRegister
3C02BF88 24031000 AC436134 3C03BF81 8C66F220 00043202 30C602FF 34C60800
AC466430 24060800 AC466134 8C67F220 AC466138 8C67F220 308402FF 34840800
AC446430 AC466134 8C64F220 AC466138 8C62F220 2402FFFF 10A20014 3C02BF88
24031000 AC436138 3C03BF81 8C64F220 7CA44A00 34841800 AC446430 24040800
AC446134 8C66F220 AC446138 8C66F220 30A503FF 34A51800 AC456430 AC446134
8C65F220 AC446138 8C62F220 03E00008 00000000
'defineregion
27BDFFD8 AFBF0024 AFB40020 AFB3001C AFB20018 AFB10014 AFB00010 2491FFFF
02263021 24B1FFFF 02278821 3C039D00 8C620094 8C420000 8C630098 8C630000
0043382B 10E00003 00604021 00404021 00601021 3C039D00 8C630090 80630015
24070002 10670007 24070004 1067000B 24070001 5467001C 00A09821 10000012
00118827 00809821 00C08021 00A0A021 00A09021 1000001A 00802821 00069827
02689821 00048027 02088021 00118827 0222A021 00058827 02228821 02209021
1000000F 02002821 02289821 00058027 02088021 0080A021 00C08821 00809021
10000007 02002821 02208021 0006A027 0282A021 00048827 02228821 02209021
24040020 0411FF91 00000000 24040021 02402821 0411FF8D 00000000 24040050
02602821 0411FF89 00000000 24040052 02802821 0411FF85 00000000 24040051
02002821 0411FF81 00000000 24040053 02202821 0411FF7D 00000000 24040022
2405FFFF 0411FF79 00000000 8FBF0024 8FB40020 8FB3001C 8FB20018 8FB10014
8FB00010 03E00008 27BD0028
'DrawBitmap_ILI9325
27BDFFB0 AFBF004C AFBE0048 AFB70044 AFB60040 AFB5003C AFB40038 AFB30034
AFB20030 AFB1002C AFB00028 AFA40050 00A0F021 00C09021 AFA7005C 8FB00060
8FA30064 8FA20068 8FB3006C 3C069D00 8CC70094 8CF10000 8CC60098 8CC60000
AFA60014 0003BC03 32F700F8 7C661340 02E6B825 36F71800 0003B143 32D600E0
7C6320C0 02C3B025 36D61800 0002AC03 32B500F8 7C431340 02A3A825 36B51800
0002A143 329400E0 7C4220C0 0282A025 36941800 72123002 8FA2005C 72023802
0411FF6C 00000000 24031000 3C02BF88 AC436138 3C02BF81 8C42F220 8FA3005C
18600067 0200C021 AFBE0018 00121023 AFA20020 70721002 2442FFFF AFA20010
AFB20024 00007821 AFA0001C 24190001 3C05BF88 24070800 10000055 3C06BF81
04400021 0051202B 50800020 24630001 0542001E 24630001 5180001C 24630001
91C40000 008D2024 1080000D 00000000 ACB76430 ACA76134 8CC4F220 ACA76138
8CC4F220 ACB66430 ACA76134 8CC4F220 ACA76138 8CC4F220 1000000C 24630001
ACB56430 ACA76134 8CC4F220 ACA76138 8CC4F220 ACB46430 ACA76134 8CC4F220
ACA76138 8CC4F220 24630001 1470FFDC 24420001 25080001 2529FFFF 11120010
01785821 010F1021 24430007 284E0000 006E100B 000270C3 026E7021 000917C3
00021742 01226821 31AD0007 01A26823 01B96804 01601021 1000FFC9 00001821
27DE0001 17D00004 254A0001 10000009 8FA3001C 0000F021 1A40FFF9 8FAB0050
8FA90010 00004021 8FA20014 1000FFE5 0142602B 24630001 AFA3001C 8FA20018
00581021 AFA20018 8FA30010 8FA20020 00621821 AFA30010 8FA30024 01E37821
8FA2001C 8FA3005C 10430006 8FBF004C 1E00FFE8 8FAA0018 1000FFEE 8FA3001C
8FBF004C 8FBE0048 8FB70044 8FB60040 8FB5003C 8FB40038 8FB30034 8FB20030
8FB1002C 8FB00028 03E00008 27BD0050
'DrawRectangle_ILI9325
27BDFFD0 AFBF002C AFB50028 AFB40024 AFB30020 AFB2001C AFB10018 AFB00014
00808021 00A09021 00C08821 8FB40040 24020001 16820007 00E09821 24040007
24050131 0411FEB2 00000000 10000009 0211102A 24020002 16820006 0211102A
24040007 24050133 0411FEA9 00000000 0211102A 14400005 0253102A 02001021
02208021 00408821 0253102A 14400004 2A040000 02401021 02609021 00409821
0004800B 02002021 3C029D00 8C420094 8C420000 0202282B 2443FFFF 0065200A
2A260000 0006880B 0222182B 2442FFFF 0043880A 2A450000 0005900B 02402821
3C029D00 8C420098 8C420000 0242302B 2443FFFF 0066280A 2A670000 0007980B
0262182B 2442FFFF 0043980A 24070001 00E43023 00D13021 00E53823 00F33821
70E6A802 0411FEA7 00000000 24031000 3C02BF88 AC436138 3C02BF81 8C42F220
00142C03 30A500F8 7E821340 00A22825 34A51800 00141143 304200E0 7E9420C0
0054A025 12A00013 36941800 26B5FFFF 3C02BF88 24040800 3C03BF81 2406FFFF
AC456430 AC446134 8C67F220 AC446138 8C67F220 AC546430 AC446134 8C67F220
AC446138 8C67F220 26B5FFFF 16A6FFF4 00000000 8FBF002C 8FB50028 8FB40024
8FB30020 8FB2001C 8FB10018 8FB00014 03E00008 27BD0030
'getFPC
27BDFFF8 AFBF0004 00852023 03E42021 ACC40000 8FBF0004 03E00008 27BD0008
'pstring
27BDFFE0 AFBF001C AFB00018 00808021 00002021 3C059D00 24A50710 27A60010
0411FFEF 00000000 8FA40010 3C029D00 8C42002C 0040F809 02042021 8FBF001C
8FB00018 03E00008 27BD0020
'main
27BDFFA8 AFBF0054 AFB30050 AFB2004C AFB10048 AFB00044 00808021 27B30038
00002021 3C059D00 24A5076C 02603021 0411FFD8 00000000 3C029D00 8C430090
8E040000 A0640015 8C420090 2403001C A043002E 2402003C AFA20018 2402003D
AFA2001C 2402003E AFA20020 2402003F AFA20024 24020040 AFA20028 24020001
AFA2002C 24020002 AFA20030 24020003 AFA20034 27B20018 3C109D00 8E510000
8E020010 02202021 24050008 0040F809 00003021 8E020010 02202021 24050065
0040F809 00003021 8E02001C 02202021 0040F809 24050005 26520004 5653FFF0
8E510000 3C109D00 8E020010 2404001B 24050008 0040F809 00003021 8E020010
2404001B 24050065 0040F809 00003021 3C11BF88 24021000 AE226138 3C12BF81
8E42F220 8E020010 24040018 24050008 0040F809 00003021 8E020010 24040018
24050065 0040F809 00003021 24020800 AE226138 8E42F220 8E030090 8E020010
8064002E 24050008 0040F809 00003021 8E030090 8E020010 8064002E 24050065
0040F809 00003021 8E030090 8E02001C 8064002E 0040F809 24050006 8E030090
8E02001C 8064002E 0040F809 24050006 8E020004 0040F809 3404C350 8E030090
8E02001C 8064002E 0040F809 24050005 8E020004 0040F809 3404C350 8E030090
8E02001C 8064002E 0040F809 24050006 8E020004 0040F809 3404C350 240400E5
240578F0 0411FDB1 00000000 24040001 24050100 0411FDAD 00000000 24040002
24050700 0411FDA9 00000000 24040003 24051030 0411FDA5 00000000 24040004
00002821 0411FDA1 00000000 24040008 24050207 0411FD9D 00000000 24040009
00002821 0411FD99 00000000 2404000A 00002821 0411FD95 00000000 2404000C
00002821 0411FD91 00000000 2404000D 00002821 0411FD8D 00000000 2404000F
00002821 0411FD89 00000000 24040010 00002821 0411FD85 00000000 24040011
24050007 0411FD81 00000000 24040012 00002821 0411FD7D 00000000 24040013
00002821 0411FD79 00000000 24040007 24050001 0411FD75 00000000 8E020004
0040F809 3404C350 24040010 24051090 0411FD6E 00000000 24040011 24050227
0411FD6A 00000000 8E020004 0040F809 3404C350 24040012 2405001F 0411FD63
00000000 8E020004 0040F809 3404C350 24040013 24051500 0411FD5C 00000000
24040029 24050027 0411FD58 00000000 2404002B 2405000D 0411FD54 00000000
8E020004 0040F809 3404C350 24040020 00002821 0411FD4D 00000000 24040021
00002821 0411FD49 00000000 24040030 00002821 0411FD45 00000000 24040031
24050707 0411FD41 00000000 24040032 24050307 0411FD3D 00000000 24040035
24050200 0411FD39 00000000 24040036 24050008 0411FD35 00000000 24040037
24050004 0411FD31 00000000 24040038 00002821 0411FD2D 00000000 24040039
24050707 0411FD29 00000000 2404003C 24050002 0411FD25 00000000 2404003D
24051D04 0411FD21 00000000 24040050 00002821 0411FD1D 00000000 24040051
240500EF 0411FD19 00000000 24040052 00002821 0411FD15 00000000 24040053
2405013F 0411FD11 00000000 24040060 3405A700 0411FD0D 00000000 24040061
24050001 0411FD09 00000000 2404006A 00002821 0411FD05 00000000 24040080
00002821 0411FD01 00000000 24040081 00002821 0411FCFD 00000000 24040082
00002821 0411FCF9 00000000 24040083 00002821 0411FCF5 00000000 24040084
00002821 0411FCF1 00000000 24040085 00002821 0411FCED 00000000 24040090
24050010 0411FCE9 00000000 24040092 24050600 0411FCE5 00000000 24040007
24050133 0411FCE1 00000000 8E020090 80420015 24030002 10430009 24051030
24030004 10430006 24051000 38450001 24031018 24041028 0085180A 00602821
24040003 0411FCD1 00000000 3C029D00 8C420090 90420015 30420001 10400008
3C029D00 8C430098 240400F0 AC640000 8C420094 24030140 10000007 AC430000
8C430094 240400F0 AC640000 8C420098 24030140 AC430000 8FA50038 3C029D00
8C430048 3C049D00 248404F0 00852021 AC640000 8FA50038 8C43004C 3C049D00
24840240 00852021 AC640000 8C430048 8C440094 8C860000 8C420098 8C470000
AFA00010 8C620000 00002021 00002821 24C6FFFF 0040F809 24E7FFFF 3C049D00
24840D9C 0411FE5B 00000000 8FBF0054 8FB30050 8FB2004C 8FB10048 8FB00044
03E00008 27BD0058
'.rodata
'startup
39494C49 20353233 76697264 6C207265 6564616F 000A0D64
End CSUB


R61505V 64-pin V1.10

sub mm.startup
R61505V_V64(1) 'orientation
' NB include PWM for backlight if required
end sub

'**********Append this code and below onto the end of your MMBasic program***********
'
' Copyright (c) Peter Mather 2015
'
' Initialise the Display Driver for R61505V controlled TFT LCD Panel in 8-bit databus, 16-bit mode
' i.e. RGB565. This is optimised for the 64-pin MM+
'
' R61505V_V64 initialises the loadable CFunction driver so that you can use all of the
' MMBasic graphic commands in your program.
'
' Parameters:
' Orient% LANDSCAPE=1,PORTRAIT=2,RLANDSCAPE=3,RPORTRAIT=4
'
' After Calling R61505V_V64, any of the usual MM Graphic commands may be used
' in your MMBasic program, eg BOX, TEXT, LINE, CIRCLE etc
'
' Note: you must use the standard MM+ pins for the data pins
' and for WR, RS and RESET as though the display was a SSD1963
' Tie CS Low and tie RD high
'
' For TFT1P4967 displays connect to data pins DB8-DB15
' For TFT1P2477 displays connect to data pins DB0-DB7
'
' Ver 1.10 2016-02-14 Initial Release
'
'**********************************************************************************
' File R61505V_V64.bas written 14-Feb-2016 16:48:36
'
CSUB R61505V_V64
000001D0
'writeRegister
3C02BF88 24031000 AC436134 3C03BF81 8C66F220 00043202 30C602FF 34C60800
AC466430 24060800 AC466134 8C67F220 AC466138 8C67F220 308402FF 34840800
AC446430 AC466134 8C64F220 AC466138 8C62F220 2402FFFF 10A20014 3C02BF88
24031000 AC436138 3C03BF81 8C64F220 7CA44A00 34841800 AC446430 24040800
AC446134 8C66F220 AC446138 8C66F220 30A503FF 34A51800 AC456430 AC446134
8C65F220 AC446138 8C62F220 03E00008 00000000
'defineregion
27BDFFD8 AFBF0024 AFB40020 AFB3001C AFB20018 AFB10014 AFB00010 2490FFFF
02063021 24B2FFFF 02479021 3C039D00 8C620094 8C420000 8C630098 8C630000
0043382B 10E00003 00604021 00404021 00601021 3C039D00 8C630090 80630015
24070002 10670007 24070004 1067000B 24070001 5467001D 24B0000A 10000013
00129027 00A0A021 2490000A 24D1000A 00A09821 1000001D 02002821 00068027
02088021 00048827 02288821 2413FFF5 02729023 0242A021 02659823 02629021
02409821 10000011 02202821 02488021 00058827 02288821 0080A021 00C09021
00809821 10000009 02202821 2651000A 2412FFF5 0246A023 0282A021 02449023
02429021 02409821 02002821 24040020 0411FF8E 00000000 24040021 02602821
0411FF8A 00000000 24040050 02002821 0411FF86 00000000 24040052 02802821
0411FF82 00000000 24040051 02202821 0411FF7E 00000000 24040053 02402821
0411FF7A 00000000 24040022 2405FFFF 0411FF76 00000000 8FBF0024 8FB40020
8FB3001C 8FB20018 8FB10014 8FB00010 03E00008 27BD0028
'DrawBitmap_R61505V
27BDFFB0 AFBF004C AFBE0048 AFB70044 AFB60040 AFB5003C AFB40038 AFB30034
AFB20030 AFB1002C AFB00028 AFA40050 00A0F021 00C09021 AFA7005C 8FB00060
8FA30064 8FA20068 8FB3006C 3C069D00 8CC70094 8CF10000 8CC60098 8CC60000
AFA60014 0003BC03 32F700F8 7C661340 02E6B825 36F71800 0003B143 32D600E0
7C6320C0 02C3B025 36D61800 0002AC03 32B500F8 7C431340 02A3A825 36B51800
0002A143 329400E0 7C4220C0 0282A025 36941800 72123002 8FA2005C 72023802
0411FF69 00000000 24031000 3C02BF88 AC436138 3C02BF81 8C42F220 8FA3005C
18600067 0200C021 AFBE0018 00121023 AFA20020 70721002 2442FFFF AFA20010
AFB20024 00007821 AFA0001C 24190001 3C05BF88 24070800 10000055 3C06BF81
04400021 0051202B 50800020 24630001 0542001E 24630001 5180001C 24630001
91C40000 008D2024 1080000D 00000000 ACB76430 ACA76134 8CC4F220 ACA76138
8CC4F220 ACB66430 ACA76134 8CC4F220 ACA76138 8CC4F220 1000000C 24630001
ACB56430 ACA76134 8CC4F220 ACA76138 8CC4F220 ACB46430 ACA76134 8CC4F220
ACA76138 8CC4F220 24630001 1470FFDC 24420001 25080001 2529FFFF 11120010
01785821 010F1021 24430007 284E0000 006E100B 000270C3 026E7021 000917C3
00021742 01226821 31AD0007 01A26823 01B96804 01601021 1000FFC9 00001821
27DE0001 17D00004 254A0001 10000009 8FA3001C 0000F021 1A40FFF9 8FAB0050
8FA90010 00004021 8FA20014 1000FFE5 0142602B 24630001 AFA3001C 8FA20018
00581021 AFA20018 8FA30010 8FA20020 00621821 AFA30010 8FA30024 01E37821
8FA2001C 8FA3005C 10430006 8FBF004C 1E00FFE8 8FAA0018 1000FFEE 8FA3001C
8FBF004C 8FBE0048 8FB70044 8FB60040 8FB5003C 8FB40038 8FB30034 8FB20030
8FB1002C 8FB00028 03E00008 27BD0050
'DrawRectangle_R61505V
27BDFFD0 AFBF002C AFB50028 AFB40024 AFB30020 AFB2001C AFB10018 AFB00014
00808021 00A09021 00C08821 8FB40040 24020001 16820007 00E09821 24040007
24050103 0411FEAF 00000000 10000009 0211102A 24020002 16820006 0211102A
24040007 24050133 0411FEA6 00000000 0211102A 14400005 0253102A 02001021
02208021 00408821 0253102A 14400004 2A040000 02401021 02609021 00409821
0004800B 02002021 3C029D00 8C420094 8C420000 0202282B 2443FFFF 0065200A
2A260000 0006880B 0222182B 2442FFFF 0043880A 2A450000 0005900B 02402821
3C029D00 8C420098 8C420000 0242302B 2443FFFF 0066280A 2A670000 0007980B
0262182B 2442FFFF 0043980A 24070001 00E43023 00D13021 00E53823 00F33821
70E6A802 0411FEA4 00000000 24031000 3C02BF88 AC436138 3C02BF81 8C42F220
00142C03 30A500F8 7E821340 00A22825 34A51800 00141143 304200E0 7E9420C0
0054A025 12A00013 36941800 26B5FFFF 3C02BF88 24040800 3C03BF81 2406FFFF
AC456430 AC446134 8C67F220 AC446138 8C67F220 AC546430 AC446134 8C67F220
AC446138 8C67F220 26B5FFFF 16A6FFF4 00000000 8FBF002C 8FB50028 8FB40024
8FB30020 8FB2001C 8FB10018 8FB00014 03E00008 27BD0030
'getFPC
27BDFFF8 AFBF0004 00852023 03E42021 ACC40000 8FBF0004 03E00008 27BD0008
'pstring
27BDFFE0 AFBF001C AFB00018 00808021 00002021 3C059D00 24A5071C 27A60010
0411FFEF 00000000 8FA40010 3C029D00 8C42002C 0040F809 02042021 8FBF001C
8FB00018 03E00008 27BD0020
'main
27BDFFA8 AFBF0054 AFB30050 AFB2004C AFB10048 AFB00044 00808021 27B30038
00002021 3C059D00 24A50778 02603021 0411FFD8 00000000 3C029D00 8C430090
8E040000 A0640015 8C420090 2403001C A043002E 2402003C AFA20018 2402003D
AFA2001C 2402003E AFA20020 2402003F AFA20024 24020040 AFA20028 24020001
AFA2002C 24020002 AFA20030 24020003 AFA20034 27B20018 3C109D00 8E510000
8E020010 02202021 24050008 0040F809 00003021 8E020010 02202021 24050065
0040F809 00003021 8E02001C 02202021 0040F809 24050005 26520004 5653FFF0
8E510000 3C109D00 8E020010 2404001B 24050008 0040F809 00003021 8E020010
2404001B 24050065 0040F809 00003021 3C11BF88 24021000 AE226138 3C12BF81
8E42F220 8E020010 24040018 24050008 0040F809 00003021 8E020010 24040018
24050065 0040F809 00003021 24020800 AE226138 8E42F220 8E030090 8E020010
8064002E 24050008 0040F809 00003021 8E030090 8E020010 8064002E 24050065
0040F809 00003021 8E030090 8E02001C 8064002E 0040F809 24050006 8E030090
8E02001C 8064002E 0040F809 24050006 8E020004 0040F809 3404C350 8E030090
8E02001C 8064002E 0040F809 24050005 8E020004 0040F809 3404C350 8E030090
8E02001C 8064002E 0040F809 24050006 8E020004 0040F809 3404C350 240400E5
34058000 0411FDAE 00000000 00002021 24050001 0411FDAA 00000000 24040001
24050100 0411FDA6 00000000 24040002 00002821 0411FDA2 00000000 24040003
24051030 0411FD9E 00000000 24040004 00002821 0411FD9A 00000000 24040008
24050202 0411FD96 00000000 24040009 2405002F 0411FD92 00000000 2404000A
00002821 0411FD8E 00000000 2404000C 00002821 0411FD8A 00000000 2404000D
00002821 0411FD86 00000000 2404000F 00002821 0411FD82 00000000 24040010
00002821 0411FD7E 00000000 24040011 24050007 0411FD7A 00000000 24040012
00002821 0411FD76 00000000 24040013 00002821 0411FD72 00000000 8E020004
0040F809 3404C350 24040010 24050730 0411FD6B 00000000 24040011 24050007
0411FD67 00000000 8E020004 0040F809 24042710 24040012 24050138 0411FD60
00000000 8E020004 0040F809 24042710 24040013 24051A00 0411FD59 00000000
24040029 2405000C 0411FD55 00000000 8E020004 0040F809 24042710 24040030
00002821 0411FD4E 00000000 24040031 24050505 0411FD4A 00000000 24040032
24050004 0411FD46 00000000 24040035 24050006 0411FD42 00000000 24040036
24050707 0411FD3E 00000000 24040037 24050105 0411FD3A 00000000 24040038
24050002 0411FD36 00000000 24040039 24050707 0411FD32 00000000 2404003C
24050704 0411FD2E 00000000 2404003D 24050807 0411FD2A 00000000 24040050
00002821 0411FD26 00000000 24040051 240500EF 0411FD22 00000000 24040052
00002821 0411FD1E 00000000 24040053 2405013F 0411FD1A 00000000 24040060
24052700 0411FD16 00000000 24040061 24050001 0411FD12 00000000 2404006A
00002821 0411FD0E 00000000 24040021 00002821 0411FD0A 00000000 24040020
00002821 0411FD06 00000000 24040080 00002821 0411FD02 00000000 24040081
00002821 0411FCFE 00000000 24040082 00002821 0411FCFA 00000000 24040083
00002821 0411FCF6 00000000 24040084 00002821 0411FCF2 00000000 24040085
00002821 0411FCEE 00000000 24040090 24050010 0411FCEA 00000000 24040092
00002821 0411FCE6 00000000 24040093 24050003 0411FCE2 00000000 24040095
24050110 0411FCDE 00000000 24040097 00002821 0411FCDA 00000000 24040098
00002821 0411FCD6 00000000 24040007 24050173 0411FCD2 00000000 8E020004
0040F809 3404C350 8E020090 80420015 24030002 10430009 24051030 24030004
10430006 24051000 38450001 24031018 24041028 0085180A 00602821 24040003
0411FCBF 00000000 3C029D00 8C420090 90420015 30420001 10400007 3C039D00
8C640098 240200E6 AC820000 8C630094 10000006 AC620000 8C640094 240200E6
AC820000 8C630098 AC620000 8FA50038 3C029D00 8C430048 3C049D00 248404FC
00852021 AC640000 8FA50038 8C43004C 3C049D00 2484024C 00852021 AC640000
8C430048 8C440094 8C860000 8C420098 8C470000 AFA00010 8C620000 00002021
00002821 24C6FFFF 0040F809 24E7FFFF 3C049D00 24840DDC 0411FE4E 00000000
8FBF0054 8FB30050 8FB2004C 8FB10048 8FB00044 03E00008 27BD0058
'.rodata
'startup
35313652 20563530 76697264 6C207265 6564616F 000A0D64
End CSUB
 
Zonker

Guru

Joined: 18/08/2012
Location: United States
Posts: 772
Posted: 05:55pm 14 Feb 2016
Copy link to clipboard 
Print this post

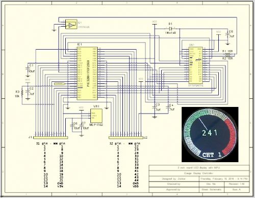
Evening Gents...

Just an update on the round LCD Display controller with 44 pinner...



This is the purposed schematic for the PCB... Pin 10 of the MM will be used as an analog input for a yet to be selected light sensor device... Feedback welcome..!!

2016-02-15_035347_Round_Gauge_MPU.pdf
 
WhiteWizzard
Guru

Joined: 05/04/2013
Location: United Kingdom
Posts: 2967
Posted: 06:07pm 14 Feb 2016
Copy link to clipboard 
Print this post

Hi Zonker,

Just run my eyes over your schematic.

Pin 28 (Vdd) looks like it is not connected to Vdd. This maybe just a labelling issue - but just thought I'd mention it so you can check things.

Nice simple circuit - and would be interested in a photo of the round TFT displaying something.

WW
 
Zonker

Guru

Joined: 18/08/2012
Location: United States
Posts: 772
Posted: 02:57pm 15 Feb 2016
Copy link to clipboard 
Print this post

Thanks WW for the good catch on VDD missing..!

Will get it updated... I think I am going to skip the light sensor on this PCB (getting back pin 10), add it to the J1, bump the rest of the IO's around, and drop the PWM drive out, as it's needed to get pin 10 added to the IO's...

Thanks again for the feedback fine Sir..!
 
WhiteWizzard
Guru

Joined: 05/04/2013
Location: United Kingdom
Posts: 2967
Posted: 06:15pm 15 Feb 2016
Copy link to clipboard 
Print this post

  Zonker said  ...I think I am going to skip the light sensor on this PCB.... and drop the PWM drive out...


Personally I would keep these two elements in as if I have understood the purpose of this 'module' correctly, it's primary function is as an LCD gauge.

With the number of circuits I have built involving a TFT, the best thing I ever created was the 'auto-adjust' for brightness. Ok, the design has been tweaked over time, but a simple (low cost) LDR & resistor, along with a couple of (low-cost) MOSFETs, is all that is needed to give this 'auto-brightness-adjust' feature.

Perhaps if your 'gauge' is never going to be viewed in a dark environment then you don't really need a PWM circuit and it can sure be dropped. BUT if you are going to view it in various light levels, I would definitely leave your circuit untouched.

The PWM backlight also has the bonus of being able to switch 'off' the display (yes there are other ways to do this too). Initially I used CLS (to black) but in a dark room the backlight 'glow' is still visible. But PWM STOP and the TFT is truly off/dim/dark.

I guess you are not short of PCB real-estate as the handful of components shouldn't take up much space at all. Perhaps at least create space on the PCB to optionally fit the components (assuming you can spare two I/O pins that is!).

The above is just my opinion. Perhaps you should first try a round TFT with CLS (i.e. nothing on the display) and then view it in the dark. If the observed 'brightness' of a blank screen is ok (and the current drain not too high), then free up pins 10 & 11.

WW
 
Zonker

Guru

Joined: 18/08/2012
Location: United States
Posts: 772
Posted: 06:02pm 16 Feb 2016
Copy link to clipboard 
Print this post

Thanks WW for the feedback..!

I am trying the keep the board tight, and the corners will contain the mounting holes... I will be keeping the PWM drive on the display, but don't see any "small" LDR's out there... I did find a light sensor IC (Avago APDS-9007) that should work with the analog input. The PDF file is to big to post... That got me to thinking if sensing the light level at the gauge is the best thing to do... Not sure yet... If you know of any light sensors of the small type, let me know

 
Zonker

Guru

Joined: 18/08/2012
Location: United States
Posts: 772
Posted: 06:13pm 18 Feb 2016
Copy link to clipboard 
Print this post

Evening Gents...

Just a quick update... I haven't got the board dressed yet , or tried any copper pours, ect.. But at least finished the routing...







The red copper is the bottom of the PCB with header pins facing at you, using 1206...
Edited by Zonker 2016-02-20
 
WhiteWizzard
Guru

Joined: 05/04/2013
Location: United Kingdom
Posts: 2967
Posted: 06:48pm 18 Feb 2016
Copy link to clipboard 
Print this post

Hi Zonker,

Looks good to me.

I notice a 'net' linking C2 to GND in your image, but can see what appears to be a track to ground so not sure why the 'net' is showing itself.

Glad you kept the PWM; and having Pin 10 on the header will allow for an 'external' LDR option to be positioned appropriately.


What are the dimensions of this fine looking PCB?

WW
 
     Page 3 of 4    
Print this page
The Back Shed's forum code is written, and hosted, in Australia.
© JAQ Software 2026