Home
JAQForum Ver 24.01
Log In or Join  
Active Topics
Local Time 22:10 22 Apr 2026 Privacy Policy
Jump to

Notice. New forum software under development. It's going to miss a few functions and look a bit ugly for a while, but I'm working on it full time now as the old forum was too unstable. Couple days, all good. If you notice any issues, please contact me.

Forum Index : Electronics : Time for a new Warpinverter build - #2

     Page 3 of 5    
Author Message
brucedownunder2
Guru

Joined: 14/09/2005
Location: Australia
Posts: 1548
Posted: 06:54pm 27 May 2022
Copy link to clipboard 
Print this post

Thanks , Rodger.  

I have used that  Trefolex  in the past working life,but if I remember correctly , the can grease stuff I had was banned. For some ,snowflake, reason.

It was  the best lubricant for most of the metal cutting and machining that I remember,so I,m glad to see it available again.

I like your and the other chaps tips, thank you.


And thanks for your kind thoughts, Ilda is now my means of getting about, so I,m the grumpy old fart telling her to slow down ,watch out for that cyclists, just like that pommie tv show, mr,s Bucket , lol.

Have a nice weekend,all

Bruce
Bushboy
 
rogerdw
Guru

Joined: 22/10/2019
Location: Australia
Posts: 952
Posted: 01:47am 28 May 2022
Copy link to clipboard 
Print this post

Klaus, now that I have to finalise my bridge circuit, I'm wondering just exactly what drive you ended up with. I came across this from one of your threads  ...  was that your final successful circuit?

  Quote  I use a totem pole final after the FOD 3182 opto driver, I feel that the fast 8A rated transistors are more suitable to drive paralleled mosfets. They certainly stood up to a  6KW load. The 40 mosfets are in a 16, 12, 8, 4  per full bridge arrangement.


I assume you ended up with 16 mosfets in the largest bridge  ...  4 on each leg  ...  and as I am aiming for 6 on each leg for the big one, I need to get it right.

I'm going for 24, 12, 8, 4 per full bridge.


  brucedownunder2 said  
And thanks for your kind thoughts, Ilda is now my means of getting about, so I,m the grumpy old fart telling her to slow down ,watch out for that cyclists, just like that pommie tv show, mr,s Bucket , lol.


Haha, milk it for all it's worth. Have to make the best of a bad situation.  
Cheers,  Roger
 
Murphy's friend

Guru

Joined: 04/10/2019
Location: Australia
Posts: 674
Posted: 08:44am 28 May 2022
Copy link to clipboard 
Print this post

Yes Roger, that driver works very well. Its based on a schematic wiseguy posted but I omitted some parts that might have been required for 20KHz switching.

6 Mosfets in parallel , you are game. I made the mistake of driving them too hard with a 2R gate resistor. The mosfets survived this but Tony suggested, as this inverter runs at 50Hz switching frequency, to use 22R gate resistors for 4 Mosfets in parallel. For 6 you might try 15R @ each gate.
A funny side effect of using bigger gate resistors was the idling current getting a lot bigger. Easy cure for that too, just increase the dead time by using a 100nF cap at the opto isolated driver inputs.

48 mosfets eh? you must have deep pockets  
 
rogerdw
Guru

Joined: 22/10/2019
Location: Australia
Posts: 952
Posted: 12:06pm 28 May 2022
Copy link to clipboard 
Print this post

  Murphy's friend said  
A funny side effect of using bigger gate resistors was the idling current getting a lot bigger. Easy cure for that too, just increase the dead time by using a 100nF cap at the opto isolated driver inputs.

48 mosfets eh? you must have deep pockets  


You don't have a link to a copy of that circuit?

Either way, thanks for that info Klaus, I'll carry on with my board layout but I'll be prepared to have to experiment with various values. I'm not keen to see an excessive idling current but definitely don't want to see any blowups. Looks like a balancing act.

The 48 mosfets may be a big ask  ...  just depends how many and how often I blow them up.  
Cheers,  Roger
 
Murphy's friend

Guru

Joined: 04/10/2019
Location: Australia
Posts: 674
Posted: 02:57pm 28 May 2022
Copy link to clipboard 
Print this post

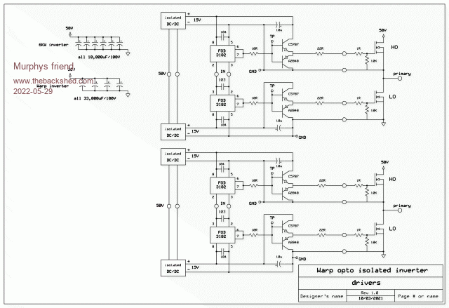
  rogerdw said  

You don't have a link to a copy of that circuit?



Here it is:




Quite simple.
 
rogerdw
Guru

Joined: 22/10/2019
Location: Australia
Posts: 952
Posted: 05:23am 29 May 2022
Copy link to clipboard 
Print this post

Thanks very much for that Klaus, it's helpful to know this is the circuit you've been using successfully in your Warpverter.

I can't quite read the 2SA and 2SC transistor numbers, could you confirm them please?
Cheers,  Roger
 
Murphy's friend

Guru

Joined: 04/10/2019
Location: Australia
Posts: 674
Posted: 09:00am 29 May 2022
Copy link to clipboard 
Print this post

  rogerdw said  Thanks very much for that Klaus, it's helpful to know this is the circuit you've been using successfully in your Warpverter.

I can't quite read the 2SA and 2SC transistor numbers, could you confirm them please?


The top one is :C5707
The bottom one is:A2040

I got mine from LCSC components (same mob makes my PCB's).

You need new spec's            
 
rogerdw
Guru

Joined: 22/10/2019
Location: Australia
Posts: 952
Posted: 10:50am 29 May 2022
Copy link to clipboard 
Print this post

Haha, yep you're probably right  ...  some new specs may help. I did search a number of guesses but none looked right. Now I know why.    

Thanks for the info.
Cheers,  Roger
 
Murphy's friend

Guru

Joined: 04/10/2019
Location: Australia
Posts: 674
Posted: 08:36am 30 May 2022
Copy link to clipboard 
Print this post

  rogerdw said  


With the pcb's I plan to use I'll definitely be soldering the fets on, though they wont be too hard to replace or swap out if I have trouble (I hope).

After all my years fixing stuff for a living and complaining about equip that's hard to repair, there's no way I could build something that was going to be difficult to work on and repair. We'll see if my ideas work or not eventually.



Just to clarify something, yes, OK to solder the Mosfets on but do so on an easily removable sub board.

You do NOT want that happen on a big main PCB where blown tracks ruin the whole shebang:




The only reason the mosfet body is still intact is me using clamping bars on top of them. Without them there would be shrapnel burns everywhere inside the inverter.

I know you'd ask , it happened in my tiny (1KW) inverter that powers the lights only. I'd disconnected AC from my big warpinverter to work on the battery connection to a bigger battery. Forgot to do the same to the tiny inverter and changed the house over to grid power . 30A main fuse went as well....
 
rogerdw
Guru

Joined: 22/10/2019
Location: Australia
Posts: 952
Posted: 02:47pm 30 May 2022
Copy link to clipboard 
Print this post

  Murphy's friend said  

Just to clarify something, yes, OK to solder the Mosfets on but do so on an easily removable sub board.

You do NOT want that happen on a big main PCB where blown tracks ruin the whole shebang:


Yes that makes sense and I hope my design accomodates that. Of course we'll see what happens if I blow some up  ...  then I'll find out whether it was a good idea or not.  


  Quote  The only reason the mosfet body is still intact is me using clamping bars on top of them. Without them there would be shrapnel burns everywhere inside the inverter.

I know you'd ask , it happened in my tiny (1KW) inverter that powers the lights only. I'd disconnected AC from my big warpinverter to work on the battery connection to a bigger battery. Forgot to do the same to the tiny inverter and changed the house over to grid power . 30A main fuse went as well....


I do like the idea of clamping bars instead of individual screws, but I don't think I left myself enough room. If I span 6 mosfets, it would be nice to put a centre screw so the bar doesn't bow up in the centre and leave those loose.

But that would deprive me of all those character building 3mm tapping experiences.  

Maybe I could find some U-channel and use that  ...  should be a lot less likely to distort.

Must have been a bit of a shock when your little inverter blew  ...  but at least you know why it failed  ...  and didn't have to worry about it being a gremlin floating around inside waiting to do it all again.  
Cheers,  Roger
 
Murphy's friend

Guru

Joined: 04/10/2019
Location: Australia
Posts: 674
Posted: 03:23pm 30 May 2022
Copy link to clipboard 
Print this post

  rogerdw said  

I do like the idea of clamping bars instead of individual screws, but I don't think I left myself enough room. If I span 6 mosfets, it would be nice to put a centre screw so the bar doesn't bow up in the centre and leave those loose.

But that would deprive me of all those character building 3mm tapping experiences.  



Roger, me thinks 5 HY4008's in parallel is plenty for your design. Consider that the more you have in parallel the greater the chance of you getting a chain reaction on overload, once the weakest goes the rest in the chain follow.

I used to carefully match RDSon when playing with TO220 mosfets on the early inverters. Now with the 4008's from a good supplier I found they match well enough up to 4 in parallel. Trying to find 6 matching RDSon might require you purchasing more than 100 mosfets .

I still use the 3mm tapped screws to hold the clamping bar, clamping *each* mosfet by its own 3mm screw. With more than 2 in parallel I think this is a must do.
This applies a much more even pressure than just a 3mm washer under each screw head.

You should study those pictures I posted more closely
 
rogerdw
Guru

Joined: 22/10/2019
Location: Australia
Posts: 952
Posted: 11:00am 31 May 2022
Copy link to clipboard 
Print this post

  Murphy's friend said  
I still use the 3mm tapped screws to hold the clamping bar, clamping *each* mosfet by its own 3mm screw. With more than 2 in parallel I think this is a must do.
This applies a much more even pressure than just a 3mm washer under each screw head.


I often wonder just how much tension the bodies of these sort of devices can handle  ...  and just how much they distort with screw pressure  ...  or finally fracture and blow themselves to bits.

That leads me to question just how tight they have to be to perform well thermally  ...  and at what point is more pressure counter productive  ...  bearing in mind that some of the better rated thermal materials are .5, 1mm or more in thickness  ...  and can compress substantially under pressure.

I think that is why I like the idea of clamping a bar across the top to apply decent, even pressure across the complete surface.


  Quote  You should study those pictures I posted more closely


Nah, I probably shouldn't  ...  2 reasons  ...  don't they say that the more you focus on something the more likely that you are to attract it  ...

...  and I work on boards like that all day every day. Most people see something like that an immediately assume it's stuffed. A tooth brush and some acetone will make it look almost like new  ...  and then you get to see how bad it really is. Most times it's an anti climax and often easily restored.

Of course I haven't fixed all that many inverters, so that may come back to bite me    ...  but burnt and blown up boards are my bread and butter.
Cheers,  Roger
 
Solar Mike
Guru

Joined: 08/02/2015
Location: New Zealand
Posts: 1203
Posted: 10:11pm 31 May 2022
Copy link to clipboard 
Print this post

  rogerdw said  

I often wonder just how much tension the bodies of these sort of devices can handle  ...  and just how much they distort with screw pressure  ...  or finally fracture and blow themselves to bits.

That leads me to question just how tight they have to be to perform well thermally  ...  and at what point is more pressure counter productive  ...  bearing in mind that some of the better rated thermal materials are .5, 1mm or more in thickness  ...  and can compress substantially under pressure.



The clamping pressure is published in the device specs. see example here for a IRFP4568



Example above is just pinch tight, enough to flatten the thermal material to fill any surface air voids and expel excess thermal paste.

Cheers
Mike
 
rogerdw
Guru

Joined: 22/10/2019
Location: Australia
Posts: 952
Posted: 12:00am 02 Jun 2022
Copy link to clipboard 
Print this post

  Solar Mike said  
Example above is just pinch tight, enough to flatten the thermal material to fill any surface air voids and expel excess thermal paste.


Thanks Mike, I have to admit the majority of equipment I see only ever use screws to hold semiconductors to heatsinks  ...  and even the few that use a metal clamp to press them against a heatsink, use as small a piece of metal as is possible to do the job.

So I guess then that if we need an extra heatsink on top of our mosfets, there's something wrong with our design.
Cheers,  Roger
 
rogerdw
Guru

Joined: 22/10/2019
Location: Australia
Posts: 952
Posted: 11:38am 05 Jan 2023
Copy link to clipboard 
Print this post

Well I've been missing for quite a while again. A few dramas, but still attempting to move forward.

For the layout of this Warpverter, I spent a lot of time looking at IGBT modules  ...  but because of my (relatively) low battery voltage of 48V  ...  figured I'd be best off with multiples of mosfets.

The numbers of people who've had trouble with blow-ups with inverters in general  ...  and the difficulty with replacing wads of mosfets each time, led me to the idea of seperate modules for each level of the machine ...  so if I had major damage to a circuit board, I'd simply replace it.

I figure I should be able to use full-bridge boards for the three smaller transormers and a pair of half-bridge boards for the large one.


Here's some pictures of my earlier ideas.







Cheers,  Roger
 
rogerdw
Guru

Joined: 22/10/2019
Location: Australia
Posts: 952
Posted: 11:47am 05 Jan 2023
Copy link to clipboard 
Print this post

The general idea was to build the modules to fit on a single Aerosharp Inverter heatsink standing vertically  ...  with the capacitor bank also arranged vertically alongside

The stack of toroids one above the other, would stand on the other side.

Here's how it should look.




Cheers,  Roger
 
rogerdw
Guru

Joined: 22/10/2019
Location: Australia
Posts: 952
Posted: 12:12pm 05 Jan 2023
Copy link to clipboard 
Print this post

Of course then I had to learn how to design boards and do the layout  ...  so that took care of a few more months  ...  thanks for your support there Mike (wiseguy).  

And I decided to add a copper bar top and bottom for the positive and negative supply to handle the massive current, particularly for the large transformer  ...

...  as well as copper bar for the outputs to connect the transformer primaries.


Looking back, I probably could have foregone the copper bar for the smaller three bridge boards and just extended the boards in place of it  ...  especially as I still opted for 2oz copper cladding.



Here's the bottom of a half-bridge board  ...





And the top view.

You can see the perspex I used temporarily to space the mosfets correctly from the board.






And this is a full-bridge board  ...  not fully soldered yet

I used a full compliment of mosfets for the 2nd largest transformer bridge  ...  but left a few out of the smaller ones.



Cheers,  Roger
 
rogerdw
Guru

Joined: 22/10/2019
Location: Australia
Posts: 952
Posted: 12:33pm 05 Jan 2023
Copy link to clipboard 
Print this post

Initially I was going to mount the control board (that Warpspeed kindly provided), to the side of my heatsink  ...  but for some reason it didn't feel right  ...  so I added an extra bit of heatsink to make it all match!!! Nor sure now why I did that.

Of course that meant there was room to add an extra electrolytic to my lineup  ...  so I had to extend that piece of channel as well.


The capacitor channel comes from an old wide format printer that I wrecked once  ...  and it had also been hung in our pool at one stage to reduce the copper ions (long story).

That process created pitting all over the surface  ...  but after I bead blasted and polished it up, it came up ok I thought.

The little module to the right of the control board is a 48V - 12V converter which supplies all the small isolated 12V-15V modules on the bridges.

Despite it's tiny size, it's a 200W 15A DC-DC 8-60V TO 1-36V Synchronous Buck Converter Step-down Module  ...  which is obviously far bigger than required, though I may end up with some 12V fans, so plenty of reserve for them.

As mentioned earlier, the bridges bolt to a full size heatsink (450 x 170mm) from an Aerosharp inverter, with an added piece to accomodate the control board.




Cheers,  Roger
 
rogerdw
Guru

Joined: 22/10/2019
Location: Australia
Posts: 952
Posted: 01:24pm 05 Jan 2023
Copy link to clipboard 
Print this post

Next I made up the busbars  ...  lots of cutting and shutting and bending etc.











And then some wiring  ...




Cheers,  Roger
 
Murphy's friend

Guru

Joined: 04/10/2019
Location: Australia
Posts: 674
Posted: 02:49pm 05 Jan 2023
Copy link to clipboard 
Print this post

Very neatly build Roger.

I hope those copper busbars stay as shiny as they are now. Else you could tin them.
I found that's quite easy when one smears that solder paste (the one in little jars on Ebay) on them, holds on bar end with vice grips and using a heat gun gets the paste to tin everything very neatly. Then wipe it smooth with a (non synthetic) rag while is still liquid.

Regarding stacking the toroids on top of another, leave a decent gap to avoid magnetic coupling. I went to great lengths to orient each toroid at right angles from the next for that reason.

I like your clever capacitor mounting channel, you could fan cool them there .
 
     Page 3 of 5    
Print this page
The Back Shed's forum code is written, and hosted, in Australia.
© JAQ Software 2026