Home
JAQForum Ver 24.01
Log In or Join  
Active Topics
Local Time 04:34 24 Apr 2026 Privacy Policy
Jump to

Notice. New forum software under development. It's going to miss a few functions and look a bit ugly for a while, but I'm working on it full time now as the old forum was too unstable. Couple days, all good. If you notice any issues, please contact me.

Forum Index : Electronics : LM723 30V-10A Power Supply Problem

     Page 2 of 3    
Author Message
Downwind

Guru

Joined: 09/09/2009
Location: Australia
Posts: 2333
Posted: 03:03am 03 Dec 2013
Copy link to clipboard 
Print this post

  Quote  why you need to see transistor i know TO3 pin position and how to connect legs .


Yes i expect you do know how to connect a tranistor, i would like to see what heat sink you have the transistors attached to.

I also dont know your soldering skills and would like to see a photo of the solder side of the board.

There is a circuit fault, we need to find it, so good clear photos might help me.


Sometimes it just works
 
novosyst
Newbie

Joined: 24/11/2013
Location: Czech Republic
Posts: 16
Posted: 12:42am 04 Dec 2013
Copy link to clipboard 
Print this post




















 
Downwind

Guru

Joined: 09/09/2009
Location: Australia
Posts: 2333
Posted: 02:15pm 04 Dec 2013
Copy link to clipboard 
Print this post

Your photos are not very clear and when i zoom in all becomes blury, i am unable to see the solder side clear to check your circuit.

The bridge rectifier looks a little small and needs a big heatsink.

Your soldering looks neat from what i am able to see, but again the photos are too small to see clearly.

The 5w resistors will get very hot, so they might need to be spaced above the board to allow better cooling, or they will cook the board over time.

Pete.
Sometimes it just works
 
novosyst
Newbie

Joined: 24/11/2013
Location: Czech Republic
Posts: 16
Posted: 09:08pm 04 Dec 2013
Copy link to clipboard 
Print this post

Pete - bridge is 1000v 25a and not hot during work , resistors are not so hot too , and i have common fan inside the box ))))) foto is good but i cant sent they because server has 1000k limit and i dont understand how i can do it good for you
best regards Paul
 
novosyst
Newbie

Joined: 24/11/2013
Location: Czech Republic
Posts: 16
Posted: 02:16am 13 Dec 2013
Copy link to clipboard 
Print this post

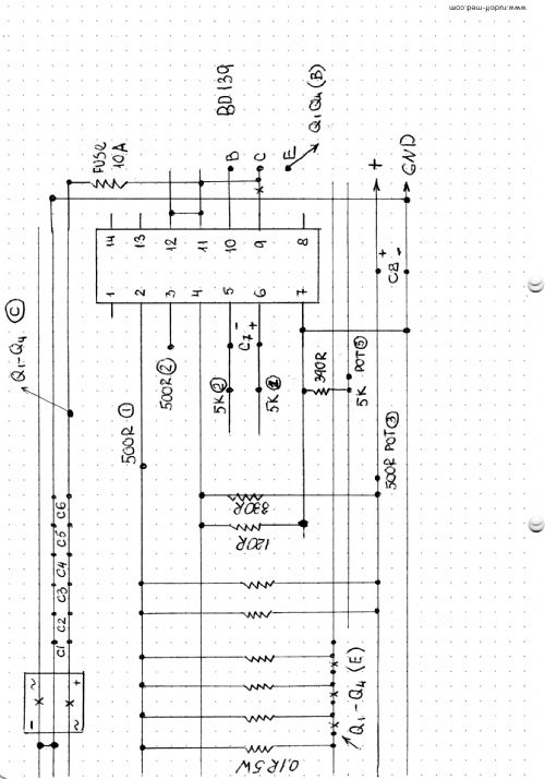
Hello,maybe we can find an error on this figure ))))

 
Downwind

Guru

Joined: 09/09/2009
Location: Australia
Posts: 2333
Posted: 03:03am 13 Dec 2013
Copy link to clipboard 
Print this post

Your schematic is not that easy to follow, but its a good attempt to help solve the problem, and i think i can understand it.

From what i think you have done according to your schematic, is you have Collector and Emitter reversed in the circuit for Q1-Q4 (3055), the collector (C) should be wired to the voltage supply in, and the Emitter (E) should be wired to the 0.1R resistors, please double check your circuit to see if you have these wired backwards.

Pete.
Sometimes it just works
 
novosyst
Newbie

Joined: 24/11/2013
Location: Czech Republic
Posts: 16
Posted: 04:18am 13 Dec 2013
Copy link to clipboard 
Print this post

  Downwind said   Your schematic is not that easy to follow, but its a good attempt to help solve the problem, and i think i can understand it.

From what i think you have done according to your schematic, is you have Collector and Emitter reversed in the circuit for Q1-Q4 (3055), the collector (C) should be wired to the voltage supply in, and the Emitter (E) should be wired to the 0.1R resistors, please double check your circuit to see if you have these wired backwards.

Pete.


Pete i dont understand you -i have collectors on common + after bridge and emitters to each of 1om 5w resistors.whats the problem you see.
pavel
 
Downwind

Guru

Joined: 09/09/2009
Location: Australia
Posts: 2333
Posted: 06:14am 13 Dec 2013
Copy link to clipboard 
Print this post

Your schematic is a little Chinese in the method of how you have drawn it, and i had misunderstood it, it do look like you have it correct.

Its late here and bed time now, so i will have another look tomorrow and see if i can spot a problem.

Pete.
Sometimes it just works
 
Downwind

Guru

Joined: 09/09/2009
Location: Australia
Posts: 2333
Posted: 01:15pm 14 Dec 2013
Copy link to clipboard 
Print this post

Have you checked if the 5K pot or the 500R pot are working correctly and are not damaged.

Pete.
Sometimes it just works
 
novosyst
Newbie

Joined: 24/11/2013
Location: Czech Republic
Posts: 16
Posted: 12:27am 15 Dec 2013
Copy link to clipboard 
Print this post

dear Pete -honestly do not understand how a potentiometer can affect the current through the transistor., I come to the conclusion that this scheme provides a basic mistake and work can not in principle.look at this please
http://www.diagram.com.ua/list/power/power487.shtml
but pots are good Edited by novosyst 2013-12-16
 
Downwind

Guru

Joined: 09/09/2009
Location: Australia
Posts: 2333
Posted: 01:07am 15 Dec 2013
Copy link to clipboard 
Print this post

In many ways it is almost the same circuit design, other than its a fixed voltage supply and the voltage can not be adjusted.

The simple fact the circuit design i posted do work and there is many people who has built it and it work for them, the owner of this forum Gizmo, built it to the posted circuit design and it worked for him to.

That tells me you have a fault in your circuit build, or perhaps a component has failed like a Pot.

The pots are used as voltage dividers to set a trip point to control the output voltage or the current limit.
If for some reason the pot has a fault or been damaged then output voltage can not be adjusted.

This is why i say test the pots, its a simple resistance test with a multimeter.

Pete.
Sometimes it just works
 
bfgstew

Newbie

Joined: 27/04/2013
Location: United Kingdom
Posts: 19
Posted: 02:34am 15 Dec 2013
Copy link to clipboard 
Print this post

Just completed building my supply as per Petes schematic and it works.

Novosyst, please take note of what Pete is saying, the supply works as it is, you must have done something wrong somewhere, or you have a faulty component. Check you wiring, post high quality photos so the guys here can help you.
Red to red, black to black and blue to bits!
 
novosyst
Newbie

Joined: 24/11/2013
Location: Czech Republic
Posts: 16
Posted: 03:09am 15 Dec 2013
Copy link to clipboard 
Print this post

ok guys, I have laid out the assembly. its a universal circuit board. I painted the track and location of elements. it is easy to understand where is my error.look and help me .and tell me please why you are using r7 1kom .
 
bfgstew

Newbie

Joined: 27/04/2013
Location: United Kingdom
Posts: 19
Posted: 03:20am 15 Dec 2013
Copy link to clipboard 
Print this post

R7 is 330R, not 1K.............?

Do you get a voltage output?

If so, can you vary the output?

Edited by bfgstew 2013-12-16
Red to red, black to black and blue to bits!
 
Tinker

Guru

Joined: 07/11/2007
Location: Australia
Posts: 1904
Posted: 04:20am 15 Dec 2013
Copy link to clipboard 
Print this post

  novosyst said   ok guys, I have laid out the assembly. its a universal circuit board. I painted the track and location of elements. it is easy to understand where is my error.look and help me .and tell me please why you are using r7 1kom .


And there, most likely, lays your problem. You may be better off to use veroboard for the IC & small components and use tagstrips for the transistors & resistors that will get hot. "Painted" circuits are not a good way to obtain a reliable operation of this power supply.
BTW, I too have built this power supply and it works very well.
Klaus
 
novosyst
Newbie

Joined: 24/11/2013
Location: Czech Republic
Posts: 16
Posted: 04:53am 15 Dec 2013
Copy link to clipboard 
Print this post

  bfgstew said   R7 is 330R, not 1K.............?

Do you get a voltage output?

If so, can you vary the output?


sorry r8 , yes a have voltage output
 
bfgstew

Newbie

Joined: 27/04/2013
Location: United Kingdom
Posts: 19
Posted: 05:07am 15 Dec 2013
Copy link to clipboard 
Print this post

  Quote  R7 and R8 form a voltage divider to set a reference voltage on the inverting input, it is here you change R8 to allow a higher output voltage, by increasing the value of R8 should decrease the voltage to pin 4 the inverting input.

Pin 5 is the non-inverting input that the voltage adjusting pot is connected to and where a output voltage is set, when the voltage on pin 4 (inverting input) is higher than the voltage on pin 5 (non-inverting input) it switches the output (pin 10) low, turning the transistors off, which then drops the voltage on pin 4 and pin 10 switches back on again, that is how the regulator works to control the voltage.

By increasing R8 means the voltage from the transistors will need to be higher before pin 4 voltage exceeds pin 5 voltage, which effectively increases the the volts output of the circuit, but this will also increase the minimum voltage that can be set by pin 5, so the minimum output voltage will increase above the 2 volts you currently have.

Short story is try changing R8, and it should increase or decrease the maximum output voltage.



OK, you have voltage output, can you vary the output using the 5K pot?

Red to red, black to black and blue to bits!
 
novosyst
Newbie

Joined: 24/11/2013
Location: Czech Republic
Posts: 16
Posted: 06:42am 15 Dec 2013
Copy link to clipboard 
Print this post

yes i can , but if i have short outputs , and begin vary current i have 3055 damage.
 
bfgstew

Newbie

Joined: 27/04/2013
Location: United Kingdom
Posts: 19
Posted: 07:04am 15 Dec 2013
Copy link to clipboard 
Print this post

Well if that is happening may I suggest you double check your circuit, use a magnifying glass to make sure no stray strands of copper wire are touching ground or other parts of the circuit, as you have voltage and you can vary it suggests that most of the circuit is working. As you can read, others have built this supply and IT WORKS, it must be a fault with YOUR CIRCUIT.
Have you checked the output current using a multimeter correctly to see if it is working, rather than shorting the outputs out?
Red to red, black to black and blue to bits!
 
novosyst
Newbie

Joined: 24/11/2013
Location: Czech Republic
Posts: 16
Posted: 07:33am 15 Dec 2013
Copy link to clipboard 
Print this post

OK ,on the third page is layout elements on DIY PCB. can you check the correctness of assembly. I can did a basic mistake when soldering. its the usual DIY PCB ,copper tracks I drew.
 
     Page 2 of 3    
Print this page
The Back Shed's forum code is written, and hosted, in Australia.
© JAQ Software 2026