Home
JAQForum Ver 24.01
Log In or Join  
Active Topics
Local Time 06:23 24 Apr 2026 Privacy Policy
Jump to

Notice. New forum software under development. It's going to miss a few functions and look a bit ugly for a while, but I'm working on it full time now as the old forum was too unstable. Couple days, all good. If you notice any issues, please contact me.

Forum Index : Electronics : SMPS Boost inverter operational problem

     Page 2 of 4    
Author Message
davef
Guru

Joined: 14/05/2006
Location: New Zealand
Posts: 499
Posted: 02:56am 15 Jan 2019
Copy link to clipboard 
Print this post

Got a little bit of sun. With full sun the system starts OK as the initial Vout is 33Volts. The hysteresis is 1 Volt and the switch points 31.0 and 30.0V. There is a lot of switching going on but I sense that widening the hysteresis will move to less than optimum solution.

However, the main issue is starting up at low insolation. I will now implement hotwater's solution.

Edited by davef 2019-01-16
 
hotwater
Senior Member

Joined: 29/08/2017
Location: United States
Posts: 120
Posted: 06:18pm 15 Jan 2019
Copy link to clipboard 
Print this post

I have an interesting experiment. A while back I was doing a video on a PV panel tester using a capacitor bank and resistor driven by a FET. Used on of those cheap freq/duty cycle boards to drive it. Hope was to show how power and voltage varied with load. It wasn't a sunny day and with constant PWM the wattage quickly varied fro 110W to 145W. It was impossible to discern the power point voltage in these conditions. A MPPT controller would have just as much trouble in those conditions. There is a tendency to believe anything that appears on a digital screen.

Weather has been terrible, but the boost converter easily starts up an provides 75V when the panels can only provide a watt. Only seen it get up to 216W for a couple of minutes before clouds set in. Heat sink stays cool. I think the OP will be amazed how hot that boost converter gets at just 300W. Looks nike bad weather for at least a week.

I have a commercial MPPT controller operating on a 60V array at camp. I regularly see the panel voltage drop to 16V in low light. Had to add a circuit that detects when panel voltage drops below 40V for three minutes. When it does, it disconnects the panels for 5 seconds. Instantly the controller figures out where it should be in the 60ish range and produces a lot more power.Edited by hotwater 2019-01-17
 
zaphod

Regular Member

Joined: 03/06/2018
Location: United Kingdom
Posts: 93
Posted: 07:10pm 15 Jan 2019
Copy link to clipboard 
Print this post

  hotwater said   It wasn't a sunny day and with constant PWM the wattage quickly varied fro 110W to 145W. It was impossible to discern the power point voltage in these conditions. A MPPT controller would have just as much trouble in those conditions.

My P&O algorithm runs at 64hZ and I have not found any conditions it cannot track!

  hotwater said  I have a commercial MPPT controller operating on a 60V array at camp. I regularly see the panel voltage drop to 16V in low light. Had to add a circuit that detects when panel voltage drops below 40V for three minutes. When it does, it disconnects the panels for 5 seconds. Instantly the controller figures out where it should be in the 60ish range and produces a lot more power.


As mentioned previously much commercial equipment is absolute cr*p but please don't tar everything labelled MPPT with the same brush, some of us know what were doing at least :)

BTW did you see my other thread about panel orientation ? There is a simulation in there you may/not find interesting as if the shading diodes come into play Vmpp changes dramatically.

All these tweaks and work arounds are dependent upon how far you want to push the efficiency limit and how much time you have to play, in my case as a retired engineer the latter is infinite (for the time being) :)
Cheers Roger
1Kwp DIY PV + Woodburner + Rainwater scavanger :)
 
davef
Guru

Joined: 14/05/2006
Location: New Zealand
Posts: 499
Posted: 12:15am 16 Jan 2019
Copy link to clipboard 
Print this post

hotwater,

The low insolation issue was easier to solve than first thought. The microprocessor drives a hi-side PFET before the load ... on at 29.0V and off at 28.0V.

  Quote   I think the OP will be amazed how hot that boost converter gets at just 300W.


Been going for several hours at max input power of 31V and 21A = 650Watts and output power of 71V and 7.8A = 550Watts. 84%, not quite the claimed 92% for larger input/output voltage differentials. But, a lot better than the 0% ... with no SMPS. Fan running about 50% of the time at 25C.

Now to claim that remaining 400Watts with a 2nd SMPS.



 
hotwater
Senior Member

Joined: 29/08/2017
Location: United States
Posts: 120
Posted: 12:43pm 16 Jan 2019
Copy link to clipboard 
Print this post

BTW did you see my other thread about panel orientation ? There is a simulation in there you may/not find interesting as if the shading diodes come into play Vmpp changes dramatically.

All solar is local. From google earth my house and garage can not be seen. My major array is not even on my property and it is still under a tree. Totally maxed out on any space for solar panels. Will be replacing some just for better packing density. One 500W controller is on over 1500W of panels and the other on 1200W. Never seen more than 20A into a 12V battery. Every watt is precious. I bought these controllers just to see how mainstream solar works. I've seen no improvement over the prior entirely microprocessor controlled system. I take efficiency seriously.
Edited by hotwater 2019-01-17
 
zaphod

Regular Member

Joined: 03/06/2018
Location: United Kingdom
Posts: 93
Posted: 06:45pm 16 Jan 2019
Copy link to clipboard 
Print this post

  hotwater said   One 500W controller is on over 1500W of panels and the other on 1200W. Never seen more than 20A into a 12V battery.

Ouch!! Am I reading you right, 2700W installed PV capacity and never more than 270W out ???

No wonder your upset at commercial controllers, my 1060W install array regularly peaks 1200W+ in summer (I capture peak everyday as a dirt indicator) even in winter (as we are now) I can peak 750W. As you say every watt counts, my water heater system starts up & shuts down at about a watt (from the panels). Controller consumption is < 1 watt unless the fan is running during sustained high output in hot weather then its all of 5 Watts!

Sorry OP but some efficiency numbers might help you too :)Edited by zaphod 2019-01-18
Cheers Roger
1Kwp DIY PV + Woodburner + Rainwater scavanger :)
 
hotwater
Senior Member

Joined: 29/08/2017
Location: United States
Posts: 120
Posted: 07:28pm 27 Jan 2019
Copy link to clipboard 
Print this post

Just an update. The 600W boost converter starts to go into current limiting at about 220W. This is due to currents over the boards 10Alimit and the load not being constant. Multiple modules would solve that and wouldn't suggest running over 200W due to extreme heating. The input capacitance needs to be about 8,000uf due to frequency not being fixed. I've torn that system apart to work with a modified TL494 board for someone else.
 
davef
Guru

Joined: 14/05/2006
Location: New Zealand
Posts: 499
Posted: 10:00am 28 Jan 2019
Copy link to clipboard 
Print this post

From the Aliexpress datasheet:

  Quote  Max Output Current: 18A (related to the input and output voltage difference, the greater voltage difference is, the smaller output current will be. please enhance heat dissipation when current is over 10A)


which I understand to imply that at say 20Volts output you can deliver 18A or 360Watts. As you increase the input to output voltage ratio that that current drops to an unspecified current. As far as enhancing the heat dissipation are they suggesting an even bigger fan?

I even sent an email to the seller suggesting that the 1200W spec was problematic BEFORE I bought them. I noticed the the PCB is marked 1800W, from memory.

Conclusion, the specs are all over the map.

What sort of load do you have on it?

I am happy that it now does the job I was expecting it to. How long the unit will run like this is undetermined.

BTW, I modified the Vout setting by using 4 small signal 100V JFETS and 4 resistors. The JETS are driven from a microprocessor with GPIO at 5V.

Dave


 
hotwater
Senior Member

Joined: 29/08/2017
Location: United States
Posts: 120
Posted: 02:09pm 28 Jan 2019
Copy link to clipboard 
Print this post

Probably need that many to keep the on resistance down if only driven with 5V. The IR153 makes a surprisingly good heater control for a simple stand alone circuit.
 
LadyN

Guru

Joined: 26/01/2019
Location: United States
Posts: 408
Posted: 08:04pm 28 Jan 2019
Copy link to clipboard 
Print this post

Hi davef, I just ordered the same boost convertor you have to hook up my string of 3x 300W Voc = 30V, Isc = 10A grid tie panels

Are you still interested in hooking up this boost convertor to your panels?

This boost convertor is an old TL494 based design but I am surprised to see no schematics for it online!

If you are interested we can reverse engineer it together and control the TL494 feedback pins with a microcontroller removing the need to fiddle around with those small onboard pots.

  davef said  the Low Voltage Cutout LED comes on


This means that the boost convertor drew too much current from your PV string and made it collapse.

You have to monitor the PV string output and ensure you don't draw more power than the MPP for the given ambient conditions.

  davef said  load is 2 * 18 Ohm resistance wire heater elements


Are they wired in series?

Ok, in that case, even with your max Panel Voc 33V, the load will try and draw 33/26 = 1.3A from the boost convertor.

Assuming 80% boost efficiency, the panel needs to sustain 2A into the boost convertor.

Now, this boost convertor has a current cutoff setting which is often mislabelled as "constant current" setting.

Have you made sure the current cutoff setting on your current cutoff boost convertor is well above 3A (2A with margin)?

Otherwise the boost convertor will oscillate as it restarts over and over along with the panel.

I am afraid that the amount of inrush current the boost convertor draws on startup might collapse your panels to begin with!

Were you able to get the boost convertor running with the larger 10mF caps as suggested earlier (the need to adjust current cutoff still applies)?

Once we attach a microcontroller to this boost convertor, things will get more interesting but I don't have the skills to pull this off alone.

  Solar Mike said  
Those up-converters draw very high short period input currents, the large cap 10,000uf or more will allow the circuit to pull the full required current, that otherwise wont be available from a limited current PV source. The value of caps they use on the pcb are optimistic at best, ok I guess if running off something like a battery.


Mike, I have a few questions about the inrush current:

1. Won't the 10mF caps as you suggest actually INCREASE the inrush current needs compared to the smaller input capacitance? (Obviously I am missing something, so I'm asking you what it is)

2. If I had an N-Channel MOSFET between the PV and the boost convertor and used the MOSFET in its linear region to regulate the inrush current? Would this work?

3. I suggest MOSFET because I want to build a boosting MPPT controller based off this board and cannot have huge input capacitance
 
davef
Guru

Joined: 14/05/2006
Location: New Zealand
Posts: 499
Posted: 06:14pm 29 Jan 2019
Copy link to clipboard 
Print this post

LadyN,

I have it hooked up and working. I have about 6 or so various SMPS from Aliexpress and some are based quite closely on manufacturer's app notes. This unit is a bit more complicated, so I am not surprised that they don't publish the schematic. Often the device part numbers are removed.

At the moment the elements are wired in parallel. 70V / 9 Ohms = 8A = ~560W.

Current cutoff set at max, and Low voltage cutout set around 20Volts for a 30Vmp. I use a switched hi-side P-channel MOSFET on the SMPS output to unload the panel when its voltage drops below 28Volts. With the 10mF on the input it seems to work properly.

1, 2 and 3. There is a large in-rush current when you connect the cap the first time but after that things change. Why can't you have a large cap on the input?

I will try to attach some pictures and a schematic later.

 
davef
Guru

Joined: 14/05/2006
Location: New Zealand
Posts: 499
Posted: 07:02pm 29 Jan 2019
Copy link to clipboard 
Print this post



Black wire goes to Vout -ve
Blue wire to one end of a 1K resistor which is attached to pin 1 TL494
Green wire as shown (SMD pad closest to bottom edge of PCB) remove the chip resistor

When integrating this SMPS power supply into a system note that there is a BIG FET that switches Vout -ve from Vin -ve. It is either for limiting input current or reverse polarity protection.

I plan to use a optocoupler to measure the panel voltage, so as not to upset any system grounding. At the moment I am ignoring the above SMPS behaviour.

Now, you will need the schematic of the switching unit and then I will post the code. Edited by davef 2019-01-31
 
hotwater
Senior Member

Joined: 29/08/2017
Location: United States
Posts: 120
Posted: 08:29pm 29 Jan 2019
Copy link to clipboard 
Print this post

If you have the ability to have 90V from your panels, why use a boost converter? Just go direct and not waste power in conversion.

Have as much capacitance as possible on the input for stability. Long constants generally make loop control easier. Panels are current sources. Inrush current can't exceed panels current.
 
LadyN

Guru

Joined: 26/01/2019
Location: United States
Posts: 408
Posted: 09:28pm 29 Jan 2019
Copy link to clipboard 
Print this post

  hotwater said  Have as much capacitance as possible on the input for stability. Long constants generally make loop control easier. Panels are current sources. Inrush current can't exceed panels current


Right, but if the inrush current demands start to go near panels short current, the voltage will dramatically drop, causing the system to osciallate right?

Infact, I have a vague feeling that LCBs work off this tendency to osciallate?

These are all just questions: I am starting to learn so I am more than likely to be wrong that right, so just trying to learn from your experience.

  hotwater said  If you have the ability to have 90V from your panels, why use a boost converter? Just go direct and not waste power in conversion.


My father did not let me mount my test panels on the roof so it's around 100 feet away from the barn where I have my little lab. If I don't boost the voltage, I will loost a lot to conduction losses AND have to purchase 10AWG wire which will completely deplete my pocket money.

  davef said  I have it hooked up and working


Yes! This is exciting to know!

I am assuming you have those wires running to a microcontroller?

  davef said  Often the device part numbers are removed.


I actually chose one that did not seem to have the device part numbers removed in the pictures. It cost $7 more than the rest (lunch money!) but I chose it because it would make reversing it easier. I think

I am not sure how long Alibaba will take to send it to me.

  davef said  I use a switched hi-side P-channel MOSFET on the SMPS output to unload the panel when its voltage drops below 28Volts


That is one way of doing it.

Did you think about connecting to the ULVO input to the TL494 from your microcontroller so that the convertor shuts itself down (or I think it switches to bypass mode, right?)

  davef said  I will try to attach some pictures and a schematic later.


Yes! This is exciting! I had dreamed it would work out this way: https://www.thebackshed.com/forum/forum_posts.asp?TID=11075&PN=1

  davef said  
When integrating this SMPS power supply into a system note that there is a BIG FET that switches Vout -ve from Vin -ve


Is that the big semiconductor on the bottom side of the PCB just below the large inductor?

  davef said  I plan to use a optocoupler to measure the panel voltage, so as not to upset any system grounding


Like use a VFC to drive the LED in the optocoupler and use a microcontroller on the other side to read the freq?

I am a bit hesitant of this idea as the transistors in cheap optocouplers have a low switching freq. that will affect the scale you can read

  davef said  Now, you will need the schematic of the switching unit and then I will post the code


Yes! Yes! This is turning out to be very exciting! I had actually dreamed it would be working out this way: https://www.thebackshed.com/forum/forum_posts.asp?TID=11075&PN=1

Yay!

THANK YOU hotwater, davef. I look forward to learning more from both of you
 
davef
Guru

Joined: 14/05/2006
Location: New Zealand
Posts: 499
Posted: 11:41pm 29 Jan 2019
Copy link to clipboard 
Print this post

Yes, those three wires run off to a ATmega88 microcontroller.

  Quote  Did you think about connecting to the ULVO input to the TL494 from your microcontroller so that the convertor shuts itself down (or I think it switches to bypass mode, right?)


I tried to rely on ULVO kicking in to shut the supply down, but something didn't work ... I could revisit it as I understand the beast better now.

The BIG FET I believe is the main switching FET. The FET closer to the input is the
FET that makes or breaks the Vin -ve and Vout -ve.

A 4N35 will give me a reasonable indication of panel voltage. The problems with them is poor linearity, unit to unit variation and possibly temperature variation.
The PWM controller I am testing with also has separate Vin and Vout negatives, which I think is pretty common.

I sample for 10ms every second so hopefully opto switching speed is irrelevant.

I think you said that you had little software skills. Porting the code to run on a ATmega328, on one of the many Arduino boards, would be the easiest route. Even though I have 50 years of hardware experience I would not try to do this with analogue bits!

Dave
 
davef
Guru

Joined: 14/05/2006
Location: New Zealand
Posts: 499
Posted: 11:48pm 29 Jan 2019
Copy link to clipboard 
Print this post

2019-01-30_094749_PV_diversion_controller.zip

Here is the code for the ATmega88. Just a place to start as this is still in testing
 
LadyN

Guru

Joined: 26/01/2019
Location: United States
Posts: 408
Posted: 02:12am 30 Jan 2019
Copy link to clipboard 
Print this post

  davef said   Yes, those three wires run off to a ATmega88 microcontroller.


Awesome! Will look at the code

  davef said  
A 4N35 will give me a reasonable indication of panel voltage. The problems with them is poor linearity, unit to unit variation and possibly temperature variation.

I sample for 10ms every second so hopefully opto switching speed is irrelevant.


I suggested using the opto transistor in saturation with the LED driven by a voltage to freq. convertor.

On the other hand, are you suggesting using the opto transistor in the active region to estimate the brightness of the LED?

  davef said  
The PWM controller I am testing with also has separate Vin and Vout negatives, which I think is pretty common.


I have 0 experience here. WHERE can I read more about these PWM controllers and how they are designed?

THANK YOU! THANK YOU! THANK YOU! THANK YOU!
 
davef
Guru

Joined: 14/05/2006
Location: New Zealand
Posts: 499
Posted: 02:28am 30 Jan 2019
Copy link to clipboard 
Print this post

Optocoupler ... typically a LED coupled to a phototransistor. The more current through the LED the lower the collector voltage at the output. So, as well as non-linearity you have to account for this "inversion".

For example with 30VDC through a 10K resistor gives about 3mA of LED current. With a 4K7 collector load resistor you get about 10V on the output. I pot this down with a voltage divider to get about 3V, which is then fed off to the ADC in the microprocessor. This is when you get into curve-fitting to come up with a formulae.

Solar PWM controller info just throw it into Mr. Google. The design info will harder to find.

App notes:
ti.com
fairchild
analog devices
maxim
linear technologies
 
davef
Guru

Joined: 14/05/2006
Location: New Zealand
Posts: 499
Posted: 03:19am 30 Jan 2019
Copy link to clipboard 
Print this post

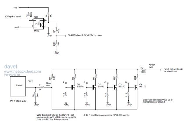
Here's a picture of the JFET switches to adjust Vout in 5 discrete steps.



I will draw up a suggested opto-coupler circuit for sampling the PV voltage later.

I divided the 70Volt to 33Volt into 5 equal power steps, about 33, 43, 53, 61 and 70Volts. I can't say what the unmarked resistor values are until I build this version.

The 100K in the green lead is to reduce Vout down to roughly half the value and to limit the current if you accidentally connect the GREEN wire to ground! This will also reduce the voltage on the JFET drains.

Black wire connects Vout -ve to microprocessor groundEdited by davef 2019-01-31
 
davef
Guru

Joined: 14/05/2006
Location: New Zealand
Posts: 499
Posted: 08:24am 30 Jan 2019
Copy link to clipboard 
Print this post

Here's a better schematic.

 
     Page 2 of 4    
Print this page
The Back Shed's forum code is written, and hosted, in Australia.
© JAQ Software 2026