Home
JAQForum Ver 24.01
Log In or Join  
Active Topics
Local Time 06:57 23 Apr 2026 Privacy Policy
Jump to

Notice. New forum software under development. It's going to miss a few functions and look a bit ugly for a while, but I'm working on it full time now as the old forum was too unstable. Couple days, all good. If you notice any issues, please contact me.

Forum Index : Electronics : Hopefully? Another 48vdc-240vac Toriod Inverter build.

     Page 16 of 26    
Author Message
wiseguy

Guru

Joined: 21/06/2018
Location: Australia
Posts: 1267
Posted: 03:33am 13 May 2023
Copy link to clipboard 
Print this post

  KeepIS said  Had a frustrating problem where a 24v relay controlled from your solenoid output would just emit a tone, it would not pull in. This after I made everything neat.

If the relay did manage to pull in, the inverter would cycle AC up and down. I traced it back to the Inverter OFF control line on pin 5 of J6.


I am not sure how the relay was connected or its type etc. I tailored the frequency and duty cycle to give the best results with the big Kilovac solenoid. A smaller relay with less mass on the moving part was no doubt the cause of the noise and pull in issues. The smaller relay should have used a flywheel diode across it as the collapsing magnetic field in the off period is turned into "holding" energy. A relay without a flywheel diode can have a large-ish back emf when the current is turned off/interrupted.  Last comment a diode fed capacitor relay circuit may have helped. This is probably a bit academic as I think you found a working solution anyway.

Now back to finishing the flooring  
Edited 2023-05-13 13:34 by wiseguy
If at first you dont succeed, I suggest you avoid sky diving....
Cheers Mike
 
KeepIS

Guru

Joined: 13/10/2014
Location: Australia
Posts: 2108
Posted: 04:12am 13 May 2023
Copy link to clipboard 
Print this post

As strange as it seems, the smaller (tiny) relay works perfectly.

My KiloVac has an integrated optimizer, it's a 24V unit and has amazing low hold power of 1.92 watts.

I removed the optimizer and tried driving the coil, but holding current was too high. I don't know if the coil voltage is wound differently with the optimizer fitted units, so I erred on the side of caution.

The singing was only apparent when the leads were loomed.

When it was playing up, and if the relay did manage to close, it was silent, BUT, the interference to the Pin 5, either from the relay holding PWM signal or via the +48 and -48v supply connections was causing the 8010 to cycle AC output on and off, randomly, I'm leaning towards noise from the DC supply lines, pins 1 and 2 and -48 pin 4.    

With pin 5 separated, the small relay is silent and clicks in and out instantly, and of course no cycling of AC out.

I've left the .1 across pins 4 and 5 until I take the board out to do the LED indicator mod correctly. ATM it's working perfectly under every condition.

So the little relay just connects 24vdc from the existing small DC to DC supply to the KiloVac, and no real mods to the rest of the external inverter control.

I wanted to keep the Controller standard in case I have to replace the KiloVac one day with something else, so I didn't modify it to just gate a small relay.
.
Edited 2023-05-13 14:18 by KeepIS
NANO:Inverter V 8.2ksLinux AvrDude GUI script V4.1
 
KeepIS

Guru

Joined: 13/10/2014
Location: Australia
Posts: 2108
Posted: 09:12am 13 May 2023
Copy link to clipboard 
Print this post

1: I wanted to make it easy to remove the controller board without having to undo screw terminals.

2: I wanted to make it easy to swap another type of controller in and out without mucking around with the external signals, VFB, IFB, FanSw and LED status indicator.

I fitted an 8 way header to the base and wired those signals to it, the plug is connected to the screw terminals on the Controller.

Now, simply unplug a couple of connectors and remove the board, easy, and no chance of making a mistake when reconnecting or shorting anything out.

Basically the Main cabinet interface wiring is now independent from the controller and inverter power board.

Interface connector is on the Left of the controller board.

.
Edited 2023-05-13 19:12 by KeepIS
NANO:Inverter V 8.2ksLinux AvrDude GUI script V4.1
 
KeepIS

Guru

Joined: 13/10/2014
Location: Australia
Posts: 2108
Posted: 01:12am 14 May 2023
Copy link to clipboard 
Print this post

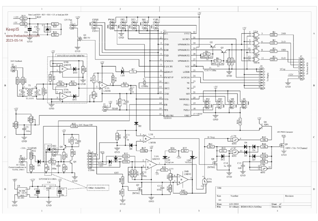
Am I missing something or is the Fan Control pin a complete joke on the EG8010 sinewave generator chip.

From the information sheet.

FanCtr pin:
Turns on at 45℃. It turns low when the temperature is below 40℃.

Pin TFB:
TFB’s over temperature voltage sets at 4.3V. EG8010 will set the level of SPWMOUT1 to
SPWMOUT4 at “0” or “1” and shut down all power MOSFET to decrease the voltage to zero
depending on pin (9)PWMTYP’s setting. Once over temperature protection activates, EG8010 will re-determine environment temperature. If pin TFB‘s voltage is below 4.0V

Now I just tested the TFB pin, and it triggers at 45℃.
The FanCtrl output is only turned ON at 45℃.

So, unless I'm missing something, we have a chip that waits until the thermostat shuts the Inverter down from over temperature, BEFORE turning on the fans to cool the over temperature condition. Not before, but after the device shuts down?

Shirley you can't be serious, I must be missing something?????

I do have a separate stand alone temperature control ready to wire in if this is the case
.
NANO:Inverter V 8.2ksLinux AvrDude GUI script V4.1
 
wiseguy

Guru

Joined: 21/06/2018
Location: Australia
Posts: 1267
Posted: 02:30am 14 May 2023
Copy link to clipboard 
Print this post

My names not Shirley but I am serious.....
Yes you are missing an EG8010 without foibles, that's how I read the data sheet and developed an understanding of why separate temperature controllers are often used.

A pre-emptive turn Fan on half way to total shut down would be much more useful than a post-emptive cessation of all power output.  Maybe their Fan control design was just to clear the smoke ?

Luckily over temperature should not stalk you & the EG8010 over temp could be usefully configured as a failsafe over temp at say 75 degrees or similar setting by adding a resistor to tweak it, helpful if the normal temp control fan/fans should fail ?

If I do another revision of the board I will add a separate fan controller as well as current trip LED, please keep the list going of any desirable add-ons and I will also remove some of the superfluous bells & whistles to make space - they were only there for experimenting and playing with.
Edited 2023-05-14 12:33 by wiseguy
If at first you dont succeed, I suggest you avoid sky diving....
Cheers Mike
 
KeepIS

Guru

Joined: 13/10/2014
Location: Australia
Posts: 2108
Posted: 02:49am 14 May 2023
Copy link to clipboard 
Print this post

Thanks, I can't believe someone would actually program that into the chip.

The inverter has had it's first day and night running without me sitting nearby monitoring  

Just realized it's time for lunch, having way to much fun  
.
NANO:Inverter V 8.2ksLinux AvrDude GUI script V4.1
 
KeepIS

Guru

Joined: 13/10/2014
Location: Australia
Posts: 2108
Posted: 06:42am 14 May 2023
Copy link to clipboard 
Print this post

I've been testing the Current Trip on the bench, wondering if I could get the Digital display of current to indicate something instead of just indicating garbage values all over the place.

At the same time I was trying to figure why the LED from C of Q4 [pin 1 SS2] would not light if the link was between pins 2 and 3 of SS2.

I removed the added components and finally got a clean reading of on the LCD that increased in a linear fashion and did not hunt around.

However the Current trip LED always LIT on power up, to cut the rest of story on testing short: With pins 2-3 linked, to give me a meaningful readout, and adding a 4uf in series with a 2K resistor from pins 2-3 to ground, stopped the Trip at power up. Now it works perfectly, no false trip, a clear indication of the trip value as ac current varies.

I know you drive the collector voltage on trip via D13 to pin 2, and pins 2-3 if linked, but this stops me from resetting when pins 2-3 are linked, and the R57 stops a linear display of current if connected. I found the Latched voltage on Pin 2-3 is about 400mv above the Trip voltage and holds the IFB pin high correctly without D13.    

I have removed LED LD1 from the board and placed a 2 pin header there, soldered the LED to a plug and added a big LED indicator on the front of the inverter control panel, the lead from the control panel LED also has a plug that obviously plugs into the LED header when the board is in the inverter, if I want to work on the bench, I just plug the "LED soldered to 2 pin connector" into the board.

Just tested everything with the BandSaw, adjusted R52 back until it tripped starting up the BandSaw, the lights flick as it trips and AC drops back Mains, the Inverter Front panel LD1 is flashing a double Pulse and the Current trip Button (has a LED) is LIT, press the button and Trip LED (button) turns off. A few seconds later the double flash stops and Inverter soft starts, whereupon the workshop LED lights flick once as it auto switches from Mains AC back to the Inverter AC power.

A slight adjustment of the POT and it can start the BandSaw and the Compressor @ 540A DC input, without tripping.

Perfect, those two indicators make a world of difference.


 
.
Edited 2023-05-14 17:39 by KeepIS
NANO:Inverter V 8.2ksLinux AvrDude GUI script V4.1
 
KeepIS

Guru

Joined: 13/10/2014
Location: Australia
Posts: 2108
Posted: 08:52am 14 May 2023
Copy link to clipboard 
Print this post

  wiseguy said   If I do another revision of the board I will add a separate fan controller as well as current trip LED, please keep the list going of any desirable add-ons and I will also remove some of the superfluous bells & whistles to make space - they were only there for experimenting and playing with.


I think you we could do without the LCD header, it gives no real usable information.

I'd rather see the other board connections bought together and out on another meaty reliable socket like J6. That would be so neat.

I think bringing out LD1 as well as the Over-current Latched indicator would be a great idea, that LD1 is so useful.  

And as you said, clean up some redundant links and options, it would make a great controller board, "awesome". At the moment I have no desire to go to a Micro as this seems so robust now.

The only thing I could wish for is, making the board slightly bigger to increase the width and robustness of some of the finer tracks and Vias. When I assemble the second board, I'm going to solder pins where the LEDS, transistors an FETS are. I found that you only get one or two goes at replacing components with some of these tiny Vias and tracks. I've had two faulty through Vias, one was a bugger to find, just a thought.

But again considering you basically made it for yourself, this is an amazing design and it's really worth refining the controller. The power board is just awesome as it is, maybe a tad more room around a few transistor and bypass caps, but that's nit picking, I should have used smaller bypass caps.

On the subject of caps, the 4 big Electros were slightly warm to touch after an hour at 2.5kW, I may add two more just to see if there is a change. But the temperature was only around 30 deg, so only 1 to 3 deg above the ambient temp inside the cabinet.
.
Edited 2023-05-14 18:55 by KeepIS
NANO:Inverter V 8.2ksLinux AvrDude GUI script V4.1
 
wiseguy

Guru

Joined: 21/06/2018
Location: Australia
Posts: 1267
Posted: 02:18pm 14 May 2023
Copy link to clipboard 
Print this post

  KeepIS said  I think you we could do without the LCD header, it gives no real usable information.
 Agreed - I was going to have a play but first intended to get the LCD display like you have - but you have confirmed that its next to useless so now I wont bother.
  KeepIS said  I'd rather see the other board connections bought together and out on another meaty reliable socket like J6. That would be so neat

They only carry a handful of milliamps and I use gold pins and sockets but OK I will see what I can fit, maybe we could provide for both and then the user can load what they want - you have to admit it wires the power PCB to the controller and disconnects in seconds without any cutting stipping etc  There is not much room to put the meatier connector on the power PCB I still favor the gold pins and a quality ribbon connector I think. I was trying to keep the Power PCB as compact and small as practical - I only used monolithic ceramics - I saw you used what looked like film capacitors, great caps but with a size penalty.  Is it maybe that the lightweight connector just looks so wrong for driving a 20kW+ output ??

  KeepIS said  I think bringing out LD1 as well as the Over-current Latched indicator would be a great idea, that LD1 is so useful
Agreed  

  KeepIS said  And as you said, clean up some redundant links and options, it would make a great controller board, "awesome". At the moment I have no desire to go to a Micro as this seems so robust now
Aw shucks I am glad you like it and it seems to be working well for you, I thought we might be able to coax something half reasonable from an EG8010 & thanks to you for having some faith and trying out my essentially unproven & revised creations. - Did you use a 12V or 15V DC/DC supply for the lower power FETs, just wondering if they have 12V only or a -3V neg bias when off ?

  KeepIS said  The only thing I could wish for is, making the board slightly bigger to increase the width and robustness of some of the finer tracks and Vias. When I assemble the second board, I'm going to solder pins where the LEDS, transistors an FETS are. I found that you only get one or two goes at replacing components with some of these tiny Vias and tracks. I've had two faulty through Vias, one was a bugger to find, just a thought.
Just to confirm beyond doubt - Which board do you want larger, the controller of Power PCB ?  The faulty vias you mentioned - were they faulty from new - I believed the boards are 100% electrically tested at the factory? or were they user induced? Which board had the faulty vias power or controller ?

  KeepIS said  But again considering you basically made it for yourself, this is an amazing design and it's really worth refining the controller. The power board is just awesome as it is, maybe a tad more room around a few transistor and bypass caps, but that's nit picking, I should have used smaller bypass caps.

On the subject of caps, the 4 big Electros were slightly warm to touch after an hour at 2.5kW, I may add two more just to see if there is a change. But the temperature was only around 30 deg, so only 1 to 3 deg above the ambient temp inside the cabinet.
.
 Will be interesting to see if the temp changes maybe just add the two to one side and you can do an A/B comparison. I might not be saying much for a few days, we hope to get away to start our holidays in the next 24 hours and unsure of internet coverage for a while.

I forgot to mention, the addition of the diode and resistor to the current input of the Eg8010 was purely to make it go - there was no way putting the link between 2&3 whilst those parts were present would achieve anything good, glad you found a solution however if we are going to ditch the LCD Can I assume those 4u & 2K components you added are no longer required ?
Edited 2023-05-15 00:26 by wiseguy
If at first you dont succeed, I suggest you avoid sky diving....
Cheers Mike
 
analog8484
Senior Member

Joined: 11/11/2021
Location: United States
Posts: 194
Posted: 04:31pm 14 May 2023
Copy link to clipboard 
Print this post

  KeepIS said  

A slight adjustment of the POT and it can start the BandSaw and the Compressor @ 540A DC input, without tripping.

.


Every time I see this I still find it a bit hard to believe it's an eg8010 inverter doing it.

I can see the the design of the new version is more robust than the original version.  Do you expect any significant performance difference at the system level?
 
KeepIS

Guru

Joined: 13/10/2014
Location: Australia
Posts: 2108
Posted: 08:52pm 14 May 2023
Copy link to clipboard 
Print this post

Mike, the board I was talking about was the Controller board.

I had a vias on one hole that was not connected through, the component pin just fitted through the hole and the solder did not run fully through the hole and I ended up with an open connection. I had placed one of the transistors back to front and had to remove it, and replaced Q9 twice, once from a faulty small electrolytic that leaked smoke and once from user dumbness when I was testing driving different relays and the Kilovac. It became apparent that a solder sucker was not going to work on some vert fine tracks. Thinking of average builders who would like to build one would have a more trouble than I did if making mistakes and having to removing "some" components.  

I'm not knocking the quality of the board, there are great, but servicing without a good desoldering station could be problematic.

  Quote   I still favor the gold pins and a quality ribbon connector I think.

The Power board interface cable: No, no, no, don't change the Ribbon connector from controller board to power board, I was only referring to the screw terminals headers, just make everything else plugable.

  Quote  
forgot to mention, the addition of the diode and resistor to the current input of the Eg8010 was purely to make it go - there was no way putting the link between 2&3 whilst those parts were present would achieve anything good, glad you found a solution however if we are going to ditch the LCD Can I assume those 4u & 2K components you added are no longer required ?


Yes, just trip the IFB with Q4 latched, no need for 2-3 link, original components worked fine.
.
NANO:Inverter V 8.2ksLinux AvrDude GUI script V4.1
 
KeepIS

Guru

Joined: 13/10/2014
Location: Australia
Posts: 2108
Posted: 08:56pm 14 May 2023
Copy link to clipboard 
Print this post

  analog8484 said  
  KeepIS said  

A slight adjustment of the POT and it can start the BandSaw and the Compressor @ 540A DC input, without tripping.

.


Every time I see this I still find it a bit hard to believe it's an eg8010 inverter doing it.

I can see the the design of the new version is more robust than the original version.  Do you expect any significant performance difference at the system level?


Thanks, the only thing that has changed is an increase in efficiency, but I just the love Power board design, size and layout for so many reasons, and yes, the controller design is now very robust, it all just works so well.
.
NANO:Inverter V 8.2ksLinux AvrDude GUI script V4.1
 
KeepIS

Guru

Joined: 13/10/2014
Location: Australia
Posts: 2108
Posted: 10:13pm 14 May 2023
Copy link to clipboard 
Print this post

Double post
Edited 2023-05-15 08:13 by KeepIS
NANO:Inverter V 8.2ksLinux AvrDude GUI script V4.1
 
pd--
Senior Member

Joined: 11/12/2020
Location: Australia
Posts: 122
Posted: 10:32pm 14 May 2023
Copy link to clipboard 
Print this post

Im going to hafto build one know, Its looking really good.
 
KeepIS

Guru

Joined: 13/10/2014
Location: Australia
Posts: 2108
Posted: 02:14am 15 May 2023
Copy link to clipboard 
Print this post

  pd-- said  Im going to hafto build one know, Its looking really good.

Yes, a really nice unit to build. I just love the power board design, and the FET layout lends itself to some really neat heatsink design options, but I've already said that a few times, but worth repeating, and removable cap banks are just the icing on the cake.
.
NANO:Inverter V 8.2ksLinux AvrDude GUI script V4.1
 
wiseguy

Guru

Joined: 21/06/2018
Location: Australia
Posts: 1267
Posted: 02:17am 15 May 2023
Copy link to clipboard 
Print this post

When you have a few moments, and the inclination, could you please (turn off the inverter...) then disconnect one terminal of the current sense transformer and the extra resistor in parallel with it, & measure the setting of the wiper resistance to ground (bottom section of trimmer in series with 68R).
Also confirm the resistor value you are using (was it 220R?) across the sensor. Whilst on our travels I might do another version and include the other LED outputs etc and perhaps for the current I will put a little header to some fixed resistors for say 0 - 50/100/250/600 A ? Keep any bells and whistles you want coming.
Edited 2023-05-15 12:17 by wiseguy
If at first you dont succeed, I suggest you avoid sky diving....
Cheers Mike
 
KeepIS

Guru

Joined: 13/10/2014
Location: Australia
Posts: 2108
Posted: 03:09am 15 May 2023
Copy link to clipboard 
Print this post

I will verify and post that info, but I'm sure it's a 220R and the Trimmer is almost at 0R (close to R28), move it back a about 1/4, and it trips at 420A instead of not tripping at 540A. But will confirm.

BTW For Bench testing, I was using my generator at 50Hz and feeding that into the terminals instead of the IFB transformer. Works really well and repeatable in level.

I think the generator can be used to calibrate the trip current accurately once a few  reference points are established.

  Quote  
Did you use a 12V or 15V DC/DC supply for the lower power FETs, just wondering if they have 12V only or a -3V neg bias when off ?

I wanted to do that but could not purchase a 15v supply, now I have found some and 4 are on the way, will try that out when they arrive.

  Quote  header to some fixed resistors for say 0 - 50/100/250/600 A

That would be neat.
.
Edited 2023-05-15 13:13 by KeepIS
NANO:Inverter V 8.2ksLinux AvrDude GUI script V4.1
 
wiseguy

Guru

Joined: 21/06/2018
Location: Australia
Posts: 1267
Posted: 04:07am 15 May 2023
Copy link to clipboard 
Print this post

PD happy to help as required but sorry won’t be home & able to do much towards that until~ mid October.
If at first you dont succeed, I suggest you avoid sky diving....
Cheers Mike
 
KeepIS

Guru

Joined: 13/10/2014
Location: Australia
Posts: 2108
Posted: 05:46am 16 May 2023
Copy link to clipboard 
Print this post

I added a door operated Flat LED light to the Inverter Controller and Power board deck.

While I was at it I took the Cap boards off, how fast can you unscrew 6 screws on each board with nothing in the way and complete access to everything? really quick.

I added another 2 x 10,000uF caps, this is to see if there is any change to the very slight warmth I felt running at a bit over 3kW for an hour or so.

A few Photos.

Cap boards removed. The LCD on the right is not going to be used.



With Caps and a spot for one more on each board, 60,000uF there at the moment.
The black leads going to the intermediate heatsink bars are Screw in temperature sensors.




BTW: You can see here that the Power board without the Cap boards doesn't even intrude into the cabinet.



.
Edited 2023-05-16 15:52 by KeepIS
NANO:Inverter V 8.2ksLinux AvrDude GUI script V4.1
 
pd--
Senior Member

Joined: 11/12/2020
Location: Australia
Posts: 122
Posted: 07:06am 16 May 2023
Copy link to clipboard 
Print this post

  wiseguy said  PD happy to help as required but sorry won’t be home & able to do much towards that until~ mid October.


Not a Problem Mike

I still have 1 & 1/2 primaries to remove from the transformers and the new primaries to wind.
I will try two Transformers in parallel.
I also need to do sum experimenting with variable frequency on the 8010
with the eventually aim to be able to get it to sync with my generator :)
and then theirs the MPPT charge controller that is half built
so lots to keep me busy.

Cheers
Paul
 
     Page 16 of 26    
Print this page
The Back Shed's forum code is written, and hosted, in Australia.
© JAQ Software 2026