Home
JAQForum Ver 24.01
Log In or Join  
Active Topics
Local Time 23:49 22 Apr 2026 Privacy Policy
Jump to

Notice. New forum software under development. It's going to miss a few functions and look a bit ugly for a while, but I'm working on it full time now as the old forum was too unstable. Couple days, all good. If you notice any issues, please contact me.

Forum Index : Solar : Deciding if I should build this solar heater

     Page 14 of 43    
Author Message
rogerdw
Guru

Joined: 22/10/2019
Location: Australia
Posts: 952
Posted: 07:55am 25 May 2021
Copy link to clipboard 
Print this post

  Warpspeed said  To begin with just couple your blower straight up to a solar panel and see how that goes.
If your collector temperature gain is very high, you need a bigger blower.


I'm going to need to chase up a dc blower before I can try this.

And thanks for the explanation on car aircons, that relates really well.

Certainly to start with the easiest will be to draw air from the laundry  ...  unless the dryer is on of course. Fortunately it is rarely used.


Well today was interesting again.

With Tony and Mike's input I decided to run the fans harder once the temperature rose  ...  to see how much affect the higher airflow had on temperature.

It held up reasonably well when I added another fan to the outlet  ...  sucking, to aid the other fan blowing at the inlet.

Unfortunately a cold front came through and temps plummeted and undid a lot of the good I'd built up. Desperately need some automatic controls soon.  



Cheers,  Roger
 
rogerdw
Guru

Joined: 22/10/2019
Location: Australia
Posts: 952
Posted: 03:04pm 27 May 2021
Copy link to clipboard 
Print this post

I haven't posted in here for a few days, but the system is still working well and I am very happy with the results.

I have been paying a bit more attention to the higher temperature levels when they occur  ...  and turn up the speed of the fan to push that heat through quicker.

Of course that reduces the output temperature  ...  but seems to increase the inside temperature more quickly.

I must get out somehow tomorrow and find a dc blower motor or two to carry on experimenting with.



Cheers,  Roger
 
Warpspeed
Guru

Joined: 09/08/2007
Location: Australia
Posts: 4406
Posted: 10:00pm 27 May 2021
Copy link to clipboard 
Print this post

  Quote   Turn up the speed of the fan to push that heat through quicker.
Of course that reduces the output temperature  ...  but seems to increase the inside temperature more quickly.


Definitely on the right track.  
Variable speed blower (a big one) should make a lot of difference.
Edited 2021-05-28 08:01 by Warpspeed
Cheers,  Tony.
 
rogerdw
Guru

Joined: 22/10/2019
Location: Australia
Posts: 952
Posted: 11:54pm 27 May 2021
Copy link to clipboard 
Print this post

  Warpspeed said  
Definitely on the right track.  
Variable speed blower (a big one) should make a lot of difference.


Thanks Tony, and yes I have to go shopping.  

In the mean time I had a discussion with someone about the air temperature and the volume of air.

Their suggestion/argument was that 3 cubic meters of air at 25 degrees was no different to 1 cubic meter at 75 degrees  ...  but of course you and Mike have been saying all along to aim for more volume at a lower temperature differential.

And since taking that on board I feel that I do get a better result  ...  but not sure if that is really measurable or how to actually prove it.

In my research I see that with airconditioning the recommendation is to pump in air 10-15 degrees above the desired room temperature  ...  say 28-33 degrees  ...  but with a gas or oil furnace the input may be around 54-60 degrees.

I do notice that if I let it get too low (much under 25) that up close it feels like a cool/cold breeze  ...  so at the moment I feel I would like to keep it at least 25 minimum and aim for around 30 or so. If it gets any higher than 30  ...  my blower should ramp up and really push that in while it's got the chance.
Cheers,  Roger
 
Warpspeed
Guru

Joined: 09/08/2007
Location: Australia
Posts: 4406
Posted: 12:47am 28 May 2021
Copy link to clipboard 
Print this post

  Quote   but not sure if that is really measurable or how to actually prove it.

You can prove it easily enough, by the ratiometric power measurement system you are already using. However many watts it takes to double the temperature rise will remain a valid power measurement, be it one degree or fifty degrees temperature rise.

  Quote  In my research I see that with airconditioning the recommendation is to pump in air 10-15 degrees above the desired room temperature  ...  say 28-33 degrees  ...  but with a gas or oil furnace the input may be around 54-60 degrees.


The heat generating mechanisms are totally different.

With combustion, the heat source runs at an extremely high relative temperature, and the heat energy available from the burning fuel is pretty much fixed.  

With airconditioning, particularly cooling, the refrigeration system is always battling to maintain a temperature differential.
The lower the temperature differential between the hot side and cold side, the more efficient the refrigeration system will be, either heating or cooling.

Likewise, a solar system that relies on radiant heat from the sun. The heat absorber temperature has a great bearing on how much heat is absorbed, and how much heat is re-radiated.  A piece of red hot metal cools very fast just from radiation, because it is so much hotter than the surroundings.

Anything hot will radiate heat, and the hotter it is than the surroundings, the more heat that is lost through radiation into the surroundings.  So a solar thermal collector needs to run ideally at ambient temperature, or not much above ambient temperature to absorb maximum heat, and reduce the heat losses.

Thermal conduction is an entirely different process, but there again, the nearer something is to the surrounding ambient, the lower the thermal losses through any insulation.

So for solar thermal, you want to run your black solar heat absorber at as lower temperature as possible for maximum heat gain, and minimum heat loss through re-radiation.

There will be diminishing returns though, when blower or circulating pump power becomes ridiculous. So a variable speed blower makes a lot of practical sense to capture what is there.
Cheers,  Tony.
 
Davo99
Guru

Joined: 03/06/2019
Location: Australia
Posts: 1585
Posted: 12:51am 28 May 2021
Copy link to clipboard 
Print this post

I have found much the same thing with the Diesel Burner over the last few weeks. Not that is should be any different, the product is the warm air, how it's created is irrelevant.

Although it's delivering air at it's coldest initially much higher than 25, once you get further away from the outlet it does tend to feel more chilly than the hotter air at any distance you can feel it before it dissipates.

Also come to the conclusion that more air at lower temps is better for warming a larger area.  Less hotter air seems to work better for localised heating.
I think something that may need to be taken into account with mine anyway is that I'm pumping in outside air ( forget which way you went Roger, Recirc? ) so that helps push the air round as it's basically looking for a way out so will travel.
I think bringing pre warmed air in from outside the space ( laundry/ Ceiling) would be best of both worlds.

Was thinking of these Discussions this week. Went away with the Mrs to The Hunter valley and stayed in this quaint little barn converted to accommodation. The walls were vertical planks that had narrower, smaller planks screwed over the joins.  Was funny in that in many places one could see daylight through the joins to the upright beams.

There was a wood heater, a gas heater and an AC in the place so we weren't cold.  The mrs lit a candle that was in a tall glass vase and I noticed how much the flame was flickering.  Went over and could feel the breeze, and that's what it was, coming through the nearby wall. Got the gas lighter for the fire and lit it and used it as a  draft detector and several times I could blow it out.  Quite hilarious. The gas heater was a ball tearer but unflued but no need to worry about that with the air circ going on.

I was initially wondering why the place cooled so quick after stoking the fire and getting the place warm. It was really cold when we went in, a large part of the walls were done in stone as well and I thought that would be a massive heat sink but being the nerd I am and much to the wifes Chagrin, I took my temp gun with me.  The stone was pretty stable at around 19 o  so wasn't as bad as I thought.  
I did notice that the sun hit the stone walls most of the day so that should have provided a good thermal storage.... Especially in summer which would keep the place toasty through the night when you didn't want it!
Perhaps a cpouple of expandable awning would be good in that situation.

The wood heater was different to what I was used to in that it couldn't be very damped down. Don't know if that's a new way of having them to prevent emissions or whatever or if it was out of whack but the second Night I burned the wood I went and got from the pile one piece at a time which worked pretty well and still burned pretty quick.  The owner of the pace didn't seem to have much idea of the best timber and provided a lot that didn't even fit the smallish stove so went down to the very large wood piled and picked a lot better pieces which burned well and somehow managed to get though the night.

Saw what you mean Roger about the floor warming. Definitely noticeable with the stone and concrete in this place. My father place has floorboards so not much thermal mass there. Other thing was this little heater had no fan so the heat was very localised. There as a pedestal fan in the kitchen so I got that and had it blowing on the stove and got the Mrs approval and compliment for that.

After all this heating discussion, it was a great eye opener and gave good understanding.
Don't know how much heat we pumped into that place few days we were there but it was a sh*tload.  Wood fire took a bit to come up to steam so used the gas heater and that baby cranked out the KW.  I could see that demolishing a 45kg bottle in a week with no prob if it were the main heating.  We used it to take the chill off then had the other wood fore and put the AC on up stairs for the night which just kicked in and out now and then. Upstairs was of course where the heat went and much better sealed than below.

A pleasant getaway and educational experience.  We sure contributed to the local economy.  Didn't go to a single winery and get out under $200!

The climate there is very similar to here, rather extreme between hot and cold, theirs a little on the colder side in parts which they are well and truly welcome to.
I did notice there is a LOT of solar in the area.  Never seen so many ground mounts either.  Farm houses and businesses alike. The barn had 9 Kw of solar on the roof east west with micros but the guy said he was still lucky to see a peak of 40 KWh a day. Still be way cheaper than the gas he must go though in there with people that don't want to use the fire.

Heated air from outside may or may have not been beneficial in the barn house. At least the leaks would be not cooling the place.
I'd sure be getting a case of expanding foam if I was living there. Thought this place had plenty of gaps around the endless doors but that was just funny.

Came back with some ideas for putting a verandah along the back of the place here where there is nothing atm.  I'll try and design so I can have the sun hitting in winter and shading in summer. Don't know that not shading in winter will do much but pretty sure having the shade in summer will make a huge difference.

And with a bit of luck, the width will be right for more Panels to be placed. :0)
 
Warpspeed
Guru

Joined: 09/08/2007
Location: Australia
Posts: 4406
Posted: 01:11am 28 May 2021
Copy link to clipboard 
Print this post

A temperature measurement gun is the perfect way to find hot or cold spots in a room, and they can often be fixed fairly easily once identified.

I almost bought one of these temperature measuring FLIR temperature guns myself a few months back, the cost has come way down, and they are very useful.
Covid wrecked that, everyone wanted one to measure body temperature, and they were almost impossible to source at the time. I don't know if that situation has now changed.

Another aspect of heat exchanger temperature for combustion heaters, is that too high a temperature can create "hot metal smells". If a heater has not been fired up for a few months, accumulated dust has to burn off, creating a characteristic smell.

But hot metal also creates its own smell, so its a good idea to force enough air through the heat exchanger to lower the surfcre temperature of the metal. Electronic things can smell hot too, and about eighty Celsius surface temperature seems to be about the limit that will fry airborne dust.  

I can understand that 56C to 60C air temperature coming off a hot piece of metal might be about as hot as you would want to go without lowering air quality.
Cheers,  Tony.
 
InPhase

Senior Member

Joined: 15/12/2020
Location: United States
Posts: 178
Posted: 02:21am 28 May 2021
Copy link to clipboard 
Print this post

Can a standard automotive A/C blower be used to move the volume of air you need?

Could an MPPT controller be used to produce an optimal fan speed based on the amount of sunlight? There must be an optimal flow rate where a maximum amount of heat is transferred at any given solar flux. Tracking the power point to set the fan speed for could be fine tuned with an in-line resistor. Or is that just silly talk?
 
Warpspeed
Guru

Joined: 09/08/2007
Location: Australia
Posts: 4406
Posted: 03:32am 28 May 2021
Copy link to clipboard 
Print this post

I suspect that all that will be required is a dc blower powered direct from a solar panel.  
There can never be too much airflow, although air roar and blower noise may become intrusive and objectionable at some point.
Cheers,  Tony.
 
Davo99
Guru

Joined: 03/06/2019
Location: Australia
Posts: 1585
Posted: 04:09am 28 May 2021
Copy link to clipboard 
Print this post

  InPhase said  Can a standard automotive A/C blower be used to move the volume of air you need?


I would gaurantee it witht he right unit. The subaru one I have does over 100w and the one roger is using now I think he said does 54. The AC systems in cars are complex and have narrow passages now and it takes a decent blower to do the volume and pressure.

  Quote  Could an MPPT controller be used to produce an optimal fan speed based on the amount of sunlight?


Not at all sure it would be needed. Been running fans off panels for years direct connected and they work fine. Not like you need any optomisation with this really, at best all one would need at best would be a voltage limiter. I have one on one of my inverter fans just cause the thing gets carried away in summer and screams with the high voltage but been running like that for years and has been fine.

MPPT is to really get best efficiency from the panel. If you have an old 190- 250w panel  on a 12V fan/ blower, it will do plenty of power. Panels will still outpower the load even if dragged off their efficiency curve and who cares about max efficency?
PWM may be ok for just high voltage control though.


  Quote  There must be an optimal flow rate where a maximum amount of heat is transferred at any given solar flux. Tracking the power point to set the fan speed for could be fine tuned with an in-line resistor. Or is that just silly talk?


I'm not sure even a resistor is needed.
I was up the shed this morning poking round for some stuff I need and the fans were blowing and it was bloody cold.  I was just about to go over and disconnect them when a cloud came over and the things went from a roar to barley turning.

There must be a linear relationship between the heat a tube produces and the power a panel produces.  I was thinking a fan as well but I think it could be even simpler, just shade the panel. Bit of plywood/ cardboard/ plastic whatever across the panel  should be all that was needed.  If the output of the panel and tubes is linear as is the relationship, then all I can see is needed is get the power of the panel down to match the fan more so than the tubes.

The other way as I already suggested is just restrict the blower intake or output.
 
From what I have seen with my direct coupled fans I just dont see a lot of control is going to be needed. The energy from the sun will be proportional even if the efficiency is different so I would just start off with the easiest and simplest method and that's direct hookup and then IF control was needed, just shade the panel or restrict the airflow.

I think if the airtemp is too low the fan won't be running. From what has been said. I think the tubes will be up to temp before the fan kicks in. If not, reduce the panel output with a shade  until the amount of sun falling on it and getting it to kick in is at a point where the tubes are already making heat.

Like everything, Simpler, lowest cost and minimal setup time I think the better.
 
Warpspeed
Guru

Joined: 09/08/2007
Location: Australia
Posts: 4406
Posted: 04:16am 28 May 2021
Copy link to clipboard 
Print this post

Less to go wrong too....
Cheers,  Tony.
 
rogerdw
Guru

Joined: 22/10/2019
Location: Australia
Posts: 952
Posted: 03:17pm 28 May 2021
Copy link to clipboard 
Print this post

  Warpspeed said  
You can prove it easily enough, by the ratiometric power measurement system you are already using. However many watts it takes to double the temperature rise will remain a valid power measurement, be it one degree or fifty degrees temperature rise.


Yes, that part makes sense to me  ...  but I was referring to the measurement or proof of a higher volume of air at a lower temperature being more efficient (for warming my house) than a lower volume of air at a much higher temperature.

Sorry, I can be pretty slow at times.  


  Quote  The heat generating mechanisms are totally different  ....  



Thank you for your explanation, you have a great way of explaining concepts. It is slowly coming together for me.


  Quote  There will be diminishing returns though, when blower or circulating pump power becomes ridiculous. So a variable speed blower makes a lot of practical sense to capture what is there.


Well I finally bought a dc blower  ...  now I just need to build a box to put it in and I can experiment with that.



  Davo99 said  Also come to the conclusion that more air at lower temps is better for warming a larger area.


It certainly doesn't seem to be hurting the situation, so I'm happy to keep going down this same path.


  Quote  I think something that may need to be taken into account with mine anyway is that I'm pumping in outside air ( forget which way you went Roger, Recirc? ) so that helps push the air round as it's basically looking for a way out so will travel.
I think bringing pre warmed air in from outside the space ( laundry/ Ceiling) would be best of both worlds.


Yeah, at present I am drawing air from the lounge and also pumping it back into the lounge, so definitely recycling it. But I do like the idea of bringing in fresh outside air (as long as it isn't too cold ... or has been preheated) to help push through the house.


  Quote  but being the nerd I am and much to the wifes Chagrin, I took my temp gun with me.


Haha, got a real laugh out of that. Very romantic Dave.


  Quote  Saw what you mean Roger about the floor warming. Definitely noticeable with the stone and concrete in this place.


Yes, I'm surprised how far it travels. I still need to buy a space blanket to try forcing that lovely 40 degree heat down onto my tiles to see just how effective it is at heating them some more.


  Quote  And with a bit of luck, the width will be right for more Panels to be placed.


Or maybe that can provide room for a solar air heater of some sort.  


  InPhase said  Can a standard automotive A/C blower be used to move the volume of air you need?


As I mentioned above, I picked up a commodore fan assy today. It claims 12.5V and 230 Watts  ..  but with my power supply it was only about a hundred watts!!!  But that is still twice the power of high speed on my current motor  ...  and it seems to move a lot of air  ...  so if I can build an efficient housing and duct, I'm pretty sure it'll be up for the task.

I was surprised to see that it has a pretty gutsy looking brush motor driving it.


I am of two minds when it comes to driving the fan, whether to try and use just a solar panel with zero electronics  ...  or to build a dc control that can vary the speed to keep a relatively even output coming from the heater.

I kinda like the idea of both really  ...  so will have to see how my experiments go.

From what I have seen so far  ...  I think an intelligent control could ramp the motor up and down to even out the temperature really well  ...  though the motor speed would be constantly changing  ...

...  and as Tony says, the minimal approach leaves less to go wrong.
Cheers,  Roger
 
rogerdw
Guru

Joined: 22/10/2019
Location: Australia
Posts: 952
Posted: 03:30pm 28 May 2021
Copy link to clipboard 
Print this post

Todays results were probably the poorest of the last two weeks  ...  but considering the run I have had so far, am still very happy.

There was pretty much full cloud cover all day  ...  and in fact at one stage they were really black. Was expecting some solid rain, though nothing came of it.

It is amazing to me just how much the conditions must change during each day, despite the physical outlook appearing to remain much the same.

Uploading the data from the loggers is always a surprise as there are often temperatures that I wasn't expecting because I didn't see any sun or extra brightness  ...  but the numbers don't lie.

And it reinforces the fact that I need better control so that when excess heat is available I pump it out faster  ...  and conversely, when there is no heat, the fan needs to stop so I don't pump in cold air and undo all the good work the sun has already done.


Cheers,  Roger
 
InPhase

Senior Member

Joined: 15/12/2020
Location: United States
Posts: 178
Posted: 04:43pm 28 May 2021
Copy link to clipboard 
Print this post

Would enclosing the tubes to limit wind exposure be of any benefit? I know these rely on radiation for the heating effect but surely the temperature of the tube itself would matter?
 
Warpspeed
Guru

Joined: 09/08/2007
Location: Australia
Posts: 4406
Posted: 08:12pm 28 May 2021
Copy link to clipboard 
Print this post

The vacuum should provide excellent insulation to minimise conducted heat, so I doubt shielding from wind would make much difference.

Try connecting your blower up to a 24v panel and see how that goes. The blower will pull the voltage right down, but it should still provide enough current to move some air.
Two 24v panels in parallel would increase the motor voltage and might be better under cloudy conditions jut to try at this very early stage of development.

If it all looks promising, a large 12v panel might be worth getting, if you can find one.
Cheers,  Tony.
 
Davo99
Guru

Joined: 03/06/2019
Location: Australia
Posts: 1585
Posted: 08:42pm 28 May 2021
Copy link to clipboard 
Print this post

  rogerdw said  

I am of two minds when it comes to driving the fan, whether to try and use just a solar panel with zero electronics  ...  or to build a dc control that can vary the speed to keep a relatively even output coming from the heater.



Why not try the panel on it's own first?
I think it will be pretty close maybe with just  partially covering the panel or restricting the intake.  If it does not work as you wish, at least you will have a better idea of what you really need the controller to do.

I'd be trying the easiest and simplest solution first myself.


From what I have seen so far  ...  I think an intelligent control could ramp the motor up and down to even out the temperature really well  ...  though the motor speed would be constantly changing  ...

A direct connection is going to make the motor ramp up and down really well on it's own due to the changing radiation that the panel driving the motor will see exactly the same as the tubes will.  Have to remember the energy source is exactly the same so their changing outputs will be relative.

Not sure how even you need the temperature anyway. You are trying to heat a house, in winter, from solar. It's a big thermal mass and just the weight of the air would be significant so the only thing I can see you want to do is not have air too cold blowing in. Too hot won't be a problem you need to concern yourself with.

Trust me, after years of having direct connected fans and listening to them, they will ramp up and down more than you credit atm. I'm thinking that having electronics trying to ramp the blower up and down at the same time the power is fluctuating may cause difficulties. Still not seeing why you would need it. When the temp in the tubes drop the fan will have already slowed anyway.

I'm seeing it as there tending to be too much heat in the tubes relative to the fan speed not the other way round although a Dual panel  ( and orentation) setup may help with that.

  Quote  ...  and as Tony says, the minimal approach leaves less to go wrong.


Also leave you with more hear to tear out on other projects  instead of loosing it all on the one!
 
Warpspeed
Guru

Joined: 09/08/2007
Location: Australia
Posts: 4406
Posted: 11:17pm 28 May 2021
Copy link to clipboard 
Print this post

  Quote  Also leave you with more hear to tear out on other projects  instead of loosing it all on the one!

Ah !
Another masochist that understands.
Cheers,  Tony.
 
rogerdw
Guru

Joined: 22/10/2019
Location: Australia
Posts: 952
Posted: 01:17am 29 May 2021
Copy link to clipboard 
Print this post

Been a bit slack this morning, only got up around 9.30.

10.0 degrees outside but the sun is shining.

Placed out all the dataloggers and turned on the fan  ...  44 degree heat blowing into the lounge!!! Turned it up to high speed and has now settled down to ~30 after 40 mins. Edit: 1 hr now!

Because the array is at ground level the bottom 18 inches are still shaded by the fence, so should improve once it's all on the roof.


  InPhase said  Would enclosing the tubes to limit wind exposure be of any benefit? I know these rely on radiation for the heating effect but surely the temperature of the tube itself would matter?


You'd think it would  ...  but the tubes seem to stay cold, even icy cold most of the time. Don't think I've ever felt them warm even on a hot day.


  Warpspeed said  Try connecting your blower up to a 24v panel and see how that goes. The blower will pull the voltage right down, but it should still provide enough current to move some air.
Two 24v panels in parallel would increase the motor voltage and might be better under cloudy conditions jut to try at this very early stage of development.

If it all looks promising, a large 12v panel might be worth getting, if you can find one.


I have hooked it up to a 250watt panel and it's ripping along at 7.5 volts. I know it has no load yet, but it seems it could be comparable to my 240V fan.


  Davo99 said  Why not try the panel on it's own first?
I think it will be pretty close maybe with just  partially covering the panel or restricting the intake.  If it does not work as you wish, at least you will have a better idea of what you really need the controller to do.

I'd be trying the easiest and simplest solution first myself.


Yes, for sure. I need to work out a suitable housing for the fan to be able to connect it to my ducting. And then either of those methods should keep me in the ballpark as far as getting the correct airflow.

One of the wreckers I spoke to suggested he might have a 24v blower from a bus, so I will keep that in mind if voltages get too high in the sun.


  Quote  Have to remember the energy source is exactly the same so their changing outputs will be relative.


Yes, quite true. the idea of it ramping up and throttling back in relation to sun level is appealing. Certainly more responsive than me still sleeping in bed!


  Quote  Not sure how even you need the temperature anyway.


Yeah, good point  ...  though since you guys convinced me I need to aim for higher airflow at lower temperatures rather than lower airflow at higher temperature  ... and my results seem to be bearing this out  ...  I want to stay on top of the speed and temperature to gain the most heat.

I know it's great to look at the chart for the day and see all this time up around 40-45  ...  but I've realised if I can pump it out quickly and keep it down around 25-30  ...  then I get the best gains. (I believe)  
Cheers,  Roger
 
Davo99
Guru

Joined: 03/06/2019
Location: Australia
Posts: 1585
Posted: 06:47am 29 May 2021
Copy link to clipboard 
Print this post

  rogerdw said  Been a bit slack this morning, only got up around 9.30.


Lucky You!

I was up at 5:30 to be on a FREEZING sports field at 7am.  So cold I couldn't feel my fingers.

  Quote  10.0 degrees outside but the sun is shining.

7 when I left here, 4 when I got on site but the wind made it feel like -14!!

  Quote    44 degree heat blowing into the lounge!!! Turned it up to high speed and has now settled down to ~30 after 40 mins. Edit: 1 hr now!


Impressive!

  Quote  Because the array is at ground level the bottom 18 inches are still shaded by the fence, so should improve once it's all on the roof.


Even more impressive.


  Quote  
I have hooked it up to a 250watt panel and it's ripping along at 7.5 volts. I know it has no load yet, but it seems it could be comparable to my 240V fan.


Pulling it down more than I would have expected but, probably relevant to the heat in the tubes anyway.


  Quote  

Yes, for sure. I need to work out a suitable housing for the fan to be able to connect it to my ducting.


That's the tricky part with these car blowers.
Did you get the original housing to Modify or just the fan Core?
You really only need a casing with a hole in the middle and an outlet for the cores.
Given the fan you got seems to be over powered some what, I reckon if you made the housing  square or rectangular you'd still get plenty of flow and you could also have a take off from each end if you wanted multiple outlets.  Don't think the housings need to be elaborate. The fans just throw the air out with centrifugal force, it will find the lowest pressure point all on it's own.

  Quote  One of the wreckers I spoke to suggested he might have a 24v blower from a bus, so I will keep that in mind if voltages get too high in the sun.


Several thoughts on that....

I have one of those 24>12V converters. Input max around 40V on my inverter fan.  Keeps them running too hard and noisy. converter

Might be cheaper to stick with a 12V fan and go with one of these converters. See what the guy wants for it if he finds it.

I don't know how that controller would affect the speed ramping with regards to it being linear to the panel. Never paid any attention but I imagine it would flatten the output an amount.  Whether that matters or not, hard to say. If you get a good strong airflow at 40o+ , who cares what the fan speed is? Mine runs 16-17V most of the time in summer sun and hasn't cooked the thing yet and I only limit for noise which shouldn't be a problem for you.

The other thing that comes to mind is if you will need to limit the speed in the first place?  This is a winter application. Winter is crap radiation so thinking of my panel coupled fans, I'm thinking by the time the panel is making enough to need to limit the speed, the heating season is probably going to be over and you won't want any heat. When you are wanting the heat, it's because the sun will be at reduced output so won't be driving the fan that hard in the first place.  

As you are prefranced to lower temps/ Higher airflow, again the question in my mind is will speed limiting even be required?  Seems to me the main concern would be not pushing in cold air at the low radiation end not limiting fan speed when there is likely to be plenty of heat coming in.


  Quote  
Yeah, good point  ...  though since you guys convinced me I need to aim for higher airflow at lower temperatures rather than lower airflow at higher temperature  ... and my results seem to be bearing this out  ...  I want to stay on top of the speed and temperature to gain the most heat.


Yeah but I wouldn't be getting too pedantic about that.  If it turns out you can generate 50o at a good airflow, I wouldn't be worrying about creating a gale to get it down.  I imagine there will be a crossing point where airspeed limits heat pickup and may be counter productive. If that fan is running hard through a 4" duct, then I'd be thinking all good even if it was pushing 50-60o.

  Quote  I know it's great to look at the chart for the day and see all this time up around 40-45  ...  but I've realised if I can pump it out quickly and keep it down around 25-30  ...  then I get the best gains. (I believe)  


Again I think this is where you are just best off running the basic setup before thinking ahead and see what the actual results are.
Given this is winter and solar radiation will be limited, I think getting too much heat or fan speed is going to be the least of your problems, especially if you are recircing the air.

I know this is sounding a bit about face but I think maybe you are getting a bit critical on something that's going to work well over a broader range than what you might be assuming.

Personally I find solar very forgiving. With PV at least you can get all precise but the effort in doing so is hardly ever borne out in worthwhile returns for the cost/ effort. As the energy source is the same, I think this will apply to your setup as well so before doing to much theoretical planning ( as well all like to do the mental arithmetic on) concentrate on the Practical setup for now, get it working in the basic form and THEN see what the problems are if there are any and then address them when you identify them.  Might be the thing runs just fine straight out  of the box and your concerns will not be bore out in practice.

Found that MANY times myself when thinking I thought would be an issue weren't or, turned out to have positives I would have never thought of.


Speaking of which, you have made me think of so many aspects of this I have to try it now and see how far off I am.  Thinking if I just use a PV panel with a bit of board on the back of the frame, maybe glue a strip of foam  along the bottom inside the enclosure to diffuse the air coming in from the blower which can be mounted on the board through a hole, outlet spigot at the other end, wire fan to the panel output ( although it will blow like no tomorrow with the blower I have in mind so will need a limiter of some kind) and see how it goes.  I have a spare 400W panel up the back which is 2 Sqm or there about so should produce some useful heat.

looking at the charts, the irradiance here at this time of year should be about 4 KW/M2 so that would give me 8Kw day, less shade time, maybe 6 Kwh a day.  Sounds too good to be true! Guess one way to find out.
If I use some headlight globes in series as limiting resistors, that will also generate extra heat from the electric side so that will be good. I'll try 3 in series to start and see how that goes. Might have to go to 2 but I'll see. That may give another 1.5 Kwh or so which would be good. Got to be missing something, sounds too ideal but numbers aren't my strong game.

This may well be worth while just for the en suite which is fast getting to a temperature far more appropriate to storing beer than taking a shower or performing ones ablutions in. Heating all the tiled surfaces and the floor would be an asset in there and may have enough thermal mass in the walls and floor to be worth while.  

Location is such that a panel wouldn't probably hit good sun till 11 Am without extended ducting but that may be enough to make a difference anyway.
 
Murphy's friend

Guru

Joined: 04/10/2019
Location: Australia
Posts: 674
Posted: 07:39am 29 May 2021
Copy link to clipboard 
Print this post

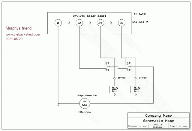
This might be of interest to the current topic.

I have an old 175W/24V solar panel which had the wires cut off right at the connection box, so no good to connect anything.

But, being curious, I opened that black box where the wires came from and, after removing the three plug in diodes and the snap on carrier for them, I was left with 4 alu strips coming out of the panel.

I have a 12v  130cf/min bilge blower which I connected in turn to these strips. It was very overcast but the fan started turning from as little as 3V.

So I thought of a simple fan speed controller - see schematic below:




The idea is with low solar the fan runs of the full panel voltage available. As the solar voltage increases the relays pull in and stop the fan from screaming its head off.

I have not yet tried that and would appreciate any suggestions regarding the functionality of this idea.
 
     Page 14 of 43    
Print this page
The Back Shed's forum code is written, and hosted, in Australia.
© JAQ Software 2026