Home
JAQForum Ver 24.01
Log In or Join  
Active Topics
Local Time 06:23 24 Apr 2026 Privacy Policy
Jump to

Notice. New forum software under development. It's going to miss a few functions and look a bit ugly for a while, but I'm working on it full time now as the old forum was too unstable. Couple days, all good. If you notice any issues, please contact me.

Forum Index : Windmills : visual effect of capacitors

     Page 11 of 25    
Author Message
GWatPE

Senior Member

Joined: 01/09/2006
Location: Australia
Posts: 2127
Posted: 09:12pm 07 Dec 2008
Copy link to clipboard 
Print this post

  GWatPE said  The charge pump effect still occurs when the slightest capacitive loading is present. This may cause problems with solid state devices used on the load. I have yet to measure the exact power levels involved, so the jury is out if a bleed resistor will take care of it.


I have set up the test rig to investigate the charge pump aspect. I have only seen a doubling of the peak to peak AC with the doubler. This should not cause problems if normal load voltage protection is used. No need for bleed resistors.

Gordon.

become more energy aware
 
GWatPE

Senior Member

Joined: 01/09/2006
Location: Australia
Posts: 2127
Posted: 05:56am 09 Dec 2008
Copy link to clipboard 
Print this post

I have been asked to provide some pictures of the capacitors used.

The first pic is of the general layout. This includes the the mill input shorting switch at the bottom. Above is the PCB with the 48V cct, AC coupling caps. Above this is the 24V cct, AC coupling cap shorting switch. Above this is the PCB with the 24V cct, AC coupling caps. To the left are 2 of the 3phase bridge rectifiers.


This next pic is of the cct to give variable boost to 24Vnom battery on the left. On the right is the 4 channel data aquisition unit. The rectifiers are shown as well at the top.


The next pics are of the 2 back to back cap PCB's




The top PCB is the 470uF,180WV set, and the bottom is the 330uF,400V set. I reused the PCB's, by cutting tracks and reversing cap orientations.

This is not a doubling arrangement. These are 2 separate AC coupled ccts. The boost cct works on the 12V-24V mill output. The 470uF set works on the 24V-48V mill output. The 330uF set works on above 48V output. The boost and 470uF cct feed current to the 24V battery. The 330uF cct feeds current directly to the gridfeed inverter. There is a separate DC-DC boost converter that feeds current to the gridfeed inverter when the 24V battery voltage is above designated SOC voltages set by the PL20.

The systems all work together to get the most from the available wind energy, until furling.

I intend to eventually use a quadrupler,doubler, and direct AC coupling ccts to directly feed my 48V grid inverter, without any battery, or DC-DC boost ccts. This will require 42 [the answer to life, the universe and everything] capacitors.

Gordon.
Edited by GWatPE 2008-12-11
become more energy aware
 
fillm

Guru

Joined: 10/02/2007
Location: Australia
Posts: 730
Posted: 06:57am 09 Dec 2008
Copy link to clipboard 
Print this post

Hi Gordon ,

That would have to be the "HOLY GRAIL" of AC/DC regulators , may be you could call it a QUADRADOOBLER ..
PhillM ...Oz Wind Engineering..Wind Turbine Kits 500W - 5000W ~ F&P Dual Kits ~ GOE222Blades- Voltage Control Parts ------- Tower kits
 
GWatPE

Senior Member

Joined: 01/09/2006
Location: Australia
Posts: 2127
Posted: 11:03pm 10 Dec 2008
Copy link to clipboard 
Print this post

I have had a few days to get more testing done. I have to concede that I do not see capacitors alone, functioning to give a maximising of wind energy harvest. I have tested a combination of a capacitor doubling arrangement with a series capacitor setup. I measured an increase in current for increasing rotor rpm with the additional doubling arrangement. The rotor operated at a lower speed in the same winds, so was more loaded. The blade operating tsr was reduced in response to this increase in current. Additional power was supplied to this increased loading.

I have not been able to separate the interactions of the parallel capacitor arrangements based on rpm. Series resistors in each arrangement may help, but has losses as well.

The best outcome seems to be with a variable boost DC-DC converter with a matched boost rate for the wind energy, at the low end [0-20% power output]. There are a few options above this power output level, depending on the alternator. One option is full AC coupling, for a typical F&P mill or other high pole count alternator that exhibits current limiting behaviour. The series caps can operate over the 20%-100% power output range. In another option, for low pole count alternators, the series caps may be best as a doubler arrangement, for the 20-50% power output, with a direct rectified coupling at the 50-100% power outputs. There will be overlap in power contributions for the cap doubler and the direct connection, once the direct connection starts to contribute. This will probably work the best for a battery loaded arrangement, or other low impedance loading. The windmill will only see the low impedance at the maximum power levels. This latter arrangement arrangement will be of maximum benefit to low pole count alternators as the capacitor sizing will not be as big a problem, as the capacitor loading impedance required will be higher.

Bolty has the series cap doubler 3phase rectifier in parallel with the normal 3phase rectifier, but without a variable boost DC-DC converter for the lowest power levels.

If the wind conditions at the windmill location are typical, 20% of the wind energy occurs 80% of the time, then this windmill will benefit greatly by providing load current more of the time.

In some loosely called, poorly matched systems, like mine appeared to be, then significant increases in maximum output power can be gained. If this a benefit or not will depend on the installation and available loading.

The capacitors are not a complete solution, but offer an alternative to allow the alternator/blade configuration to more efficiently harvest the wind energy, across a wider wind speed range, compared to the traditional direct loading method.

Gordon.
Edited by GWatPE 2008-12-12
become more energy aware
 
GWatPE

Senior Member

Joined: 01/09/2006
Location: Australia
Posts: 2127
Posted: 11:57am 12 Dec 2008
Copy link to clipboard 
Print this post

The capacitor impedance changing characteristic almost perfectly matches a windmill system with a very low impedance load. I suspect that a std wide input range SMPS will provide this low impedance. If a SMPS with mods to give battery charging output voltage was connected to the cap coupled and rectified output of a 3phase mill and then connected to a battery load, then wind power tracking might be achieved. I will be investigating this with an XT computer SMPS on an 80S on a test bed.

The rewire and load matching issues may be licked yet.

Gordon.


become more energy aware
 
robbo

Regular Member

Joined: 25/03/2007
Location: Australia
Posts: 71
Posted: 01:50pm 12 Dec 2008
Copy link to clipboard 
Print this post

Hi there Gordon and crew,

Just a quick question, regarding the Cap_cct on page 15.
How can I relate this to a 7 phase unit ? Do I need to add four caps per phase,or does the number, or capacity of the caps reduce to accommodate it ?
The rectification segment of the circuit will be the same, only still a total of 4 or 8 rectifiers.

Like most people, I have a significant amount of wasted voltage until it reaches cut in.
Thanks in advance.
"the Earth was not given to us, by our fathers, rather, it is lent to us by our children".
 
GWatPE

Senior Member

Joined: 01/09/2006
Location: Australia
Posts: 2127
Posted: 11:12pm 12 Dec 2008
Copy link to clipboard 
Print this post

Hi Robbo,

I assume this question was directed at me?

A 7phase doubler, requires 7/3 times more capacitors and rectifiers for a std 3phase arrangement. This would not be a problem electrically. This would require 28 caps and 8 bridge rectifiers.

My doubler is a 4x3 hotmelt glued block of 330uF,400V caps, with rectifiers wired together, atttached with standoffs to the caps. The AC from the mill is connected to the cap connections down the middle.

For a 7phase, I would just make a 7x4 block. This doubler is placed in parallel with the normal 7phase rectifier. Windmill cutin rpm will be halved.

Here is a pic of my capacitor, voltage doubler.

The doubler is the block in the centre bottom. The meter is reading the DC output. The block arrangement keeps the cap & rectifier interconnects as short as possible. There is less risk of shorts and mistakes as well.

Gordon.

PS This is only a temporary arrangement, conected with clip leads. In this instance, the grid connect inverter is connected as well as the 24V battery. The purpose of the doubler in my application is to reduce the loading on the battery boost DC-DC converter. The caps seem to be more efficient than the inductor/mosfet/diode, but there is no voltage regulation or current limiting components. I have measured 140VDC on the caps, with the grid connect inverter disconnected, but the battery still connected. I intend to add a detector to the grid inverter to enable the doubler only when the inverter is supplying power to the grid. This may be a custom made optocoupled/isolated 3phase SSRelay, that will reduce the voltage protection needed to the battery only, that is already in place.

The capacitors I used in the doubler were 330uF, as these were a value I had 12 of. This may be too high. 100uF may be a better value for a 7phase.

Edited by GWatPE 2008-12-14
become more energy aware
 
Gill

Senior Member

Joined: 11/11/2006
Location: Australia
Posts: 669
Posted: 10:39am 13 Dec 2008
Copy link to clipboard 
Print this post

robbo,
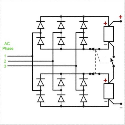
In response to your questions I have looked at that circuit on page 15 of this thread and would not use it.
I am of the opinion it is not a voltage doubler but a load 1/2er and battery paralleler.

As drawn, it short circuits and consequently bypasses the lower battery. The caps are not in a charge pump configuration as in the traditional 3 phase voltage doubler and serve no function in that regard.



If you feel you must use this circuit you would need to fix the shorting but in doing so you loose the ability to draw off the seriesed batteries whilst in the low wind mode which kind of makes it awkward. Here is the same circuit without caps and shorts.



Perhaps Gordon will comment further?

was working fine... til the smoke got out.
Cheers Gill _Cairns, FNQ
 
GWatPE

Senior Member

Joined: 01/09/2006
Location: Australia
Posts: 2127
Posted: 12:46pm 13 Dec 2008
Copy link to clipboard 
Print this post

Hi Gill,

In the voltage doubling arrangement I am using, I don't have a connection between the centre of the seriesed rectifiers and the battery interconnect between the two 12V seriesed sections. This is the short you mention.

I have not tested this yet. I had speculated a possibility for battery equalization. This will not be possible in this configuration, as you have now pointed out.

I have ammended the p15 schematic, rather than posting again, as it has been referred to on other forums, by other members.

Well picked up Gill.

Gordon.

PS edit:

Hi Robbo, and other readers,

sorry for any confusion. In the pic above, the DMM reading is the doubler voltage that is supplied to the grid inverter. The 24V battery is also drawing current, from a separate AC coupled cct. Both these components are AC coupled from the same windings.

In the arrangement that Bolty has, the current that is passed by the doubler increases with AC frequency, up to the point where the main rectifiers take over and clamp the voltage with the low impedance of the inverter. As the frequency increases with increasing rpm and wind power, the capacitors continue to pass more current, but the bulk of the current flows via the main rectifiers. The power that the capacitors pass increases with the frequency, but the voltage is clamped by the loading.

These attributes favour a windmill, but as for other applications, other factors may dominate.

Edited by GWatPE 2008-12-14
become more energy aware
 
KiwiJohn
Guru

Joined: 01/12/2005
Location: New Zealand
Posts: 691
Posted: 07:32pm 13 Dec 2008
Copy link to clipboard 
Print this post

Gill, if I understand correctly the short you mention is a half wave short only?
 
GWatPE

Senior Member

Joined: 01/09/2006
Location: Australia
Posts: 2127
Posted: 09:48pm 13 Dec 2008
Copy link to clipboard 
Print this post

Hi readers,

I may have been a little hasty with my withdraw of non tested claims last night.

Gills comments and pictures had me thinking. I decided to check the AC ripple and the DC level at the series connection between the rectifiers on the Capacitor voltage doubler while in operation.

I measured 1VAC ripple when no current was flowing, and <0.3VAC with a load of 5A@60V to the grid connect inverter loading. The ripple reduced with current. The DC level was changing with the power levels as expected. I have confirmed the DMM readings with a dual channel DSO. There is a tiny proportion of ripple and the centre voltage is close to half the doubler voltage at all times. These findings indicate to me that a connection to the batteries from the centre of the rectifiers to a battery at half the voltage would not present a short at any time. The AC coupling provides multiple current paths, and no DC current paths.

I can not replicate the current paths that Gill has presented in his drawing above with any measurements on the actual capacitor doubler in operation.

The in phase relationships of the two parts of the doubler may explain why voltages are additive to lower the cutin rpm. Capacitor/frequency interactions and diode clamping do the work. As long as the capacitors resonant frequency is below the maximum output frequency of the windmill, resonance currents in the AC cct will not be excessive. This resonance frequency can be calculated.

Gordon.

become more energy aware
 
Gill

Senior Member

Joined: 11/11/2006
Location: Australia
Posts: 669
Posted: 01:31am 14 Dec 2008
Copy link to clipboard 
Print this post

John,
There were two viable parallel circuits through both batteries (for clarity, only the top greed shown)but the 3rd path (the short) dominates, passing near all the current.

With 3 phase, the + 1/2 cycle of one phase is the - part cycle of the other two phases so a short, though presented as one 1/2 cycle is a total short of the circuit; all phases, all cycles.



Gordon,
Sorry, the edited schematic is also shorted. I too have these 'Blond Moments' as most will have noticed. I'm sure you'll get it sorted.


was working fine... til the smoke got out.
Cheers Gill _Cairns, FNQ
 
GWatPE

Senior Member

Joined: 01/09/2006
Location: Australia
Posts: 2127
Posted: 06:19am 14 Dec 2008
Copy link to clipboard 
Print this post

Hi Gill,

I will present some DSO readings, [actual measurements, and not an attempt to draw what is thought to happen].

For clarity, in most of the tests, the waveforms are referenced to system [battery & grid inverter] -ve.

I present,

1. a single phase, mill side of caps, with the DC voltage present at the upper connection of the voltage doubler as a reference.
2. the DC present on the top of the doubler with the DC present at the joining of the seriesed bridge rectifiers
3. the AC present on the top rectifier, with the DC voltage present at the joining of the seriesed rectifiers as a reference.
4. the AC present on the bottom rectifier, with the DC voltage present at the joining of the seriesed rectifiers as a reference.
5. the DC voltage present at the 24V battery with the DC voltage present at the joining of the seriesed rectifiers as a reference.
6. the between phases voltage just befor cutin.
7. the between phases voltage at an approx 250W power level.

The doubler was functioning during all of these measurements. The windmill is a std F&P series 100, wired in delta. The windmill is only AC coupled to the loads. There is no DC path between the mill and the loads. The DSO probes are x10 settings. The ranges I have left shown for clarity. The green line is the zero reference line for both traces. This has been moved down to allow more visible use of the DSO screen. The timebase was free running, and not triggered.

pic 1.


pic 2.


pic 3.


pic 4.


pic 5.


pic 6.


pic 7.


I have provided the output waveform between phases before cutin as a comparison [pic 6], and that during a mid range power output condition [pic 7]. The capacitors do change the sine wave significantly. The flat topping that normally occurs with a battery loading is not evident.

You will also note the strong correlation in voltage between the battery voltage and that present at the joining of the seriesed rectifiers [pic 5]. If there was "shorting", then this could not be.

You will notice that the voltage present at the joining of the rectifiers is almost identically half that of the doubler output voltage [pic 2]. There is no bypass capacitance from the seriesed rectifier joining to ground.

If there was any "short" that you describe, then this would be evident in the DSO traces. This would be manifested in some AC that would be visible, on the recorded voltages, primarily in the voltage recorded on the seriesed connection between rectifiers.

If there is a short that you believe is there, then this somehow results in an increase in power supplied to the loads, with no discernable detrimental effects.

You will notice the AC waveforms presented [pic 3, pic 4]. These are square wave in form and close to 50% duty. One waveform indicates power from 0 to half the doubler voltage. The other waveform indicates power from half the doubler voltage to the doubler voltage. These are in phase, so the voltages are additive.

I cannot provide much more proof. The theory you present does not seem to be backed up in the measurements I have recorded. This may be due to the square wave nature of the voltage waveform, that reverse biases the diodes, you indicate are providing a short.

I welcome anyone else to do the same types of measurements as I have and come to a conclusion that the cct will present a short.

PS. I think you will find that a clue as to what is happening is given by the waveforms of pic 3 & pic 4. The voltages on the caps prevent the current from going the wrong way. The currents are steered through other diodes, and do not present a short.

I give some more pics af phase/phase rectifier inputs.

pic 8. This is one phase again, referenced with the voltage present at the join between the 2 seriesed rectifiers


pic 9. This is the voltage traces presented simultanously, on the same phase, on the input to the top and bottom rectifiers.


pic 10. This is the voltage traces presented simultanously, on different phases, on the input to the bottom rectifiers.


pic 11. This is the voltage traces presented simultanously on different phases, on the inputs to top and other bottom rectifiers.


PPS Again I see no evidence of cct shorting behaviour.

There is a lower impedance path offered by the bottom rectifiers from the load and back to the AC, to complete the electrical cct.

Gordon.
become more energy aware
 
Gill

Senior Member

Joined: 11/11/2006
Location: Australia
Posts: 669
Posted: 11:23am 14 Dec 2008
Copy link to clipboard 
Print this post

Gordon,
On further study of the circuits old and new it is necessary to revise my use of the term 'short' as it applies to them. The circuits do short circuit the load (battery) this still effectively draws most current until I suspect the (red)caps reach saturation.



I note the caps in the shorted legs (red)are in parallel with the load and all current passing through them is lost to the battery. Once saturation of the red caps is achieved, the seriesed caps(violet) will then pass current and this circuit includes the battery.

Back-to-back caps in series and parallel and called a voltage doubler???? You don't seem to be aware of any of the processes at work here. But so long as you are happy with the results.

Gill EDIT:
Haa! I see now. On the negative 1/2 cycle the former serisied caps are now in shunt and are charged to saturation then the former saturated shunt caps are now in series and discharge as a charge pump through the battery. The voltage is effectively doubled.

OK. So why don't you explain it simply without all the crap?Edited by Gill 2008-12-15
was working fine... til the smoke got out.
Cheers Gill _Cairns, FNQ
 
Gill

Senior Member

Joined: 11/11/2006
Location: Australia
Posts: 669
Posted: 01:20am 15 Dec 2008
Copy link to clipboard 
Print this post

Which takes me further to the very nature of the caps as they apply to the basic F&P circuit.

To date we have focused on the caps providing a series resonance with the inductive output of the generator. This in theory reduces the impedance to a purely resistive component at resonance at a certain frequency. It is variable power factor correction with increased frequency. It would have a reducing effect as the frequency reduces. If the mill prop was underpowered for the load, the series resonance at higher Fq. would have no effect on improving the stall condition.

Now lets introduce saturation. This will apply as frequency reduces. When saturation occurs part way through a 1/2 cycle, the cap will not pass further current. This effectively shuts off the battery load for the remainder of the 1/2 cycle. If the mill is slightly underpowered, this saturation load reduction will be just the ticket. Like a resistor that reduces battery load to get a underpowered mill out of stall, The cap does too but with the added advantage of being frequency dependant. The resistor works across the full rpm range reducing power when not needed at higher FQ.

On a mill correctly set up for normal operation this cap saturation effect will reduce performance at lower rpm.

I won't go on and on but allow those following this thread to ponder this capacitor characteristic as it may apply to our F&P.

Is series resonance the primary influence?
Is cap saturation the primary influence?
Is it both?
What effects will different capacitance have on different prop drives?
And on what type of mills_ Voltage and configuration wise?
If it doesn't suit all mills, How might it be manipulated to do so?
was working fine... til the smoke got out.
Cheers Gill _Cairns, FNQ
 
KiwiJohn
Guru

Joined: 01/12/2005
Location: New Zealand
Posts: 691
Posted: 09:29pm 15 Dec 2008
Copy link to clipboard 
Print this post

Gill, my thoughts on the first two of your items:-

Series resonance, that RPM at which source impedance = load impedance, is in theory the point of most efficient power transfer. However power transfer suffers at all other speeds so series resonance would be most attractive if we could build constant speed turbines or reduce the selectivity of the resonant combination of L/C. We get widest resonance band by reducing the inductance and increasing the capacitance, the bugger is that we are pretty much stuck with the inductance of the F&P stator. Perhaps there is potential for switching different capacitors in for different turbine RPM?

I am a little uncertain about capacitor saturation, sure enough I can see that at some point in the first 90 degress of the cycle the capacitor will charge and pass no more current but what happens between 90 and 180 degrees? Does the capacitor discharge through the stator coils as it seems only the top bit of the voltage will be high enough to pass through to the battery load. I am uneasy with the idea of using caps in this way as it seems to be wasting energy.

 
oztules

Guru

Joined: 26/07/2007
Location: Australia
Posts: 1686
Posted: 10:30pm 15 Dec 2008
Copy link to clipboard 
Print this post

Kiwijohn,
I think Gill has answered this part for you "I am uneasy with the idea of using caps in this way as it seems to be wasting energy. " when he talked about resistors.

When ever the caps (or any other thing) allows some slippage in a particular cycle, we don't loose the power, instead it allows the "loss" to appear in higher TSR. So we are effectively storing this loss at a higher potential EMF to be dealt with in the next cycle... and possibly building up a temporary inertia increase.

The more little losses at a particular time just means the prop can spin up faster, and the resultant increase in rpm/emf, can be dealt with more effectively on the next cycles.... even better, the lift will increase with the extra rpm, and probably help give more prop power than what would have been available at the lower.. stiffer no loss situation.

This "loss/storage" type of thing will be dynamic, and will result in a point where the rpm stabilises and can't climb any higher because the load is equal to the drive.

The proof that these losses are actually gains, is with Gordon getting 800w from a 2-300 watt stator.

This does not appear to be a wasting energy kind of scheme. Goes against logic I know... just like using lossy resistors to increase power. Wind turbines are a tricky beast.

In answer to Gill, I think the mix of lowering the leakage, and increasing the MMF, combined with letting the prop get away to a higher TSR add to give you much more power out. In truth, I think it is allowing the prop to get a bit more giddyup the big gain... but having the stator better able to use the extra power (better MMF and less leakage),lets the stator use this extra power, instead of being reactance limited.

With an axial flux:
With it running in partial stall, big series caps would increase power... mostly by getting the TSR up.. just like a resistor, only better as R decreases with F.... However, if it is wound for performance (ie wind for 24v for a 48v machine) it won't be useful at all. There is no reactance limiting to overcome either, so one more useful side effect lost for axials.

Normally, if wound for running in partial stall, it is because the owner wants a quiet life, and sacrifices substantial performance. Adding caps to this will increase performance, but will make it very lively... not why it was wound that way in the first place.


..........oztules
Village idiot...or... just another hack out of his depth
 
Gill

Senior Member

Joined: 11/11/2006
Location: Australia
Posts: 669
Posted: 01:57pm 16 Dec 2008
Copy link to clipboard 
Print this post

Oz,
I very much liked your different approach in your explanation. Time and again we have this perception of loosing generated power instead of loosing load of battery (= generator load = prop load).

John,
I was going to sketch some power IN and power OUT graphs then put them together under varying conditions but I don't have the needed software on this computer.

From your comments I see you are so close to the penny dropping it's not funny.
The key is, reducing the load of the battery so that the prop can spin up past the stall area. Away from stall the prop can now spin higher with higher winds. With higher winds comes power cubed. The available power now no longer needs the battery load reduction device and in the case of saturated caps this is dropping off as frequency increases anyway(resistors do not). Still if the power In, Power Out curves were overlayed there would be for caps, maybe for resistor, slightly more power Out at the same high wind speed than a non stalling mill produces.

The final clincher is the graphs. I'll see if I can do them on the old laptop tomorrow.

Edited by Gill 2008-12-18
was working fine... til the smoke got out.
Cheers Gill _Cairns, FNQ
 
Gizmo

Admin Group

Joined: 05/06/2004
Location: Australia
Posts: 5177
Posted: 06:18am 18 Dec 2008
Copy link to clipboard 
Print this post

OK Gordon you've convinced me to give these caps a go. I know we spoke about this on the phone the other night but I just want to clarify my options.

My system is 12v, cant change it to 24v unfortunately, the inverter, lights, shop radio, etc are all 12v.

So what I'm trying to find is the best suggestions for a 12v system.

I have a 60 series, 80 series and 100 series stators at my disposal. I also have a 7 phase windmill on the tower, but I'm not sure if any cap testing was done on a 7 phase so I may steer away from that one, though I would like to use it if possible.

Instead of using a 100 series in delta for 24v system, could I split the 100 into two, so I end up with 2 delta's each with 7 poles in each leg, for a 12v system. Would I then connect these in parallel before feeding into the caps, and would I then double the capacitance, to say 500uF ( 2 1000uF back to back ) for each output.


I plan to order in some caps tonight. I can get Non-polarised caps as used in speaker crossover networks, a 220uF NP cap is $4.65 and a 470uF NP cap is about $8, but these are only rated at 100v, not high enough?
The other caps I'm looking at are 105c rated TKR or HSW types, but not sure on the voltage rating I should be using. Is 100v enough, the higher the voltage the higher the price, a 470uF at 200v is $6.50, at 100v its $2.00, big difference especially if you need 6 or more.

Glenn

The best time to plant a tree was twenty years ago, the second best time is right now.
JAQ
 
GWatPE

Senior Member

Joined: 01/09/2006
Location: Australia
Posts: 2127
Posted: 10:52am 18 Dec 2008
Copy link to clipboard 
Print this post

Hi Glenn,

It is important to have adequate voltage limiting. I would test initially with a std rewire, series80,2s7p. This normally has a high cutin 250 rpm+ on 24V. I would use a series capacitor voltage doubler and also a parallel, series capacitor arrangement.

The capacitor sizing for the series capacitor could be 1000uF 100VDC, polarized back to back, or 470uF 100V NP.

The capacitor sizing for the doubler are smaller, as the power handling requirement is lower. I have 330uF, but feel these are a little big. For 12V, I would use 220uF 100VDC back to back,[12 caps], or 100uF 100V NP. The polypropylene caps used in audio would be OK.

This exercise is to produce more power in a wider range of wind conditions. The caps in my system 470uF,180WV became warm after 8 hours of 50%-100% output @ 600W max.

I would expect a cutin for 12V of around 60-80rpm, with a maximum power for 12V around 500W. The low end cutin will be of no use unless pole twisting, decog is used. The rounded pole decog is reputed to reduce outputs, so I would avoid this. I am assuming the blades have allowed the mill to produce approx 250W of power in approx 10m/s winds.

The 890W power I have measured was with my mill with 24V and 48V simultanous loading, with variable boost at the minimum power levels, and series caps at 24V loading and doubling series cap arrangement at 48V and series caps at 48V. This is not what I would call a simple arrangement, quite a birdsnest. A few people have seen it and look away. The cap sizing at each cutin voltage needs to be matched to the required loading, based on the impedance presented by the capacitor. This is calculable from the Zc=1/2PiFC. There is a slight loading change presented with varying battery SOC voltages. I simulated on Excel, with compensation for battery voltage and mill current with winding resistance and leads and capacitors impedance for varying mill rpm, and found good correlation at low and high power levels. There was a mid range section in the power output that I had trouble simulating. This is why I resorted to 2 different loading voltages that worked simultanously without any switching.

If you only use the non doubler version, you may lose some power at the low power levels. The doubler makes up for this. I cannot correlate windspeed with output power so the precise match to the wind energy curve is still unknown.

Gordon.

become more energy aware
 
     Page 11 of 25    
Print this page
The Back Shed's forum code is written, and hosted, in Australia.
© JAQ Software 2026