Home
JAQForum Ver 24.01
Log In or Join  
Active Topics
Local Time 13:25 24 Apr 2026 Privacy Policy
Jump to

Notice. New forum software under development. It's going to miss a few functions and look a bit ugly for a while, but I'm working on it full time now as the old forum was too unstable. Couple days, all good. If you notice any issues, please contact me.

Forum Index : Electronics : solar tracker

Author Message
irishron40
Senior Member

Joined: 22/09/2014
Location: Ireland
Posts: 254
Posted: 09:24am 28 Oct 2017
Copy link to clipboard 
Print this post

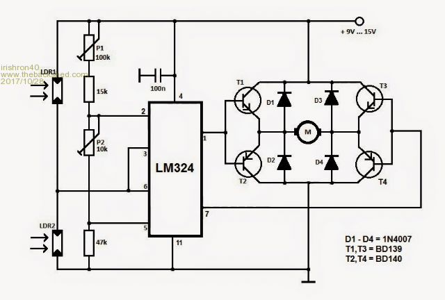
hi all. i havent been much on the web as electronics are taking over my life haha

can someone tell me if this system be able to drive a wiper motor.

I have the mechanics all build with 2 wiper motors

one for horizontal and one for vertical tracking.

ron



 
Phil23
Guru

Joined: 27/03/2016
Location: Australia
Posts: 1667
Posted: 11:17am 28 Oct 2017
Copy link to clipboard 
Print this post

The BD139's might not handle the current of the wiper motor.

Atm I have a dual relay module driving a motorised water valve.

One relay pulls in for open, the other for closed; in effect just providing polarity in either direction.

The relays are controlled by a 28 pin Micromite (easy bit).

Cheers.
 
oztules

Guru

Joined: 26/07/2007
Location: Australia
Posts: 1686
Posted: 01:38pm 28 Oct 2017
Copy link to clipboard 
Print this post

Prone to over current on the transistors.

Those wiper motors are low impedance so the start current to over come the start inertia will probably lead to destruction.... unless you soft start it of course.

I guess you could use the spare comparators to use one for triangle wave generation, and the other for the pulse width generation, and modulate one side of the bridge.... but still would be evil.... and start to get complicated quickly.

Not how I would do it, but it really needs something to mitigate the high inrush currents in what appears to be a delicate controller. It does not address o/load either.

Perhaps the better route would be to get a controller from ebay like this

https://www.ebay.com.au/itm/6V-12V-24V-30V-DC-Motor-Speed-Controller-Reversible-PWM-Forward-Reverse-Switch/401396178765? hash=item5d75139f4d:g:xVUAAOSwl9RZ5xPp

If you set for slow speed on the pot, you will likely not over current.

Or for power then a few of these... then you can go for broke.

https://www.ebay.com.au/itm/DC-12V-24V-48V-PWM-DC-Motor-Speed-Controller-Forward-Stop-Reverse-Switch/282605740898?_trkpa rms=aid%3D555017%26algo%3DPL.CASSINI%26ao%3D1%26asc%3D20160630134829%26meid%3D9ddd6db9cee5474a90f1a4e5bb7acff3%26pid%3D1 00507%26rk%3D1%26rkt%3D1%26&_trksid=p2045573.c100507.m3226

Then use your cunning 324 to control them/it.




........oztules
Village idiot...or... just another hack out of his depth
 
irishron40
Senior Member

Joined: 22/09/2014
Location: Ireland
Posts: 254
Posted: 02:11pm 28 Oct 2017
Copy link to clipboard 
Print this post

i might use 12volt 30A relays, andlet the main current run thru those.
I have plenty of those soit saves expense lol

the transistors would have no problem swithing the relays

i got a few low voltage hallogen lamps and ut the back off,
have the ldr`s fitted inside in a little bit of pipe.
perfectly sealed that way. just thought I share this idea.

thx for the replies.

ron
 
hotwater
Senior Member

Joined: 29/08/2017
Location: United States
Posts: 120
Posted: 06:41am 29 Oct 2017
Copy link to clipboard 
Print this post

I always think these analog tracking circuits consume as much current as they gain. Nice little project for a uno. No need to adjust the tracking any more than every 15 minutes.
 
Warpspeed
Guru

Joined: 09/08/2007
Location: Australia
Posts: 4406
Posted: 12:03pm 29 Oct 2017
Copy link to clipboard 
Print this post

Have you thought about building a tilting passive tracker from a couple of propane gas cylinders ?
One full, one empty connected together by a small bore pipe.

Cheap, simple, easy to make, and consumes no electrical power.
Weatherproof too.

Even if all the gas leaks out while you are experimenting, no trouble to get a refill.
http://www.oasismontana.com/zomeworks.htmlEdited by Warpspeed 2017-10-30
Cheers,  Tony.
 
Tinker

Guru

Joined: 07/11/2007
Location: Australia
Posts: 1904
Posted: 12:04am 30 Oct 2017
Copy link to clipboard 
Print this post

Interesting idea Tony but I feel the wind would easily overpower the carefully balanced panels and wobble the lot. It'll work fine if its sheltered from the wind.

My three trackers are on the flat shed/garage roof and have just two 200W size panels on each. They are worm gear driven and even so, as there must be some slack to keep friction low, the wind does shake them a bit.

Tracking is only required every hour, mine are timer driven.
They advance 15 degrees half an hour after the sun has reached the panel angle. The panels are aligned to the sun after 30min, a further 30min and the sun angle is ahead by 7.5 degrees when the timer moves the panels 15 degrees further. This happens from facing 60 deg East to 60 deg West.

This has worked well for over 2 years, I see no need to have panels track the sun constantly. As mentioned above, the power consumed to do that might swallow the gain of the aligned panels.
Tracking adjustment every hour runs the motors (mine are two axis) only for a few seconds every daylight hour. The only part drawing constant power is the timer which I modified for very low consumption.
Klaus
 
Revlac

Guru

Joined: 31/12/2016
Location: Australia
Posts: 1239
Posted: 04:16am 30 Oct 2017
Copy link to clipboard 
Print this post


Just down the road from me there is a large set of solar trackers, 12 stands I think 12 panels on each and all have there own interdependent tracker, they also have a wind speed sensor each so they can tilt horizontal when windy or when the storms hit them.

So far they have survived the worst storms we have had, a few years ago a storm went through here past Rosewood (SE/QLD) tore the Roof off a few house's (some may have had solar panels on there roof) and some farm shed's just blew them to pieces and gone.

So IMO its good to be able to tilt them horizontal if its more than a few panels wide, if it gets a bit windy.

Small single panels seem to handle wind quite well.

Aaron
Cheers Aaron
Off The Grid
 
Warpspeed
Guru

Joined: 09/08/2007
Location: Australia
Posts: 4406
Posted: 09:44am 30 Oct 2017
Copy link to clipboard 
Print this post

Wind could certainly play havoc with a freely swinging panel, but something like an automotive suspension damper should prevent anything but very slow movement.

I built a tracker mechanism a few years ago, but never used it. That used a heavy industrial worm drive gearbox, driven off a smaller hobby gear train and a stepper motor fed off a crystal oscillator. The idea was to have it turn 180 degrees in exactly twelve hours, then reversed over the next twelve hours.

No need to track the actual sun, it just followed the earths rotation like a clock, even in dense fog !
The precise tracking speed is not important as long as it never varies.

If it only turned 160 degrees and then reverses every twelve hours it would still work fine. It would be slightly out at dawn and sunset, but the error is not cumulative.

As long as the crystal is accurate (which it will be) if the gear train ratio is a bit different from ideal, it does not really matter that much.

With a very large gearbox reduction drive ratio, a wimpy little stepper motor and a few milliamps is all it took. I had just the full gearbox and electronics running for a couple of weeks but never fitted solar panels to it or made up a proper circuit board.Edited by Warpspeed 2017-10-31
Cheers,  Tony.
 
Phil23
Guru

Joined: 27/03/2016
Location: Australia
Posts: 1667
Posted: 10:37am 30 Oct 2017
Copy link to clipboard 
Print this post

I've never physically built a tracker, but I've often chewed over designs in my head.

In my pondering's the louvered windows always come to mind.

Pivot point being something like a gate strap hinge,
or possibly nylon hydraulic tube clamps.

All lever tied together just like the louvers.

Worm drive actuated using an appropriately sized length of brooker rod,
driven by a 12V wiper motor.

All the feedback & limits as required & probably repositioned on an hourly basis.

Just my mental exercise, figuring how I'd do things I may never do.

Cheers.
 
Warpspeed
Guru

Joined: 09/08/2007
Location: Australia
Posts: 4406
Posted: 11:18am 30 Oct 2017
Copy link to clipboard 
Print this post

One definite problem with multiple trackers is shading.
Each tracker really needs a clear shot from horizon to horizon without other trackers getting in the way.

Most movable trackers beat the shading problem by having only one large single movable surface. And that usually creates a wind loading problem.

Solar panels are now so cheap that it hardly seems worth the trouble to build a movable tracker.

Just rigidly fix panels pointing east, north, and west, (and up) and combine the outputs.
Far fewer problems.
Edited by Warpspeed 2017-10-31
Cheers,  Tony.
 
Clockmanfr

Guru

Joined: 23/10/2015
Location: France
Posts: 437
Posted: 12:40pm 30 Oct 2017
Copy link to clipboard 
Print this post

Heres my three double axis.

Yes they go flat if I know about a hurricane.

Been up nearly 5 years and well tested.

8 panels about 2kW each, any more than that then we start getting really serious about the frame structure and the lump of supporting concrete.

LED light sensors that moves the 24v actuator & tracker every 10 minutes or so, and circuit made by a guy called Dave in Cowa. Night time it parks itself for the morning Sun.

Costs, about $600 for each materials, then theres the panels cost.

To make a good sheep proof static steel frame etc, for a static PV array for 8 panels is about $300.








Daves circuits were at his site Axetracka.com and on ebay.
Heres a retailer selling his stuff http://www.bobssolarpanels.com/solar-tracking.htmlhttp://www.bobssolarpanels.com/solar-tracking.html








Edited by Clockmanfr 2017-10-31
Everything is possible, just give me time.

3 HughP's 3.7m Wind T's (14 years). 5kW PV on 3 Trackers, (10 yrs). 21kW PV AC coupled SH GTI's. OzInverter created Grid. 1300ah 48v.
 
Revlac

Guru

Joined: 31/12/2016
Location: Australia
Posts: 1239
Posted: 04:01am 02 Nov 2017
Copy link to clipboard 
Print this post

Nice looking Setup Clockman
The Linear Actuator's seem to handle the weight of the panels when they tilt down, I thought it would be hard on motors but maybe it's the geometry you have that sorts it out.

I would post the manual tracker I built, has a few different ideas someone could find useful.
It should go somewhere in the solar topic, perhaps in an existing post.

Cheers
Aaron

Cheers Aaron
Off The Grid
 
Clockmanfr

Guru

Joined: 23/10/2015
Location: France
Posts: 437
Posted: 09:21am 02 Nov 2017
Copy link to clipboard 
Print this post

Hi Revlac,

Yes, the panels are perfectly balanced, so there is not much actuall loading on the actuator.

However, the actuator has to handle loading from high winds and the weight of snow.

And keeping the rain out of the actuator extending arm is a real pain in the ar....se.
Everything is possible, just give me time.

3 HughP's 3.7m Wind T's (14 years). 5kW PV on 3 Trackers, (10 yrs). 21kW PV AC coupled SH GTI's. OzInverter created Grid. 1300ah 48v.
 
Madness

Guru

Joined: 08/10/2011
Location: Australia
Posts: 2498
Posted: 10:36am 02 Nov 2017
Copy link to clipboard 
Print this post

My neighbour has a large commercial tracker that was installed about 10 years ago and the worm drive that rotates it has seized. This is due to water getting in it, now they can't get parts for it and it sits there pointing at the same spot.
There are only 10 types of people in the world: those who understand binary, and those who don't.
 
Clockmanfr

Guru

Joined: 23/10/2015
Location: France
Posts: 437
Posted: 10:10pm 02 Nov 2017
Copy link to clipboard 
Print this post

Hi Madness,

Water is a pain when it gets in to places where it shouldn't.

I use lorry tyre inner tubes on the actuator, not very pretty, but they still need inspection/maintenance once a year.

That rotary base plate design you mention has always given me concern, so I stayed well away.

I am not building any more trackers, just static arrays from now on.

Here's a poor rotary 10kW design that just lifted away, Oh dear!



Edited by Clockmanfr 2017-11-04
Everything is possible, just give me time.

3 HughP's 3.7m Wind T's (14 years). 5kW PV on 3 Trackers, (10 yrs). 21kW PV AC coupled SH GTI's. OzInverter created Grid. 1300ah 48v.
 
Madness

Guru

Joined: 08/10/2011
Location: Australia
Posts: 2498
Posted: 10:40pm 02 Nov 2017
Copy link to clipboard 
Print this post

Yeah trackers are sexy but solar panels are much cheaper now, trackers are not cheap, have moving parts. Fixed panels are virtually set and forget and you can buy a whole lot for the price of a tracker.
There are only 10 types of people in the world: those who understand binary, and those who don't.
 
yahoo2

Guru

Joined: 05/04/2011
Location: Australia
Posts: 1166
Posted: 12:56pm 07 Nov 2017
Copy link to clipboard 
Print this post

I have had a satellite tracker with a 3.5 meter dish running for about 17 years. A couple months ago I unplugged the controller to test another machine and forgot to plug it back in. We had a storm rip through, By the time I remembered that the dish was not powered so that it could park itself the wind had caught it and folded it up like a giant tulip.

Like a magic trick

everything disappears



then it is squished



The camera done better than me I couldn't see anything in the wall of water. I was lucky my neighbours had hailstones 30 cm deep in their field. If that had gone over my buildings I would have lost everything.

I think I might ground anchor a pivot point in front of the pole and I will turn it into a single axis solar tracker, it has a great view of the sky and a 3 inch cable conduit with drawstrings already in the ground.

Edited by yahoo2 2017-11-08
I'm confused, no wait... maybe I'm not...
 
Print this page


To reply to this topic, you need to log in.

The Back Shed's forum code is written, and hosted, in Australia.
© JAQ Software 2026