Home
JAQForum Ver 24.01
Log In or Join  
Active Topics
Local Time 14:56 24 Apr 2026 Privacy Policy
Jump to

Notice. New forum software under development. It's going to miss a few functions and look a bit ugly for a while, but I'm working on it full time now as the old forum was too unstable. Couple days, all good. If you notice any issues, please contact me.

Forum Index : Electronics : Buck converters.

     Page 1 of 2    
Author Message
Phil23
Guru

Joined: 27/03/2016
Location: Australia
Posts: 1667
Posted: 11:04am 30 Aug 2017
Copy link to clipboard 
Print this post

Hi All,

Just wondering if anyone is familiar with a Step down module I'm looking for.

I have plenty of the LM2596 modules listed on ebay, but looking for something with a lower minimum input voltage.

Basically I wand to regulate a single 18650 Li-Ion down to 2.0V to power a fan (100mA) 24/7.

It is currently working on one of the modules I have, but I'm a bit I've only tested it on a fully charged battery with a 4.0V terminal voltage.

I haven't bothered testing it with lower inputs; Data sheet states 4.0 anyway so no guarantees even if it does work.

I see Ti list many converter chips with a lower minimum input, but have yet to find one on a module.

Alternatively, any other suggestions for how to most efficiently get 2.0V from the 18650.

Thanks

Phil.

PS, I do suspect that the LM2596 route is not that efficient anyway.
 
Phil23
Guru

Joined: 27/03/2016
Location: Australia
Posts: 1667
Posted: 11:38am 30 Aug 2017
Copy link to clipboard 
Print this post

One of these is working ATM. No need for the LED in the final solution, just convenient at this stage.

Really don't think it's going to cut it once terminal voltage drops though.

Phil.
 
Madness

Guru

Joined: 08/10/2011
Location: Australia
Posts: 2498
Posted: 01:00pm 30 Aug 2017
Copy link to clipboard 
Print this post

These are supposed to work down to 3V input and 1 is $1.51 posted.
There are only 10 types of people in the world: those who understand binary, and those who don't.
 
Phil23
Guru

Joined: 27/03/2016
Location: Australia
Posts: 1667
Posted: 05:35pm 30 Aug 2017
Copy link to clipboard 
Print this post

  Madness said   These are supposed to work down to 3V input and 1 is $1.51 posted.


Thanks,

I've got a few Identical to those (assumption), but they are still using an LM2596,
which according to the data sheet has a minimum input of 4.0V.

Still haven't had a chance to test mine below 4.

Phil.
 
Warpspeed
Guru

Joined: 09/08/2007
Location: Australia
Posts: 4406
Posted: 06:02pm 30 Aug 2017
Copy link to clipboard 
Print this post

I would take worst case data sheet minimum input voltage with a grain of salt.

That will make allowances for all kinds of extreme production limits, worst case temperature, very likely maximum rated load current, in the worst possible combination.

Real world testing might reveal it will just make it (or maybe not). But its worth some actual testing to find out.

There is a big difference between building something for yourself, and design for mass production. For a hobby project you can be a little bit more daring.
Cheers,  Tony.
 
Grogster

Admin Group

Joined: 31/12/2012
Location: New Zealand
Posts: 9936
Posted: 01:38am 31 Aug 2017
Copy link to clipboard 
Print this post

I would be inclined to use an MCP1703 or similar LDO regulator. The MCP1703 can be run with input voltages down to 2.7v(so your 4v cell would work as an input), have a 625mV dropout voltage, and only 2uA(micro-amps) of quiescent current, making them ideal for battery use.

62 Cents at Microchip Direct.

I have used hundreds and hundreds of these things.

They DON'T come in exactly 2.0v, but you can get 1.8v which is only 200mV off what you were aiming for - or 2.5v is the next step up. Two MLC caps(one on input, one on output) and you're done.

EDIT: Fixed link - was pointing to full reels of 4000 devices. You probably don't want that many..... Edited by Grogster 2017-09-01
Smoke makes things work. When the smoke gets out, it stops!
 
noneyabussiness
Guru

Joined: 31/07/2017
Location: Australia
Posts: 527
Posted: 09:47am 31 Aug 2017
Copy link to clipboard 
Print this post

  Grogster said   I would be inclined to use an MCP1703 or similar LDO regulator. The MCP1703 can be run with input voltages down to 2.7v(so your 4v cell would work as an input), have a 625mV dropout voltage, and only 2uA(micro-amps) of quiescent current, making them ideal for battery use.

62 Cents at Microchip Direct.

I have used hundreds and hundreds of these things.

They DON'T come in exactly 2.0v, but you can get 1.8v which is only 200mV off what you were aiming for - or 2.5v is the next step up. Two MLC caps(one on input, one on output) and you're done.

EDIT: Fixed link - was pointing to full reels of 4000 devices. You probably don't want that many.....


If u put a schottky diode in its ground path (cathode to ground) of the 1.8v device it will bump your voltage up the 200-300mv you need ...sort of like the pic but with a single diode...


I think it works !!
 
Phil23
Guru

Joined: 27/03/2016
Location: Australia
Posts: 1667
Posted: 10:43am 31 Aug 2017
Copy link to clipboard 
Print this post

Thanks Grog & Noney,

Closest things I have here are MCP1700's & LD1117's in 3.3 & 5v.

I can't use a couple of resistors on the Gnd pin to drop a 3.3 down to 2.0 can I.
I can only go up???

Phil.
 
Warpspeed
Guru

Joined: 09/08/2007
Location: Australia
Posts: 4406
Posted: 11:42am 31 Aug 2017
Copy link to clipboard 
Print this post

Yes only up, unfortunately.
Cheers,  Tony.
 
Grogster

Admin Group

Joined: 31/12/2012
Location: New Zealand
Posts: 9936
Posted: 01:57am 01 Sep 2017
Copy link to clipboard 
Print this post

As Warpspeed says.....
Smoke makes things work. When the smoke gets out, it stops!
 
Phil23
Guru

Joined: 27/03/2016
Location: Australia
Posts: 1667
Posted: 11:55am 01 Sep 2017
Copy link to clipboard 
Print this post

Might have a complete change of approach.

The 2 x 18650's in parallel might not be the best idea.

They are feeding the LM2569 @ 3.9V 80mA to run the fan @ 2.0V 100mA.
So Efficiency is not that flash @ 63%.

312mW consumption.
Available power from the 2 x 3350mAh cells is 24,000mWh, so theoretical max runtime with no charge is about 77 hours.

Thing I noticed though is the LM2596 starts to lose stability under 3.85 volts when set at 2.0 out. Typical, as expected from that data sheet.

Bit like this guys test.





So Plan B options?

Stick with the cells in parallel & use one of those mobile battery bank modules;
5V or so in & 5V out, then the reg.




Or thake a completely different route & go with the batteries in series.
Main issue with that is the solar panels I have (on hand & slow boat) are all 5 & 6V.

Any other thought's on the overall solution? To just keep the 2V fan running 24/7.
Don't want to build a circuit, just plug a few modules together.

Phil.
 
Warpspeed
Guru

Joined: 09/08/2007
Location: Australia
Posts: 4406
Posted: 12:10pm 01 Sep 2017
Copy link to clipboard 
Print this post

Why not run two cells in series, then you have no problems with enough input volts to run the chip right down to minimum safe battery voltage.

Tweaking the output down to two volts should be straightforward.
I think you might find the efficiency will be a lot higher too.
Cheers,  Tony.
 
Phil23
Guru

Joined: 27/03/2016
Location: Australia
Posts: 1667
Posted: 12:52pm 01 Sep 2017
Copy link to clipboard 
Print this post

Only issue right now with going Series is the need to get different modules & solar panels on the slow boat from China.

That's why I thought the Power bank module might be a suitable solution.
Designed with the 18650's ikn mind & with a 5v input/output.

Totally convinced AusPost is now "Caching" deliveries to regional areas.

I've always recorded ebay & Ali purchases in an Excel sheet and could usually roughly predict delivery times.

Now weeks go by where you receive nothing, then it all turns up in one hit.

Phil
 
Grogster

Admin Group

Joined: 31/12/2012
Location: New Zealand
Posts: 9936
Posted: 12:56pm 01 Sep 2017
Copy link to clipboard 
Print this post

@ Phil23 - That link to the test of those modules is excellent. Very comprehensive testing of those modules. I use lots of those modules, so that data is very, very useful for me. I have bookmarked that page for future reference. Thanks for posting that link.
Smoke makes things work. When the smoke gets out, it stops!
 
Madness

Guru

Joined: 08/10/2011
Location: Australia
Posts: 2498
Posted: 01:19pm 01 Sep 2017
Copy link to clipboard 
Print this post

  Phil23 said   Only issue right now with going Series is the need to get different modules & solar panels on the slow boat from China.

That's why I thought the Power bank module might be a suitable solution.
Designed with the 18650's ikn mind & with a 5v input/output.

Totally convinced AusPost is now "Caching" deliveries to regional areas.

I've always recorded ebay & Ali purchases in an Excel sheet and could usually roughly predict delivery times.

Now weeks go by where you receive nothing, then it all turns up in one hit.

Phil


I have suspected the same, I have been waiting on stuff, nothing for a week and half then 11 turn up yesterday. Australia post must be cutting costs to pay their CEOs
There are only 10 types of people in the world: those who understand binary, and those who don't.
 
Phil23
Guru

Joined: 27/03/2016
Location: Australia
Posts: 1667
Posted: 01:44pm 01 Sep 2017
Copy link to clipboard 
Print this post

AusPost is getting beyond a Joke.

Sht, the other day I went to do a track & trace & had to look twice to find the link.

Home page covered with Darrell Lea Chocolates.....
 
Warpspeed
Guru

Joined: 09/08/2007
Location: Australia
Posts: 4406
Posted: 02:37pm 01 Sep 2017
Copy link to clipboard 
Print this post

I bet Australia post have lost an awful lot of business due to the internet.

People are sending e-mails and paying bills through pay pal and direct electronic funds transfers. Nobody mails a cheque these days. About the only thing that might have helped Australia post volume might be the vast volume of small items sold on E-Bay.

The only reason for most people to mail things these days, is to send a package.
And even that is getting a lot of competition from the courier services.

So Australia Post have this huge expensive infrastructure and very likely a falling volume of ordinary mail. I can see that deliveries to regional areas may not be as good or as frequent as they once were. And its not very likely to improve.
Cheers,  Tony.
 
Phil23
Guru

Joined: 27/03/2016
Location: Australia
Posts: 1667
Posted: 03:17pm 01 Sep 2017
Copy link to clipboard 
Print this post

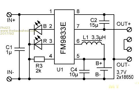
Just pulled a cheap "Juice Bank" charger apart.
2 x 18650's in parallel, little PCB with a FM9833E IC on it.


Notice the data pins shorted on the output. Triggers SOME devices to accept a 2A charge.





But only a Chinese datasheet.

Phil
 
Phil23
Guru

Joined: 27/03/2016
Location: Australia
Posts: 1667
Posted: 10:04pm 01 Sep 2017
Copy link to clipboard 
Print this post

  Grogster said   @ Phil23 - That link to the test of those modules is excellent. Very comprehensive testing of those modules. I use lots of those modules.


What I'm trying to find is some modules more fitting with 18650's & the 3.6V Nom voltage.

Looking at TI's data, there are plenty of IC's purpose built, but finding a module that uses them is hard.

The Battery pack I popped open, with the 2 cells & the FM9833E is the closest I've seen.

What I planned to with that pack was run an E-100; which it will....
But I planned on adding a wireless charge receiver to it's input, so the unit could just be put back on a "Base" for recharging etc.

Portable E100 sort of thing. That Both charged & kept running when sat on the charger base.

Problem is though, that, that chip disconnects the 5v output when it sees 5V in.
I wanted something like some of my other power banks that maintain their outputs while being charged.

Phil.Edited by Phil23 2017-09-03
 
noneyabussiness
Guru

Joined: 31/07/2017
Location: Australia
Posts: 527
Posted: 11:17pm 01 Sep 2017
Copy link to clipboard 
Print this post

  Phil23 said   AusPost is getting beyond a Joke.

Sht, the other day I went to do a track & trace & had to look twice to find the link.

Home page covered with Darrell Lea Chocolates.....


Up here it sucks, ive waited 9 days for something from Brisbane, takes 3 - 4 days for express post from anywhere. .. and anything overseas take MINIMUM 2 weeks... even the "express" stuff. ..

But as long as there CEO gets his new BWM ..
I think it works !!
 
     Page 1 of 2    
Print this page
The Back Shed's forum code is written, and hosted, in Australia.
© JAQ Software 2026