Home
JAQForum Ver 24.01
Log In or Join  
Active Topics
Local Time 11:35 24 Apr 2026 Privacy Policy
Jump to

Notice. New forum software under development. It's going to miss a few functions and look a bit ugly for a while, but I'm working on it full time now as the old forum was too unstable. Couple days, all good. If you notice any issues, please contact me.

Forum Index : Electronics : Simple Solar Regulator

Author Message
OA47

Guru

Joined: 11/04/2012
Location: Australia
Posts: 1048
Posted: 01:08am 10 Apr 2016
Copy link to clipboard 
Print this post

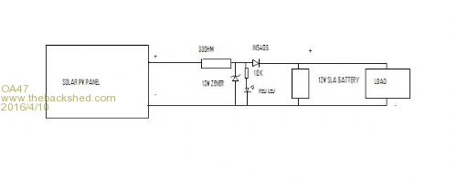
I recently required a simple solar regulator for a low power project and thought a zener circuit may do the job. Here is the circuit I used:




To my surprise the LED is always lit, even in total darkness. Can anyone explain why?

GM
 
oztules

Guru

Joined: 26/07/2007
Location: Australia
Posts: 1686
Posted: 02:57am 10 Apr 2016
Copy link to clipboard 
Print this post

Interesting

...........oztulesEdited by oztules 2016-04-11
Village idiot...or... just another hack out of his depth
 
sparksandsmoke

Newbie

Joined: 14/05/2015
Location: Ireland
Posts: 12
Posted: 10:26am 10 Apr 2016
Copy link to clipboard 
Print this post

As oztules says, interesting!

I see two possibilities. The first (least likely) is that the protection diode between the 300 Ohm res and the SLAB is leaking. The second (and the only plausible) source of voltage is the PV panel. Even in complete darkness the panel will be acting as an antenna for local fields, and it's a string of PN junctions (diodes) after all.

You haven't told us which type of LED, but a standard 5mm red LED will turn on at about 1.8V and many will illuminate at 2 or 3 mA (not at full brightness, of course), easily achievable from a PV panel in a moderately noisy area. Short out the PV panel when it's in darkness - if the LED goes out I claim my prize.
 
Print this page


To reply to this topic, you need to log in.

The Back Shed's forum code is written, and hosted, in Australia.
© JAQ Software 2026