Home
JAQForum Ver 24.01
Log In or Join  
Active Topics
Local Time 11:35 24 Apr 2026 Privacy Policy
Jump to

Notice. New forum software under development. It's going to miss a few functions and look a bit ugly for a while, but I'm working on it full time now as the old forum was too unstable. Couple days, all good. If you notice any issues, please contact me.

Forum Index : Electronics : Will this work

Author Message
lew247

Guru

Joined: 23/12/2015
Location: United Kingdom
Posts: 1709
Posted: 11:12pm 13 Mar 2016
Copy link to clipboard 
Print this post



I want to power the unit from where it says power which will be 5V
but
#I want to use 4.5V battery backup which will only supply power when the 5v supply is missing
 
isochronic
Guru

Joined: 21/01/2012
Location: Australia
Posts: 689
Posted: 11:30pm 13 Mar 2016
Copy link to clipboard 
Print this post

I would put D2 so it feeds to C4 otherwise the battery source will have two voltage drops, also use schottky diodes and a low drop out regulator if they are not already
 
lew247

Guru

Joined: 23/12/2015
Location: United Kingdom
Posts: 1709
Posted: 11:42pm 13 Mar 2016
Copy link to clipboard 
Print this post

How about this one?

The diodes are schottky 0.3VF and the battery backup can be 2 X AA 1.5V cells in series (3V)

Hopefully the way I have it the battery backup won't do a thing until the main power input gets disconnected then the 3v should takeover immediately without powering down the pic chip

 
Downwind

Guru

Joined: 09/09/2009
Location: Australia
Posts: 2333
Posted: 01:08am 14 Mar 2016
Copy link to clipboard 
Print this post

The last circuit works much better for me than the first circuit.
Sometimes it just works
 
lew247

Guru

Joined: 23/12/2015
Location: United Kingdom
Posts: 1709
Posted: 05:03am 14 Mar 2016
Copy link to clipboard 
Print this post

Thanks Downwind
 
Pete Locke
Senior Member

Joined: 26/06/2013
Location: New Zealand
Posts: 182
Posted: 08:12pm 14 Mar 2016
Copy link to clipboard 
Print this post

The issue you will have with the second circuit is back feeding through the regulator. Simple test. Put your multimeter on diode test and measure from the output of the regulator to ground and see if you get any numbers. It should read voltage drop (depending on the meter) so would be another path for the backup battery to go. Don't know what reg' chip you are using (most have protection diodes to take back feed away from the internal clever bits), but if it's adjustable, put the diode in the output side and tweak the volts up a bit to cover the drop across the diode, and the back up battery diode past that. So the two cathodes are joined at the output of the regulator. Hope that makes sense.
Cheers
Pete'.
 
Pete Locke
Senior Member

Joined: 26/06/2013
Location: New Zealand
Posts: 182
Posted: 08:30pm 14 Mar 2016
Copy link to clipboard 
Print this post

Also, there is a wee trick from the old days to allow for the forward series drop on the output. Hope this gives you the idea....


 
isochronic
Guru

Joined: 21/01/2012
Location: Australia
Posts: 689
Posted: 08:59pm 14 Mar 2016
Copy link to clipboard 
Print this post

I thought the circuit was to supply near 4 volts. Otherwise the two cell battery
will work but the dependable volts out even with working cells will be more like two and a bit , maybe that is ok.Edited by chronic 2016-03-16
 
lew247

Guru

Joined: 23/12/2015
Location: United Kingdom
Posts: 1709
Posted: 11:49pm 14 Mar 2016
Copy link to clipboard 
Print this post

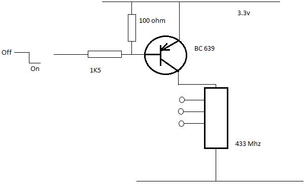
Thanks Everyone

2nd question - should this work? or would I need something like a TIP120

Base of the transistor is being driven by a pic chip

Edited by lew247 2016-03-16
 
Pete Locke
Senior Member

Joined: 26/06/2013
Location: New Zealand
Posts: 182
Posted: 11:52pm 14 Mar 2016
Copy link to clipboard 
Print this post

....You would do better to use a PNP for the supply switch.
 
lew247

Guru

Joined: 23/12/2015
Location: United Kingdom
Posts: 1709
Posted: 12:44am 15 Mar 2016
Copy link to clipboard 
Print this post

Why?
Can you show or give me an example circuit please?
 
Pete Locke
Senior Member

Joined: 26/06/2013
Location: New Zealand
Posts: 182
Posted: 06:43pm 15 Mar 2016
Copy link to clipboard 
Print this post

So you can get full saturation of the transistor. It's used as a switch here, not a linear device so 'full on' is asked for.


 
larny
Guru

Joined: 31/10/2011
Location: Australia
Posts: 349
Posted: 07:55pm 15 Mar 2016
Copy link to clipboard 
Print this post

This how I would do it.

I assume (I have not checked the data sheet)
that U2 is a low drop out Reg.




 
Print this page


To reply to this topic, you need to log in.

The Back Shed's forum code is written, and hosted, in Australia.
© JAQ Software 2026