Home
JAQForum Ver 24.01
Log In or Join  
Active Topics
Local Time 09:46 24 Apr 2026 Privacy Policy
Jump to

Notice. New forum software under development. It's going to miss a few functions and look a bit ugly for a while, but I'm working on it full time now as the old forum was too unstable. Couple days, all good. If you notice any issues, please contact me.

Forum Index : Electronics : fuse not blowing

Author Message
irishron40
Senior Member

Joined: 22/09/2014
Location: Ireland
Posts: 254
Posted: 06:46pm 09 Jun 2015
Copy link to clipboard 
Print this post

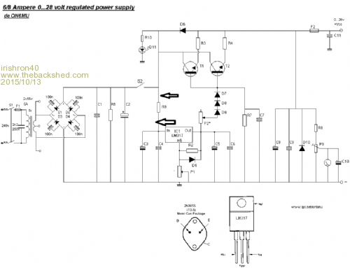
I have this circuit build

Its working fine but!!!!


for the second time by accident I shortend the positive and negative , but the fuse didnt blow.

Each time it blew a tip3055 and the replacement tip41c

it also blew the 5 k potentiometer.

the fuse is in the right place as shown in circuit

any suggestions please


ron
 
davef
Guru

Joined: 14/05/2006
Location: New Zealand
Posts: 499
Posted: 07:53pm 09 Jun 2015
Copy link to clipboard 
Print this post

Fuses are not fast enough to stop semiconductor devices from blowing up.

What have you set the current limit to? The current limit part of the circuit should provide protection against accidentally shorting the output.

Are you using a fast-blow fuse?
 
irishron40
Senior Member

Joined: 22/09/2014
Location: Ireland
Posts: 254
Posted: 09:42pm 09 Jun 2015
Copy link to clipboard 
Print this post

i have a 10amp red car fuse used, as that is the type of fuse holder i build in the casing.

i havent used the current limiting as Its not connected yet .

what size potentiometer should I use for the current limiting? I have a 10 k and a 50 k . but not sure if those vallues are ok.

thanks dave


ron
 
davef
Guru

Joined: 14/05/2006
Location: New Zealand
Posts: 499
Posted: 12:33am 10 Jun 2015
Copy link to clipboard 
Print this post

OK, car fuses are generally fast-blow.

You should start with the recommended value.

  Quote  3 Amps @ 47 Ohm
Try a fixed resistor if you can't get 1 Watt pots.

I have built many power supplies in the last 40 years, but it is not readily apparent how the current is limited in this circuit. I suspect it is limited by the gain of the 2N3055 transistors and the allowable base current controlled by P2.

Generally, one senses the current flowing to the output and use that as a feedback signal to control the series pass transistor.

Google <images current limited power supply> and look at this current limit example Edited by davef 2015-06-11
 
davef
Guru

Joined: 14/05/2006
Location: New Zealand
Posts: 499
Posted: 12:45am 10 Jun 2015
Copy link to clipboard 
Print this post

More complex, but a lot of good general power supply information.
here
 
irishron40
Senior Member

Joined: 22/09/2014
Location: Ireland
Posts: 254
Posted: 07:16pm 11 Jun 2015
Copy link to clipboard 
Print this post

thats great

thx dave



ron
 
irishron40
Senior Member

Joined: 22/09/2014
Location: Ireland
Posts: 254
Posted: 11:21am 18 Jun 2015
Copy link to clipboard 
Print this post





i didnt get that 47 ohm resistor yet

but there must be a way of having a totaly protected system.

this is what happened to my tip41 when i wrongly connected a 12 volt light bulb.it caused a big bang

again fuse stayed intact.would there be other end transistors that would be imune to blowing up
 
davef
Guru

Joined: 14/05/2006
Location: New Zealand
Posts: 499
Posted: 02:48pm 18 Jun 2015
Copy link to clipboard 
Print this post

A problem with incandescent bulbs, if that is what you are using, is that until they start glowing they look like a much lower resistance then you would calculate from the wattage.

Also, using a different transistor (TIP41 versus 2N3055) could result in different limit currents ... in that original circuit.

Yes, you can have a totally protected system with the correct implementation.

Again, fuses are NOT going to stop this from happening.
 
irishron40
Senior Member

Joined: 22/09/2014
Location: Ireland
Posts: 254
Posted: 08:21pm 18 Jun 2015
Copy link to clipboard 
Print this post

i wronly connected positive and neg to load.

but what is the point having this fuse in this circuit if it doesnt protect it.

I had a maplin power supply before (5a) and also NO limiter, and it never blew a transistor even when i had connected wire wrongly.

  Quote  Yes, you can have a totally protected system with the correct implementation.


could you explane how?

thanks dave



ron

 
davef
Guru

Joined: 14/05/2006
Location: New Zealand
Posts: 499
Posted: 10:15pm 18 Jun 2015
Copy link to clipboard 
Print this post

  Quote  i wronly connected positive and neg to load.

To an incandescent light? I don't understand how it would make any difference how you connected that to your power supply.

  Quote  but what is the point having this fuse in this circuit if it doesnt protect it.

I cautiously suggest that maybe the circuit design is not "bulletproof". Also, as I suggested earlier you need a circuit that incorporates feedback. IE a properly designed current limiting circuit.

  Quote  could you explane how?

One option is to buy a proper linear regulator IC hopefully that could drive external transistors for higher current capability. Try looking around the ti.com website and find their design tool (workbench?)

There are other forums where you are more likely to get help for this topic, ie here

Or, try to get recommendations for discrete circuit designs that are known to work.



 
Downwind

Guru

Joined: 09/09/2009
Location: Australia
Posts: 2333
Posted: 04:38am 19 Jun 2015
Copy link to clipboard 
Print this post

I had suggested you build a different circuit earlier in this thread simply because of this problem.

you are better off building a circuit with current limiting, that way you will not blow up the circuit every time you make a mistake.

It would seem you are hell bent on making a poor grade power supply that self destructs on the slightest human error.

The design i suggested prior allows for the output to be shorted together and not blow the circuit due to current limiting within the circuit design.

I think we all have done the simple design in the past, and like yourself killed the circuit many times before we realize it's better to do a circuit that is idiot proof to simple mistakes.

You can keep flogging a problematic horse if you like, but what you are seeing will always be a problem.

Pete.
Sometimes it just works
 
irishron40
Senior Member

Joined: 22/09/2014
Location: Ireland
Posts: 254
Posted: 05:52am 19 Jun 2015
Copy link to clipboard 
Print this post

ok Pete. i had a look back to the one you suggested .

it seems simple enough to build and far less components that the one I build,

love to see photo of your finnished product.

regards.

ron



thx

ronEdited by irishron40 2015-06-20
 
irishron40
Senior Member

Joined: 22/09/2014
Location: Ireland
Posts: 254
Posted: 04:08am 11 Oct 2015
Copy link to clipboard 
Print this post

Hi. My power supply stopped working
And I am lost. I have power going in untill R9 resistor.and maybe only a volt orso going to lm317. Resistor is changed and I checked all caps for a short.any help appreciated.
 
Pete Locke
Senior Member

Joined: 26/06/2013
Location: New Zealand
Posts: 182
Posted: 09:05pm 11 Oct 2015
Copy link to clipboard 
Print this post

Simple test. Lift one side of R9. If you have built the circuit per the original post, the LED should light up. Measure the resistance of R9. Better yet, with the regulator side of the resistor lifted (de soldered) from the circuit, what voltage do you get. Given the symptoms you describe, the regulator is dead. Also, just looking at the circuit, with a short circuit presented to the output, the LM317 is going to try straight away to raise the base/emitter voltage (current actually, but that's getting above what needs looking at here) to bring the output voltage back up. This will exceed the 2N3055 (TIP42) b/e limits VERY quickly and out comes the smoke. Also if you are using an automotive fuse, they are actually a VERY slow blow fuse. That fuse should be placed at the output of the main smoothing capacitor. A fast blow fuse in the output side of things should be used. Might help. Boot-strapping a regulator chip, which is what has in essence been done with the circuit, is a perfectly good thing. Very good concept used in all sorts of applications. But the regulator is 'blind' to the output of the power supply, being shielded from view by the output transistor. It can only see the base of the output transistor. No problem, as long as there is fast output protection provided. An automotive fuse will not provide that. The circuit as shown is an adaptation of a well proven design when used with proper output protection, and within its protection limitations. If you are using it as a bench supply to power experiments, I would suggest that using something as simple as a correct wattage light in series with the output will save you a lot of component replacements. Good luck.
Cheers
Pete'.Edited by Pete Locke 2015-10-13
 
Grogster

Admin Group

Joined: 31/12/2012
Location: New Zealand
Posts: 9936
Posted: 09:21pm 11 Oct 2015
Copy link to clipboard 
Print this post

  irishron40 said  but what is the point having this fuse in this circuit if it doesnt protect it.


A very common question.

Fuses protect wiring, more then anything else. They are there to blow and prevent a short-circuit from cooking the wiring into a lovely smoking, melted mess. Also good for electrical-fire prevention!

In cars, this is especially true, as you can get several hundred amps out of a car battery, so the fuses are there mainly to prevent a fault from melting the wiring loom, which is car-strip-down time.

It was the same in houses of old, when you had fuse carriers before circuit-breakers came into the mix.

A fuse - even a fast-blo one - will happily carry two to three times it's rated current for a short time. While this may only be a few seconds, in that time, a 10A fuse could pass 20 or 30 amps for a short period before it blows. In that time, much damage can be done a a semiconductor device, as you have found out.

Lets say you have a 10A fuse, but a semi which, due to a fault, is sucking 50A. Within a fraction of a second, the semi will blow itself to bits, but the fuse will still be intact, as it has not had the large load on it long enough to melt the wire.

As other members have been saying, you need a current-limited PSU. They are not that hard to come by depending on your load requirements. Pretty much a "Must-have" thing for any PSU capable of more then a couple of amps.

As my brother told me when I was younger and wanted him to bring home an old 10A tranny from work(he's a sparkie): "10-amps is a lot of current. Make big explosion."

You can get some quite affordable PSU modules etc from eBay - how much current do you need to pass?

EDIT: These PSU modules are quite affordable, good for 7-10A, are buck/boost(so can step up a 12v input to 32v max), and fully overload protected. They are a nice little module, and work very well.

A video of a guy using one of these to build a current-limited PSU.


Edited by Grogster 2015-10-13
Smoke makes things work. When the smoke gets out, it stops!
 
Tinker

Guru

Joined: 07/11/2007
Location: Australia
Posts: 1904
Posted: 02:15am 12 Oct 2015
Copy link to clipboard 
Print this post

Thanks for that info Grogster, I ordered one. Perhaps it might get me some output from that too slow turning VAWT that's ornamenting my place.

I did enjoy that 'jinglish' of the sellers, quite entertaining but not much good for better business on e-bay.
Klaus
 
Grogster

Admin Group

Joined: 31/12/2012
Location: New Zealand
Posts: 9936
Posted: 02:17pm 12 Oct 2015
Copy link to clipboard 
Print this post

The 'Great Scott' videos are great. He builds lots of electronic stuff, and you can follow along and build one yourself.

It was that video that got me interested in those PSU modules, and they seem extremely good, being buck/boost(so a 12v input voltage can be adjusted between 0.8v and 30v or so), and full current limiting which the bit you really need the most.

Please let us know how you get on.
Smoke makes things work. When the smoke gets out, it stops!
 
irishron40
Senior Member

Joined: 22/09/2014
Location: Ireland
Posts: 254
Posted: 10:51am 13 Oct 2015
Copy link to clipboard 
Print this post



before the R9 resistor i havefull input voltage, after the r9 only 0,8 volt.

i removed the r9 resistor and it tested ok, but replaced it anyway with a new one with same vallue.

I also eliminated the the 2N3055 transistor from the board , but just dont get it why I suddenly only get 0.8volt going to lm317. I also removed this transistor and tested perfect .again to be 100% sure I replaced this lm317 also with a new one.

it was working before with this setup.


cheers ron
 
irishron40
Senior Member

Joined: 22/09/2014
Location: Ireland
Posts: 254
Posted: 12:24pm 13 Oct 2015
Copy link to clipboard 
Print this post

problem solved/ the r9 had blown and i replaced it, but for some silly reason I made the mistake to replace the 47 ohm one with a 47 k. the reason it blown is that i was drawing to much current and its only a 1.4 watt one insted of a 0.5 watt one

i have stuff ordered to make the one power supply pete had suggested a while back.

thx all.

ron
 
Print this page


To reply to this topic, you need to log in.

The Back Shed's forum code is written, and hosted, in Australia.
© JAQ Software 2026