Home
JAQForum Ver 24.01
Log In or Join  
Active Topics
Local Time 08:02 24 Apr 2026 Privacy Policy
Jump to

Notice. New forum software under development. It's going to miss a few functions and look a bit ugly for a while, but I'm working on it full time now as the old forum was too unstable. Couple days, all good. If you notice any issues, please contact me.

Forum Index : Electronics : power supply

     Page 1 of 2    
Author Message
irishron40
Senior Member

Joined: 22/09/2014
Location: Ireland
Posts: 254
Posted: 03:00pm 03 May 2015
Copy link to clipboard 
Print this post

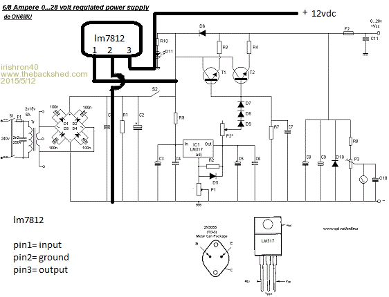
hi I am buil;ding a power supply from this diagram

http://electronics-diy.com/power-supply-lm317-2n3055-0-28v-6-8a.php


can I change the lm317 for a lm338 and what would be the approx amps in conjuction with two tip3055 transistors?

and C10 is a 1uF/16v. would it be ok to use a 1uF/50v?

i have 2 TIP3055 transistors, I believe they are the same as the 2n3055.

thank
ron

 
Pete Locke
Senior Member

Joined: 26/06/2013
Location: New Zealand
Posts: 182
Posted: 08:56pm 03 May 2015
Copy link to clipboard 
Print this post

Pretty much, yes. The 338 is a 5amp reg, the 317 is only 1.5amp. Seems a wast of the extra power available from the 338 but would be fine. The TIP3055 is the same spec wise as the 2N3055, just a different case. No problem using a 50v cap in place of a 16v one. Good luck with the project.
Cheers
Pete'.
 
irishron40
Senior Member

Joined: 22/09/2014
Location: Ireland
Posts: 254
Posted: 11:41pm 03 May 2015
Copy link to clipboard 
Print this post

thx pete. would that 338 combined with 2 tip3055 give me about 15 amp?


thx

ronEdited by irishron40 2015-05-05
 
Pete Locke
Senior Member

Joined: 26/06/2013
Location: New Zealand
Posts: 182
Posted: 11:20pm 04 May 2015
Copy link to clipboard 
Print this post

Easily. As long as the supply (transformer and rectifiers) are up to the task. The 338 is wrapped up in cotton wool with all the power being handled by the 3055's. 15amps being shared by two transistors each capable of taking the load on their own is always a good thing. Only make sure the heat sink is up to the task. Bigger is better :-). Should go well. Good luck.
Cheers
Pete'.Edited by Pete Locke 2015-05-06
 
irishron40
Senior Member

Joined: 22/09/2014
Location: Ireland
Posts: 254
Posted: 09:54am 05 May 2015
Copy link to clipboard 
Print this post

thx pete. appreciate your comment. I am just starting of with electronics, but love it.

Transformer is from microwave that i wired with 27 amp cable.

the heatsink is about 7 x 10 cm and has the two 3055`s and the rectifier.

lm338 is on a separate small heatsink. I also have a little fan which i will connect up to allow enough cooling.

just wonder as i dont have all those types of diodes would it be ok to use all n4007 diodes?

thx again.

ron
 
Pete Locke
Senior Member

Joined: 26/06/2013
Location: New Zealand
Posts: 182
Posted: 12:41am 06 May 2015
Copy link to clipboard 
Print this post

No and NO!...... A microwave transformer has a primary winding designed for ...at best... a 50% duty cycle. That simply means that given a turn on period of 30 seconds on, then 30 seconds off. If you run them at 100% duty (always on) then somewhere down the track the smoke will come out. Microwave oven transformers are a great platform to make spot welders out of. Short duty requirements of lots of horse power. Not a good transformer to use for your project, even though it might be good for re winding practice.
The 1N4007 diodes are only good for 1amp. If you want horse power for your power supply, start with a transformer designed for 100% duty cycle. Back in the day I used to get transformers form old valve black and white Tv's. Hard to find now :-)
Do a Google search for 50amp bridge rectifiers. It will take you to something that will give you a suitable component.
That covers the front end of the power supply. The back end (regulator) looks good, although old school. You have an analogue regulator that spills wasted energy as heat.
I'm not sure what you are looking for in a power supply or what you want to do with it. Analogue regulators are a great place to start in the learning curve (The curve can be VERY steep :-) with this field. Later you will discover 'BUCK' regulation and eventually switch mode or self oscillating supply's. But go for gold with what you have on hand. If time is not a problem, then re wind that microwave transformer and prove me wrong with the smoke part. Get stuck in and LEARN while you're in the shed in the weekend. Let the smoke out of a few things discovering the wonderful world of Voodoo electrickery. We've all been there in varying degrees. It's the best way to learn
 
Downwind

Guru

Joined: 09/09/2009
Location: Australia
Posts: 2333
Posted: 02:02am 06 May 2015
Copy link to clipboard 
Print this post

  Quote  then re wind that microwave transformer and prove me wrong with the smoke part.


I have rewired many and used them as battery charges running for long periods and they still retain the smoke within them after years of use, most of mine run at around 20 amp as chargers, although i do run old computer fan on them to keep the heat down for long run times.

They are a rather lossy transformer when rewound and thats fine for things like battery chargers.

Pete.
Sometimes it just works
 
irishron40
Senior Member

Joined: 22/09/2014
Location: Ireland
Posts: 254
Posted: 05:51am 06 May 2015
Copy link to clipboard 
Print this post

thank you both for your replys

I am taking all parts out of old radios, TV's and other stuff. keeps me busy and I learn from it. today I managed to successfully find fault in an old computer power supply.

it was the 400volt capacitor that wasn't holding charge at all.

did test it with capacitance meter and that was fine, but when putting in a little charge with 9 volt battery that charge disappeared withing an few seconds.

after seeing that I DID NOTICE IT WAS SLIGHTLY BULGED ON TOP, WHICH I should have noticed first, Buy hey. its a great way to learn. I did rewind a microwave transformer , and had a little buzzing sound. I poured varnish over the secondary, and next day No buzzing.

few questions please.

1) The heatsink is about 7 x 10 cm and has the two 3055`s and the rectifier.

lm338 is on a separate small heatsink , and a computer fan will cool everything down.

are size heatsink ok?


2) is it ok to use a resistor that has a higher wattage rating?

3)what do you mean by ( They are a rather lossy transformer when rewound ) pete.



thx

ron
 
irishron40
Senior Member

Joined: 22/09/2014
Location: Ireland
Posts: 254
Posted: 07:12pm 06 May 2015
Copy link to clipboard 
Print this post

i fould an other transformer.

its from an old car battery charger

It measured 12 vdc at the rectifier

my rewind transformer from microwave measures 17.2 vdc at rectifier


will this be the max voltage I can get? or would it go up after i connected my veroboard with capacitors?

I did notice that when i connect a window wiper motor rated 12v 2.5 amp that the voltage when from 17.2 to 21 volts. that is what made me think would voltage go up after the veroboard with capacitors and transistors

thanks

ron
 
irishron40
Senior Member

Joined: 22/09/2014
Location: Ireland
Posts: 254
Posted: 03:12pm 11 May 2015
Copy link to clipboard 
Print this post

just finished building my casing and fitted all switches , fuse holders and meters.just have still to fit the output connectors

I just wonder, I like a constant separate 12volt supply



could i connect a lm7812 the way I have drawing it ?

thx. ron



Edited by irishron40 2015-05-13
 
Gizmo

Admin Group

Joined: 05/06/2004
Location: Australia
Posts: 5177
Posted: 04:40pm 11 May 2015
Copy link to clipboard 
Print this post

Yes, but dont forget to add some capacitors to its output. Voltage regulators need caps on both the input and output or they wont work correctly.

Glenn

The best time to plant a tree was twenty years ago, the second best time is right now.
JAQ
 
irishron40
Senior Member

Joined: 22/09/2014
Location: Ireland
Posts: 254
Posted: 07:27pm 11 May 2015
Copy link to clipboard 
Print this post

what type of uf caps would i need for output. or is that not important glenn?


thx

ron
 
Gizmo

Admin Group

Joined: 05/06/2004
Location: Australia
Posts: 5177
Posted: 08:48pm 11 May 2015
Copy link to clipboard 
Print this post

I would use a 10uF 25v electrolytic, plus a 0.1uF greencap.
The best time to plant a tree was twenty years ago, the second best time is right now.
JAQ
 
irishron40
Senior Member

Joined: 22/09/2014
Location: Ireland
Posts: 254
Posted: 10:06pm 11 May 2015
Copy link to clipboard 
Print this post

ok thanks glenn. I will use those.


ron
 
irishron40
Senior Member

Joined: 22/09/2014
Location: Ireland
Posts: 254
Posted: 10:45pm 11 May 2015
Copy link to clipboard 
Print this post

just thinking glenn, am I not right in thinking that I should try and keep capacitor voltage rating as close as possible to the output, so would a 16v not be better then a 25v? forgive me for questioning your expertice, but I was just thinking as the 7812 wont give out more then 12v .

ron
 
Downwind

Guru

Joined: 09/09/2009
Location: Australia
Posts: 2333
Posted: 04:10am 12 May 2015
Copy link to clipboard 
Print this post

A capacitor voltage rating higher than the output voltage of the 7812 will make no difference to operation of the capacitor, in actual fact its better to have a higher voltage rated cap, the only down side is they are normally larger in size and cost a fraction more.

The voltage of a cap is not important as long as it is rated higher than the working voltage, it is the uF rating of the cap that is the important part.

Pete.
Sometimes it just works
 
Gizmo

Admin Group

Joined: 05/06/2004
Location: Australia
Posts: 5177
Posted: 02:16pm 12 May 2015
Copy link to clipboard 
Print this post

Yeah Pete's spot on, you can use a cap rated at any voltage higher than its likely to see. The cost and size of the cap will increase along with its rated voltage.

For 12v circuits I generally use 16v caps, but in your case, its a power supply and there are unknowns. If you were to accidentally connect a 24v battery to its output, or the output was introducing spikes, then a 25v cap give a better safety margin.

If a cap experiences reverse or higher voltages, it can go pop and make a mess with bits of paper and aluminium going everywhere, its a bugger to clean up.
The best time to plant a tree was twenty years ago, the second best time is right now.
JAQ
 
irishron40
Senior Member

Joined: 22/09/2014
Location: Ireland
Posts: 254
Posted: 02:33pm 12 May 2015
Copy link to clipboard 
Print this post

so if i need a 330uf cap. i could use a 400volt one?


also i wonder. i was looking for 47nf caps and found green ones and red ones. is the only differents in those temp ratings? or manufacturer?

they only shows uf and nothing else

im am learning every day . lol

thx

ron
 
Gizmo

Admin Group

Joined: 05/06/2004
Location: Australia
Posts: 5177
Posted: 03:45pm 12 May 2015
Copy link to clipboard 
Print this post

Dont confuse uF and volts, very different things.

A 10uF 16v cap has a capacitance of 10 uF, or 0.000001 farads. The volts is the max continuous voltage that cap will work at. A 10uF 25v cap is still a 10uF cap.
The best time to plant a tree was twenty years ago, the second best time is right now.
JAQ
 
Downwind

Guru

Joined: 09/09/2009
Location: Australia
Posts: 2333
Posted: 11:18pm 12 May 2015
Copy link to clipboard 
Print this post

If i remember correctly the green caps are rated to 100v and the red ones to 400v, but in your case you could use almost any cap with a 47nF rating as almost all caps of that size have a voltage rating of 50v or above.
I like monolithic caps or polyester caps as they are small with good leg spacings, but green caps work just as well.

Pete.
Sometimes it just works
 
     Page 1 of 2    
Print this page
The Back Shed's forum code is written, and hosted, in Australia.
© JAQ Software 2026