Home
JAQForum Ver 24.01
Log In or Join  
Active Topics
Local Time 08:04 24 Apr 2026 Privacy Policy
Jump to

Notice. New forum software under development. It's going to miss a few functions and look a bit ugly for a while, but I'm working on it full time now as the old forum was too unstable. Couple days, all good. If you notice any issues, please contact me.

Forum Index : Electronics : repeat cycle timer

Author Message
yahoo2

Guru

Joined: 05/04/2011
Location: Australia
Posts: 1166
Posted: 05:21pm 19 Apr 2015
Copy link to clipboard 
Print this post

I am looking to drive a facet solid state fuel pump at zero pressure and maybe 5% of its maximum flow.



the solution I have come up with is a repeat cycle timer something like this one from bellevue




this will give me a time down to 0.2 seconds and up to 45 seconds for both T1 and T2.
I am using it to squirt pulses of fuel into a combustion chamber to run a furnace and perhaps a heater in the future.

Eventually I would like to adjust the off time (or both on and off time) with some output from a thermocouple or temperature controller. I am just wondering if that is possible?
I have trawled through most of the circuit schematics I can find and I haven't come across anything that will adjust a pulsed cycle.
I'm confused, no wait... maybe I'm not...
 
BobD

Guru

Joined: 07/12/2011
Location: Australia
Posts: 935
Posted: 08:17pm 19 Apr 2015
Copy link to clipboard 
Print this post

That repeat cycle timer looks like it is adjustable only by the screw settings. If that's the case then it doesn't give you much capability of modifying the cycle based on external sensing.

Rather than start off with one of those, I would set it up with a microprocessor driving a solid state relay. A Maximite has the capability to provide variable duty cycle pulsed outputs. These could be varied or shut off depending on time of day, temperature sensed, or your mother in law visiting for the day (turn the heat up).

Here is a solid state relay from Jaycar. I am sure that they can be had from fleabay and other suppliers.

I suggested a Maximite because it is easier to update the firmware. A Micromite needs some extra equipment for firmware updating but overall it could be a cheaper solution. Any interest in this idea?

 
Downwind

Guru

Joined: 09/09/2009
Location: Australia
Posts: 2333
Posted: 03:14am 20 Apr 2015
Copy link to clipboard 
Print this post

If you have never used a micro processor i would suggest using a Picaxe chip as they are simple and well supported here and on other forums, a maximite or Micromite is just over kill for this application.

Just because the Maxi/Micro is the latest flavor micro chip on the forum dont mean its the best choice for a micro chip beginner and a simple project.

I would suggest using PWM to drive the pump as its a simple control with a picaxe, or even Pulsout as it can be a simple solution, or many other ways to code the required result.


Pete.Edited by Downwind 2015-04-21
Sometimes it just works
 
yahoo2

Guru

Joined: 05/04/2011
Location: Australia
Posts: 1166
Posted: 03:34am 20 Apr 2015
Copy link to clipboard 
Print this post

Thanks BobD, yes the cycle timer is adjusted with two trimpots, I am only looking at using this for prototyping the control system and fully manual operation.

Maximite could be a good solution, I have not tackled writing any code for one yet so it might be a tuff introduction.

the other two ideas I had are a bit different,

the first was to install two of these cycle timers and set one to a "run" setting and the other to an "idle" and use a PID controller to switch between the two.

the other idea was to use a stepper motor with a reduction drive and a gear pump to give me the metered doses I am looking for.
I'm confused, no wait... maybe I'm not...
 
yahoo2

Guru

Joined: 05/04/2011
Location: Australia
Posts: 1166
Posted: 03:50am 20 Apr 2015
Copy link to clipboard 
Print this post

Hi Pete,

I have tried PWM and I struggle to get a pump to flow reliably at really low flow rates. not sure if it is the thickness of the oil or no pressure or running the pump to slow!!! anyway it has beaten me on that path so I am trying a different tack.

if I try the gear pump I will give a motor speed control kit a try perhaps, im pretty sure that will work.
I'm confused, no wait... maybe I'm not...
 
BobD

Guru

Joined: 07/12/2011
Location: Australia
Posts: 935
Posted: 11:53am 20 Apr 2015
Copy link to clipboard 
Print this post

Don't know specifically about your Facet fuel pump but they are generally used to pump fuel with low viscosity, high pressure, and a constant flow rate. They bleed the surplus fuel not used by the injectors, back to the fuel tank via a constant pressure valve. Pumps of this type may not work too well at low pressures and higher viscosities (speculative thoughts).

A geared oil pump could do the job. I would use a bleed, back to the tank, downstream of the pump just to keep a bit of oil flowing through the pump and then use an injector solenoid, under microprocessor control, to feed the furnace.
 
Warpspeed
Guru

Joined: 09/08/2007
Location: Australia
Posts: 4406
Posted: 07:22pm 20 Apr 2015
Copy link to clipboard 
Print this post

I would be using a peristalic pump for this.
These come in a very wide flow range, and if driven from a dc motor are readily adjustable for speed and flow.

http://en.wikipedia.org/wiki/Peristaltic_pump

Check out e-bay, but select "lowest cost first" as some are very expensive, and others are below twenty dollars brand new.

They are commonly used in medical and laboratory applications, and very small ones for chemical dosing in industrial applications.

It would not be too difficult to make one yourself from a dc hobby motor and appropriate gearbox. They can provide massive pressure at very low flow, and a big one running fast can pump a surprising volume.

By fitting various bore flexible silicon rubber tubing to it, you can alter the flow range, and of course speed (with a gearbox) could be one rev every 24 hours if that is what you want, up to several hundred rpm.
A very flexible and reliable pump.


Edited by Warpspeed 2015-04-22
Cheers,  Tony.
 
Downwind

Guru

Joined: 09/09/2009
Location: Australia
Posts: 2333
Posted: 02:52am 21 Apr 2015
Copy link to clipboard 
Print this post

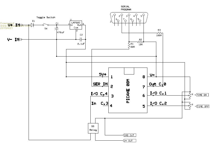
For example to how simple it is to create a short on time for the pump followed by a longer off time using a 8 pin picaxe chip.

This would use 2 x 10K pots configured as voltage dividers to adjust the times, one for "on time" of between 0-1024 milliseconds (up to 17 seconds) and another pot to adjust the "off time" in seconds from 0-1024 seconds.

With a solid state relay to do the switching for the pump on/off.

The basic code required would be something like this.


#picaxe 08m2

symbol time_on = w0
symbol Time_off = w1

symbol adc_on = C,1
symbol adc_off = C.2

symbol SS_Relay = C.4


Main:

readadc10 adc_on, time_on

readadc10 adc_off, time_off


high SS_Relay
pause time_on
low SS_Relay
wait time_off

goto main


This would run the pump for what time frame was set for time on and then wait the set time off period before repeating the time on function again.

All for about $10.00 in parts.

Edit... To add schematic





Pete.Edited by Downwind 2015-04-22
Sometimes it just works
 
yahoo2

Guru

Joined: 05/04/2011
Location: Australia
Posts: 1166
Posted: 11:59am 22 Apr 2015
Copy link to clipboard 
Print this post

Thanks everyone,
I will have a close look at what you have posted and a think about it tonight. I have been away on a solar install for a couple of days (beyond the interweb). Few things to catch up on at home before I can pull the workboots off and spend some time in front of the computer.
I'm confused, no wait... maybe I'm not...
 
Print this page


To reply to this topic, you need to log in.

The Back Shed's forum code is written, and hosted, in Australia.
© JAQ Software 2026