Home
JAQForum Ver 24.01
Log In or Join  
Active Topics
Local Time 04:36 24 Apr 2026 Privacy Policy
Jump to

Notice. New forum software under development. It's going to miss a few functions and look a bit ugly for a while, but I'm working on it full time now as the old forum was too unstable. Couple days, all good. If you notice any issues, please contact me.

Forum Index : Electronics : Back-to-back SCRs - firing?

Author Message
domwild
Guru

Joined: 16/12/2005
Location: Australia
Posts: 873
Posted: 01:01pm 12 Jul 2014
Copy link to clipboard 
Print this post

The pool chlorinator as mentioned before has me intrigued! It contains the following bits:

One centre-tapped toroid with 8.8VAC coming out twice as measured against the centre tap. Those 8.8VAC are connected to two S2070W SCRs back-to-back, 4 SCRs in total.
S2070W:
The line from the centre tap goes thru a piece of "fencing wire" as resistor to the chlorination DC part and the second line goes out from the common four anodes, which is the heat sink.

70A max RMS, 45A AV, DC gate trigger VD=12VDC RL=60 Ohm, 5-50 mA, DC gate trigger voltage 2.0 V max.

Both pairs of SCRs are mounted on a huge heat sink.

Rather than cutting the SCRs off and using two rectifiers after the toroid and then connecting them together as has been suggested as a cheap high-Amp battery charger I am just wondering how difficult it would be for me (an ignoramus) to fire the four gates via optos and a Picaxe and how??

Or am I going to run into for me insurmountable problems of firing angles? Which would perhaps mean the Picaxe can only fire at the four gates at particular times??


Taxation as a means of achieving prosperity is like a man standing inside a bucket trying to lift himself up.

Winston Churchill
 
Downwind

Guru

Joined: 09/09/2009
Location: Australia
Posts: 2333
Posted: 04:59pm 12 Jul 2014
Copy link to clipboard 
Print this post

I would have thought 2 SCR's back to back would make up a Triac, being an AC switching device, so im unsure what it is you want to use the 2 x SCR's for.

If you want to use them as a triac than you could use a opto coupled triac driver like the 3021.
There is other drivers also (i forget what is what now) some with zero crossing built in and some without.

My thoughts would be you will still need a rectifier after the SCR's when used in a back to back configuration.

Perhaps make a drawing of how the SCR's are wired back to back so we have a better understanding, as it could be they make up a bridge and not a triac as you have suggested with back to back.

Pete.
Sometimes it just works
 
domwild
Guru

Joined: 16/12/2005
Location: Australia
Posts: 873
Posted: 06:59pm 12 Jul 2014
Copy link to clipboard 
Print this post

Pete,

Thanks for that. My idea is to use these two pairs of SCRs and the toroid as a higher Amp battery charger, hopefully more than my 10A existing one and the Picaxe will drive the gate, perhaps even allowing desulphation. Definitely switching off once 14.7 or so volts are achieved.

I believe it is DC, which is used in a pool chlorinator and the name "Silicon Controlled Rectifier" makes me believe it is a rectifier? Why would it still use a rectifier - excuse my ignorance!

The cathode of one SCR is soldered to the anode of the other SCR and vice versa. The 8.8V ACs from the transformer's secondary output is soldered to one cathode/anode leg in both pairs of SCRs.
Taxation as a means of achieving prosperity is like a man standing inside a bucket trying to lift himself up.

Winston Churchill
 
Downwind

Guru

Joined: 09/09/2009
Location: Australia
Posts: 2333
Posted: 07:46pm 12 Jul 2014
Copy link to clipboard 
Print this post

  Quote  I believe it is DC, which is used in a pool chlorinator and the name "Silicon Controlled Rectifier" makes me believe it is a rectifier? Why would it still use a rectifier - excuse my ignorance!



Yes it is a rectifier, to the point it will switch one half of the AC wave and switch off on the other half of the AC wave, this gives a DC output basically the same as using a single diode.


  Quote  The cathode of one SCR is soldered to the anode of the other SCR and vice versa. The 8.8V ACs from the transformer's secondary output is soldered to one cathode/anode leg in both pairs of SCRs.


In this configuration i see it the same as a Triac where one scr will switch one half of the AC wave and the other scr will switch the opposite half of the AC wave, which effectively is switching AC to the output and not rectifieing the AC to DC.

Im no expert in this field, but it is how i understan the SCR's would work when back to back.

If we look at a drawing of a SCR its like this.





Then if we look at a Triac drawing its like this.





As you can see its a back to back SCR as you have suggested your circuit has.

Pete.


Sometimes it just works
 
Tinker

Guru

Joined: 07/11/2007
Location: Australia
Posts: 1904
Posted: 12:21am 13 Jul 2014
Copy link to clipboard 
Print this post

Pete, he mentions TWO pairs of SCR's. Me thinks they are connected to form a bridge rectifier with the advantage that the 'on' duration of the voltage being rectified can be adjusted.

Tinker
Klaus
 
Downwind

Guru

Joined: 09/09/2009
Location: Australia
Posts: 2333
Posted: 04:10am 13 Jul 2014
Copy link to clipboard 
Print this post

Dom, Tinker,

Im no expert on SCR or Triac's, im just commenting on how i understand they work.
I have played with (used a few) but never grasped the full understanding of 100% of their operation, so i can only comment on what i understand how they function , until a full guru comes along and corrects me.

For starters a SCR is a latching device, once voltage is applied to the gate it will remain latched till the output voltage falls below the input voltage or vise versa.
So once latched with a VAC input it will remain latched till the AC input crosses below the Zero point of the wave, at which point the SCR will switch off and remain off till a signal is applied to the gate to re-latch it.

In simple terms its just a diode that can be controlled by switching it on with a voltage to the gate, but cannot be switched off by the gate, and only by a voltage differential between anode and cathode .

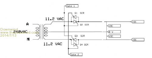
From what i understand of the present circuit i see it as this.






As far as can understand it can only be a VAC circuit when configured this way.



I dont know for sure (and to lazy to check a data sheet) but i suspect each SCR will have a diode loss of 0.6v, so hence the difference between VAC in and VAC out, its just a guess to how i would expect it to perhaps operate like.

Please note while drawing the schematic i did not recall the actual voltages, so i simply used a voltage example to express the result.

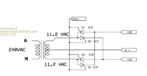
But by changing the config of the SCR's then it might be possible to make a DC rectifier from them, like this circuit





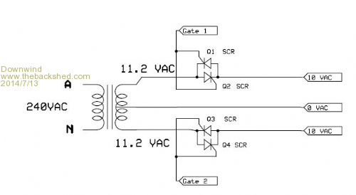
Or a strange method requiring good gate timing could be this.






Then the existing circuit may have used VAC wave chopping to control current to the output............ who knows?

Personally i would use the VAC switching of the low voltage side to control the battery charger, that way you simply switch on/off the VAC to suit the requirement of load/voltage.

Pete.





Sometimes it just works
 
domwild
Guru

Joined: 16/12/2005
Location: Australia
Posts: 873
Posted: 12:55pm 13 Jul 2014
Copy link to clipboard 
Print this post

Pete, Klaus,

Thanks for all the work. To my feeble mind it looks like a bridge rectifier and one gate is triggered of one SCR at zero-crossing, there is conductance from 0 to 180 deg., then this SCR stops conducting at zero voltage, then the second gate (=SCR) is triggered flipping the polarity from 180 to 360 degrees giving two "humps" from 0 to 8.8V DC or 100 humps/sec. The second pair of SCRs does the same.

For the cleaning of the electrodes of the pool chlorinator I believe this process is reversed and the polarity changes.

Will I be able to drive the gates with a Picaxe and zero-crossing drivers without smoke escaping?


Taxation as a means of achieving prosperity is like a man standing inside a bucket trying to lift himself up.

Winston Churchill
 
domwild
Guru

Joined: 16/12/2005
Location: Australia
Posts: 873
Posted: 08:18pm 15 Jul 2014
Copy link to clipboard 
Print this post

Pete,

A pool chlorinator surely uses DC, so your diagram of a full-bridge rectifier looks correct. Just have to check the wiring.
Taxation as a means of achieving prosperity is like a man standing inside a bucket trying to lift himself up.

Winston Churchill
 
domwild
Guru

Joined: 16/12/2005
Location: Australia
Posts: 873
Posted: 11:00pm 15 Jul 2014
Copy link to clipboard 
Print this post

Pete,

Your second schematic for DC output looks like what I can see on that chlorinator. The heatsink is the common anode of the two non-insulated SCRs and that is the one DC output, the common from the centre-tap is the other DC output, i.e, two DC leads.

You are correct in suggesting AC wave chopping as there was a variable resistor on the board for 0 to 100% chlorination.

There are four leads coming off the four gates; would you want to venture a guess how I am going to drive those SCR gates? Is the logic something like:

On zero crossing pulse gate 1, next zero crossing pulse gate 2 of paired gate ad infinitum??

I can get the zero-crossing from a 4N25 opto-coupler to trigger an interrupt. As all this sounds too easy I must be wrong.


Taxation as a means of achieving prosperity is like a man standing inside a bucket trying to lift himself up.

Winston Churchill
 
domwild
Guru

Joined: 16/12/2005
Location: Australia
Posts: 873
Posted: 02:36pm 20 Jul 2014
Copy link to clipboard 
Print this post

And the firing of the four gates is reversed for the cleaning of the titanium electrodes. Looks like the firing angle is changed to give 0 to 100% chlorination.

As the zero-crossing opto has a delay and as the SCRs have a delay in conducting, this becomes an exercise in getting the delay correct to the microsecond for the perfect "sine wave half humps". Dr Google has code and schematics.

Looks like it is easier to buy two bridge rectifiers for the three wires coming out of the centre-tapped toroid as has been suggested and then to combine the two ouputs (++--) plus a cap for smoothing to get a battery charger. Then a voltage cut-out once the batts are charged.
Taxation as a means of achieving prosperity is like a man standing inside a bucket trying to lift himself up.

Winston Churchill
 
Print this page


To reply to this topic, you need to log in.

The Back Shed's forum code is written, and hosted, in Australia.
© JAQ Software 2026