Home
JAQForum Ver 24.01
Log In or Join  
Active Topics
Local Time 15:21 22 Apr 2026 Privacy Policy
Jump to

Notice. New forum software under development. It's going to miss a few functions and look a bit ugly for a while, but I'm working on it full time now as the old forum was too unstable. Couple days, all good. If you notice any issues, please contact me.

Forum Index : Electronics : F&P motors as motors

     Page 1 of 2    
Author Message
permaclutter
Newbie

Joined: 04/02/2007
Location: Australia
Posts: 19
Posted: 04:50am 29 Apr 2007
Copy link to clipboard 
Print this post

Do we have any experience out there of people using these as motors? Or am I just thinking silly thoughts
Lyn
 
Gill

Senior Member

Joined: 11/11/2006
Location: Australia
Posts: 669
Posted: 09:55am 29 Apr 2007
Copy link to clipboard 
Print this post

G'day Lyn,
Yes I do. 2 loads every week.





Sorry, couldn't help myself.

What exactly did you want to do?
was working fine... til the smoke got out.
Cheers Gill _Cairns, FNQ
 
Gizmo

Admin Group

Joined: 05/06/2004
Location: Australia
Posts: 5177
Posted: 10:46am 29 Apr 2007
Copy link to clipboard 
Print this post

Lyn, yes it can be done, but its not easy. If you have a look here at this old Solar Car web site I was involved in a few years ago, on the Scrap Book page, you will see we used a F&P to drive the solar car. But there were lots of problems and we eventually gave up on the idea. There were too many problems with the power mosfets and control circuitry, beyound our abilities to fix.

Gill, very clever, had to think about that for a second or two.

GlennEdited by Gizmo 2007-04-30
The best time to plant a tree was twenty years ago, the second best time is right now.
JAQ
 
permaclutter
Newbie

Joined: 04/02/2007
Location: Australia
Posts: 19
Posted: 01:25pm 29 Apr 2007
Copy link to clipboard 
Print this post

I find myself looking at drill presses annd concrete mixerers, in disrepair and thinking, just dial in the speed and it could all be good, I have about 8 of these things laying about waiting to do stuff and at the same time I have a need for motors.
A nother silly thought is to establish yet another standard.
hippy three phase
hey if it mixes mud and drills holes its good by me
Dunlite ceated there own world, in the fifties with 32 volt systems,
I live on a 6Kva genset( used about twice a year) and 64 watts of solar panmnels
Sorrry me if it,s been a bit of a rave but i would lke the genset to rot for lack of use
lyn
 
brucedownunder2
Guru

Joined: 14/09/2005
Location: Australia
Posts: 1548
Posted: 09:12pm 29 Apr 2007
Copy link to clipboard 
Print this post

I'm sure ecoinnovation (Michael Lawley) would have the knowledge to give us ,but he's a busy guy , and probably not been asked this question . I reckon we could just use certain parts of the control board and take out the relevant switches to give us forward,back,fast, slow.
The other very important factor is safety. people might be very hesitant in forwarding infomation concerning mod's when 240v ac is involved. We all know (hopefully), that there is lethal ac voltages being produced across the 3 or 7 phases when the homemade windmill is spinning fast. But connecting it up to a houshold power socket is semi-permanent.

Please be very careful
Bruce
Bushboy
 
jimovonz
Newbie

Joined: 09/04/2007
Location:
Posts: 7
Posted: 07:34pm 30 Apr 2007
Copy link to clipboard 
Print this post

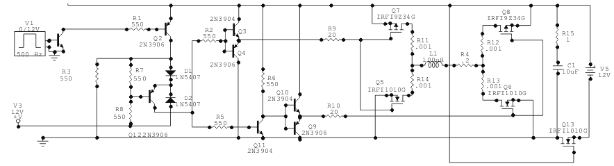
I have had some success in using the smartdrive as a motor. It is reasonably straight forward to derive a signal from the hall effect sensors and use it to drive some fets. I have a pretty basic circuit diagram here that I used to get full speed forward/reverse. I used pwm on the power supply (12V) to this circuit and achieved speed control as well, but it was not without problems. The motors need re-wiring to drive off low voltage (12/24 etc)
It was quite a while ago that I did this and I haven't got time to go over it properly. The parts quoted are just whatever was closest in Circuitmaker. There are some .001 resisters that are just there to measure current. This shows the drive for one phase (I never built the full three phase driver). Anyway, for what its worth:
 
bill_gill85
Newbie

Joined: 22/05/2007
Location:
Posts: 3
Posted: 01:42pm 26 Jul 2007
Copy link to clipboard 
Print this post

@jimovonz,

Do you have a schematic or connector pinout for the position sensor board. The board I have I have attempted to trace, however on testing we got no output.

Much appreciated,

Ben
 
rpned
Newbie

Joined: 03/02/2006
Location:
Posts: 4
Posted: 10:30am 27 Jul 2007
Copy link to clipboard 
Print this post

Ben

Have a look at a post I made in the topic
Hall Effect circuit
rpned Post 03 February 2006 at 7:00pm

I found you need to supply 15V, as does the F&P Main Board.

Reading the O/P's with a Picaxe 08M you will need to up the speed and not use the Picaxe programming editor run feature.

If you don't use the Picaxe 08M as a stand alone, you'll miss most of the pulses, even turning the rotor slowly by hand.

Cheers
 
kloudster
Newbie

Joined: 30/07/2007
Location: Australia
Posts: 1
Posted: 05:07pm 29 Jul 2007
Copy link to clipboard 
Print this post

I,m totally new, so Hi everyone I,ve been working on O/U for a while now and only just come to know about F@P motors, how Ni-Eve of me?!! guess the general Establishment was,nt putting it out there, it was only when I pulled a machine apart at our local scrap heap that I thought Crikey I,ve hit gold!! looking at that motor, my first thoughts were it,s so similar to Bendini,s motors!! Now what if I could rewire it to Pulse drive and generate?? But on further inspection of this wonderful motor I began to see it,s real potential, Ratio,s and the No.42? Wots the Question? don,t know but the answer Is 42!! Now how about just using one as the darned effiecient motor it is and coupling modified units to it, to generate Power? I,m no electric whiz but I figure useing multible units will provide overunity!! thoughts AnyOne and cheers from W>A>
xx
 
Gizmo

Admin Group

Joined: 05/06/2004
Location: Australia
Posts: 5177
Posted: 09:27pm 29 Jul 2007
Copy link to clipboard 
Print this post

Hi kloudster.

I'm afraid any talk of overunity will be quickly squashed on this board, and rightly so in my opinion. It just dont work, to quote Scottie from Star Trek, "you can not break the laws of physics".
But the subject pops up every 6 months or so and I let the discussions take their course until the complaints from long time forum members start to show up in my in-tray, where by I lock the message thread and remind everyone this is a windmill/solar web site that uses real science to achieve something that actually works.

GlennEdited by Gizmo 2007-07-31
The best time to plant a tree was twenty years ago, the second best time is right now.
JAQ
 
nweeks

Newbie

Joined: 22/01/2007
Location: Australia
Posts: 36
Posted: 08:36pm 27 Oct 2007
Copy link to clipboard 
Print this post

Probably the easiest way to drive an F&P motor is with a brushless DC motor controller used in radio controlled models

There are many on the market now, and most of them are sensorless - essentially measuring backEMF from the motor on each phase to determine position.

You'll need to parallel up your windings to get decent torque from 12v, but as PicAXE controllers can do servo outputs, and the brushless controllers have servo signal inputs, you can very quickly build machines with reversible, fully speed controlled motors using F&P units.

Imagine a tank with F&P motors driving three wheels on each side, pulling your lawnmower around the yard - you could mow the lawn from your couch if you had a camera/2.4GHz video link to your TV!

Haven't done it, but will do soon!

Here's some controller's available in AU. Check eBay as well.

http://www.modelflight.com.au/kontronik_speed_controller.htm

http://www.hobbymodelwarehouse.com.au/index1.html
Nigel Weeks
nweeks at karbonit dot com
 
GWatPE

Senior Member

Joined: 01/09/2006
Location: Australia
Posts: 2127
Posted: 08:25am 02 Dec 2007
Copy link to clipboard 
Print this post

  nweeks said   Probably the easiest way to drive an F&P motor is with a brushless DC motor controller used in radio controlled models

There are many on the market now, and most of them are sensorless - essentially measuring backEMF from the motor on each phase to determine position.

You'll need to parallel up your windings to get decent torque from 12v, but as PicAXE controllers can do servo outputs, and the brushless controllers have servo signal inputs, you can very quickly build machines with reversible, fully speed controlled motors using F&P units.

Haven't done it, but will do soon!



Hi Nigel,

this thread is a bit old, but I have just read it. The use of sensorless speed controls as used in model aeroplanes and cars do not work with a F&P motor.

I have several units including a 100A 3 phase model. None of the controllers would run a F&P as a motor. I tried a 100S and an 80S and a 60S and a 80SP that FandPwithPVC had loaned to me for testing. It would have been useful for other readers if you had done the follow up and posted your findings.

I will assume that you have not tested your theory.

I would not bother to specially buy a controller for a model in the hope it would work. I was lucky to have one from one of my electric planes that I could test with.

cheers, Gordon.
become more energy aware
 
bill_gill85
Newbie

Joined: 22/05/2007
Location:
Posts: 3
Posted: 01:04pm 02 Dec 2007
Copy link to clipboard 
Print this post

@Nigel
Sorry I hadn't posted this earlier, but I have been working for a good part of this year on getting a F&P motor running for an ev as part of a mechatronics project at TAFE. No solid results yet & the F&P has been abandoned for the near future. A summary of attempts made

1) Discrete home-brew picaxe controlled circuit - No success as yet (Mosfet driving problem, possible to rectify, however sequence was originally going to be "bit-banged" with no sensor code as yet)

2) Off-the-shelf R/C hobby controller (Venom Aircorps Brushless 36A) - Success, limited RPM & torque, Voltage range unsuitable for the desired power supply.

3) Dedicated 3-phase microcontroller w/ sensor inputs (Motorola MC33035 & MC33039) - Very low torque & speed, accepts higher supply voltage, wouldn't self start.

4) Off-the-shelf High Voltage (43v) R/C hobby controller (Dualsky XC9036HV) - Increase in torque & RPM, sensorless, will self start, but not under high initial torque.

They were the numerous (& costly) attempts that myself & a fellow student have performed. As you can see, we did have some success with R/C brushless controllers, however the lack of sensor inputs causes startup & stall issues, YMMV.

Ben
 
GWatPE

Senior Member

Joined: 01/09/2006
Location: Australia
Posts: 2127
Posted: 11:20pm 02 Dec 2007
Copy link to clipboard 
Print this post

Hi Ben,

These are similar results to mine. My classification of success is that the components perform at their rating. I to, did get the F&P to rotate, but with low torque and power. Hence my comments above.

I believe the problem is with the inductance and the amount of iron in a F&P. Most model aeroplane motors spin at 1000's of rpm/volt. Very much a mismatch all ways.

cheers, Gordon.


become more energy aware
 
cobia

Newbie

Joined: 24/06/2008
Location: Australia
Posts: 2
Posted: 12:18am 24 Jun 2008
Copy link to clipboard 
Print this post

  jimovonz said   I have had some success in using the smartdrive as a motor. It is reasonably straight forward to derive a signal from the hall effect sensors and use it to drive some fets. I have a pretty basic circuit diagram here that I used to get full speed forward/reverse. I used pwm on the power supply (12V) to this circuit and achieved speed control as well, but it was not without problems. The motors need re-wiring to drive off low voltage (12/24 etc)
It was quite a while ago that I did this and I haven't got time to go over it properly. The parts quoted are just whatever was closest in Circuitmaker. There are some .001 resisters that are just there to measure current. This shows the drive for one phase (I never built the full three phase driver). Anyway, for what its worth:
 
cobia

Newbie

Joined: 24/06/2008
Location: Australia
Posts: 2
Posted: 12:24am 24 Jun 2008
Copy link to clipboard 
Print this post

Hi: jimovonz
I am hoping you could help me; I want to use the smart drive as a 12v motor
Would you have any other wiring diagram or schematic?
To Start and run on {1 phase only} from a 12v battery supply

I appreciate any help you could give
Thanks
 
Haxby

Guru

Joined: 07/07/2008
Location: Australia
Posts: 423
Posted: 01:05pm 10 Aug 2008
Copy link to clipboard 
Print this post



I wired up a F&P motor through 6 mosfets and using the three stock hall effect sensors I was able to get good low end control.


I used only the three phase wires, no neutral, and the motor is unmodified. I ran it at 12V, but it should work up to 250V with very high torque. Here is a video.

video

I've connected another F&P motor back to back so that I can run some RPM tests. One will be generating the other will be driving under software control.
 
oztules

Guru

Joined: 26/07/2007
Location: Australia
Posts: 1686
Posted: 01:57pm 10 Aug 2008
Copy link to clipboard 
Print this post

Nice work Haxby.

Far more complex than my halfwave tests by a mile. ( I was driving a dual axial flux alternator... but my parts count was about 15 including the fets, halls and resistors.
I had no speed control other than the input current (variable dc supply).

Did you do a circuit of your drivers, or did you just use the original fets and snubbers.


.........oztules
Village idiot...or... just another hack out of his depth
 
Haxby

Guru

Joined: 07/07/2008
Location: Australia
Posts: 423
Posted: 02:27pm 10 Aug 2008
Copy link to clipboard 
Print this post


I used the original N channel fets for the negative rail and I swapped over the positive rail fets to P channels. (stock Fets on the high side are N channel with high side drivers to suit)

By using the original F&P control board, I could use the snubbers etc unmodified.

I used separate Mosfet driver chips (as seen on the breadboard in the video) as tracing back the F&P driver circuitry gets complicated. I was able to remove some SMD resistors from each gate so that I was not feeding current back to the rest of the board.

Next step is to try 48V and see if the picaxe can keep up at higher speeds. Might have to get a 20Mhz crystal or wait till the X2 chips come out to get 500RPM out of it tho.

I'm very happy with the low speed torque. Great motors these are.


 
oztules

Guru

Joined: 26/07/2007
Location: Australia
Posts: 1686
Posted: 10:12pm 10 Aug 2008
Copy link to clipboard 
Print this post

Be a devil and drive it analogue.

I intend to use these (which I bought months and months ago off ebay.. couple of dollars each.

data from: http://www.datasheet4u.com/ data sheet here
"MC33033 Brushless DC Motor Controller The MC33033 is a high performance second generation, limited feature, monolithic brushless dc motor controller which has evolved from Motorola′s full featured MC33034 and MC33035 controllers.
It contains all of the active functions required for the implementation of open loop, three or four phase motor control.
The device consists of a rotor position decoder for proper commutation sequencing, temperature compensated reference capable of supplying sensor power, frequency programmable sawtooth oscillator, fully accessible error amplifier, pulse width modulator comparator, three open collector top drivers, and three high current totem pole bottom drivers ideally suited for driving power MOSFETs."

I'm hoping these little critters will do the job. When I finally get around to it that is.....

The only thing stopping them working ... is me




..........oztules Edited by oztules 2008-08-12
Village idiot...or... just another hack out of his depth
 
     Page 1 of 2    
Print this page
The Back Shed's forum code is written, and hosted, in Australia.
© JAQ Software 2026