Home
JAQForum Ver 24.01
Log In or Join  
Active Topics
Local Time 22:04 23 Apr 2026 Privacy Policy
Jump to

Notice. New forum software under development. It's going to miss a few functions and look a bit ugly for a while, but I'm working on it full time now as the old forum was too unstable. Couple days, all good. If you notice any issues, please contact me.

Forum Index : Electronics : Another current sensor to consider

Author Message
Gizmo

Admin Group

Joined: 05/06/2004
Location: Australia
Posts: 5177
Posted: 11:18am 05 Mar 2012
Copy link to clipboard 
Print this post

Recently I've been looking for a current sensor that I can use with a microcontroller, and measure a few hundred amps, accurately. I've used the Alegro current sensors before, but these need to be wired into circuit, and my situation means I may need to draw spikes at over 400 amps for a short time, which I feel is a bit much to ask of the Alegro connection leads, even though they are rated for that sort of current.

What I wanted was a inductive current transducer, these have a hole that you feed the current carying wire through. No terminals or connection to worry about. Most of these transducers need a +- votage supply, typically +15 to -15. They can also have a couple of trimpots to adjust offset and gain. They are also expensive.

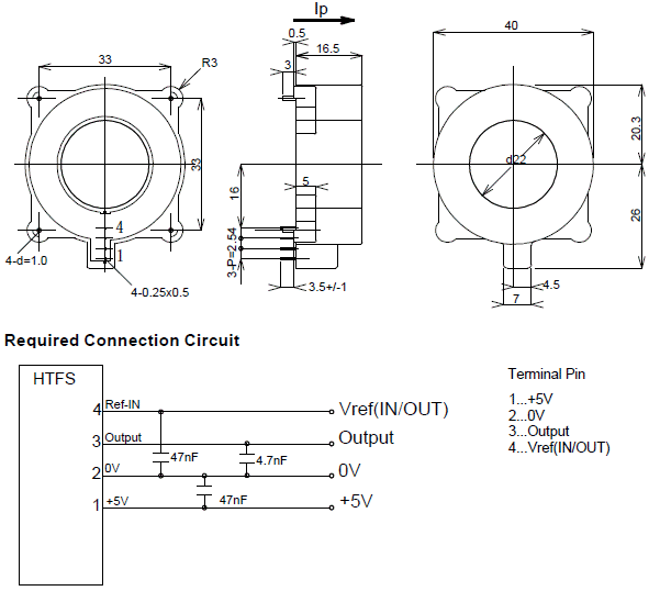
But I found one that I think might be the ducks nuts. The HTFS 200-P, from LEM. Its about $34.oo AU, and measures up to 300 amps. They also make a 600amp and 1200amp version. The hole is 22mm in diameter, meaning you can feed a pretty big battery cable through. Supply is +5V, no negative supply needed, ideal for microcontrollers. And best of all, it has a Vref pin.



The Vref pin means we can accurately measure the 0 amps reference voltage. Feed this into a microcontroller, along with the Vout signal, and we can offset any flutuations in power supply voltage, one of the problems with the Alegro ( or most 3 pin current sensors ). If you connect a digital multimeter or panel meter between Vref and Vout, it will accurately display zero, plus and minus amps unaffected by the power supply variations.

I ordered a HTFS200P from RS Components http://australia.rs-online.com/web/p/current-transducers/532 9205/

Next to a $2 coin for size comparison.



Fitted neatly into a plastic case, with circuit board attached. The case has holes to suit the power cable I want to measure. The circuit board contains a few filter caps and series resistors, nothing special.





Tomorrow I'll connect it up to a Maximite and see how it performs.

Glenn
Edited by Gizmo 2012-03-06
The best time to plant a tree was twenty years ago, the second best time is right now.
JAQ
 
sPuDd

Senior Member

Joined: 10/07/2007
Location: Australia
Posts: 251
Posted: 10:59am 08 Mar 2012
Copy link to clipboard 
Print this post

Sweeeeet find Gizmo!!

I had to look twice at the price.
I'm used to seeing them in the $300 range.


Keep us posted on the testing, I've got several projects begging for them if they do what they say they will, including the 1000ahr 12V battery bank for my 3kw inverter charger.


sPuDd..
It should work ...in theory
 
sPuDd

Senior Member

Joined: 10/07/2007
Location: Australia
Posts: 251
Posted: 12:46pm 21 Mar 2012
Copy link to clipboard 
Print this post

Glenn,
what's the difference between the P & PS2 model?
Also, don't quite understand the use of the Vref.
Its an identical copy of Vout?


It should work ...in theory
 
Gizmo

Admin Group

Joined: 05/06/2004
Location: Australia
Posts: 5177
Posted: 01:54pm 21 Mar 2012
Copy link to clipboard 
Print this post

Hi Spud

Been meaning to get back to this.

I think the PS model has a larger operating heat range, for industrial applications.

The Vref is the mid point between 0 and 5v. When there is no current flowing, the Vout should be the same as Vref, but I found its slightly off by a few milli volts. Vout will go above or below Vref, depending on current and current direction.

Glenn
The best time to plant a tree was twenty years ago, the second best time is right now.
JAQ
 
sPuDd

Senior Member

Joined: 10/07/2007
Location: Australia
Posts: 251
Posted: 11:26am 01 Apr 2012
Copy link to clipboard 
Print this post

Found it !!

The P version has a fixing via 4 holes
The P/SP2 version has a fixing via 4 solder pins

sPuDd..
It should work ...in theory
 
herbnz

Senior Member

Joined: 18/02/2007
Location: New Zealand
Posts: 258
Posted: 11:25pm 10 Apr 2012
Copy link to clipboard 
Print this post

The raztec units I tried to inform members of on 9th June 2009 suit all my needs.
Owing to the lack of interest by forum members I have not followed up my contacts at the Christchurch factory. I only have enough here for my own use but someone my want to try the Raztec web site.
 
Warpspeed
Guru

Joined: 09/08/2007
Location: Australia
Posts: 4406
Posted: 11:32pm 19 Apr 2012
Copy link to clipboard 
Print this post

These are very good stable sensors, at a very reasonable price.

One point worth mentioning is that the 300 amp unit is 300 amps per pass through the hole.
If you wind several turns through the hole the sensitivity will be multiplied by the number of turns.

Five turns would give you 60 amps full scale range.
Twenty turns would give you 15 amps full scale range, and so on.

These can be used to give an accurate fully isolated current measurement down to much lower currents than the 300 amp full scale maximum rating might suggest.Edited by Warpspeed 2012-04-21
Cheers,  Tony.
 
drewgarth

Newbie

Joined: 30/07/2006
Location: Australia
Posts: 8
Posted: 01:09pm 12 Aug 2012
Copy link to clipboard 
Print this post

With these sensors, what happens with an over current? Will Vout ever be higher than the supply voltage of 5v?

I have an application which to get the appropriate sensitivity I need to take multiple turns through.

Lets say i take 5 turns through to give 60amps sensitivity. If my current peaks to say 100 amps will Vout ever go higher than 5v? Once over 60amps, I dont care what the actual current is, as long as the output doesnt go higher than 5v (so I dont fry my data logger) and as long as it doesnt damage the sensor.

Any advice would be appreciated

thanks in advance

cheers
Andrew
 
Warpspeed
Guru

Joined: 09/08/2007
Location: Australia
Posts: 4406
Posted: 01:51pm 12 Aug 2012
Copy link to clipboard 
Print this post

Andrew, the output can never actually reach the full supply voltage of the LEM, so if powered from say +5v and -5v it will probably struggle to reach perhaps +4.5 volts maximum output.

A much better way would be to power it from +/- 12v (or more) and limit the maximum output with a series resistor and a 5.1 volt zener diode.

As for over current, in an ac circuit it does not matter.
Massive over current in a dc circuit can leave the magnetic core with some slight residual magnetism which may cause a permanent offset shift of the output voltage.
In other words it may then show a small annoying residual +ve millivolt output voltage when there is zero actual current being measured.

The way I would tackle all this would be to wind three turns through the core to give a theoretical full scale reading of 100 Amps. That will keep the magnetic core well below magnetic saturation.

You can then still scale the output resistor to give +5v output at 60 Amps as you require for your data logger.
I believe the LEM has 1,000 turns, so 60 amps flowing through three primary turns will create 180 ampere turns in the core, and secondary current will be 180mA through the output burden resistor.

To get a five volt drop (E/I) (5/0.18) will theoretically require a 27.78 ohm burden resistor at the LEM output. (27 ohms + 0.82 ohms would come mighty close).

To limit the output to the logger, I would then fit a 1K series resistor and a 5.1 volt zener to the output of the LEM.

That should then do everything you require without risk.Edited by Warpspeed 2012-08-14
Cheers,  Tony.
 
Downwind

Guru

Joined: 09/09/2009
Location: Australia
Posts: 2333
Posted: 06:51am 13 Aug 2012
Copy link to clipboard 
Print this post

Using a resistor and 5v1 zener diode will effect the linear reading at the top end, as a zener is not a magic device that switches on at the rated voltage.
The zener will protect the circuit but will also effect the readings.
Not the the best method in my book for analog signals.
Sometimes it just works
 
Warpspeed
Guru

Joined: 09/08/2007
Location: Australia
Posts: 4406
Posted: 11:40am 13 Aug 2012
Copy link to clipboard 
Print this post

That is perfectly true.
At say 58 Amps, it might read a very few milliamps below what it otherwise should.

Personally if I was seeing 60 Amps dc on my data logger, even an expensive commercial class one current shunt is only rated at 1% accuracy or +/- 600mA full scale.

By using a fairly low value 1K series resistor, the zener point will be quite sharp, and if this is still a concern, a 5.6 volt zener should eliminate the problem altogether.

Building a super accurate op amp voltage clamp would be total overkill for this application.


Cheers,  Tony.
 
drewgarth

Newbie

Joined: 30/07/2006
Location: Australia
Posts: 8
Posted: 12:08pm 13 Aug 2012
Copy link to clipboard 
Print this post

Thanks for the suggestions that is very useful.
Im not an expert on zener diodes, but you have given me enough so that I can do some meaningful research and understand how to use them in this application.

cheers
Andrew

 
Warpspeed
Guru

Joined: 09/08/2007
Location: Australia
Posts: 4406
Posted: 12:31pm 13 Aug 2012
Copy link to clipboard 
Print this post

Easiest way to test this would be to connect a zener diode with a resistor in series, across a variable voltage source, and measure the voltage drop across the resistor.




Edited by Warpspeed 2012-08-14
Cheers,  Tony.
 
Downwind

Guru

Joined: 09/09/2009
Location: Australia
Posts: 2333
Posted: 04:18pm 13 Aug 2012
Copy link to clipboard 
Print this post

From my design work and using analog to digital converters a zener will start to effect the reading from around 3.5v for a 5v1 zener, this is not good when all you have is from 2.5v to 5v full positive scale.

I know in theory this should not be the case but in practice it is.
There is many a discussion on other electronic forums that support my comment here, and the general rule is not to use a zener with ADC, only with digital inputs where a lower threathold voltage is used. (like 2.5v)

If i remember correctly Glenn had this problem with using a zener in one of his controllers/loggers some time back, and removing the zener fixed that problem too.
Sometimes it just works
 
Warpspeed
Guru

Joined: 09/08/2007
Location: Australia
Posts: 4406
Posted: 05:26pm 13 Aug 2012
Copy link to clipboard 
Print this post

This is much more of a problem in very high impedance circuits, where even the smallest leakage current can create significant dc errors.

And you are quite right about zeners starting to go leaky and noisy well below the rated zener voltage.

In this case, we have a source impedance of only 28 ohms, and a suggested zener series resistance of 1K. I suggest the circuit be built and tested, and the user to decide if the introduced error is significant.

I might suggest one percent linearity error may be quite tolerable in this application.
That would be 50mV drop across the 1K series resistor at 5 volts.
It would require 50uA zener leakage to do that, which is rather a lot.

If the zener series resistor were increased to 10K or 100K, then there would be some serious and valid concerns.
I did actually think of all this when I suggested using 1K.

It is easy enough to test, just feed in +5.00 volts and measure the voltage drop across the resistor. If it is less than maybe 50mV it is probably not worth worrying about.




Cheers,  Tony.
 
Downwind

Guru

Joined: 09/09/2009
Location: Australia
Posts: 2333
Posted: 07:50am 14 Aug 2012
Copy link to clipboard 
Print this post

To be honest i would asshole the LEM out, and use an allegro sensor as they work so well without the need for V+ and V- power supply or higher than logic level voltages.

Something like these ones i use.......

http://www.ebay.com.au/itm/50A-100A-150A-200A-Bi-Uni-AC-DC-C urrent-Sensor-Module-arduino-compatible-/110894073072?pt=LH_ DefaultDomain_0&var=&hash=item5f7cceca65

Its best to use the Uni-Directionalones if you are not reading negative current (as most of us never do) this way you get the full 0 to 5v analog scale giving much better resolution to the readings.Edited by Downwind 2012-08-15
Sometimes it just works
 
Warpspeed
Guru

Joined: 09/08/2007
Location: Australia
Posts: 4406
Posted: 01:54pm 14 Aug 2012
Copy link to clipboard 
Print this post

You will not get an 0 to 5v output with these devices.
Zero current output voltage is specified as being 0.6 volts with typically a 100 mA current reading error and 15mV of noise over the whole range.

These would be ideal for monitoring high currents for circuit protection, but the accuracy falls of hugely at the low current reading end.

The LEM is perfectly linear and reads right down to zero output voltage at zero current. That is a very big advantage for data logging or for a digital amp meter where low amp sensitivity, linearity, and accuracy are required.

These are still very interesting devices, and the price is certainly attractive, and would be well worth considering for many of our alternative energy applications.
Cheers,  Tony.
 
Print this page


To reply to this topic, you need to log in.

The Back Shed's forum code is written, and hosted, in Australia.
© JAQ Software 2026