Home
JAQForum Ver 24.01
Log In or Join  
Active Topics
Local Time 15:45 23 Apr 2026 Privacy Policy
Jump to

Notice. New forum software under development. It's going to miss a few functions and look a bit ugly for a while, but I'm working on it full time now as the old forum was too unstable. Couple days, all good. If you notice any issues, please contact me.

Forum Index : Electronics : LCD Panel meters

Author Message
Arthur
Newbie

Joined: 05/03/2009
Location: United Kingdom
Posts: 28
Posted: 11:49pm 02 Apr 2009
Copy link to clipboard 
Print this post

Good day,
|Well this morning I received 2 of the above meters. They
had a wraper round them saying that the supply voltage had to be isolated from the measured voltage/amps. Well as there was nothing in the advert about this I didnt think it applied. So I have read the gentlemans reference to this on this web and his way of getting round it. Unfortunatly I dont have a board with the requiered chip on it.I wonder if or how its possible to generate an isolated power for these things? Any assistance greatfully received. Arthur
 
Dinges
Senior Member

Joined: 04/01/2008
Location: Albania
Posts: 510
Posted: 01:18am 03 Apr 2009
Copy link to clipboard 
Print this post

Google for 'LCD panel meter isolated power supply circuit' and the 1st and 4th hit will give you the circuits you're looking for. Haven't bothered to check out the rest of the hits, this is left as an exercise for the reader.

9V battery and an on/off switch work too.

Peter.
 
oztules

Guru

Joined: 26/07/2007
Location: Australia
Posts: 1686
Posted: 01:40am 03 Apr 2009
Copy link to clipboard 
Print this post

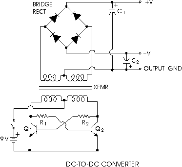
Arthur

A simple multivibrator circuit like this could use the little driver transformer from an at or atx power supply, and a much simpler output bridge..... don't get much simpler than that.

Picture from above link


.........oztules


Edit: Got distracted part way through the above post(cup of coffee with the boss) and so didn't see Dinges relpy till I got this posted... beaten again Edited by oztules 2009-04-04
Village idiot...or... just another hack out of his depth
 
Arthur
Newbie

Joined: 05/03/2009
Location: United Kingdom
Posts: 28
Posted: 01:50am 03 Apr 2009
Copy link to clipboard 
Print this post

Many thanks to you on Flanders Island, I had googled and found papers and circuitry that filled a double A4 pages, not what I was hoping for!!! I beleived you used a chip off an ethercard which I read some time ago but no card in my junk box. you have saved the day agein many thanks from the othe island.
 
Janne
Senior Member

Joined: 20/06/2008
Location: Finland
Posts: 121
Posted: 05:06am 04 Apr 2009
Copy link to clipboard 
Print this post

Also many of the add on ethernet controllers for isa and pci bus feature nice isolating 5V to 9VDC converters.. could be useful if you have those boards lying around.
If at first you don't succeed, try again.

My projects
 
sPuDd

Senior Member

Joined: 10/07/2007
Location: Australia
Posts: 251
Posted: 08:46pm 04 Apr 2009
Copy link to clipboard 
Print this post

Glenn did such a project and posted it on the front page:

LCD Panel Meter Interface

sPuDd..
It should work ...in theory
 
Arthur
Newbie

Joined: 05/03/2009
Location: United Kingdom
Posts: 28
Posted: 08:51pm 04 Apr 2009
Copy link to clipboard 
Print this post

Yes I had seen that article, unfortunatly I dont have a board with that chip on. Arthur
 
sPuDd

Senior Member

Joined: 10/07/2007
Location: Australia
Posts: 251
Posted: 05:42pm 05 Apr 2009
Copy link to clipboard 
Print this post

You can make one as Oztules said. The transformer can be scrounged from almost anything, or just by a mini audio transformer from the local electronics shop.

Build the cct on vero board and drive each transformer till you find one that produces the results you want. The power levels are so low you would have trouble causing smoke.

sPuDd..
It should work ...in theory
 
Arthur
Newbie

Joined: 05/03/2009
Location: United Kingdom
Posts: 28
Posted: 07:40pm 05 Apr 2009
Copy link to clipboard 
Print this post

Thank you have sourced a couple of snall transformers from
a p.c. psu which as Oztules should do the job, thanks, Arthur
 
greybeard
Senior Member

Joined: 04/01/2010
Location: Australia
Posts: 181
Posted: 06:57am 24 Feb 2011
Copy link to clipboard 
Print this post

Bit of a grave dig I'm afraid but I had problems with the old forum and not being able to log in.

Just want to make mention of a potential issue with the LCD panel meter project.
I have a similar setup but I decided I wanted to have positive rail current monitoring ( to avoid earthing issues with vehicles ). If you don’t have separate power supplies for the LCD’s you will destroy one of the LCD’s. I took one out and then tried again with the test power supply current limited and there is something inside the LCD’s that causes a failure if the current shunt is on the positive supply.
I eventually used a different supply. Basically a cmos oscillator with some inverters but I AC coupled the inverter output into two separate rectifier circuits and used these to power the LCD’s. ie, two seperate isolated DC supplies, one for each LCD meter.
I used the different supply as I use it to monitor some solar panels for when I'm camping and i wanted to reduce the quiescent current as much as possible. I also wanted the meter to use the measured supply for power. See bottom of this page for basic cct. simple isolated supply
I just duplicated the right hand side of the cct from the 100nF caps to give me the two isolated supplies I needed.


It’s working well.
 
Tinker

Guru

Joined: 07/11/2007
Location: Australia
Posts: 1904
Posted: 02:41pm 24 Feb 2011
Copy link to clipboard 
Print this post

Another way is to use an isolated DC to DC converter. I used a tiny 12V to 5V converter from Altronics, works a treat, was relatively inexpensive and fits nicely inside the panel meter box.

On my boat I used a 9V battery/ 5V regulator combination with a push to measure button as the meter reading is only checked occasionally. There are 2 100A shunts (one for each battery) and a selector switch so just one panel meter can monitor the charging or drain on each battery.
Klaus
 
greybeard
Senior Member

Joined: 04/01/2010
Location: Australia
Posts: 181
Posted: 12:27pm 27 Feb 2011
Copy link to clipboard 
Print this post

Another method I experimented with was using a DPDT momentary action switch and a large electrolytic capacitor ( 4700uF or larger ).
You wire up the switch with the 12V supply to the 'off' side of the switch, the electro cap to the 'common' and the LCD panel meter to the 'momentary' of the switch.
Then you operate the switch to the 'momentary' side and the electro will power the LCD meter for several 10's of seconds while you take the reading.
You never need to worry about a flat battery.

This also works very well and is a usefaul technique for low current drain ccts that require isolation from the powering source and are only required to operate for short periods.

My driver was low current drain and low cost. The original design on this website had a greater quiescent current drain than I was happy with. Same with the majority of commercial 12v to xxV isolated supplies I could find.
 
Alasdair
Regular Member

Joined: 12/01/2011
Location: Australia
Posts: 62
Posted: 02:28pm 05 Mar 2011
Copy link to clipboard 
Print this post

Hi all
I made a similar meter work using a 555 running as an astable
oscillator into a tiny audio transformer, then half wave rectified
the secondary and filtered it with about 22uf and a five volt Zener.
The whole circuit used about 2 milliamps and has been working for
years. I think it ran at about 10khz but isn't critical.
Regards Alasdair.
Amc-elec
 
Print this page


To reply to this topic, you need to log in.

The Back Shed's forum code is written, and hosted, in Australia.
© JAQ Software 2026