Home
JAQForum Ver 24.01
Log In or Join  
Active Topics
Local Time 15:22 22 Apr 2026 Privacy Policy
Jump to

Notice. New forum software under development. It's going to miss a few functions and look a bit ugly for a while, but I'm working on it full time now as the old forum was too unstable. Couple days, all good. If you notice any issues, please contact me.

Forum Index : Electronics : Capacitance Soil Moisture Level Controller

Author Message
Solar Mike
Guru

Joined: 08/02/2015
Location: New Zealand
Posts: 1203
Posted: 12:05pm 16 Sep 2023
Copy link to clipboard 
Print this post

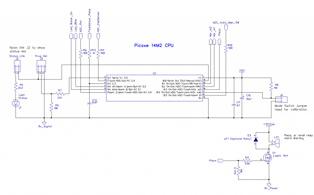
This is ver2 of a project I did a few years ago, a soil moisture level controller using a non-contact capacitive type sensing probe. I originally found the circuit for the capacitive probe electronics on the net, will try and locate it again and provide a link.

This version uses probes made from pcb material that are sealed in polystyrene to be completely water proof and designed to be buried in the soil - or planter bed. Two wires (twisted pair) link the probe to the controller located some distance away in a spot protected from the elements.
We use 12v dc as standard power supply and pulse controlled solenoid water valves connected to main sprinkler systems. The valves only draw power for several milli-seconds during an on\off event (approx 2 amp pulse), the pulse voltage is reversed in polarity to de-activate (turn off), so require an H-Bridge drive to switch them. With 20-30 solenoids, pulse systems are much more efficient to run; H-bridge motor drivers work well here.

I haven't fully tested this design, the pcb's are being made at the moment, software yet to be done, here are some schematics.















Will post more info at a later date.

Edit: Have located the original paper for the capacitive sensor electronics that I have based this design on. Here


Cheers
Mike
Edited 2023-09-17 10:59 by Solar Mike
 
Solar Mike
Guru

Joined: 08/02/2015
Location: New Zealand
Posts: 1203
Posted: 05:32am 17 Sep 2023
Copy link to clipboard 
Print this post

PCB 80x93mm, main control board:





The 0v earth ground plane is split into 4 zones joining at a central point to keep noise to a minimum.

I did look at using those very inexpensive soil sensors available on AliExpress etc, they use a different design with a filtered peak detector voltage sensor to measure changes in probe capacitance, very hit and miss what component quality you get with those and having the electronics on the probe its self, makes it problematic for reliable working after time in the soil exposed to the weather.

This design allows probe compensation, zeroing out the probe + connection wiring.
For weather protection I made up some dipping solution from polystyrene dissolved in acetone, after dipping the probe a couple of times (like making candles) results in a fully sealed tough coating impervious to water ingress.

If anyone wants the gerbers for this let me know and I will email them to you.

For easy of assembly, the leds, pot and switch are mounted on a small pcb that is mounted under the box lid, separate pcb glues on top with lettering etc.

Cheers
Mike
Edited 2023-09-17 15:33 by Solar Mike
 
Solar Mike
Guru

Joined: 08/02/2015
Location: New Zealand
Posts: 1203
Posted: 05:59am 17 Sep 2023
Copy link to clipboard 
Print this post

For the probes, I'm trying two types, here is the PCB 100x96mm that has both, made from 1.2mm material and easily cut with tinsnips. #1 has ground plane on the back of active sensor plate, #2 has active sensor on both sides.
Might try one more with alternating squares front and back, see which is more sensitive.








Mike
 
InPhase

Senior Member

Joined: 15/12/2020
Location: United States
Posts: 178
Posted: 02:24pm 17 Sep 2023
Copy link to clipboard 
Print this post

Interesting circuit. How is it calibrated for the desired moisture content?
 
Solar Mike
Guru

Joined: 08/02/2015
Location: New Zealand
Posts: 1203
Posted: 09:12pm 17 Sep 2023
Copy link to clipboard 
Print this post

  InPhase said  Interesting circuit. How is it calibrated for the desired moisture content?


I will use dry sand for 0%, then weigh out a ratio of water to cal for 10,20,30...100% etc added to the sand.

However in the field, will use a couple of test pots with buried sensors, its the amount of available water at root depth that we worry about, noting different soil types have different water retention properties, so absolute water percentage doesn't mean a lot. Will be some trial and error to get it working I suspect, there will be a large quantity of these sensors networked together using a 1-wire data link.


Here are the front panel switch and Led pcbs.




Cheers
Mike
 
Print this page


To reply to this topic, you need to log in.

The Back Shed's forum code is written, and hosted, in Australia.
© JAQ Software 2026