Home
JAQForum Ver 24.01
Log In or Join  
Active Topics
Local Time 17:08 22 Apr 2026 Privacy Policy
Jump to

Notice. New forum software under development. It's going to miss a few functions and look a bit ugly for a while, but I'm working on it full time now as the old forum was too unstable. Couple days, all good. If you notice any issues, please contact me.

Forum Index : Electronics : nano inverter question for wiseguy

Author Message
Murphy's friend

Guru

Joined: 04/10/2019
Location: Australia
Posts: 674
Posted: 07:45am 30 Mar 2023
Copy link to clipboard 
Print this post

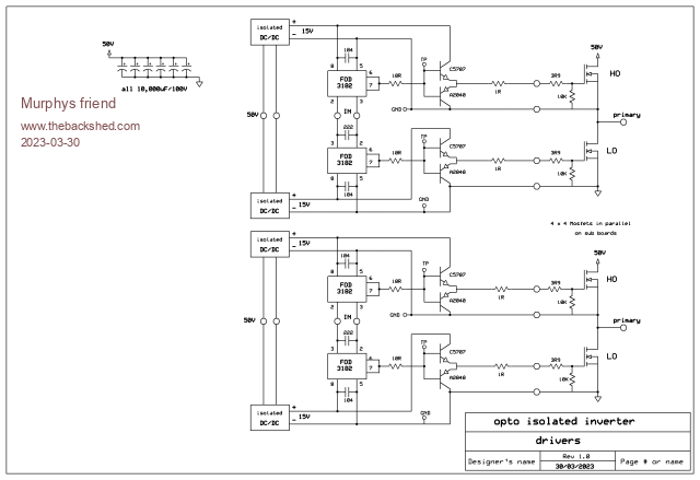
Mike, as you know I built my nano inverter to your design, using opto isolated half drivers & half bridge PCB's.

People here, smarter than me ,  keep mentioning with regard to chokes to put them into the high side input to the primary.

Now, looking at my built and schematics I see perfectly (electrical) symmetrical output PCB's and for the life of me cannot see which side of the primary is the HIGH side.

Remember, this is for an OPTO isolated driver, not poida's design.

Reason for asking (my inverter works fine with one big choke BTW) is that keepit mentions adding a powdered iron choke at the HIGH side improves performance and I would like to try that.

So, if you know of an easy test to figure out which is the high side (without blowing things up ) I'm all ears.
 
Murphy's friend

Guru

Joined: 04/10/2019
Location: Australia
Posts: 674
Posted: 08:48am 30 Mar 2023
Copy link to clipboard 
Print this post

just in case the above is not clear, here is the driver's schematic:


 
poida

Guru

Joined: 02/02/2017
Location: Australia
Posts: 1464
Posted: 10:28am 30 Mar 2023
Copy link to clipboard 
Print this post

The choke can be put on either end of the primary output.
I tested both sides, with a current sensor and the DSO to see if there
was any difference. There was no difference in the current.
I saw no difference in output waveform or idle power.

I think you might have a misconception with the high side and low side
being one or the other primary winding outputs.

in one 1/2 cycle one output will be ground (I call it V1) and the other (called V2)
will output a 1/2 sine wave from PWM pulses of the DC input voltage.
Then, for the other 1/2 of the cycle, the outputs are reversed.
This means V2 will be pulled to ground and V1 will output PWM pulses.

There is no way to define either V1 or V2 as "high side"
They alternate being high voltage and ground at 100 Hz.
wronger than a phone book full of wrong phone numbers
 
Murphy's friend

Guru

Joined: 04/10/2019
Location: Australia
Posts: 674
Posted: 04:20pm 30 Mar 2023
Copy link to clipboard 
Print this post

Thanks Poida. You are right, I likely confused the workings of your nano inverter with that of the inverters we built before that.

My reason for more experimenting with a choke at each side of the primary (2 chokes) is to stop the loud growl when I'm back charging via GTI input to my mini grid. One can definitely hear it when up to 2KW of AC power flow from the GTI. Otherwise this inverter is quiet.
 
poida

Guru

Joined: 02/02/2017
Location: Australia
Posts: 1464
Posted: 12:07am 31 Mar 2023
Copy link to clipboard 
Print this post

I have done some further testing and tweaking of the nanoverter/picoverter firmware
looking at waveform symmetry.

For years we have been running code that is nearly but not exactly symmetrical
in the timing and width of PWM pulses.
I found that I could make the PWM pulse stream exactly symmetrical
and it makes an already quiet inverter run a lot more quieter (at idle)

I wonder if you tried the perfect symmetry firmware you can get a
quieter and more happy backfeed?

IF you send me the firmware you are using, I will work on it to have the
symmetrical output and you try that?
wronger than a phone book full of wrong phone numbers
 
Murphy's friend

Guru

Joined: 04/10/2019
Location: Australia
Posts: 674
Posted: 08:47am 31 Mar 2023
Copy link to clipboard 
Print this post

That would be nice poida.

However, while I can build a pretty inverter, when it comes to a program that runs the nano I'm lost.
Back then when I started building this inverter I got a friend to do the programming, I think it was the "no Bessel filter" version.

I do not have a clue how to go about "sending you the firmware" but if you could tell me in simple terms what's involved I get my friend to do that part.

Thank you for the offer.
 
poida

Guru

Joined: 02/02/2017
Location: Australia
Posts: 1464
Posted: 12:12am 02 Apr 2023
Copy link to clipboard 
Print this post

Here is the modified code.
I based it on nano_1_v7_no_bessel which I think you are using now.

The changes I made was to remove the mains sync code and to
put in the code that makes symmetrical output.
I think you didn't need the sync code
and it's simpler without it.

The attached version uses pin D6 as the SCR over current stop.
Do you have this in your design?
If not, just put a resistor on D6 to ground and all will be good.

nano_1_v7_murphy.zip
wronger than a phone book full of wrong phone numbers
 
InPhase

Senior Member

Joined: 15/12/2020
Location: United States
Posts: 178
Posted: 02:01am 02 Apr 2023
Copy link to clipboard 
Print this post

Peter, will this work on the standard nanoverter? What benefits, if any, doesn't have?
 
poida

Guru

Joined: 02/02/2017
Location: Australia
Posts: 1464
Posted: 06:10am 02 Apr 2023
Copy link to clipboard 
Print this post

It will work in the nanoverter, it's a variation of
the final code  nano_1_v7_no_bessel which was written for the nanoverter.

It requires pin D6 to be pulled down to work at all.
D6 is connected to the SCR over current trip in the nanoverter design.
In the above version I have removed the mains sync stuff since nobody so far has needed it.
And I have incorporated the fine tuning of the PWM generation code I have now
that makes sine waves with perfect symmetry.
This is the best quality waveform output I have.
The previous versions were very good and provide for inverters that run for years
but this latest code makes for quieter running.

I suspect the low growl type sounds are due to non symmetrical waveform
that results in a growing DC bias in the primary.
This DC bias grows to some limit and persists and is apparent (audibly)
when there are fast changes in magnetic field strength.
The DC bias is the same as having a remenant flux in the iron core.

I tested Murphy's code after changes on the picoverter and it worked fine.
No fan or over temp or under voltage control though.
(that is handled by the nano2 in the nanoverter)
wronger than a phone book full of wrong phone numbers
 
Murphy's friend

Guru

Joined: 04/10/2019
Location: Australia
Posts: 674
Posted: 06:30am 02 Apr 2023
Copy link to clipboard 
Print this post

Thanks Poida, appreciate that.

I do not use the sync feature, that was an interesting idea back then but I never got it to work .

At the moment D6 is connected to ground via a 105 capacitor, the inverter works with that but it would be easy enough to change that for a 10k resistor.

I use a different over current shut off, basically turning the ON switch off electronically. This method was used in the original ozinverter.

I'll get my friend to re program that NANO with your revised code and will then let you know if (and how) the growling improved. I think I'm doing more back charging than many others here so this will be a good test.
 
poida

Guru

Joined: 02/02/2017
Location: Australia
Posts: 1464
Posted: 07:13am 02 Apr 2023
Copy link to clipboard 
Print this post

good news, I look forward to hear what you find with the new code.
wronger than a phone book full of wrong phone numbers
 
Murphy's friend

Guru

Joined: 04/10/2019
Location: Australia
Posts: 674
Posted: 07:16am 07 Apr 2023
Copy link to clipboard 
Print this post

  poida said  good news, I look forward to hear what you find with the new code.


Today I got to test my inverter with poida's symmetrical code.

Well, it works

Weather conditions only allowed back charging of 2KW AC power from the GTI into my mini grid.
The fearsome growling of my nano inverter has changed to a humming noise. The volume of this changes with the power being fed back, more = louder but its not annoying.

With no back charging the inverter is now very quiet, even with high loads.

Thank you for updating your nano code.
 
poida

Guru

Joined: 02/02/2017
Location: Australia
Posts: 1464
Posted: 07:08am 09 Apr 2023
Copy link to clipboard 
Print this post

all part of the service.
good to hear that it helped.
wronger than a phone book full of wrong phone numbers
 
wiseguy

Guru

Joined: 21/06/2018
Location: Australia
Posts: 1267
Posted: 01:16pm 09 Apr 2023
Copy link to clipboard 
Print this post

Klaus it wasn't that I didn't want to talk to you and answer your initial query but it was already well answered by others before I even saw your original question.

Personally I have used a split choke on a common core for my transformer drive. I reasoned that a small capacitor to ground at the two transformer/choke nodes might help get rid of any EMI if it was an issue.  (No issue found so no caps added).  It is really electrically similar to 2 separate chokes and looking backwards from the transformer driven winding going through the chokes and back to the output stages, it is all "balanced".

The last 3 Aerosharp 3kW GTI's I butchered also appear to use a balanced C Core choke with 2 separate windings on a common "C" core between the toroidal transformer and the output driver module.

Maybe I chose this method as I was in denial internally of not knowing which was the high side either, so they both got a choke....lol, I cannot think of an engineering reason/argument to use a balanced approach like this, it was really just a gut feeling/personal choice.  Maybe Aerosharp also reasoned that some inductance between the fast-switching nodes of the "H" driver module and the toroid would help to minimise the switching noise spikes transferring through the toroid leaving less "hash" to be cleaned up by the mains filter ? That was essentially my rationale.
Edited 2023-04-09 23:26 by wiseguy
If at first you dont succeed, I suggest you avoid sky diving....
Cheers Mike
 
Murphy's friend

Guru

Joined: 04/10/2019
Location: Australia
Posts: 674
Posted: 06:53am 10 Apr 2023
Copy link to clipboard 
Print this post

  wiseguy said  

The last 3 Aerosharp 3kW GTI's I butchered also appear to use a balanced C Core choke with 2 separate windings on a common "C" core between the toroidal transformer and the output driver module.



thank you for your input Mike, all appreciated.

The reason I do not use the aerosharp balanced C core chokes as they were original is the wire size - too small for a 6KW inverter. Doubling the cores an increasing the wire size gets you a decent choke whose saturation point can be adjusted by using different gap spacers. You can't do that if you leave those chokes original.

The choke I'm using on the other primary end is quite different. I used a powdered iron toroidal core (2 stack) I salvaged from a GTI and re wound it with 6 turns of good size wire.

The inverter is now virtually silent with small loads, some light hum with bigger loads.
Sine wave is not perfect at idle but improves vastly with a good resistive load.
Microwave still makes it look horrible but it runs non the less.

Back charging also puts a big kink in one side of the sine slope. I'm now making an enclosure for a original wound 3KW Areosharp toroid to be used as an isolation transformer between the GTI and my nano inverter.
I'm curious how that might affect the back charging into my mini grid.
 
Print this page


To reply to this topic, you need to log in.

The Back Shed's forum code is written, and hosted, in Australia.
© JAQ Software 2026