Home
JAQForum Ver 24.01
Log In or Join  
Active Topics
Local Time 22:10 22 Apr 2026 Privacy Policy
Jump to

Notice. New forum software under development. It's going to miss a few functions and look a bit ugly for a while, but I'm working on it full time now as the old forum was too unstable. Couple days, all good. If you notice any issues, please contact me.

Forum Index : Electronics : EG8030 and EGS031 board. A 3 phase version of the EG8010

Author Message
Haxby

Guru

Joined: 07/07/2008
Location: Australia
Posts: 423
Posted: 07:19am 05 May 2022
Copy link to clipboard 
Print this post

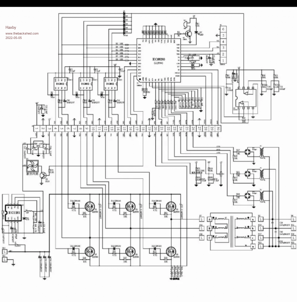
I stumbled across the EG8030 while browsing Ali express. It's the 3 phase version of the EG8010. It has 6 outputs to drive 3 half bridges, which in turn drive 3 legs of a Delta wired 3 phase transformer.

Does anyone here have one going? I'd imagine it needs 3 chokes, one on each leg. I wonder if it would have problems regulating each phase if one of the phases was loaded more than the other two.


No chokes on the output are pictured in the example diagram, but that doesn't mean much. The output caps are there. I suppose each of the phases is driven by SPWM. Anyway I bought the EGS031 board so I'll have a play with it in a month or 2.



Edited 2022-05-05 17:20 by Haxby
 
Revlac

Guru

Joined: 31/12/2016
Location: Australia
Posts: 1239
Posted: 07:42am 05 May 2022
Copy link to clipboard 
Print this post

I remember looking at this 3 phase unit back in 2016, thought it quite interesting.
Since then, poida's Arduino mega 2560 version got my attention, still gathering parts for it.
Cheers Aaron
Off The Grid
 
poida

Guru

Joined: 02/02/2017
Location: Australia
Posts: 1464
Posted: 09:42am 05 May 2022
Copy link to clipboard 
Print this post

looking at the schem, it appears there are 3 individual Vfb for each phase.
This would probably handle uneven loads, assuming well designed primary:secondary ratio
on the transformers.
I've seen it work in youtube videos.

I've now playing with the STM32F103 Blue Pill and 3 phase PWM output.
Sort of 2 steps forward, 1 step back at this time.
I much prefer the Mega 2560 since it is rock solid and runs like a clock.
wronger than a phone book full of wrong phone numbers
 
Print this page


To reply to this topic, you need to log in.

The Back Shed's forum code is written, and hosted, in Australia.
© JAQ Software 2026