Home
JAQForum Ver 24.01
Log In or Join  
Active Topics
Local Time 22:11 22 Apr 2026 Privacy Policy
Jump to

Notice. New forum software under development. It's going to miss a few functions and look a bit ugly for a while, but I'm working on it full time now as the old forum was too unstable. Couple days, all good. If you notice any issues, please contact me.

Forum Index : Electronics : Inverters as Grid

Author Message
Godoh
Guru

Joined: 26/09/2020
Location: Australia
Posts: 643
Posted: 08:01am 13 Apr 2022
Copy link to clipboard 
Print this post

I have a couple of 8010 based inverters that I made.
I am wondering if anyone has tried using them to emulate the grid to allow the use of a GTI inverter.
I am picking up some second hand panels tomorrow and a GTI comes with them.
I have enough panels at the moment to keep my batteries up, but it seems that if I connect the GTI up I should be able to run loads directly off it. That is if I can fool it into thinking the 8010 inverter is the grid.
Can anyone tell me if connecting them together will end up smoking the battery inverter please.
Thanks
Pete
 
Murphy's friend

Guru

Joined: 04/10/2019
Location: Australia
Posts: 674
Posted: 09:01am 13 Apr 2022
Copy link to clipboard 
Print this post

Pete, we are doing that all the time. GTI's don't care what kind of grid it is, as long as it is stable. The GTI forms a mini grid with your home made inverter, 8010 based or otherwise, as long as there is a big toroidal transformer in it.
The power from the GTI being pushed into your inverter gets converted to charge at the battery connection.

This is flat out charging, all the GTI's solar input can supply. So you need some kind of regulation to stop  the GTI when the batteries are full. I use simple on/off, controlled by a voltage sensing relay with a hysteresis setting to stop it chattering.

There was a PWM method discussed in the forum a while back, more parts but smoother control.

My on/off method controls the AC side of the GTI, no switching of high voltage DC.

This way of charging works best in conjunction of a good MPPT charger. At my place (5KW of solar) up to 3KW are connected to the GTI. This gets the battery full by lunch time latest, then the 2KW of MPPT charging are sufficient to run the house loads and keep the batteries full until sunset. If heavy clouds appear, battery voltage drops and additional GTI charging resumes.

This has now worked trouble free for a few years, be aware that your home made inverter may growl when back charging takes place. I think the noise mainly comes from the choke. Funnily, my 4 transformer warpinverter does not do that, it just hums a little louder.

When you connect the GTI to your inverter nothing will happen immediately until the GTI has finished checking your 'mini grid'. If its happy it will apply power, if not the display will tell you why not.

Anybody else reading this - its *ONLY* suitable for off mains grid installations.
 
Davo99
Guru

Joined: 03/06/2019
Location: Australia
Posts: 1585
Posted: 12:38pm 13 Apr 2022
Copy link to clipboard 
Print this post

This is a bit different to my understanding so please bear with my clarification so I know I'm not getting anything arse up.

You start with the inverter, hook in the GTI which does it's checks and then connects.
The GTI is connected to panels and anything it is backfeeding above the immediate demands CAN go back through the inverter, As Long as it is a Torrid type and it will then charge the batteries?

Anything I missed?

As I am not smart enough to build my own inverter, is there a commercial Torroid type you know of? I take it any would be pretty old by now but if I do see one.....

I have a couple of the Latronics inverters which as far as I understand can be GTI or stand alone and are torrid.  If these were converted to stand alone Mode in the switches, I could then hook up a regular HF type GTI  and the Latronics would accept backfeed to charge the batteries?

Thanks for any insights and clarifications.
 
mab1
Senior Member

Joined: 10/02/2015
Location: United Kingdom
Posts: 277
Posted: 12:43pm 13 Apr 2022
Copy link to clipboard 
Print this post

Ive got 4500w of solar connected via 4 gtis to my powerjack "8000w" inverter (actually has 2 x 1kva transformers so not 8000w). I have two storage heaters that are switched on depending on battery voltage, and a proportional controller diverting to the immersion.

The main limitation is that the powerjack isn't as electrically 'stiff' as the grid so whilst it can cope with a 2.2kw storage heater turning on & off and the fridge and freezer, starting the 1/2hp motor on the lathe causes the gtis to trip on "grid disturbance" and I'm running on battery until they come back online.
 
Murphy's friend

Guru

Joined: 04/10/2019
Location: Australia
Posts: 674
Posted: 03:11pm 13 Apr 2022
Copy link to clipboard 
Print this post

  Davo99 said  

You start with the inverter, hook in the GTI which does it's checks and then connects.
The GTI is connected to panels and anything it is backfeeding above the immediate demands CAN go back through the inverter, As Long as it is a Torrid type and it will then charge the batteries?


Yes, that is how it works. You do need to regulate *all* of that backfeeding so it stops when the batteries are full - it will *not* stop that by itself. I'm not aware of anybody trying this with a commercial battery to mains inverter and I'm not game .

  Davo99 said  
As I am not smart enough to build my own inverter, is there a commercial Torroid type you know of? I take it any would be pretty old by now but if I do see one.....

I have a couple of the Latronics inverters which as far as I understand can be GTI or stand alone and are torrid.  If these were converted to stand alone Mode in the switches, I could then hook up a regular HF type GTI  and the Latronics would accept backfeed to charge the batteries?

Thanks for any insights and clarifications.


I have taken two Latronics inverters apart and was not impressed with their minimal heatsink arrangement.
Their toroidal transformer is good for a smaller home built inverter.

I never considered using a commercial modified GTI/ stand alone inverter for that.
The electronic power modules for inverters are quite cheap on ebay, you just need to re wind the primary of a suitable toroidal transformer, add controls & connectors and you have a home built inverter.

Keep in mind this thing has lethal voltages so if you are not confident handling that better leave it alone.

The 2.5KW Latronics I took apart had a 96V primary, I re connected it for 48V and combined with my ebay Powerjack inverter guts it makes a suitable inverter that even you could make. Its sitting here doing nothing since I made several other inverters since that first project.
Godoh might have some input about suitable modules of more recent design.
 
Godoh
Guru

Joined: 26/09/2020
Location: Australia
Posts: 643
Posted: 09:36pm 13 Apr 2022
Copy link to clipboard 
Print this post

Thankyou very much for the input.
I will have to make a new ground mount rack to mount the new panels but once that is done I will look into the charging regulator setup to use the grid tie.
I am thinking it would work great for our Solar/Electric hot water system and also to run the house battery free during the day.
I do have a 2.3KW latronics inverter but it is only used as a standby.
So far I am very happy with the Rewound Powerjack transformers and Sunyima powerboards
Over the last 5 years I have had Powerjack inverters but they blew up.
They did not seem to like my drop saw. Theoretically they should have had no trouble but that is what blew them up. Anyway there was far too much complicated control stuff in them. The Sunyima boards are much simpler and seem more robust.
Murphy can you share the voltage sensing relay you use, that sounds like a great way to go.
Thanks again to all
pete
 
Murphy's friend

Guru

Joined: 04/10/2019
Location: Australia
Posts: 674
Posted: 08:35am 14 Apr 2022
Copy link to clipboard 
Print this post

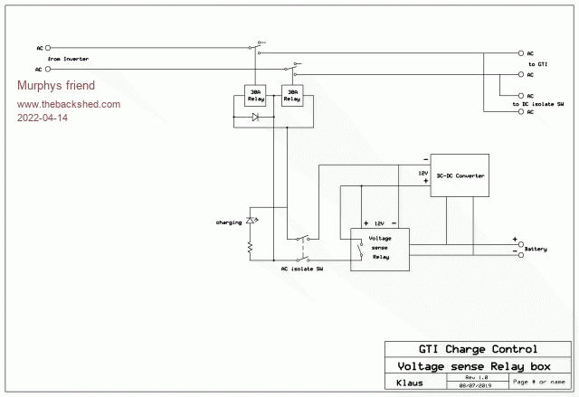
Pete, that grid tie back charging works best in conjunction of a regular MPPT charger. That way the GTI cycling is much reduced in my experience, depending on how much MPPT charging you have. Some GTI's take a considerable time for their safety checks. The 3 sting one I use takes just 30 seconds.

Anyway I attach two schematics of how I do the on/off control of My GTI. Keep in mind this is now a 3.6KW 3 string device but before that I used a 1KW GTI successful. Just ignore the other string inputs on my first schematic.

The voltage sensing relay came from ebay, plenty to choose from there.








When you have some time on your hands why not build your own inverter from scratch? Its not that hard after experiencing the finer details of a Powerjack inverter.

My first inverters used to be 8010 based but I have now converted all to opto isolated Nano control. Even the small 3KW one has no problem with my chop saw, lathe, etc. while still running two fridges and whatever else is on in my house.
 
Godoh
Guru

Joined: 26/09/2020
Location: Australia
Posts: 643
Posted: 10:20pm 14 Apr 2022
Copy link to clipboard 
Print this post

Thanks Mr Murphy's friend.
I just picked up the new panels, racks and a 2kw SMA inverter.
I may just end up using a DC regulator and using the inverter for parts.
I have three strings of panels at the moment, and three MPPT regulators.
So far it all works great but I needed to replace one panel that got accidentally damaged.
I will set the other 8 that I bought up sometime, here we get a lot of mountain fog and winters are cloudy and wet, so the more power I can collect in inclement weather the better.
I will have a look at the Nano based inverters.
The problem I have with the 8010 inverters is that every board that I have is different, it seems that either the manufacturers change the design a lot or they just lump many manufacturers stuff in together.
It would be great to have a standardised inverter that was easy to repair if needed.
So far they work great, we have a 24 volt system as our power usage is pretty light, and our house is tiny. I don't plan to go to higher voltage batteries, just to have fun making things and enjoying life.
I will look up any articles here on the nano inverters.
Thanks for your help
Pete
 
noneyabussiness
Guru

Joined: 31/07/2017
Location: Australia
Posts: 527
Posted: 03:46am 15 Apr 2022
Copy link to clipboard 
Print this post

just to add to this discussion,  your GTI will feed in " EXCESS " power that the " mini grid " is not using to your batteries .. so using personal experience, sometimes the GTI's are doing " all the work " ( very efficient) and my inverter is simply providing the base grid / start-up surges etc.. this is especially true when the batteries are full and my GTI's are being regulated, or say a large load is switched the GTIs take up all the slack ..

Its actually a very elegant setup using GTI's on the front end of a transformer based inverter as you can effectively put as many as the off grid inverter can handle .. eg. my old house you would regularly see 9kw being backfed through the off grid inverter ( I had 4 GTIs with about " 12kw " solar on that branch). you may see a "efficiency increase " using stand alone mppts on dc as there is more conversion loss using this method,  but cost vs benefit usually sways to using GTIs as they really cheap as are panels, but as mentioned earlier they need to be regulated when the batteries are full.. there are several methods of doing that as also been mentioned..
Edited 2022-04-15 13:48 by noneyabussiness
I think it works !!
 
Godoh
Guru

Joined: 26/09/2020
Location: Australia
Posts: 643
Posted: 06:40am 15 Apr 2022
Copy link to clipboard 
Print this post

Thanks for the input Noneya. So far the most I have ever seen going into my batteries ( 24 volt 660 amp hour) is around 2kw.
So reading your post it makes sense to use the GTI to do the work when the panels are producing too much power.
It will mean putting in a new cable and a new panel ground mount, but I will have more power than I can poke a stick at. Maybe one day we will be able to afford an electric car. ( that is if they ever make a basic electric car, without the wide screen dash screen, heated seats and all the other gaff no one really wants).
I have ordered some 24 volt voltage sensing relays that are settable, so when I have built the new panel rack and put in another cable I will try the GTI out.
At least I have some spare inverters so if one blows up it will not be the end of it all.
Thanks
Pete
 
Murphy's friend

Guru

Joined: 04/10/2019
Location: Australia
Posts: 674
Posted: 07:15am 15 Apr 2022
Copy link to clipboard 
Print this post

Pete, I should have mentioned that in my post above the first schematic is optional. I wanted to switch my 3 solar strings in and out individually (they face in 3 directions) and that method is a lot easier than trying to unplug solar connectors from the inverter.

The "excess" power feeding Noneya mentions is very true but you have to remember, if you are using my on/off battery charging regulator, the voltage sensing relay *will* turn your GTI off when the battery is full.
Loads will then be powered from the battery via your inverter (not grid tie). This goes on until the battery voltage drops low enough for the voltage sensing relay to turn the GTI charging back on.
Depending on your battery capacity this might happen annoyingly often during the day.
I get around this by having a separate 2KW of MPPT charging as well, that keeps loads happy and my battery full for most of the day. This way the GTI gets a rest after each mornings battery top up, unless a heavy power demand drops the battery voltage low enough.

I'm very happy with my home built inverters, they are now very reliable but easy to fix if required. I would strongly recommend to build these for 48V, switching twice the current at 24v requires too many mosfets in parallel - probably the reason why they fail in those commercial units.
 
Godoh
Guru

Joined: 26/09/2020
Location: Australia
Posts: 643
Posted: 07:33am 15 Apr 2022
Copy link to clipboard 
Print this post

Thanks Mr Friend. I totally get the 48 volt idea.
Unfortunately we have new BAE batteries ( now only about 2 years old). I am not prepared to spend another big whack of dollars to double the system.
Like I said our house is tiny, only two rooms and a very small bathroom.
Most of our power goes on running tools and cooking. ( induction cooktop and benchtop oven).
At the moment our system works great for what we want, and we don't want to have a bigger house or more things. We are at the stage of life of winding down, so keeping it simple is what we do.
I figured the first circuit had something with tying all the strings to the GTI.
I only plan on using the GTI on one panel string. They will be an 1800 watt string on a 2kw SMA inverter.
The regulator circuit for the GTI looks great. I have some on order.
I think the main reason that the PowerJacks failed was that they had loose connections inside.
I found burnt wires on the inside of the battery connectors when I fixed it once.
Another time there was some other loose connection that caused overloading.
Seems that once they go bang they just keep doing it. At least the transformers are useful and they can sometimes be bought cheap on ebay second hand.
Thanks again
Pete
 
Clockmanfr

Guru

Joined: 23/10/2015
Location: France
Posts: 437
Posted: 07:43am 15 Apr 2022
Copy link to clipboard 
Print this post

+ 1, as noneyebuissness says...

AC COUPLING.

The only reason i got into the OzInverter was that separate distanced PV GTI coupling installations that run direct to the OzInverter output 220ac.

AC coupling, where the Main Inverter, my OzInverter starts and maintains and regulates the 220acv MINI GRID 50HZ pure sine wave and stable 220vac.
The PV GTI's installation see the stable MINI GRID and start pumping power into that MINI GRID. Any excess 220ac is pushed back through the H Bridge in the Inverter, and with a well wound toroid to specs, the AC coming into the main Inverter becomes DC and charges the batteries.

I have checked and allowed the back charging 220ac that becomes DC to reach 247vac and this becomes about 64vdc if allowed to just run. Note, Each of my 7 GTI's are upto 150 meters away from each other so volatge sag now actually becomes usefull, but each GTI will needs setting up individually. However, at 64vdc my OzInverter shuts down as it sees a overvoltage fault.

As 'noney' says, controlling the GTI's is very important if you do not wish to overcharge your batteries. There are 3 main methods of doing this and folk here use differing concepts.  

I advice that the battery pack that you are using needs to be large enough to absorb the irregularities of the input from the GTI's, and to give out, if the sun goes in for a few seconds, sufficient to keep those appliances running from the battery.

For a 48v system then 800ah should be seen as minimum storage with a true 6kw Main inverter. I have seen 600ah system but the batteries get hard treatment on those surge moments.

Normally if your Main inverter can give out 6KW all day on batteries then up to 12KW of GTI's can be AC coupled into your system. But there is little actual empirical evidence out there in this regard.

I have had my AC coupled system running for 7 years now and every year i add some more GTI's and PV to the system. I am now at 11kw of PV on GTI's, and another 9.6kw array going in very soon.

Using the GTI's, and i use second hand old used ones, actually means that the batteries don’t get much use, which is good in my book.  The nice thing about GTI's is that they have MPPT so they squeeze every last drop of power from the PV in those gloomy winter days when you need every drop of energy.

I have aslo found that GTI's above 3Kw tend to to be contantly cutting in and out with there PV power, so i recommend 2,5kw GTI's or smaller.
Edited 2022-04-15 17:50 by Clockmanfr
Everything is possible, just give me time.

3 HughP's 3.7m Wind T's (14 years). 5kW PV on 3 Trackers, (10 yrs). 21kW PV AC coupled SH GTI's. OzInverter created Grid. 1300ah 48v.
 
Godoh
Guru

Joined: 26/09/2020
Location: Australia
Posts: 643
Posted: 10:13pm 15 Apr 2022
Copy link to clipboard 
Print this post

Thanks Clockman for your input.
My system is obviously very much smaller than yours. You sound like you run a village or an accomodation business.
My main inverters are only 2400 watt. I think that 100 amps is the most I want to pull from my batteries.
My lighting is 12 volt, the fridge is 24 volt.
The only loads I run are under 2400 watts so my system is pretty small compared so some.
I have 5kw of panels at the moment but that is only because we get a lot of fog and cloud so I want to get charge in even with cloud cover.
It is great to read of others experiences and how their systems work.
Thankyou
Pete
 
Print this page


To reply to this topic, you need to log in.

The Back Shed's forum code is written, and hosted, in Australia.
© JAQ Software 2026