Home
JAQForum Ver 24.01
Log In or Join  
Active Topics
Local Time 23:49 22 Apr 2026 Privacy Policy
Jump to

Notice. New forum software under development. It's going to miss a few functions and look a bit ugly for a while, but I'm working on it full time now as the old forum was too unstable. Couple days, all good. If you notice any issues, please contact me.

Forum Index : Electronics : Expandable BMS with Separate Controller

Author Message
Solar Mike
Guru

Joined: 08/02/2015
Location: New Zealand
Posts: 1203
Posted: 01:03am 10 Feb 2022
Copy link to clipboard 
Print this post

I have three 48v banks of lead carbon 6V 300AH batteries that are paralleled together via 250A breakers. Each bank has 8 series connected batteries mounted in a heavy steel rack.

Even after initially placing all 24 batteries in parallel and charging to 6.9V until their combined charge current dropped to < 1amp, their voltages vary all over the place when put back in series and connected to a charger.

These sealed batteries have very tight limits on charging voltage bit like Lifepo4 cells and seem to me require a BMS to keep individual battery voltages within correct values especially at the top Bulk charge point. So I have simplified one of my older BMS designs to suit LA batteries, some of the semi-conductors in previous design are now not available due to shortages; most of the parts here are available on AliExpress.

Each board can manage 8 "cells" between 2 - 12v and has an active over-voltage discharge of just over 1 amp, as the sensing and load control is via serial shift registers, multiple boards can be linked for higher voltage banks or if 2V cells are used.

CPU board being designed now on a small 100 x 100 pcb. Not sure what cpu yet.
Will publish schematic soon as I have drawn it up.

Top 140 x 120mm:


Bottom:



Cheers
Mike
Edited 2022-02-10 11:07 by Solar Mike
 
Solar Mike
Guru

Joined: 08/02/2015
Location: New Zealand
Posts: 1203
Posted: 10:51am 12 Feb 2022
Copy link to clipboard 
Print this post

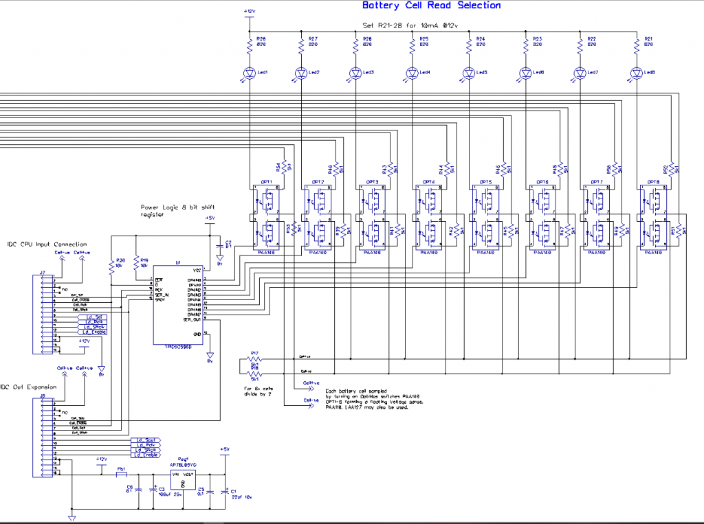
Finally drawn up a schematic for the 8 battery cell pcb, no errors on the pcb so previous layout is unchanged.








Schematic.pdf



The schematic is broken into 2 sections;
Balancing load and floating voltmeter cell selection, interface is by power logic serial 8 bit shift registers, one for the loads, other for cell selection.
Having a serial interface allows adding the same pcb as an expander to another 8 batteries.

The connection by 16 pin IDC ribbon cable. For a CPU I'm using the Picaxe 40X2 chip as I need just over 20 IO's with 5v logic, The PI RP2040 could possibly be used but its limited in ADC's with bad quality that don't meet published spec at best and I would also have to use many 3.3/5v converters, so that sort of rules it out. The Picaxe cpu isnt too expensive when purchased >10 direct from the UK store.

Will look at the floating voltmeter CPU circuitry next.

Cheers
Mike
 
Solar Mike
Guru

Joined: 08/02/2015
Location: New Zealand
Posts: 1203
Posted: 11:49am 18 Feb 2022
Copy link to clipboard 
Print this post

Controller module done, have used a 40 pin Picaxe 40X2 as the CPU.
All IO pins used except 1, so may bring that out for something.

Have decided to use two PAA140 opti-mos dual switches to allow an isolated flying capacitor voltage measurement arrangement, rather than a linear opto coupler analog isolator as these are getting hard to get and I dont want to wait until 2023 to build it. The Opti-mos switches require several milli seconds delay and timing is critical, but they do work quite well in this type of application.

Cell balance Start volts, Max, Min, Delay and Duration are set with multi-turn pots using a precision voltage ref. The output three relays Cell High, Low, Balancing allow switching of external contactors.

Will draw up a schematic to check the design.

Top 145 x 100mm:



Bottom:



Cheers
Mike
 
noneyabussiness
Guru

Joined: 31/07/2017
Location: Australia
Posts: 527
Posted: 09:14pm 18 Feb 2022
Copy link to clipboard 
Print this post

fantastic effort mike as always... thank you for posting this
I think it works !!
 
Solar Mike
Guru

Joined: 08/02/2015
Location: New Zealand
Posts: 1203
Posted: 12:58am 20 Feb 2022
Copy link to clipboard 
Print this post

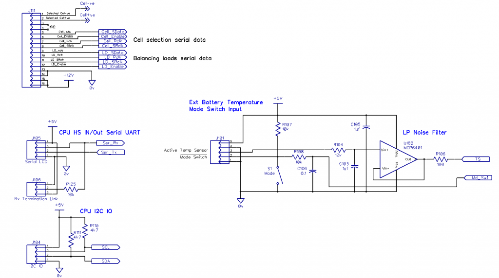
Have made progress on the schematic, drawn up 99% of it to check for any errors on the pcb, found only 1 and re-labelled the components, so will produce updated gerbers.

Not shown are the CPU serial programming connections or the battery derived 12V and 5V supplies as these are sort of obvious from the pcb layout.
Also missing are the two 5pin bus resistor arrays connected to the output battery cell IO card.

Have never built anything using the Picaxe 40 cpu, it does take up a lot of board space, perhaps I should have ordered the 1/3rd size smd version; may have been possible to make the pcb fit on a 100x100 pcb.

The reason for making the controller on a separate pcb, is so other CPU types could be used without having to re-design the whole battery interface.
It would be an easy exercise to make another CPU card that plugged into 40 pin Picaxe socket, as long as it has 5v logic as this is required by the battery cell interface.

Here are the schematics:

All IO pins used here, makes a change from having to use extra IO expander chips.



CMOS version of the ULN2003 driver used here to switch the relays, just makes things easier than individual mosfets + diodes etc.
The two cell volts High\Low relays are used for turning off external contactors should any cell exceed the preset limits. The balancing relay can be used to communicate to a PV controller to dial back its charge current?, Piezo output is an alarm to say something has gone wrong.



Have allowed for an I2C or serial output to drive a small 4 line LCD screen, to display individual cell voltages etc. The battery temperature and a mode switch also connect here.


Have used a 4.096V reference chip here (with 20mA drive) to supply a reference to the CPU ADC+ and stable supply to the five multi-turn preset pots, rather than have some sort of on screen menu for changing the battery cell values, seemed easier to adjust a pot.



Floating voltmeter, Opti-Mos dual switches charge a polyprop type capacitor, then the cap gets switched to a high impedance input rail/rail op amp. After the ADC reading a mosfet discharges the cap ready for the next read. If the timing is wrong something could possibly smoke, however the cell connections are via 10k resistors on the main IO board so currents will be quite low.

I have used lots of leds everywhere, mainly as an aid for getting the software working, in practice they could be left out; these boards will be mounted on a large flat alloy sheet against a wall with Perspex cover, lots of blinky leds look good!


Cheers
Mike
 
Solar Mike
Guru

Joined: 08/02/2015
Location: New Zealand
Posts: 1203
Posted: 03:04am 20 Feb 2022
Copy link to clipboard 
Print this post

Amended PCB for above 100x145mm:







Gerbers_BMS3_Controller.zip

Images bit blurry sorry, JLPCB gerber viewer is broken again, it has the clearest images.
Anyone know of a Gerber viewer that produces decent images??

Cheers
Mike
 
Solar Mike
Guru

Joined: 08/02/2015
Location: New Zealand
Posts: 1203
Posted: 08:55am 20 Feb 2022
Copy link to clipboard 
Print this post

Just about ready to send the gerbers for this project off to be made, soon as JLPCB gerber viewer is fixed.

Meanwhile have decided to use a single 9 pin plug and pcb socket for the battery cell interface pcb, this will make it easier to make up the wiring loom back to the individual batteries and not short something out.
Have changed the board and new layouts +  gerbers attached, circuit hasn't changed.

Top 129 x 140mm:







Gerbers_BMS3.zip


Cheers
Mike
Edited 2022-02-20 18:56 by Solar Mike
 
Print this page


To reply to this topic, you need to log in.

The Back Shed's forum code is written, and hosted, in Australia.
© JAQ Software 2026