Home
JAQForum Ver 24.01
Log In or Join  
Active Topics
Local Time 19:00 23 Apr 2026 Privacy Policy
Jump to

Notice. New forum software under development. It's going to miss a few functions and look a bit ugly for a while, but I'm working on it full time now as the old forum was too unstable. Couple days, all good. If you notice any issues, please contact me.

Forum Index : Electronics : Inverters and other things

Author Message
BenandAmber
Guru

Joined: 16/02/2019
Location: United States
Posts: 961
Posted: 01:29am 23 Jan 2020
Copy link to clipboard 
Print this post














Just things I thought was interesting when I was surfing the net
be warned i am good parrot but Dumber than a box of rocks
 
BenandAmber
Guru

Joined: 16/02/2019
Location: United States
Posts: 961
Posted: 05:42am 26 Jan 2020
Copy link to clipboard 
Print this post




















be warned i am good parrot but Dumber than a box of rocks
 
BenandAmber
Guru

Joined: 16/02/2019
Location: United States
Posts: 961
Posted: 10:54pm 29 Jan 2020
Copy link to clipboard 
Print this post

Has anyone tried the egs003  

if so how does it compare to the EGS oo2

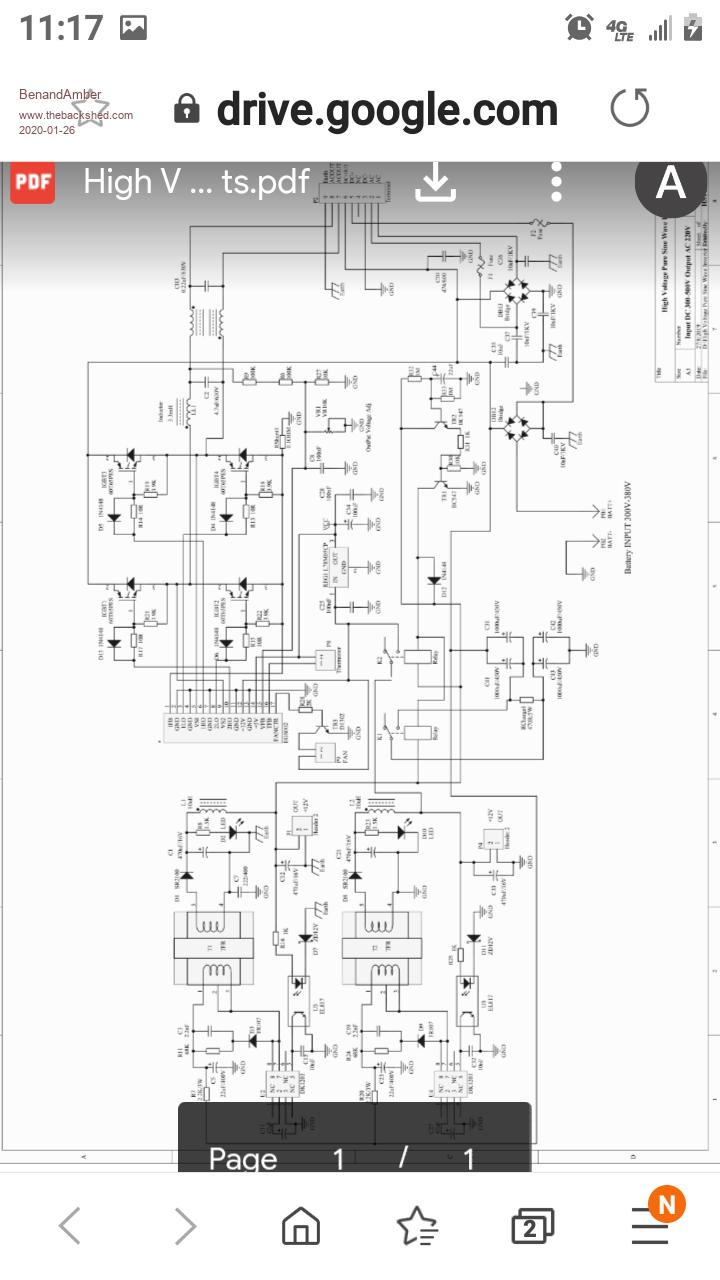
did anybody notice the funny looking Transformers

I think it's the six picture up from the bottom

Those Transformers are in the Chrome colored inverter in the picture right above it
be warned i am good parrot but Dumber than a box of rocks
 
BenandAmber
Guru

Joined: 16/02/2019
Location: United States
Posts: 961
Posted: 05:01pm 05 Feb 2020
Copy link to clipboard 
Print this post






be warned i am good parrot but Dumber than a box of rocks
 
BenandAmber
Guru

Joined: 16/02/2019
Location: United States
Posts: 961
Posted: 05:40am 06 Feb 2020
Copy link to clipboard 
Print this post






be warned i am good parrot but Dumber than a box of rocks
 
BenandAmber
Guru

Joined: 16/02/2019
Location: United States
Posts: 961
Posted: 08:16pm 06 Feb 2020
Copy link to clipboard 
Print this post

Power Jack has started making their own Transformers in house

They have decided that they need larger Transformers in their inverters

I know at least since 2014 Oz and all of you guys have been upgrading Power Jack

Sean at genetry solar along with a programmer named Sid have came up with a new Wi-Fi LCD screen 4 power Jack inverters

They Flash the CPU and totally reprogram everything

Sean has said the charging feature works right now and they fixed all the bugs

This new Wi-Fi LCD has built in Wi-Fi

Sean is saying you can do anything to your inverter from anywhere in the world

This new Wi-Fi board has like six pwm fan sockets 6 or 8 places for temperature sensors

I guess you can do just about anything to your inverter over the Internet

I can't remember what all the Futures

But Sean says they have added every feature anyone could ever want

I think that the Wi-Fi feature is pretty awesome

I told Sean numerous times to bring his stuff on here

This site not only represents the leaving Edge it also has the ability to make it happen

We have all seen numerous times the other inverter manufacturers copy you guys why not him too

I don't know who Sid is and don't have much faith in him

he might be the best there ever was I just don't know nothing about him

But I do no the capabilities of the people on this site

If I was a company that was making anything to do with inverters I would bring it here first

I think he is selling them for around $200

It sounded pricey to me at first but then I thought about all of the hard work it goes into something like this

The Wi-Fi feature alone is worth the money in my book

I think before I would buy one I want to hear what you guys have to say about it first

I think the best thing that he could ever do is give a few of them 2 some of you guys on here

I think it would be a very small price to pay for the incredible amount guidance he would get
Edited 2020-02-07 06:31 by BenandAmber
be warned i am good parrot but Dumber than a box of rocks
 
Print this page


To reply to this topic, you need to log in.

The Back Shed's forum code is written, and hosted, in Australia.
© JAQ Software 2026