Home
JAQForum Ver 24.01
Log In or Join  
Active Topics
Local Time 08:04 24 Apr 2026 Privacy Policy
Jump to

Notice. New forum software under development. It's going to miss a few functions and look a bit ugly for a while, but I'm working on it full time now as the old forum was too unstable. Couple days, all good. If you notice any issues, please contact me.

Forum Index : Electronics : nano inverter drive problem?

Author Message
Tinker

Guru

Joined: 07/11/2007
Location: Australia
Posts: 1904
Posted: 09:45am 24 Nov 2018
Copy link to clipboard 
Print this post

Poida's interesting experiments with the 328P nano enticed me to try if I can duplicate some of them.

So the nano (on a bread board) was connected to trimpots to make it run when the ON button was pushed (thanks gaspo for helping with that).

There is this trace at D9 & D10 pins - via the resistor /cap filter:





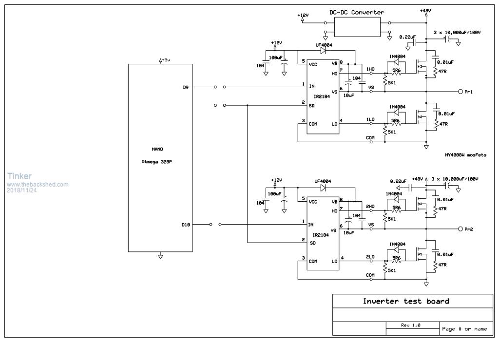
Now what an I do with that? Made a little test board, using this schematic:




Please disregard the big capacitors shown at the 48v rail, only 2 x 4700uF are used.


But the output from that is anything but nice. A quite vague sine wave, with lots of noise spikes appears on the 235V AC side of my little test toroid.
Toroid making unhappy noises.
Bench power supply (50V) drawing too much current for no load output.
2 of the 4 mosfets are getting hot.

Can anybody see a problem with my schematic? I keep staring at it but obviously cant see if there is something wrong .

Any clues are welcome. Edited by Tinker 2018-11-25
Klaus
 
wiseguy

Guru

Joined: 21/06/2018
Location: Australia
Posts: 1267
Posted: 11:30am 24 Nov 2018
Copy link to clipboard 
Print this post

  Tinker said  
Can anybody see a problem with my schematic? I keep staring at it but obviously cant see if there is something wrong .
Any clues are welcome.


Tinker, it may be a problem with the layout and grounding more than the circuit. The only unusual thing I could see in the circuit is 2 x 1n4004 diodes on the FET gates - these should be UF4004 some use 1n4148's but Im nor sure they are causing this problem.

Perhaps you could sketch or take a picture - not so we can see how neat it is but more to see the grounding. Because the IR2184's only have a single ground pin for the digital input and drive output it is a bit critical for grounding.

The nano should connect as close as possible to the 2 x pin 3 connections to the IR2184, this is also the exact point the output Fets sources should be tied to. I assume the SD pin of the IR2184's is connected to pin 8 of the nano board - with a 1K pull down resistor. If all is ok except for the distorted output try adding a 1nF capacitor between pins 2 & 3 of both IR2184's - perhaps the SD pin is picking up noise ? Which 2 FETs are getting hot - I assume you are using a choke in series with the toroid ?.
Report back good or bad news. Edited by wiseguy 2018-11-25
If at first you dont succeed, I suggest you avoid sky diving....
Cheers Mike
 
Tinker

Guru

Joined: 07/11/2007
Location: Australia
Posts: 1904
Posted: 05:12am 25 Nov 2018
Copy link to clipboard 
Print this post

Thanks wiseguy, you were spot on - it looks like a grounding problem.

Connecting the ground to IC2 exactly the same way as at IC1 (an oversight of mine) did improve the trace, the mosfets no longer got hot either.

The whole exercise was just to see how that 2 wire drive signal looks at the power end. And I got a grounding lesson in the bargain .

I'm more inclined now to go the opto isolated way as you are planning.
To this end I would like to tap some more into your expertise with this question:

Given that the nano and the mosfet drives are physically somewhat separated, what would be better;
To locate the IR2184 outputs close to the TLP152 opto and from there use longer plaited (Sig, +, -) wires to the TC4452 drivers.

Or to locate the TLP152 close to the TC4452 on the mosfet board and use the 3 longer wires to connect the IR2184 outputs to the opto input?

I am using that plaited wire trick with the totem pole drivers & EG8010 at the moment, this works interference free. I'm not a fan of using ribbon cable for this and then from its power board socket long gate drive tracks all over the PCB as the original ozinverter does.
Klaus
 
wiseguy

Guru

Joined: 21/06/2018
Location: Australia
Posts: 1267
Posted: 08:38am 25 Nov 2018
Copy link to clipboard 
Print this post

  Tinker said   Thanks wiseguy, you were spot on - it looks like a grounding problem.

I'm more inclined now to go the opto isolated way as you are planning.
To this end I would like to tap some more into your expertise with this question:

Given that the nano and the mosfet drives are physically somewhat separated, what would be better;
To locate the IR2184 outputs close to the TLP152 opto and from there use longer plaited (Sig, +, -) wires to the TC4452 drivers.

Or to locate the TLP152 close to the TC4452 on the mosfet board and use the 3 longer wires to connect the IR2184 outputs to the opto input?

Dont beat yourself up about the grounding, lots of engineers at times forget about ohms law and keeping current paths short and direct. Avoid input signals from that path is a must, a piece of wire can be just that, but is also part inductor or resistor or both and with fast switching (implying peak current involved) can cause all sorts of issues.

Your second option is how I have configured mine & I chose it as the better way.
Place the TLP152 & TC4452 in close proximity to each other & on the mosfet board. and drive the TLP152's LED from the IR2184 located on the controller board.

Dont forget the opto's current limit resistor - about 10mA is the right drive current and from 12V requires ~1K or with 15V ~ 1K3.

Its not clear whether you are still planning to use the totem pole drivers - in which case the TLP152 could drive them directly. If not using totem drivers the TC4452 is the way to go. Although I did not use a diode in parallel with the 4R7 gate resistors (anode towards the gate) it might be prudent to add them to your PCB layout just in case faster turn off may be required.


If at first you dont succeed, I suggest you avoid sky diving....
Cheers Mike
 
Print this page


To reply to this topic, you need to log in.

The Back Shed's forum code is written, and hosted, in Australia.
© JAQ Software 2026