| Author |
Message |
South Easter
 Newbie
 Joined: 18/06/2007 Location: Posts: 36 |
| Posted: 06:08pm 15 Sep 2007 |
Copy link to clipboard |
 Print this post |
|
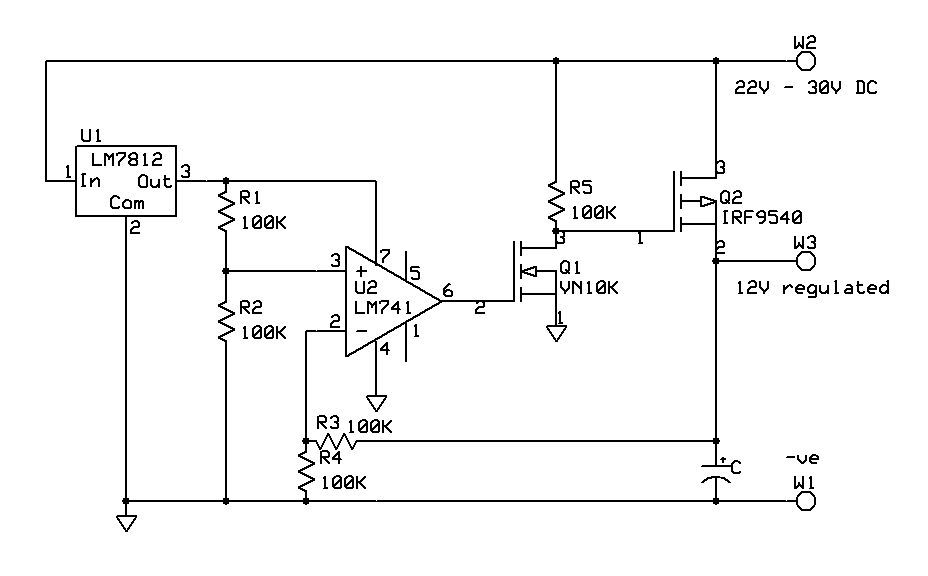
I run 24V, but sometime would like to run 12V appliances, so I designed this circuit. I am a bit of a newbie to electronics, so comments and suggestions would be most welcome. South Easter
http://windpower.org.za |
| |
RossW Guru
 Joined: 25/02/2006 Location: AustraliaPosts: 495 |
| Posted: 11:01pm 15 Sep 2007 |
Copy link to clipboard |
 Print this post |
|
If you only require very low power, fine.
Linear (series) regulators of this form are HORRIBLY inefficient and get VERY hot. If you want 12V out, and have (lets say) 24V in, for every watt you use, you are dissipating 1 watt in the regulator. It will get plenty hot.
If you are only pulling a watt or two, thats probably not too bad - but then if you have such modest power requirements, why not just tap your battery bank? Such a small drain will go almost un-noticed by your batts, and you could periodically change from "top half" to "bottom half" anyway.
Just my 2c worth. |
| |
Robb Senior Member
 Joined: 01/08/2007 Location: AustraliaPosts: 221 |
| Posted: 01:50am 16 Sep 2007 |
Copy link to clipboard |
 Print this post |
|
As RossW says you are waisting 50% of used power.
Just be carefull if using the top half of your battery bank as if the applience has an earth reference to any other equipment you may be in trouble.
Useing half only over time will cause trouble. I'v seen a few truckies stuff their batterys with car amps etc that way. "but it was profesionaly installed" he said.
For efficiancy you want is a well filtered & shielded switchmode reg |
| |
South Easter
 Newbie
 Joined: 18/06/2007 Location: Posts: 36 |
| Posted: 05:22am 16 Sep 2007 |
Copy link to clipboard |
 Print this post |
|
Thanks for comments. Somehow I don't like the idea of using half the battery bank - it means more wiring, and remembering to switch over occasionally.
Is there a simple efficient step down circuit posted somewhere that you know of? South Easter
http://windpower.org.za |
| |
South Easter
 Newbie
 Joined: 18/06/2007 Location: Posts: 36 |
| Posted: 06:37am 16 Sep 2007 |
Copy link to clipboard |
 Print this post |
|
Oh, and the FET Q2 is upside down above, just in case anyone tries to use the circuit! South Easter
http://windpower.org.za |
| |
RossW Guru
 Joined: 25/02/2006 Location: AustraliaPosts: 495 |
| Posted: 11:10am 16 Sep 2007 |
Copy link to clipboard |
 Print this post |
|
"simple efficient step-down" - you need to toss us some crumbs here, mate.
How much power are you wanting to supply? A 12V bias supply for a digital panel-meter is a whole different animal to running your 4KW 12V audio amplifier! |
| |
South Easter
 Newbie
 Joined: 18/06/2007 Location: Posts: 36 |
| Posted: 12:15pm 16 Sep 2007 |
Copy link to clipboard |
 Print this post |
|
Sorry mate... I would like to run any arbitrary 12V appliance off my 24V bank. So 10A at 12V would be nice.
I could also use it as a Point of Load converter, to run say 12V CFLs, in which case 1 - 2A would be needed.
And finally, I may run 12V LED fixtures using it, which would draw max 200mA.
One design that fits all would be nice, so that I just change a FET or something for larger current. South Easter
http://windpower.org.za |
| |
South Easter
 Newbie
 Joined: 18/06/2007 Location: Posts: 36 |
| Posted: 09:35pm 18 Sep 2007 |
Copy link to clipboard |
 Print this post |
|
Built it, and here is (the second version) driving a 12V CFL at around .75 amps. The PFET started to get very hot within a few seconds, and then began to smoke quietly... But all still works, and is fine for low current.
 South Easter
http://windpower.org.za |
| |