Home
JAQForum Ver 24.01
Log In or Join  
Active Topics
Local Time 10:38 23 Apr 2026 Privacy Policy
Jump to

Notice. New forum software under development. It's going to miss a few functions and look a bit ugly for a while, but I'm working on it full time now as the old forum was too unstable. Couple days, all good. If you notice any issues, please contact me.

Forum Index : Electronics : Mosfet & driver tester

Author Message
Murphy's friend

Guru

Joined: 04/10/2019
Location: Australia
Posts: 674
Posted: 02:06pm 18 Nov 2020
Copy link to clipboard 
Print this post

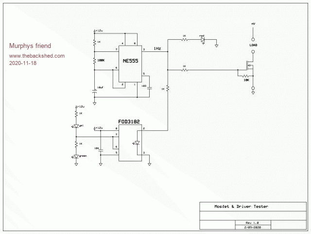
Here's a handy little tester to check if that Mosfet or driver is still working. It's just a basic Go/No Go test not a switching speed etc. test.

The neat thing is while the LED shows what's going on when the Mosfet Drain is linked to the 12 or 15v supply, the Mosfet can also have a different, more powerful drain voltage supply to test it for switching some serious current. I use a 12V halogen spotlight for this.

The driver tester IC socket can accept FOD3182 or HCPL-3120 drivers, the latter requires 15V at the Vcc input.
The LED's turn on alternating if the driver works OK.

The driver socket can simply be not fitted if that function is not required.

My thanks go to warpspeed for suggesting making such a tester.

Its a simple Veroboard job but the Mosfet tracks need to be beefed up if high current testing is required,










 
Print this page


To reply to this topic, you need to log in.

The Back Shed's forum code is written, and hosted, in Australia.
© JAQ Software 2026