Home
JAQForum Ver 24.01
Log In or Join  
Active Topics
Local Time 12:55 24 Apr 2026 Privacy Policy
Jump to

Notice. New forum software under development. It's going to miss a few functions and look a bit ugly for a while, but I'm working on it full time now as the old forum was too unstable. Couple days, all good. If you notice any issues, please contact me.

Forum Index : Windmills : 2 Stage Cutin Coils Idea.

Author Message
Downwind

Guru

Joined: 09/09/2009
Location: Australia
Posts: 2333
Posted: 12:23pm 31 Oct 2010
Copy link to clipboard 
Print this post

An idea i have been thinking about, is winding a set of coils for a 2 stage cutin.

The theory is to use 2 wire sizes in the windings, 1 large gauge wire as normal and a lighter gauge wire.
The large gauge wire would be wound as per normal for a standard calculated cutin, while the lighter gauge wire would be wound with up to twice the turns for a cutin of half the speed of the main windings.

The light windings would give a lower amp output but would contribute some current at low speed where as there would be normally no charging taking place.

It should work similar to a cap doubler. I am not a fan of cap doublers and think they are a good bandaid for a bad design alternator.

I have not seen anywhere where 2 stage coils have been tried, but like everything it would be foolish to think it has not been done before.

I have spoken to several people on using this method and so far no one has found a problem with the design idea, so i am asking the masses what your thoughts are and can anyone see a problem.

My thoughts was to wind the wire strands in hand within the same coil, a discussion with Gordon on this and his suggestion was to wind a lighter coil in the centre of the main coil.

A discussion with Glenn and his suggestion was to series both coils as you would with a centre tap transformer.
This has advantages, being the need for less copper wire as the main coils would be used in conjunction with the lighter coils.

It would make for the need to separate rectifier each windings on the mill head and bring DC down the tower or have extra sliprings for the second windings.

Looking at a F&P stator i see no reason that light gauge windings could not be added to the outside of the existing coils to achieve the same results.

The wire size of the light windings is not that important and would be what ever you could fit into the gap available,
as normal the larger the wire the greater the current output, but the current dont matter greatly as it will give something where normally you would get nothing.

1 or 2 amps at low speed i think is a great result, the wire could be as fine as cotton or as heavy as can be physically allowed by the space.

It would be a bugger of a job adding the windings to a F&P but think the results would be worth it.

Winding coils for a AXFX mill for dual cutin should be reasonably easy.

You would not want the light coils to heavy in wire size so as to load the mill excessively and prevent it from reaching the normal cutin speed.

Open to thoughts and ideas, and any information on where this has been tried before and the results.

As Mac would say ....Im out to make a better mouse trap!!

Pete.

Sometimes it just works
 
Gizmo

Admin Group

Joined: 05/06/2004
Location: Australia
Posts: 5177
Posted: 12:53pm 31 Oct 2010
Copy link to clipboard 
Print this post

Hi Pete

Yeah I think it has potential. I have a suspicion the AirX turbines use two different windings, one with many turns of light wire, and the other less turns of thicker wire. Each is rectified separately. One winding cuts in earlier, so makes use of low winds, and with its higher resistance, it wont load the turbine too much, allowing it to speed up as the winds increase. In higher winds the other coil cuts in.

I did some work with staggered stators a few years ago, similar idea, but using the existing windings instead of adding additional windings. My best performing windmill was a dual stator with staggered windings, it had 4 different cut in speeds! It would be running most of the day in light winds, making a amp or maybe 2, where the previous windmill wouldn't be making any power at all. As the wind picked up, so did the current, without a big increase in turbine speed. Each stage would add a bigger load to the turbine as it increased in speed. It matched the wind power very nicely. http://www.thebackshed.com/windmill/articles/StaggeredStator s.asp
Its a idea I wanted to develop further, but had to pack it all up. I still have the dual stator, and think it could match up to a set of the extruded blades well.

You idea of winding an addition coil over the existing F&P stator is a good idea. There is enough room, especially on a 100 series stator, a stator which could benefit the most I think.

Glenn
The best time to plant a tree was twenty years ago, the second best time is right now.
JAQ
 
VK4AYQ
Guru

Joined: 02/12/2009
Location: Australia
Posts: 2539
Posted: 01:35pm 31 Oct 2010
Copy link to clipboard 
Print this post

Hi Pete

Sounds good to me as the fine wire would fit in the coil space of the larger wire with the balance wound either on the inside or the outside, the biggest drawback I think would be the extra set of slip rings required to keep all the guts of it in the shed.

The other one is to leave the standard windings and get an early cut in with a down converter taking the whole lot down to charge voltage.
I know that would require some electronics, but can be set up to bypass should the down converter fail. It could be made much more reliable than a lot of the regulators getting around.

On my old Chinese mill that I have had running for a while I use two sets of rectifiers one pull the lower voltage out to a grid feed Inverter, it works up to 10 amps 280 watts and then limits at that due to the internal regulation on the GFI, At about 5-6 amps it starts to feed the batteries and then goes to 30+ amps into the batteries wind speed dependent. An interesting point on this is that it makes the cut in to the battery earlier, I feel it is by loading the coils and making the generator work a bit better.
With the Cap doubler the best it would was 2 amps into the battery. 56 watts.

All the best

Bob
Foolin Around
 
Greenthumbs

Regular Member

Joined: 05/12/2008
Location: Australia
Posts: 40
Posted: 08:01pm 31 Oct 2010
Copy link to clipboard 
Print this post

Sounds like a good idea Pete,
I have a TC48 connected to the mill.
Although I have only just had the mill going for a few weeks and have tried many staggered windings the problem I seem to get is that the wind is only slight and ranges right up to mill destruction point.
Most of the time the mill turns just below humming and I want to use that power but it is just not making 57 volts which is where the TC48 starts feeding the inverter.
80s have worked best so far but because of the high wind times I am reluctant to install 60s to catch the low wind because of the need for loading.
Twin windings would maybe over come this.

The only thing that could be a problem in my case is I have a window of 57 volts to 75 volts.
At 57 volts the TC48 starts feeding, at 75 volts the TC48 puts a pma brake on so when the 100s stator start to generate good voltage the smaller winding would most likely hit 75 volts and slow the whole show down.

My thought has been to put some sort of voltage regulator after the separate rectification of the smaller windings and then a diode.
Then when the small windings get to say 60 volts and stay there at very low revs.
It can increase in current but not voltage and then the larger winding can start to load the mill up as it gets faster and if those winding hit 75 volts then the braking will still work.
Diode is to stop the regulator from seeing any voltage from the larger 100s motor.

Only thing that has stopped me so far is I dont know enough about regulators to make one that runs a 58 to 74 volts and It is not a voltage that you can just go out and buy one. I could build one if I had a simple circuit.

The staggered winding idea is great but hit and miss for me coz I do not have anyway of testing the cutin speed of the staggered windings besides mill up mill down wait for the wind.

Damien

Small side question.
KarlJ has said that My TC48 should have a dumpload modification done instead of the pma brake function. I had been thinking the same as the mill does not come to a stop when brakes are applied. Would like to know you guys opinion? As Latronics say its fine but I have my doubts!
 
Greenthumbs

Regular Member

Joined: 05/12/2008
Location: Australia
Posts: 40
Posted: 09:37pm 31 Oct 2010
Copy link to clipboard 
Print this post

Found this just a moment ago while looking for something else.

It is a load stepper circuit

http://www.ecoinnovation.co.nz/p-96-load-stepper-board.aspx
 
Big Al

Newbie

Joined: 06/10/2010
Location: United Kingdom
Posts: 38
Posted: 09:49pm 31 Oct 2010
Copy link to clipboard 
Print this post

The electrics are beyond me at this stage (I'm supposed to have trained as an Electrical Engr.-but it was a long time ago ) but I love the principle .The idea of different coils switching in to generate some power at low speeds and more importantly to regulate speed in high winds I like a lot. High winds may not occur for a large percentage of time but multiply the potential o/p in high winds by say 10 ( probably a conservative figure) and they are worth trapping , not wasting in heat you can't use , or even worse ignored because the mill can't stand the strain unless it's built of titanium. I don't think you could rely totally on speed limiting by electrical load but as one stage of a two stage system it actually gives you something.Sounds rather like the system Glenn built having read his article on staggered rotors..

Current technology seems to be like building a wonderful F1 engine and then saying we know it's wonderful but don't go over 7000 rpm.

Sorry I can't add anything useful on the electrical technology front but I'm getting there.Edited by Big Al 2010-11-02
Big Al

Every Day is a school day (even at 67)
 
GWatPE

Senior Member

Joined: 01/09/2006
Location: Australia
Posts: 2127
Posted: 11:03pm 31 Oct 2010
Copy link to clipboard 
Print this post

Hi Pete,

For those windmills already out there, the same voltage boost cct can be achieved with some additional low power transformers and separate rectifiers. The same 3 slip rings can then be used, so no tower/alternator mods. The transformers secondary windings would be star connected to the main 3phase outputs. The primary outputs would be individually rectified and connected to the main DC leasds after the primary rectifier bank. The turns ratio would be 2:1, primary:secondary.

For the F&P mod, or other alternator mod, resistance may need to be added to current limit and prevent blade stalling. The wire guage/total resistance of the additional windings has to current limit at above normal cutin.

Gordon.




become more energy aware
 
Downwind

Guru

Joined: 09/09/2009
Location: Australia
Posts: 2333
Posted: 07:02am 01 Nov 2010
Copy link to clipboard 
Print this post

A problem with windmills is they don't charge a battery fully as the battery can not absorb all the amps when it is near fully charged and the volts increase causing the controller to divert power or shut the mill down.

With iron core machines using a dump load the secondary windings could stay on line to the battery longer after the main windings have switch to diversion.

The reason being as the secondary windings will only generate 1 or 2 amps the battery can soak this up longer before the need to control this power to.

As the secondary windings have little influence over the mill they could be disconnected and no need to divert these.

They could be even voltage regulated and connected constantly as trickle charge.

I can see many advantages for this sort of configuration, and as yet found no disadvantages.

Pete.
Sometimes it just works
 
wind friend

Newbie

Joined: 01/05/2007
Location: Australia
Posts: 39
Posted: 09:09am 01 Nov 2010
Copy link to clipboard 
Print this post

Hi Downwind,

Do you think that two coils wound at the same time, connected series in low wind and then in parallel for higher wind would work. A carefully chosen gauge may allow enough turns to get the volts and be able to handle the current.

Some frequency based switching with hysterisis could control the switching. Dunno just thinking out loud.

Hans
 
Downwind

Guru

Joined: 09/09/2009
Location: Australia
Posts: 2333
Posted: 01:03pm 01 Nov 2010
Copy link to clipboard 
Print this post

Switching would work....But...i am not a fan of switching as it is a weak link in a vital part i think.
Also one has to be careful not to load the mill at the low speed end to excessively, as this will impact on the mill reaching a normal operating speed.

My thoughts is not to be greedy at the low end and generate a little bit of usable power where there would normally be no power, of a high enough voltage to reach a cutin to the battery.

There is many ways one could do this and achieve a similar out come, but the little voice inside my head keeps telling me to not mess with the existing main windings and keep these a system to itself.
It is a well proven and reliable system that is some what bullet proof (unless your name is Andrew)

The addition of a second set of light windings is not hard to do and is a stand alone system from the main coils.
The wire gauge would be the limiting factor of what extra load was placed on the mill.

Pete.
Sometimes it just works
 
MacGyver

Guru

Joined: 12/05/2009
Location: United States
Posts: 1329
Posted: 04:40am 05 Nov 2010
Copy link to clipboard 
Print this post

[Quote=Downwind]A problem with windmills is they don't charge a battery fully as the battery can not absorb all the amps when it is near fully charged and the volts increase causing the controller to divert power or shut the mill down.

Hi, Pete.

Why not just build an itty-bitty windmill like the ones I build. You could make the cut-in speed a bit higher than normal to allow the thing to spin up and gain some momentum, so it wouldn't switch on and off, back and forth. Seems to me having even a couple small ones would be more economical than risking a run-away or a "cook-out" on your larger machine.

Just a thought.



. . . . . Mac




Nothing difficult is ever easy!
Perhaps better stated in the words of Morgan Freeman,
"Where there is no struggle, there is no progress!"
Copeville, Texas
 
Downwind

Guru

Joined: 09/09/2009
Location: Australia
Posts: 2333
Posted: 05:54am 05 Nov 2010
Copy link to clipboard 
Print this post

I had considered a toy machine but there is as much work in a toy as a real machine, and at the end of the day it is only a stator that would need to be changed out should things fail.
The stator is the least cost to make and no real big deal, so the plan will be a full turbine that will give some true life data.

The theory can be bench tested with using a modified ac transformer to produce the magnetic flux.

Too many things on the to do list and only so much time.
I will get to it but not just for the moment.

Pete.
Sometimes it just works
 
MacGyver

Guru

Joined: 12/05/2009
Location: United States
Posts: 1329
Posted: 05:46pm 05 Nov 2010
Copy link to clipboard 
Print this post

Downwind

Hi, Pete. Being tool-less for a while more, I've been designing an "off-the-shelf" axial-flux alternator that can be built with hand tools (although a band saw really helps). I'll try to slam one together and post it here. Maybe it's something you could use as a low-end topper-offer.

Although it is designed to be built without fancy machines, I will likely have the bearing mount, yaw plate and furling post welded on aluminum. The only costly part will be the magnets.

I have also designed a modular stator (individual sections), which can be installed 120* apart for 3-phase production. Doing it this way makes it possible to take it apart without having to disassemble the whole shebang. If there were a problem with a particular coil or coils, this becomes a real plus for whomever has to make the repairs. I still have to make up the mold for the coils, but it's commin'.

The one I'm building has a 7" diameter rotor and should crank out in the neighborhood of about 300 watts based on Alton's Blade Calculator. I'm using 1/4" thick x 1/2" round neo magnets stacked 2-up on two wheels with iron backing plates (traditional design). When you see what I use for a bearing and mounting plate, you'll laugh, but it works like a champ and in another application, has almost a 100-year track record.



. . . . . . MacEdited by MacGyver 2010-11-07
Nothing difficult is ever easy!
Perhaps better stated in the words of Morgan Freeman,
"Where there is no struggle, there is no progress!"
Copeville, Texas
 
Tinker

Guru

Joined: 07/11/2007
Location: Australia
Posts: 1904
Posted: 12:43pm 06 Nov 2010
Copy link to clipboard 
Print this post

  MacGyver said  

The one I'm building has a 7" diameter rotor and should crank out in the neighborhood of about 300 watts based on Alton's Blade Calculator. I'm using 1/4" thick x 1/2" round neo magnets stacked 2-up on two wheels with iron backing plates (traditional design). When you see what I use for a bearing and mounting plate, you'll laugh, but it works like a champ and in another application, has almost a 100-year track record.



. . . . . . Mac


Mac, I'm laughing already when I saw your magnet dimensions. 300 Watts from 1/4 x 1/2" neo's. you have to be kidding us unless there's hundreds of them
Klaus
 
MacGyver

Guru

Joined: 12/05/2009
Location: United States
Posts: 1329
Posted: 04:55pm 06 Nov 2010
Copy link to clipboard 
Print this post

Tinker

Nope, 48 magnets total. I based my output estimate on results from that little 4" rotor I built a while back, so maybe I goofed. Time will tell. At any rate, it'll produce 'something' and for me it's more the building and watching it spin part that amuses me.

Now that I think about it a little more, I made another one with 1" magnets the same size (7"), so maybe that's where I jotted down those numbers. Wouldn't be the first time I've started out making a soufflé and wound up with scrambled eggs! **It happens.

I'll get it built, test it and report the findings. The cool part about this one is most of the parts are right off the shelf, really. The hub is the very best part and the way I'm manufacturing and mounting the stator is pretty off the wall too; I mean off the shelf -- well, you know.


Edit: Tink, I took the time to look through my lab notes from earlier this year and that's what happened. I culled the wrong numbers. This little fellow I'm building now will likely top out at around 75 watts, maybe 100 in a hurricane. Still, it will be useful for providing a "topping charge" which is all I'm really after anyway. Thanks for the heads up.



. . . . . Mac Edited by MacGyver 2010-11-08
Nothing difficult is ever easy!
Perhaps better stated in the words of Morgan Freeman,
"Where there is no struggle, there is no progress!"
Copeville, Texas
 
GWatPE

Senior Member

Joined: 01/09/2006
Location: Australia
Posts: 2127
Posted: 01:48pm 04 Dec 2010
Copy link to clipboard 
Print this post

Hi Pete,

I have been thinking about this dual stage cutin approach, following our telephone conversation and the only way that I can see it working is not with multi tapped coils, but with 2 sets of isolated windings in each coil. You could only use a tapped winding, if all the coils in each phase were in parallel, and not in series. [I think the potential for circulating currents with parallel coils would be high, as in a delta config on an AxFx].

I see essentially a normal star connected 3 phase, 3 series coil per phase stator, with a second set of 3 seriesed windings added to each of the phase ends. This would result in a tapped winding.

It would then be possible for a main low turn count phase and a higher turn count phase to be on each phase.

This combo would work in conjunction with a series capacitor/rectifier output arrangement on the higher total turn count output. The lower turn count output would be the normal high current output to the main rectifiers.

There would not need to be a capacitor voltage doubler in this case, as the additional voltage would come from additional turns.

This would suit a windmill that was wound for the winds normally expected. There would be a slight improvement in low windspeed efficiency, as there would be only 1 set of rectifiers working to direct the current, but the copper required for the additional winding would take up space that could be used for the main winding, that would reduce the resistance that could improve performance of an alternator that was wound specifically for high windspeed power.

There is another way of winding this alternator. There could be potentially a slight harmonic power imbalance but, this would involve winding say, 2/3 of the coils the same with an optimum wire size to get the max turns with the lowest resistance. One of the coil positions in each phase could be a specially wound coil, consisting of a remnant of the thicker wire to give a tapping for the bottom end, that could change the high power winding turns a small percentage. The rest of the coil space would be of a thinner size wire, that could have multiple tapping points. This would be added the the free phase ends to make up a higher adjustable output voltage.

I can see a very adaptable prototype alternator to be made, rather than making a swag of stators.

I think you were on to something with this thread.

The only down fall I see with this is that any rewiring would need to be on the stator, and will require rectifiers and caps on the mill head.

There is potential here for a windmill that would have a variable impedance that would have an output that closely matched the wind energy. This would be a slightly harder coil build, and would be a similar load matching as a cap doubler, but would require mill head rectifiers and a DC transmission line.

I have tested most of the aspects, and this method is a lot easier than any electronic boost arrangement.

Gordon.


become more energy aware
 
Downwind

Guru

Joined: 09/09/2009
Location: Australia
Posts: 2333
Posted: 03:09am 05 Dec 2010
Copy link to clipboard 
Print this post

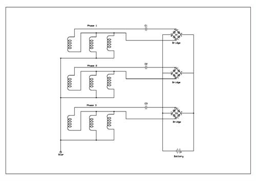
What we are thinking of testing, is this configuration of coil windings as Gordon has explained above.

There is advantages and disadvantages to this configuration but nothing ventured nothing gained.

It will require for more windings per coil to get the higher cutin right but with parallel coils it will increase the current and with a series coil it will increase the voltage, giving a trade off with the best of both worlds.

Well thats the theory anyway. (yet to be proven)

Pete.







2010-12-05_131141_Stator_wiring_with_2_stage_cutin.pdfEdited by Downwind 2010-12-06
Sometimes it just works
 
jamesshaw89

Newbie

Joined: 22/06/2011
Location: United States
Posts: 3
Posted: 02:03am 28 Jun 2011
Copy link to clipboard 
Print this post

Any idea how this turned out?

I'm new to this but am building a 24" diameter 36 coil axial flux with the thoughts I could make it maybe 6 phases and wire 3 of them with one gauge wire and the other 3 with thinner wire. Not mixing the wire on the same coil but wired on there own.

My goal is to get something out of the less than 5-6 mph winds we have here 50% of the time. I'm building a "stealthy" ducted drag vawt with 2x2 foot blades @ 12 foot diameter that will be directly on top of my shed so no poles or fast spinning blades for the neighbors to worry about. Ideally this large mill will be able to convert even a little wind and make some energy

I'm still reading the 41+ page post on using capacitors to step up the voltage but I'm not getting quite all of it yet...so I'm not sure which route to pursue?

Thanks, Jim
 
Gizmo

Admin Group

Joined: 05/06/2004
Location: Australia
Posts: 5177
Posted: 02:19am 28 Jun 2011
Copy link to clipboard 
Print this post

Hi Jim

I think there is a bit of confusion between phases and output wires. Phases is determined by the number of magnets to the number of coils. Just about every alternator discussed here is a 3 phase machine, no matter how many coils or leds there are. For exacmple, the stagger coil alternator I was playing around with a few years ago had 2 separate coils sets wired up, to give 6 output wires, but it was still only a 3 phase machine, even though the two sets had no electrical connection. The number of phases is more to do with the timing of the output sinewaves, not the number of wires.

36 coils is a good starting point. I assume you have 48 magnets, making it a 3 phase machine of the usualy layout, thought there are other combinations of coils and magnets that can also make 3 phase power. 36 coils means 12 coils per phase, and thats a good starting point for a staggered stator. 12 divides down nicely, a string of 12, 2 of 6, 3 of 4, etc. You could dial up a wide range of output voltages. Would it be possible, if a bit messy, to bring all coil wires out of the stator?

Glenn
The best time to plant a tree was twenty years ago, the second best time is right now.
JAQ
 
jamesshaw89

Newbie

Joined: 22/06/2011
Location: United States
Posts: 3
Posted: 11:21am 28 Jun 2011
Copy link to clipboard 
Print this post

Hi Glenn,

I was using the wrong words, 3 phase yes...I'm using 48 magnets and 36 coils with 72 wires coming out. I was going to put them all on a wiring block so I could rewire them with jumper wires...I'm going to gather some data this weekend with different test coils to see what different gauge wire will output and how many turns.

In my head I'm thinking of the output coils however they are wired are like batteries where I can put them in series or parallel to get the volts or amps I'm looking for...

If I need more volts/amps I will be able to add another set of magnets or maybe magnets on only certain output coils? Creating another stage or larger stage?

Maybe a combo of progressively thicker wired output coils, some/all with magnets on both side and still be able to add capacitors to step a low voltage up maybe? ...if I understand it right I can run the mill into say a 24 volt battery bank to clamp the voltage and wire the GTI into the bank to keep it's input voltage happy...

I'm thinking I'll be limited by the thinner wire coils hitting their max amps before the thicker wired coils will...unless I can drop/disconnect the thinner wired coils out at some point?

Thanks, Jim

 
Print this page


To reply to this topic, you need to log in.

The Back Shed's forum code is written, and hosted, in Australia.
© JAQ Software 2026