Home
JAQForum Ver 24.01
Log In or Join  
Active Topics
Local Time 04:04 22 Apr 2026 Privacy Policy
Jump to

Notice. New forum software under development. It's going to miss a few functions and look a bit ugly for a while, but I'm working on it full time now as the old forum was too unstable. Couple days, all good. If you notice any issues, please contact me.

Forum Index : PCB Manufacturing : Library completely empty a bit confusing

     Page 1 of 3    
Author Message
plover

Guru

Joined: 18/04/2013
Location: Australia
Posts: 306
Posted: 08:40am 19 Apr 2018
Copy link to clipboard 
Print this post

Here is the story, I think it was in 2016 I could not resist buying a copy of AutoTrax DEX, 8.10.05GL installed it on a small laptop and had a limit play and I think I should say struggle with it. For years I used Protel for Windows 98 I think it was which was plenty big enough for me. The struggle because it was just not 'the same' Though something must have stuck as this time around it seems much easier.

Anyway the Autotrax was very impressive for the cost, to me really impressive. I realised I was stuck between a rock and a hard place trying to find time to really get to use it again. Until now where I have landed in a project where small amount of PCB work may be required but a lot of schematic work for me.

As I work on Linux machines mainly and almost forgotten the windows stuff I flat out am looking at setting up a virtual machine environment on my latest host desktop which has 8 GB of RAM, from what my knowledgeable PC friend tells perfectly suited to the task and he even recommended me to install XP to run very low resource use.

One of my laptop was supplied with win7 CDs so I bolted head first into setting up a VirtualBox based on Oracle software, after some shaky start work I have managed at least to be able to run Autotrax fine to do schematic work and I am plowing my way through Mik's Manual and the AotoTrax Manual to get up to speed. I have to get going I can join a small group group and contribute my knowledge and experience (for free).

Problem discovered: My original copy downloaded has decided to play cat and mouse with my fading brain. I am not sure I have found the complete version but I found and .exe file on my laptop hard disk (removed from the laptop for storage, that took some time to remember)

Well I must have got hold of most of what I needed, I can install it in the VBox Guest Win7-32 bit (and 64, I have two Guests in the VBox the second Guest is Win7-64 running the latest version of Autotrax, as I understand I have a grace period of 30 days to decide for purchase)

First when I decided to follow Mik's tutorial did I find the Library is completely Empty

My question has any of Forum members experienced that? Could be, I thought I would be smart and have the Library located somewhere outside default placement? I do this sort of thing but nowadays I have short memory so not so smart any longer.

I have just while writing this downloaded Library from the AutoTrax site but so far has no idea what that is. I guess I will find out.

 
plover

Guru

Joined: 18/04/2013
Location: Australia
Posts: 306
Posted: 08:54am 19 Apr 2018
Copy link to clipboard 
Print this post

When I went looking a bit closer in the empty Library frame I found by wight cliking that I could "download and refresh" which I could not resist testing.

Got a bit concerned that the download was 96 MB, I was going to pull the plug at 100 MB this seems more like downloading a whole new version?

Well I see no library after that. So I will have to leave it at that for time being. I will go the the lates version running in the other Guest and continue with Mik's Tutorial.
 
plover

Guru

Joined: 18/04/2013
Location: Australia
Posts: 306
Posted: 02:10pm 19 Apr 2018
Copy link to clipboard 
Print this post

Had a crash of my VirtuaBox system, that sat me back a few hours. Learnt a bit more and have recovered again I think. Cursory look they are both running.

Well the empty library is still a mystery but I did a bit of forensics on the removed laptop hard drive and found out that there is still a directory there called Library. I will try and cheat and just place that in directory tree of Windows.

Ah, to my surprise I got away with it. Though not many parts in the library, must see if there is not more parts to be found.

The approx 100 MB download of library parts I have been unable to find so far. I have however been able to use the older system when my grace period lapses on the latest version.

File locations are a bit of mystery to me and I Guess when the learning period is over that one never need to really know where the files are.Edited by plover 2018-04-21
 
bigmik

Guru

Joined: 20/06/2011
Location: Australia
Posts: 2980
Posted: 04:30am 20 Apr 2018
Copy link to clipboard 
Print this post

GDay Plover,

That manual I wrote was written a couple of years ago now.. Some ways of doing things have changed but it is still a reasonable guide.

You should always install a clean install of DEX rather than copying files.

Your original purchase allows you 12 months of free updates so you can download any version of DEX upto 12 months after the purchase date from the archive

DEX Archive

Note you will need your username and password to access this area.

If you want the latest version I believe that the current price for a new 12 mths of DOWNLOAD rights is $29US..

Of course you can always download and use any version up until your last paid version (+12mths).

As to the library..

You can copy files into the library (and the directories themselves) using standard windows commands so if you find more sections just add them.

If you wish to point to a different location for the library right click on the path the library is stored in (just above the library panel) see this image.





Regards,

Mick
Mick's uMite Stuff can be found >>> HERE (Kindly hosted by Dontronics) <<<
 
plover

Guru

Joined: 18/04/2013
Location: Australia
Posts: 306
Posted: 05:41am 20 Apr 2018
Copy link to clipboard 
Print this post

Thank you Mick, I notice I do need a bit of handholding trying to balance between Linux, Virtual Box, two Guests running Win7 in the VBox, running short of Linux space (my own mistake, VBox got installed on a different partition only 50GB). Yes and of course try to figure out have AutoTrax works.

Win7 runtime took more space than I expected, my PC friend did warn me and suggested using XP in stead, I will probaly go back do that when I get up on both legs working this.

It appears that because I forgot to stop updates of Win7, then when I tried to download fresh copy of the library, that as well Win7 update thought it was a good time to add some 80MB of download. I have just found out that Library download/refresher is about 8MB only. Can not see any difference in the Library either.

I have found out that I bought version 8.1.25 and updated to 8.10.05 from memory. I am jumping a bit between the two at the moment and I think there is a noticeable difference. I am certainly considering getting up to date but have not found out how to get there.

Your tutorial Mick may well be a couple of years old but still very relevant for new comers I believe. Videos all very well but having to follow your steps, and actually do at the same time this is a very efficient way to be dragged through a lot helpful information to get to the end product, a layout. Once upon a time I was well up to date with Protel before it became Altium that was when I bailed out as I was struggling with protel seemed to take too much time. This was before cheap processing became available. Now the processing is not really a cost issue even for a hobbyist considering the time it would have taken to make a workable layout.

I have tried to find my purchase details and name/password to my surprise and consternation it seems I did not enter the details into a special file I keep. Will have another look as I tried some access and was met with name/password request.

Well from this section of forum I believe the file "Mick's parts" held library details for your tutorial and I unzipped and plonked the content in a new folder under library and it worked fine.

Just accidentally discovered that using Win Explorer view of the library I can drag parts onto the schematic too but of course no 'preview' available.

One problem for me stranding out I have no 3D, something about missing OpenGL 2.0 needed and I have only ver 1.1.0 and I am not clear on if that is a Win 7 or Linux Host problem. Not a big problem at this stage.

I think I will have break and scrounge for my purchase details again.


Ah yes one thing I need soon is a new very simple part, it is a Deuterium Lamp symbol
something like the following will do me.



Since I have not got to making parts how do you recommend going about making this symbol, without the annotations of course. Admit I have not got to that stage in your tutorial. I was hoping to find a symbol like this and modifi but my quick scrounge in the parts have not yielded anything yet.
 
bigmik

Guru

Joined: 20/06/2011
Location: Australia
Posts: 2980
Posted: 11:33am 20 Apr 2018
Copy link to clipboard 
Print this post

Hi plover,

First, Dex may not work in XP, I vaguely remember that support was going to be dropped due to more advanced features in later windows or was it 3D ??

If you can post a link to the part you want I can have a go at creating it for you..

Mick
Mick's uMite Stuff can be found >>> HERE (Kindly hosted by Dontronics) <<<
 
plover

Guru

Joined: 18/04/2013
Location: Australia
Posts: 306
Posted: 03:29pm 20 Apr 2018
Copy link to clipboard 
Print this post

Hi Mick,
Pheeew, I have been searching my emails 3 crashed computers back and to my surprise I did find my initial purchase details and login details. I have changed ISP 1st Dec when taking up NBN so when my password did not work so I used the 'retrieve password' and luckily I can still receive email on my old address.

I have been able to log in and change my details and find that my updates peetered out mid last year. I was also offered 12 month updates renewal and when I tried the link to find the cost but the link does not work, perhaps not active at all times. I get a nice cartoon, stating I am lost, a good laugh:

http://dexpcb.com/Purchase/Renew


I believe I did see XP still listed as running DEX but maybe there has been a change.

The physical part (Lamp) I will finally get my hand on is not decided at this stage, so the schematic part will just be the generic picture above less the annotations, ie a circle with anode and cathode. I had in mind a heavy circle with the thinner anode and cathode pins.

Here is what I found on the internet, this I am quite interested in but unlikely to buy in the end.

https://www.ebay.com.au/itm/Hamamatsu-Deuterium-Lamp-D2-Lamp-L5253-NEW-/191809511267Edited by plover 2018-04-22
 
bigmik

Guru

Joined: 20/06/2011
Location: Australia
Posts: 2980
Posted: 05:47am 21 Apr 2018
Copy link to clipboard 
Print this post

GDay Plover,

Try this for a start.

2018-04-21_154404_Deuterium_Lamp.zip









I have no idea of PCB footprint and 3D model of course but these can be editted later of course.

Regards,

Mick
Mick's uMite Stuff can be found >>> HERE (Kindly hosted by Dontronics) <<<
 
plover

Guru

Joined: 18/04/2013
Location: Australia
Posts: 306
Posted: 09:10am 21 Apr 2018
Copy link to clipboard 
Print this post

Thank you, will have a play tonight with it the symbol is what I had mind.

This afternoon I ditched the two systems I had running and set up a single new one, Win7-64 and very carefully tried to get the 3D connected, I need to install a component in the win7, called OpenGL v2.0.

I know the procedure and looked on the net and many people have successfully done it. Then there are the few where tough luck it does not work. I am sweating as it looks like I am joining that crowd.

It is because I need to run in a Virtual Machine with Linux Hosting a Guest, win 7. Will join the Forum on:

  Quote  https://forums.virtualbox.org/viewtopic.php?f=2&t=82718


I hope the experts there can tell me what is wrong.

There was a new version of DEX which I downloaded, it took about 10 minutes to optimize my system. A surprise but I think it did some good.

Your symbol looks so simple and yet, I had a quick look in the DEX manual while waiting on the DEX optimisation but I did not get there yet now I have an incentive to dissect your work, thanksEdited by plover 2018-04-22
 
plover

Guru

Joined: 18/04/2013
Location: Australia
Posts: 306
Posted: 04:53am 22 Apr 2018
Copy link to clipboard 
Print this post

Well I joined the virtualbox.org forum red a lot but did not get close to my solution, but slowly figured that "I should not have the problem" Nobody replied to my problem yet.

This afternoon however I got a better handle on the situation, I was in fact focusing slightly off the real problem. This was my lack of proper understanding how the VMs interact with the Host operating system.

I believe my problem was that when I 'saved the guest' I thought it was closed down ie powered down but it turned out that when I turned the option on "send power down signal" this sent the guest into 'power Off' mode.

I had seen on VBox forum specific instructions to make sure when copying the VBoxLog for attachment (I did send a log) the guest was 'cold' ie 'Power OFF'

Next startup on a very small footprint test VM no problem to turn on 3D and then when I checked my Guest Win7 running Autotrax I could also turn on 3D and it worked in Autotrax.

Time for long walk to clear the brain for the next adventure.
 
plover

Guru

Joined: 18/04/2013
Location: Australia
Posts: 306
Posted: 08:38am 22 Apr 2018
Copy link to clipboard 
Print this post

Next venture Simulation is mentioned and some icons available. Has anybody had a look at using Simulation.

I am wanting to find out if I need to download Spice separately. Scanned the DEX Manual but I may have been too quick and missed??

Did Google search and found little here too.
 
bigmik

Guru

Joined: 20/06/2011
Location: Australia
Posts: 2980
Posted: 09:10pm 22 Apr 2018
Copy link to clipboard 
Print this post

Hi Plover,

I am sorry but I cant help with that one.

I have NEVER played around with simulation..

I haven’t had the need for it.

Regards,

Mick
Mick's uMite Stuff can be found >>> HERE (Kindly hosted by Dontronics) <<<
 
plover

Guru

Joined: 18/04/2013
Location: Australia
Posts: 306
Posted: 12:39am 25 Apr 2018
Copy link to clipboard 
Print this post

Hi Mick,
No problem, I am not that keen to get involved but it was mentioned to me that a bit of SPICE would be good. I have been aware of Linear Tech having a good one but when I saw DEX had an icon I started getting a little bit more interested. Last night when struggling with "part building" in DEX I stumbled over 2 youtube from DEX that showed a very simple setup of something like 2 resistors and a capacitor plus signal generator and Oscilloscope this at least showed me that it worked.

It is a lot of extra work and I am apprehensive about getting involved.

Now I have however a little problem with schematic. In the picture attached I have a problem with connecting a wire to two other wires. There is an insistence to do an 'overpass' I need a connection.

Can be solved with moving to one of the terminals but this 'does not look right' the symmetry suffers.




As you can see from the colouring I am just about to delete the yellow line to have another go.

It will not hinder the operation but .....
Edited by plover 2018-04-26
 
bigmik

Guru

Joined: 20/06/2011
Location: Australia
Posts: 2980
Posted: 09:04am 26 Apr 2018
Copy link to clipboard 
Print this post

Hi Plover,

Yes I get that bug often..

You don’t need to delete the link, just click and drag the junction and it will fix..

The junction is where the 2 wires actually join, in your case on or just below the diode.

It is just the appearance that is wrong, electrically they are connected.

There are many little funnies like this but I forgive DEX because it otherwise does an excellent job of everything else.. in fact it does much MUCH more than I will ever use..


Regards,

MickEdited by bigmik 2018-04-27
Mick's uMite Stuff can be found >>> HERE (Kindly hosted by Dontronics) <<<
 
plover

Guru

Joined: 18/04/2013
Location: Australia
Posts: 306
Posted: 11:47am 26 Apr 2018
Copy link to clipboard 
Print this post

Hi Mick,
Thanks, I will take it as it comes. I still have so much buzzing in my head.

At the moment I am trying to mirror horizontally an optocoupler, the pins do but the internals do not. I just getting around to think that mirroring do not apply to graphics?



Now I have mirrored horizontally



Have you run into this one?

I think I was used to just highlight a section in Protel and flip. Not a big deal will probably just have to make a flipped part but at the moment I struggle making parts.

added later
So far from reading manual around 158 to 168 mirroring a symbol does not include the graphics. Edited by plover 2018-04-27
 
bigmik

Guru

Joined: 20/06/2011
Location: Australia
Posts: 2980
Posted: 07:27am 27 Apr 2018
Copy link to clipboard 
Print this post

Hi Plover,

Can you post your part in a ZIP and I will have a look at it for you.
Kind Regards,

Mick
Mick's uMite Stuff can be found >>> HERE (Kindly hosted by Dontronics) <<<
 
plover

Guru

Joined: 18/04/2013
Location: Australia
Posts: 306
Posted: 06:46pm 27 Apr 2018
Copy link to clipboard 
Print this post

Hi Mick,

The problem is partly gone, seems I was approaching making parts the wrong way. I need to train myself a it better on that.

More important now for me is why my system does not route. I have a circuit finished enough to be able to build. When I hit the go button in the 'schematics tab' it seems to do the right thing. Places the components and shows the pcb with the net but no tacks laid in.

Thought it was me that no doubt has made mistake, so placed a simple optocoupler a couple of resistors. Minimal wiring and let it run, same thing not sign of routing taking place.

Last thing I used the sample amplifier and let it route that. took several minutes and only net shown at the end, no tracks laid. I could fin no errors when checking my board.



 
bigmik

Guru

Joined: 20/06/2011
Location: Australia
Posts: 2980
Posted: 11:17pm 27 Apr 2018
Copy link to clipboard 
Print this post

Hi Plover,

If you zip up your project and send it to me I am happy to see if it routes on my setup..

Now there are 2 methods (at least) of routing..

There is autorouting that uses ELECTRA-free that does a reasonable (NOT as good as protel but easy to fix any irregularities)
and
Manual routing..

Which routing is not working for you?

Kind Regards,

Mick
Mick's uMite Stuff can be found >>> HERE (Kindly hosted by Dontronics) <<<
 
plover

Guru

Joined: 18/04/2013
Location: Australia
Posts: 306
Posted: 02:03am 28 Apr 2018
Copy link to clipboard 
Print this post

Hi Mick,

Bit of a battle but progress, I am pushing too hard as I feel I am not getting there fast enough and consequently not reading the manual carefully enough. The problem was router selection. Finally found that tiny little icon that gives you Router Selection.


When I found the place I believe from memory that it was set to Manual. Did not try to manually route as at that stage I had not worked out how to start tha by simply double clicking on the net lines, now I do.

Now however it is starting to get interesting, another couple of weeks I should be feeling much more comfortable navigating around.

I do have some nasty surprises which may be due to running a VBox Guest Windows, this virtual box stuff is also very new to me not even sure it is set up proper. I am finding however that the Windows system locks up almost completely. I say almost because there is a bit of cursor movement in Windows but not in DEX.

So far my way out has been to shut down the VBox to get back to Linux and then restart again. I had a bit of luck here as it was a big for me new part I had made and just going to replace in the Schematic went like the cursor took off racing off the sheet too far not to come back again in DEX. Here I learnt the value of 'Recover' worked very well.

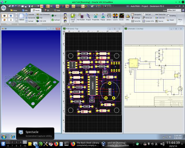
Below my effort on a real circuit so far, and it is far from being more than the beginning needs lots more work.

I was going to upload two pictures but I can't at the moment. Same thing happened last night or very early this morning, thought maintenance on the site may be in progress. Simply can not connect to the website if I try to upload picture.

'Add Image' and add Zip file icons both respond, 'Uload File' no response will check when I come back from a restart later today.

No problem it seems to edit and update the text.

Edited by plover 2018-04-29
 
plover

Guru

Joined: 18/04/2013
Location: Australia
Posts: 306
Posted: 05:38am 28 Apr 2018
Copy link to clipboard 
Print this post

Below shows where the "secret button/icon is hidden" and I have probably missed out any other obvious icon, if so I would like to know!

The green arrow shows the icon that opens up the 'Router Selection', which was set to manual, so in reality my system was working all the time I just did not get it, should have swallowed my pride and asked question fairly soon after knowing I was stuck. (It is in the manual too, which I scan too quickly)



Below is what I have arrived at, the parts count is about right but values are random. the deuterium tube is not known yet but I appreciated Mick's effort getting one to me so I could get going.

I discovered the panelising, quite handy when wanting to show all three items in one go.


 
     Page 1 of 3    
Print this page
The Back Shed's forum code is written, and hosted, in Australia.
© JAQ Software 2026