Home
JAQForum Ver 24.01
Log In or Join  
Active Topics
Local Time 13:43 30 Apr 2026 Privacy Policy
Jump to

Notice. New forum software under development. It's going to miss a few functions and look a bit ugly for a while, but I'm working on it full time now as the old forum was too unstable. Couple days, all good. If you notice any issues, please contact me.

Forum Index : Microcontroller and PC projects : Christmas Lights

Author Message
Bill.b

Senior Member

Joined: 25/06/2011
Location: Australia
Posts: 244
Posted: 11:58am 12 Jan 2016
Copy link to clipboard 
Print this post

Hi All

This video is a small part of my Christmas light display.

All the attractions have at least one picaxe and some have up to 4 picaxes to control them

These rang from 08m / M2, 14m2, 18m /m2 and 28x2s.
Also a number of PIC32MX170 (micromits) to drive the WS2812 displays.

https://www.youtube.com/watch?v=l-F2RdG2j3U


Bill
In the interests of the environment, this post has been constructed entirely from recycled electrons.
 
Justplayin

Guru

Joined: 31/01/2014
Location: United States
Posts: 330
Posted: 01:10pm 12 Jan 2016
Copy link to clipboard 
Print this post

WOW!! That looks great! Impressive, Amazing, Fantastic... I bet that little display set you back a few dollars!

--CurtisEdited by Justplayin 2016-01-13
I am not a Mad Scientist...  It makes me happy inventing new ways to take over the world!!
 
OA47

Guru

Joined: 11/04/2012
Location: Australia
Posts: 1050
Posted: 03:00pm 12 Jan 2016
Copy link to clipboard 
Print this post

Congratulations Bill I am very impressed. Just looking through the display I could count the many, many hours of work.
Well Done !!!!!!!!!!
GM
 
viscomjim
Guru

Joined: 08/01/2014
Location: United States
Posts: 925
Posted: 03:10pm 12 Jan 2016
Copy link to clipboard 
Print this post

Bill.b, HOLY COW. That is super impressive. I can only guess at how much effort you put into this. AMAZING!!!!!

Great Job!!!!!
 
bigmik

Guru

Joined: 20/06/2011
Location: Australia
Posts: 2980
Posted: 06:23pm 12 Jan 2016
Copy link to clipboard 
Print this post

Very Good Bill,



I haven't got the time nor the patience to do that.. But it is something I have always wished I could do someday.

Regards,

Mick
Mick's uMite Stuff can be found >>> HERE (Kindly hosted by Dontronics) <<<
 
paceman
Guru

Joined: 07/10/2011
Location: Australia
Posts: 1329
Posted: 07:24pm 12 Jan 2016
Copy link to clipboard 
Print this post

Holey Moley Bill - next year I'll have to get up to Eleebana just to see that!

Greg
 
Frank N. Furter
Guru

Joined: 28/05/2012
Location: Germany
Posts: 1083
Posted: 08:17pm 13 Jan 2016
Copy link to clipboard 
Print this post

Hi Bill,

very, very nice!

Did you have some more infos about your Christmas light display?

Frank
 
Bill.b

Senior Member

Joined: 25/06/2011
Location: Australia
Posts: 244
Posted: 03:10pm 14 Jan 2016
Copy link to clipboard 
Print this post

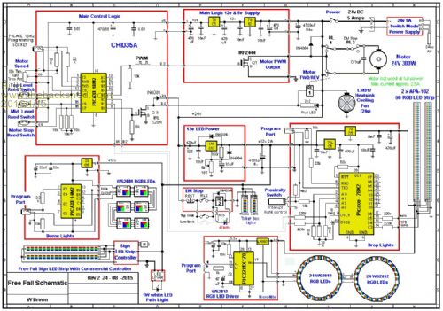
Hi Frank

What other info would you like to know?

Below is a number of schematics for two of the carnival rides.

Thanks to all for your comments.












Bill

In the interests of the environment, this post has been constructed entirely from recycled electrons.
 
Frank N. Furter
Guru

Joined: 28/05/2012
Location: Germany
Posts: 1083
Posted: 06:32am 17 Jan 2016
Copy link to clipboard 
Print this post

Hi Bill,

thanks a lot!
It's very impressive!

Frank
 
HankR
Senior Member

Joined: 02/01/2015
Location: United States
Posts: 209
Posted: 10:58pm 17 Jan 2016
Copy link to clipboard 
Print this post

Bill,

How is the Santa's Sleigh device propelled? I like how it just barely goes over the top.

Hank
 
Bill.b

Senior Member

Joined: 25/06/2011
Location: Australia
Posts: 244
Posted: 01:26am 18 Jan 2016
Copy link to clipboard 
Print this post

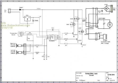
Hi Hank

The Sleigh acts like a pendulum With a motor driving a
rubber roller in the base giving it a kick each swing.

The motor direction is controlled by a picaxe 08m with two proximity
switches at the top to detect the arms as they pass.

Schematic of the motor drive.





Bill
In the interests of the environment, this post has been constructed entirely from recycled electrons.
 
HankR
Senior Member

Joined: 02/01/2015
Location: United States
Posts: 209
Posted: 02:54pm 19 Jan 2016
Copy link to clipboard 
Print this post

  Bill.b said  

The Sleigh acts like a pendulum With a motor driving a
rubber roller in the base giving it a kick each swing.

Bill


Very clever, Bill. Thanks for explaining how it's done.
 
Print this page


To reply to this topic, you need to log in.

The Back Shed's forum code is written, and hosted, in Australia.
© JAQ Software 2026