Home
JAQForum Ver 24.01
Log In or Join  
Active Topics
Local Time 19:46 29 Apr 2026 Privacy Policy
Jump to

Notice. New forum software under development. It's going to miss a few functions and look a bit ugly for a while, but I'm working on it full time now as the old forum was too unstable. Couple days, all good. If you notice any issues, please contact me.

Forum Index : Microcontroller and PC projects : PIC32MX170F256B-50I/SP- Unable To Connect

Author Message
spjoruss
Newbie

Joined: 01/02/2014
Location: United States
Posts: 22
Posted: 03:40pm 15 Aug 2015
Copy link to clipboard 
Print this post

I am trying to connect to a new, blank PIC32MX170F256B-50I/SP chip mounted on a breadboard, in order to program it with the Micromite MK II software. I am using a Pickit 3 clone with the MPlab IPE v.3.05.

When I try to connect I get the error: Unable to connect to the target device. Failed to Get Device ID.

I have read this page of how to do this: Programming Pics and also this forum post about trouble shooting connections: Micromite beginner stuck .

I also found some information about possible conflicts with other USB drivers.

But, I still cannot figure out what the problem is.

Any other ideas?

Thanks,
 
bigmik

Guru

Joined: 20/06/2011
Location: Australia
Posts: 2980
Posted: 03:46pm 15 Aug 2015
Copy link to clipboard 
Print this post

Hi Spjorus,

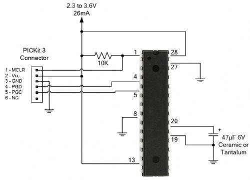
Firstly, you will need to externally power the pic chip itself (3v3) as I have found the PK3 hasnt enough oomph to power the chip as well.

Secondly I am fairly certain the VCap need to be present and you probably need a 4k7-10k Ohm pull up to 3v3 on the MCLR line.


See this schematic from the MicroMite Manual for programming connections.




Regards,

Mick


Mick's uMite Stuff can be found >>> HERE (Kindly hosted by Dontronics) <<<
 
spjoruss
Newbie

Joined: 01/02/2014
Location: United States
Posts: 22
Posted: 04:25pm 15 Aug 2015
Copy link to clipboard 
Print this post

Hello,

I forgot to mention that I am powering the chip externally. I had previously tried powering it from the Pickit 3 and had the same problem. Also I am using the tantalum capacitor.

The closest resistor I have right now to that is a 13.3k. I just now tried that but still get same error. Is the 3.3k difference too much?

Thanks
 
bigmik

Guru

Joined: 20/06/2011
Location: Australia
Posts: 2980
Posted: 05:41pm 15 Aug 2015
Copy link to clipboard 
Print this post

Hi Spjoruss, (Hmmm,, My guess is Russel Spjorn?),

I would say 13k3 would be fine... obviously there is something else wrong.

Please check that pins 8, 19 and 27 are connected to GND and pin 3 of the ICSP header also that Pins 13 and 28 are connected together and that 3v3 appears on them and connects to pin 2 of the ICSP header.


You dont have pins 4 and 5 swapped by any chance do you? (been there done that)

Mick

Mick's uMite Stuff can be found >>> HERE (Kindly hosted by Dontronics) <<<
 
bigmik

Guru

Joined: 20/06/2011
Location: Australia
Posts: 2980
Posted: 05:46pm 15 Aug 2015
Copy link to clipboard 
Print this post

Hi SP,

Can you program any other PIC? ie. is the PK3 working?

Have you tried a different chip?

Is the VCap backwards? +ve to Pin 20 (+ve is the bar on an SMD Tantalum) or if a 10uf ceramic then they are non-polarised..

What cap did you use for VCap? You could try a 100uf Electro but that isnt ideal but I did use one of them before my 47uf Tanatlums arrived.

Maybe one of the `state side' friends might be able to test your chip out for you.

Mick
Mick's uMite Stuff can be found >>> HERE (Kindly hosted by Dontronics) <<<
 
spjoruss
Newbie

Joined: 01/02/2014
Location: United States
Posts: 22
Posted: 06:27pm 15 Aug 2015
Copy link to clipboard 
Print this post

I checked again all of the grounds and positives, and pin 4 and 5. The Vcap is not backwards. The Vcap is a47uf Tantalum.

I also have a pre-programmed Micromite MK II that I bought from one of the suppliers I found on this forum. I tried it with the Pickit 3 also and had same error. But the pre-programmed chip runs fine with my USB to TTL adapter.

I am new to all of this but have been reading up on it for a while. This is my first experience with microcontrollers.

SpJo is the first two letters of my first and middle name. Russ is my last name. First name is Sperry. Most people Think my first name is Russ
Thanks.Edited by spjoruss 2015-08-17
 
bigmik

Guru

Joined: 20/06/2011
Location: Australia
Posts: 2980
Posted: 06:51pm 15 Aug 2015
Copy link to clipboard 
Print this post

Hi Sperry, (thanks for the clarification),

OK.

In the MPLAB IPE there is a pulldown next to tool.. Do you see your PK3 there? If there is another reference under the pull down try that as well.. My first system had two entries and the one labelled pickKit3 didnt work but the other was labelled something different (more generic) and it worked... Then that PC had a HDD crash and my new PC never showed the second entry.

It could be that your PK3 is a dud. Mine is also a generic clone but works OK.

Mick


Mick's uMite Stuff can be found >>> HERE (Kindly hosted by Dontronics) <<<
 
spjoruss
Newbie

Joined: 01/02/2014
Location: United States
Posts: 22
Posted: 06:55pm 15 Aug 2015
Copy link to clipboard 
Print this post

My Pickit is the only one that shows up in the pulldown menu. It might be a dud. Any way to know for sure without getting another one?
 
WhiteWizzard
Guru

Joined: 05/04/2013
Location: United Kingdom
Posts: 2967
Posted: 08:00pm 15 Aug 2015
Copy link to clipboard 
Print this post

Hi Sperry,

Have read through these posts and can suggest the following to try:

1> First of all, check that the orientation of the PicKit clone is indeed correct in that Pin 1 on the PicKit is actually going to Pin 1 in the above diagram posted by Mick. You will get the message you are seeing IF the PicKit is connected in reverse. Typically a dot, or a triangle is on these clones - but don't be surprised if the marking is at the wrong end too !!!!

2> If you have a multimeter then do a continuity check between each connection in your PIC circuit - there have been numerous occasions where people have struggled with 'faulty' breadboards (one, or more, of the connection strips are either missing, or are too low down; resulting in an open circuit). If you don't have a multimeter then make up a simple test circuit comprising of an LED and a low value resistor (i.e. 220R-1k) going to a power supply. Simply use two leads to create an open circuit in this test circuit so that when touched together the LED lights up (the end of these leads now become your 'probes'). With your PIC circuit UNpowered, check that all connection are in tact.

3> Can you confirm if you have used the PicKit to successfully connect to ANY other chips! I see you mention that you have tried connecting to one other pre-programmed chip; but have you had any connection success with any other PICs?

4> Are you using Windows 10 by any chance. With my Win10 laptop I get a strange behaviour in that once I have fired up the IPE, I then have to unplug and then re-plug in the PickKit3 for it to establish a connection to the PIC. If I don't do this I get the 'unable to connect to the target' message. This situation is with a genuine PK3 by the way; and is only an issue since the Win10 update!

5> Try un-installing and re-installing the PicKit driver software

Hope one of these helps . . .

WW
 
robert.rozee
Guru

Joined: 31/12/2012
Location: New Zealand
Posts: 2508
Posted: 12:37am 16 Aug 2015
Copy link to clipboard 
Print this post

going against the tide of opinion - i have used both pickit 2 and pickit 3 to program MX170s, and only ever use the pickit as the power source. however, to do this it is necessary to tell mplab to turn on the power. now i use pic32prog exclusively with either a pickit 2 or an arduino-based programmer, which is considerably simpler.

is your setup by any chance assembled on a solderless breadboard? i do recall someone having issues some time ago and it turned out that the contacts on the solderless breadboard he was using were not gripping pins and/or jumper wires sufficiently securely to make a reliable connection. it is quite essential that every Vcc pin is connected together, and that every ground pin is connected together.

have you used the pickit 3 you have to program any other device? is it new? is it a genuine one or a clone?


cheers,
rob :-)
 
spjoruss
Newbie

Joined: 01/02/2014
Location: United States
Posts: 22
Posted: 10:26am 16 Aug 2015
Copy link to clipboard 
Print this post

Hello,

I did not find any problems with the breadboard. So, I removed all of my components and wires from the breadboard and started over. After plugging everything back in I checked the voltages to all the pins and grounds and got correct readings.

I was able to program a blank chip using the power from the Pickit 3 only and I was able to program another chip with the board powered externally. So it now programs either way.

I did change out the resistor for another one but I don't know if that was the problem or whether I had one of the wires connected wrong on the breadboard.

Now, I can get on to learning how to program and use this thing for something!

Thanks for everybody's help.

Sperry
 
bigmik

Guru

Joined: 20/06/2011
Location: Australia
Posts: 2980
Posted: 02:29pm 16 Aug 2015
Copy link to clipboard 
Print this post

Hi Sperry,

Glad you have it working for you...

I for one will probably NEVER use a breadboard again ... For an interesting read look up AN EMBARRASSING SAGA on my experience with a bread board whilst designing the backlight control circuit for my BackPack170 board...

Do a thread search on TOPIC of this forum for SAGA ....

REGARDS,

MICK
Mick's uMite Stuff can be found >>> HERE (Kindly hosted by Dontronics) <<<
 
spjoruss
Newbie

Joined: 01/02/2014
Location: United States
Posts: 22
Posted: 02:58pm 16 Aug 2015
Copy link to clipboard 
Print this post

Mick,

I read that. So if you don't use a breadboard that means you have to solder on a regular board is that right?

 
Johnande
Newbie

Joined: 17/08/2015
Location: Australia
Posts: 2
Posted: 05:36pm 16 Aug 2015
Copy link to clipboard 
Print this post

I too am a newbie in this area. I also had problems trying to program a PIC32.

My PICKit3 is a genuine one and the USB to serial is an XC4241 from Aztronics.

MPLAB IPE was installed OK but would not recognise the pickit3 although it appeared in the drop-down list, the moment the cursor was moved from the drop-down window, the window went blank. It was not possible to select anything.
Neither the pickit3 or the USB to serial adapter were able to find the drivers.

The only way I could get things to work was switch off everything including the PC.
Plug in both the Pickit3, and the serial adapter with its own power on!
Switch on the PC. WAIT.
Start MPLAB IPE. WAIT.
The "WAIT" instruction is important as eventually MPLAB IPE will select the pickit 3 itself....WAIT....then the connect light will come on and all is well. I hope!
At this stage it is also possible to turn on the MPLAB IDE and write your programs there.
Be aware, in my case if the MPLAB xxx programs are closed and re-opened later, it is possible the whole procedure will have to started from the beginning.
 
bigmik

Guru

Joined: 20/06/2011
Location: Australia
Posts: 2980
Posted: 05:48pm 16 Aug 2015
Copy link to clipboard 
Print this post

Hi Sperry,

  spjoruss said   So if you don't use a breadboard that means you have to solder on a regular board is that right?


Well in general YES, I do have some nice little solder proto boards that I use.. I will try to find the link and post it here.

But in truth I `may' consider a breadboard approach again but if things dont perform as I expect then I will have to probe away.. It really does look like these breadboards are bad news, especially the cheap Chinese `junk' that can be had for a shekel or two.

Regards,

Mick




Mick's uMite Stuff can be found >>> HERE (Kindly hosted by Dontronics) <<<
 
bigmik

Guru

Joined: 20/06/2011
Location: Australia
Posts: 2980
Posted: 06:29pm 16 Aug 2015
Copy link to clipboard 
Print this post

Hi Sperry, All,

These are the boards I bought and sometimes use...

3x7cm Proto

Regards,

Mick
Mick's uMite Stuff can be found >>> HERE (Kindly hosted by Dontronics) <<<
 
spjoruss
Newbie

Joined: 01/02/2014
Location: United States
Posts: 22
Posted: 06:57pm 16 Aug 2015
Copy link to clipboard 
Print this post

Mick,

Thanks for the link about the proto boards. So far my breadboard is working. I got a led to flash. I am in the big time now

Next I am going to try to read temp on a ds1820b but I will have to get the proper resistor for that.
 
Print this page


To reply to this topic, you need to log in.

The Back Shed's forum code is written, and hosted, in Australia.
© JAQ Software 2026