Home
JAQForum Ver 24.01
Log In or Join  
Active Topics
Local Time 03:01 29 Apr 2026 Privacy Policy
Jump to

Notice. New forum software under development. It's going to miss a few functions and look a bit ugly for a while, but I'm working on it full time now as the old forum was too unstable. Couple days, all good. If you notice any issues, please contact me.

Forum Index : Microcontroller and PC projects : Latching relay question....

     Page 1 of 2    
Author Message
Grogster

Admin Group

Joined: 31/12/2012
Location: New Zealand
Posts: 9936
Posted: 04:11am 03 Feb 2015
Copy link to clipboard 
Print this post

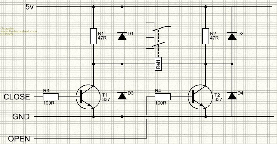
Hi folks.

I have some single-coil latching relays. These are the type where you put the juice on the coil one way, and the relay contacts close. To release, you have to put the juice on the relay coil in reverse polarity.

There are plenty of ideas and circuits very similar to this one I found on the net:





The theory is sound, and nice and simple etc.

My only concern is back-EMF. Normally, in a relay circuit with a driver tranistor, you would put a back-EMF diode across the coil. However, that only works if the juice to the relay is always going to be in the same polarity - you can't do that with a coil where you flip the polarity around.

So, can anyone suggest anything better, or perhaps a way to improve on this circuit I found?

Perhaps I am being over-cautious, but back-EMF is a transistor-killer!
Smoke makes things work. When the smoke gets out, it stops!
 
WhiteWizzard
Guru

Joined: 05/04/2013
Location: United Kingdom
Posts: 2967
Posted: 04:23am 03 Feb 2015
Copy link to clipboard 
Print this post

G,

How about using a low cost, high power MOSFET instead (of the NPNs)? These may withstand more of a 'bashing' - just my opinion mind - not based on any experience

I've never come across this type of relay (only the dual coil latching type which I love to use). Have you got a supplier part number (or data sheet) link that I can look into?

WW
Edited by WhiteWizzard 2015-02-04
 
disco4now

Guru

Joined: 18/12/2014
Location: Australia
Posts: 1109
Posted: 04:33am 03 Feb 2015
Copy link to clipboard 
Print this post

In this circuit wont the two 47 ohm resistor in series (94 ohm) that are effectively in parallel with the coil suppress the back-EMF voltage?

Regards
Gerry
F4 H7FotSF4xGT
 
twofingers

Guru

Joined: 02/06/2014
Location: Germany
Posts: 1734
Posted: 04:45am 03 Feb 2015
Copy link to clipboard 
Print this post

@Grog,

  Quote  Perhaps I am being over-cautious, but back-EMF is a transistor-killer!

I think you are over-cautious. Just try and use a scope to find out the voltage level.
If needed you can use two zener diodes parallel to the transistors.
Regards
Michael


causality ≠ correlation ≠ coincidence
 
matherp
Guru

Joined: 11/12/2012
Location: United Kingdom
Posts: 11251
Posted: 04:56am 03 Feb 2015
Copy link to clipboard 
Print this post

You can use a bidirectional transient voltage suppressor (TVS) e.g P6KE7V5 would be suitable for 5V operation - they are available in a wide range of voltages
 
MicroBlocks

Guru

Joined: 12/05/2012
Location: Thailand
Posts: 2209
Posted: 06:37am 03 Feb 2015
Copy link to clipboard 
Print this post

Only used dual coil. Works great and is super simple to connect.
If you not already have a bunch of relays lying around then go for the dual coil ones.


Microblocks. Build with logic.
 
WhiteWizzard
Guru

Joined: 05/04/2013
Location: United Kingdom
Posts: 2967
Posted: 07:41am 03 Feb 2015
Copy link to clipboard 
Print this post

I agree with you TZA but then Grogster's first words were . . .
I have some single-coil latching relays.
 
MicroBlocks

Guru

Joined: 12/05/2012
Location: Thailand
Posts: 2209
Posted: 10:23am 03 Feb 2015
Copy link to clipboard 
Print this post

:) You are right.
I need another argument. :)
What about: If you are going to make a PCB for it, then buy the dual coil ones. Make sure they are available later too.
:) ;) :)

Microblocks. Build with logic.
 
Grogster

Admin Group

Joined: 31/12/2012
Location: New Zealand
Posts: 9936
Posted: 01:59pm 03 Feb 2015
Copy link to clipboard 
Print this post

Heh, heh - thanks guys.

@ TZA: I hear you Re. the twin-coil latching relays, but as I have these single's here, I figured I might as well use them over buying yet more.

@ disco4now: Yes, I think you are right there. Collapsing magnetic field will be reverse-polarity of supply voltage, and will effectively be shorted out via the two 47R load resistors - I must stop posting questions at 3AM my time - brain is half asleep, but fingers are still working......

@ WW: Here is a link to some on eBay - these are the exact same Panasonic ones I have here.

Edited by Grogster 2015-02-05
Smoke makes things work. When the smoke gets out, it stops!
 
bigmik

Guru

Joined: 20/06/2011
Location: Australia
Posts: 2980
Posted: 08:08pm 03 Feb 2015
Copy link to clipboard 
Print this post

Grogs,

I have been intrigued by this question and the only idea I can come up with is to use a `snubber circuit' (resistor and capacitor in series) this circuit I would place across the collector and emitter of each transistor so that the EMF voltage would be shunted to GND until the capacitor charged.

Regards,

Mick

PS. I did some googling and this has been a question that IMHO has not been answered clearly but has been asked many times over.

Mik

EDIT **

Personally I would avoid those relays..
Edited by bigmik 2015-02-05
Mick's uMite Stuff can be found >>> HERE (Kindly hosted by Dontronics) <<<
 
TassyJim

Guru

Joined: 07/08/2011
Location: Australia
Posts: 6509
Posted: 08:25pm 03 Feb 2015
Copy link to clipboard 
Print this post

I would go with a back-EMF diode across each 47R resistor.
For each 'direction', the diode will look like it's across the coil in series with the other 47R.

That should protect the transistor but like most of the other responders, I don't like the circuit much at all and would prefer the two coil relays.

If I has a draw full or them, I would be tempted to experiment...

Jim

VK7JH
MMedit
 
bigmik

Guru

Joined: 20/06/2011
Location: Australia
Posts: 2980
Posted: 08:32pm 03 Feb 2015
Copy link to clipboard 
Print this post

Jim,

The problem with that (as I see it) as there is no path to GND (when both transistors are off) for the Back EMF to take.

It is a curly question that is for sure.

Mick
Mick's uMite Stuff can be found >>> HERE (Kindly hosted by Dontronics) <<<
 
Grogster

Admin Group

Joined: 31/12/2012
Location: New Zealand
Posts: 9936
Posted: 01:28pm 04 Feb 2015
Copy link to clipboard 
Print this post

...as we all know, twin-coil latching relays won't have this dilemma at all, as each coil has it's own transistor and back-EMF diode.

I have about 40 or 50 of these relays in a box. I bought them ages ago, thinking that it may be handy to have some latching relays. Absolutely no thought whatsoever was given to how to drive them at the time!

As per my usual motivation at the time - they were very cheap(but still new), so I thought: "I might need some latching relays one day", and grabbed them.

I will experiment.

EDIT: How about this revision of the circuit?





All diodes are standard 1A type. I stole this concept from the internal schematic of just about all H-bridge motor driver IC's. Those diodes should clip anything one would think.

Thoughts?
Opinions?
Edited by Grogster 2015-02-05
Smoke makes things work. When the smoke gets out, it stops!
 
akashh
Senior Member

Joined: 19/01/2014
Location: India
Posts: 115
Posted: 03:30pm 04 Feb 2015
Copy link to clipboard 
Print this post

I have been using these without any diode on one of my Wattmon modules and never faced a problem, the microcontroller never reset but of course that does not mean there wasn't a small spike. I put a 0.1 uf and a 100 uf next to the relay so perhaps that helped filter the spike.Edited by akashh 2015-02-06
 
TassyJim

Guru

Joined: 07/08/2011
Location: Australia
Posts: 6509
Posted: 03:59pm 04 Feb 2015
Copy link to clipboard 
Print this post

I did a spice simulation with 2 diodes. No idea what the inductance of the coil is so the actual spike size is irrelevant but two diodes (I used schottky diodes) did do the job.




Drawing the circuit this way makes it look like a conventional relay control.
For each direction, one diode is forward biased during the back emf period.
Both diodes are reverse biased during the time the transistor is 'on'

I would still like to do a real life test 'cos I don't trust my simulations that much.

Conclusion - the relays Grogster has should be OK to use.

Jim
VK7JH
MMedit
 
TassyJim

Guru

Joined: 07/08/2011
Location: Australia
Posts: 6509
Posted: 09:28pm 04 Feb 2015
Copy link to clipboard 
Print this post

If you drive them with a ULN2003 driver, the diode is already there.
Just connect the common pin to 5V.

When I looked at the link Grogster gave I thought they were a bit expensive - then I realised the price was for 10.

Now they are interesting relays.

Jim
VK7JH
MMedit
 
Grogster

Admin Group

Joined: 31/12/2012
Location: New Zealand
Posts: 9936
Posted: 10:46pm 04 Feb 2015
Copy link to clipboard 
Print this post

Yeah, about $1.15 each or so - not bad.
Smoke makes things work. When the smoke gets out, it stops!
 
larny
Guru

Joined: 31/10/2011
Location: Australia
Posts: 349
Posted: 09:02pm 18 Mar 2015
Copy link to clipboard 
Print this post

  disco4now said   In this circuit wont the two 47 ohm resistor in series (94 ohm) that are effectively in parallel with the coil suppress the back-EMF voltage?

Regards
Gerry

Yes, that's right.

If the supply voltage is 12 Volt, then the relay current will be 12/(120 + 47) = 72 mA.

When the transistor is turned off, then this current will continue to flow initially & decay exponentially.

The voltage across the 47 Ohm resistors will be 0.072 * 47 = 3.4 Volt. (i.e. 3.4 V across each resistor giving a total Back EMF of 3.4 * 2 = 6.8 V if measured between the 2 collectors)

Thus the collector voltages will be 12 + 3.4 = 15.4 V for one transistor & 12 - 3.4 = 8.6 V for the other.

Therefore neither transistor will be damaged.
 
redrok

Senior Member

Joined: 15/09/2014
Location: United States
Posts: 209
Posted: 08:52am 19 Mar 2015
Copy link to clipboard 
Print this post

Hi larny;
  larny said  
  disco4now said   In this circuit wont the two 47 ohm resistor in series (94 ohm) that are effectively in parallel with the coil suppress the back-EMF voltage?
Regards
Gerry
Yes, that's right.
Not quite.
The relay, TXD2-L-4.5V, has a coil resistance of 135ohm. Lets use a supply voltage of 5V, load resistors of 47ohm, assume a VCEon of 0V, and initially eliminate the snubber diodes.
  Quote  If the supply voltage is 12 Volt, then the relay current will be 12/(120 + 47) = 72 mA.
The coil ON current will be:
5V / (135ohm + 47ohm) = 27.5mA
  Quote  When the transistor is turned off, this current will continue to flow initially & decay exponentially.

The voltage across the 47 Ohm resistors will be 0.072 * 47 = 3.4 Volt. (i.e. 3.4 V across each resistor giving a total Back EMF of 3.4 * 2 = 6.8 V if measured between the 2 collectors)
Since the peak current will be 27.5mA the voltage across the 2 resistors in series will be:
27.5ma * (47ohm * 2) = 2.58V for both
However, each resistor will have only half of this:
2.58V / 2 = 1.29V on each.
  Quote  Thus the collector voltages will be 12 + 3.4 = 15.4 V for one transistor & 12 - 3.4 = 8.6 V for the other.
In this case:
The driven transistor when turned off will have:
5V + 1.29V = 6.46V
And the passive transistor will have:
5V - 1.29V = 3.71V
And after the current collapses they will both have 5V.
  Quote  Therefore neither transistor will be damaged.
I agree.
To go further:
This example has a coil resistance of 135ohms.
The spec says the relay has a "Pickup Voltage" of 75% of the rated voltage, 4.5V in this case:
75% * 4.5V = 3.375V relay pickup voltage in the spec.
Lets calculate this circuit's pickup voltage:
5V * 135ohm / ( 47ohm + 135ohm) = 3.71V circuit's pickup voltage.
Getting kind of close! Not quite high enough to meet speck but would probably work.
I guess I would use a smaller resistor, possibly 43ohm or 39ohm.
And of course one should figure in the tolerance of the 5V supply and the non 0V of the transistor.
BTW, why not use the venerable 2N7000 MOSFET.

Edit:
I have to add a comment:
The reason no snubber diodes are required in this example is there is no value of resistance pairs that will allow the the kickback voltage to go negative on the passive transistor nor greater than 2 times the voltage rail on the driven transistor. Cool huh!!!
Of course, there are other problems but never reverse polarity.

redrokEdited by redrok 2015-03-20
 
larny
Guru

Joined: 31/10/2011
Location: Australia
Posts: 349
Posted: 11:38am 22 Mar 2015
Copy link to clipboard 
Print this post

  redrok said   Hi larny;
  larny said  
  disco4now said   In this circuit wont the two 47 ohm resistor in series (94 ohm) that are effectively in parallel with the coil suppress the back-EMF voltage?
Regards
Gerry
Yes, that's right.
Not quite.

redrok

Good morning redrok,
I don't know why you wrote "Not quite"
Gerry was right as the resistors are in parallel with the coil as far as the back EMF is concerned, i.e. 47 + 47 = 94 Ohm, thus the 94 Ohm is in parallel with the coil & the coil current decays through them.
LarnyEdited by larny 2015-03-23
 
     Page 1 of 2    
Print this page
The Back Shed's forum code is written, and hosted, in Australia.
© JAQ Software 2026