Home
JAQForum Ver 24.01
Log In or Join  
Active Topics
Local Time 16:42 28 Apr 2026 Privacy Policy
Jump to

Notice. New forum software under development. It's going to miss a few functions and look a bit ugly for a while, but I'm working on it full time now as the old forum was too unstable. Couple days, all good. If you notice any issues, please contact me.

Forum Index : Microcontroller and PC projects : RS232 and PWM

Author Message
G.B.P.

Newbie

Joined: 13/08/2014
Location: Australia
Posts: 16
Posted: 10:25pm 16 Aug 2014
Copy link to clipboard 
Print this post

Hi all,
Just discovered the MicroMite and this forum.

I am interested in programming the MicroMite to be able to drive 3 DC motors for a simulation program chair.
I have written the program below which allows me to interact with the Simulation Engine with as many Axis as specified in the interface setting, in this case made up as follows: [A<Axis1><Axis2><Axis3>Z]
The [A] marks the start and the [Z] the end of the transmission.

PROGRAM:
.............................
CPU 48
OPEN "COM1:115200: inv" AS #1
DIM dat AS STRING

DO
DO WHILE INPUT$(1,#1)<>"A"
PRINT "Waiting"
LOOP
dat$ = ""
DO
x$= INPUT$(1,#1)
IF x$ = "Z" THEN
PRINT "Input: " + dat$
EXIT Do
ELSE
dat$ = dat$ + " " + x$
ENDIF
LOOP
dat$ = ""
LOOP
...............................

There are some delayed occurring between the transmission but these are not so relevant during the simulation.



Biggest problem is that I cannot relate the input values to any specific coding..



These values change when the Axis Testing Sliders are used.

Can anyone suggest where or what I do incorrect so that possible to receive a whole number instead of these different ASCII codes and extensions..

Thanks
 
halldave

Senior Member

Joined: 04/05/2014
Location: Australia
Posts: 121
Posted: 10:51pm 16 Aug 2014
Copy link to clipboard 
Print this post

Maybe the 3 values are delimited by a space

x <space> y <space> z

these may also be ascii equivalents

to convert would be
x=asc(left$(datout$,1))
y=asc(mid$(datout$,3,1)
z=asc(right$(datout$,1)





OPEN "COM1:115200: inv" AS #1


DO
' read 1 character
dat$=INPUT$(1,#1)

if dat$ = "A" then
' Start of Record
datout$=""
endif

if dat$="Z" then
' End of Record
print datout$
x=asc(left$(datout$,1))
y=asc(mid$(datout$,3,1)
z=asc(right$(datout$,1)
print x, y, z
endif

if dat$<>"A" and dat$<>"Z" then
datout$=datout$+dat$
endif

LOOP

Edited by halldave 2014-08-18
 
TassyJim

Guru

Joined: 07/08/2011
Location: Australia
Posts: 6509
Posted: 10:57pm 16 Aug 2014
Copy link to clipboard 
Print this post

It is difficult if we don't know what format the data is being sent as.
Is it ASCII or HEX bytes?

Try changing
dat$ = dat$ + " " + x$
to
dat$ = dat$ + " " + str$(asc(x$))
and see if that makes more sense.

Jim

VK7JH
MMedit
 
halldave

Senior Member

Joined: 04/05/2014
Location: Australia
Posts: 121
Posted: 11:15pm 16 Aug 2014
Copy link to clipboard 
Print this post


See where is says output type

have you played around with different values, binary, decimal, hex??
 
G.B.P.

Newbie

Joined: 13/08/2014
Location: Australia
Posts: 16
Posted: 11:43pm 16 Aug 2014
Copy link to clipboard 
Print this post

Hi Halldave,
The output is binary and your sample program works perfectly, needed minor adjustments on the X,Y,Z format..

Input ranges from 0 to 255.. These are the values required for setting the motors directions further on in the program..


DO
' read 1 character
dat$=INPUT$(1,#1)

if dat$ = "A" then
' Start of Record
datout$=""
endif

if dat$="Z" then
' End of Record
x=asc(left$(datout$,1))
y=asc(mid$(datout$,2,1))
z=asc(right$(datout$,1))
print x, y, z
endif

if dat$<>"A" and dat$<>"Z" then
datout$=datout$+dat$
endif
LOOP





Thank you all for such fast response, I can now continue with the rest
 
halldave

Senior Member

Joined: 04/05/2014
Location: Australia
Posts: 121
Posted: 11:46pm 16 Aug 2014
Copy link to clipboard 
Print this post

your welcomeEdited by halldave 2014-08-18
 
G.B.P.

Newbie

Joined: 13/08/2014
Location: Australia
Posts: 16
Posted: 09:36pm 05 Jan 2015
Copy link to clipboard 
Print this post

Hi everyone,
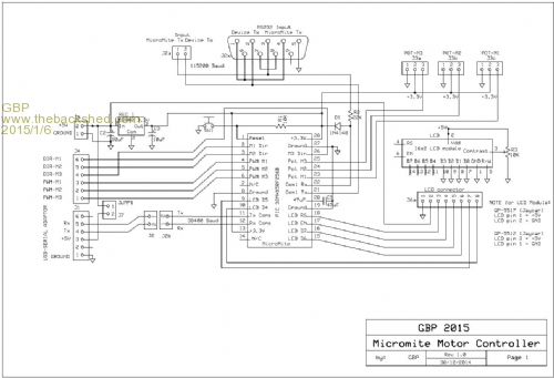
I am getting closer to the final working prototype of my 3DOF Micromite controller.
I have one more question to ask regarding the different possible inputs to the Micromite unit.
Currently, the program is designed to receive the simulation game data trough pin 22/21 (Com1 @ 115,200 Baud)via the cheap diode/resistor connections, while the programming is done through pin 12/13 via a USB-Serial adaptor. (Freetronic 16u2 USB@ 38,400 Baud)
I am designing the electronic schematic and PCB (attached) to allow the use of only one USB-Serial adaptor for both cases so that beside avoiding a separate 5V supply, the changes between programming and working is very simple. This requiring only to swop J2a with J2b and adjust baud rate.



The issue is that if I connect the USB-Serial TX and Rx to pin 12/13 and change baud rate there is still no communication and the MM stands. With the Freetronic unit Rx light on full time.
Is there a specific method or command required to activate this communication?


Thanks


2015-01-06_071631_3DOF_with_Micromite.zip
 
Print this page


To reply to this topic, you need to log in.

The Back Shed's forum code is written, and hosted, in Australia.
© JAQ Software 2026