Home
JAQForum Ver 24.01
Log In or Join  
Active Topics
Local Time 14:33 27 Apr 2026 Privacy Policy
Jump to

Notice. New forum software under development. It's going to miss a few functions and look a bit ugly for a while, but I'm working on it full time now as the old forum was too unstable. Couple days, all good. If you notice any issues, please contact me.

Forum Index : Microcontroller and PC projects : [MicroMite]AD9850 Controller Code V11

     Page 1 of 2    
Author Message
G8JCF

Guru

Joined: 15/05/2014
Location: United Kingdom
Posts: 676
Posted: 10:09am 15 Jul 2014
Copy link to clipboard 
Print this post

Hi

Thanks to feedback from @boss, and comments from several people, I've amended the AD9850Controller source code so that it runs more quickly than previous versions.


Version 11 changes from Version 9
- Include tuning step sizes 10,000, 100,000, 1,000,000 Hz
- Implement Native SINGLE precision for step-sizes of 100Hz or greater
else use use BCD library

- Optimised DDS write SUBS
- Changed ISR's to SUB/END SUB
- Added Sub StepChange to respond to Push Switch
- Updates to LCD are now done only every 100mS, see SETTICK 100, DispFreq,1

Known Problems
- If the Step size is set greater than the current frequency and the encoder is
rotated ANT-Clockwise, "strange" operating frequency results, but rotating
Clockwise so that the operating frequency is GT than step-size returns the
op freq to correct values.

TTD
- Update the BCD arith routines to process quintets of digits at a time
- Fix the Step size vs Op Frequency problem


Please let me know how this release works for you.

73

Peter


'AD9850 VFO Controller V11 - Tues 15 Jul 2014
'
'Peter Carnegie - GM8JCF - 2014

'eBay AD9850 Modules use 125,000,000 Hz Clocks
'AD9850 Fout= (Δ Phase × CLKIN)/2^32 where Fout=32 bit tuning word
'TuningWord= Fout * 2^32 / CLKIN = Fout * (2^32/125,000,000)
'2^32/125,000,000 = 34.359738368 - VB6 Double Precision
'Using Integer only arithmetic, multiply by 1,000,000
'DivConst= 34359738
'We then divide the result of TuningWord=DivConst * Fout by 1,000,000
'
'
'
'V11 - Include tuning steps sizes 10,000, 100,000, 1,000,000 Hz
' - Implement Native SINGLE precision for step-sizes of 100Hz or greater
' else use BCD library

' - Optimised DDS write SUBS
' - Changed ISR's to SUB/END SUB
' - Added Sub StepChange to respond to Push Switch
' - Updates to LCD are now done only every 100mS, see SETTICK 100, DispFreq,1
'
'Known Problems
' - If the Step size is set greater than the current frequency and the encoder is
' rotated ANT-Clockwise, "strange" operating frequency results, but rotating
' Clockwise so that the operating frequency is GT than step-size returns the
' op freq to correct values.
'
'TTD
' - Update the BCD arith routines to process quintets of digits at a time
' - Fix the Step size vs Op Frequency.

'High Speed for Initialisation
CPU 48

'Initialise the BCD Library
InitBCDLib

DIM DivConst(7)
'Load it up in BCD
LoadBCD DivConst(0),"34359738"

'2^32/125,000,000 as a SINGLE
'MMBasic will truncate it to 6 digits of precision
DIM DivConstSingle
DivConstSingle=34.359738368

'Cur Freq in BCD
DIM CurFreq(7)
'Load it up in BCD
LoadBCD CurFreq(0),"1000000"

'Current Frequency as a SINGLE
DIM CurrentFrequency
CurrentFrequency=1000000

'Define DDS Control pins
FQUD=18
SData=17
WCLK=16

'Initialise the LCD Display
DispLen=16
'26=D7, 25=D6, 24=d5, 23=d4
'22=RS, 21=EN
LCD INIT 26,25,24,23,22,21

'When Set to 1 will trigger a display of frequency
DIM DispRqst

'Rotary Encoder Input pins - see page 22 uMite User Manual
DIM RA,RB
RA=2
RB=3

'TuneStep change switch on Rotary Encoder
DIM SW
SW=4

'Setup the I/O pins for the Rotary Encoder
SETPIN RB, DIN
SETPIN RA, INTH, ISRREInt
SETPIN SW, INTL, ISRStepChange

'Variable incremented/decremented by the ISRREInt
'ISR for the Rotary Encoder
DIM Value,LastValue

'Var set ON to request StepChange, by ISRStepChange
DIM StepChangeRqst

'Raw Tuning Word, ie scaled by 1E6
DIM RawTWord(7)

'Tuning Word scaled back to real world units, ie divide by 1E6
DIM TWord(7)

'Index of which Step size is in force
DIM CurStepIndex

'Startup with 10Hz tuning steps
CurStepIndex=1

'Current Step in TWord units
DIM CurStepTW(7)

'Array of Possible Step Sizes in Hz
DIM StepHz(6)
StepHz(0)=1
StepHz(1)=10
StepHz(2)=100
StepHz(3)=1000
StepHz(4)=10000
StepHZ(5)=100000
StepHZ(6)=1000000

'What to Add/Subtract from the Scaled tuning Word
'for each Encoder Up/Down
DIM StepTWord$(6) Length 24
'These TuningWord sizes were calculated using Double precision arithmetic
'in VB6, using 2^32/125.0
'
StepTWord$(0)="34359738" '1Hz 34359738.368
StepTWord$(1)="343597384" '10Hz 343597383.68
StepTWord$(2)="3435973837" '100Hz 3435973836.8
StepTWord$(3)="34359738368" '1000Hz 34359738368.
StepTWord$(4)="343597383680" '10000Hz 343597383680
StepTWord$(5)="3435973836800" '100000Hz 3435973836800
StepTWord$(6)="34359738368000" '1000000Hz 34359738368000

'Load the CurStepTW with the startup Step in TW
LoadBCD CurStepTW(0),StepTWord$(CurStepIndex)

'The Current Step in TW units in a SINGLE
DIM CurStepTWSingle
CurStepTWSingle=VAL(StepTWord$(CurStepIndex))/1E6

'Calculate Starting TuningWord
CopyBCD DivConst(0),BCDA(0)
CopyBCD CurFreq(0),BCDB(0)
'Calculate the Tuning Word, this one is * 1E6
MulAB2C

'Save the RawTWord
CopyBCD BCDC(0), RawTWord(0)

'SINGLE version of the TWord
DIM TWordSingle
'Calculate the Tuning Word as a SINGLE
TWordSingle=CurrentFrequency * DivConstSingle

'Start with clean BCD Registers
ClrBCD(BCDA(0))
ClrBCD(BCDB(0))
ClrBCD(BCDC(0),15)

'Go do Main Loop
Main

END

'====================================================
'
'Loop for ever
'
SUB Main

'General purpose String used in Main Loop
LOCAL D$(1) length 24
LOCAL I,L,Cy

'Flag set=1 when rotary encoder has moved.
'Do it this way to improve responsiveness
LOCAL Change

D$(1)="GM8JCF"
LCD 2, C16, D$(1)

'Initialise the I/O & DDS chip
InitDDS

'Trigger a display of Frequency
DispRqst=1
SETTICK 100,DispFreq,1

'Display the Step Size
LCD 2,1,STRING$(20," ")
LCD 2,1,"Step="+STR$(StepHz(CurStepIndex))+" Hz"
PRINT "Tune Step="+STR$(StepHz(CurStepIndex)) 'DEBUG

'Save Power, slow down the CPU
CPU 5

'Do for ever !
DO

Change=Value-LastValue
Value=LastValue

'Any movement ?
IF Change<>0 THEN
' Print "Main:Change:";Change 'DEBUG

'We need all the speed we can get for the calculations
CPU 48

L=TIMER 'DEBUG

'If the Tune Step is 100Hz or greater then we can use the Native SINGLE
'arithmetic of MMBasic otherwise we must use ths much slower BCD arithmetic
'
IF StepHZ(CurStepIndex) >= 100 THEN
L=TIMER 'DEBUG
IF Change<0 THEN
CurrentFrequency=CurrentFrequency-StepHz(CurStepIndex)
' TWordSingle=TWordSingle-CurStepTWSingle
ELSE
CurrentFrequency=CurrentFrequency+StepHz(CurStepIndex)
' TWordSingle=TWordSingle+CurStepTWSingle
ENDIF

'Calculate Tuning Word
TWordSingle=CurrentFrequency * DivConstSingle

' PRINT "Calc Time: ";TIMER-L 'DEBUG
L=TIMER

'Now we have to get it into the DDS Chip
SendDDSDataSingle TWordSingle

' PRINT "DDS Comms: ";TIMER-L 'DEBUG

ELSE
'
'The Tune Step is less than 100Hz so we have to use extended precision arithmetic
'which is slower
'
'If encoder is turning ANTI-clockwise, Decrement
'If encoder is turning CLOCKwise, Increment
IF Change<0 THEN
DecCurFreq(StepHz(CurStepIndex))
ELSE
IncCurFreq(StepHz(CurStepIndex))
ENDIF

'If ANTI-clockwise then decrement TuningWORD
'If CLOCKwise then incrementg TuningWORD
IF Change<0 THEN
'Decrement
Cy=0
FOR I=0 TO 4
RawTword(I)=RawTword(I)+1000 - CurStepTW(I) - Cy
Cy=1 - (RawTword(I) \ 1000)
RawTword(I)=RawTword(I) MOD 1000
NEXT I
ELSE
'Increment
Cy=0
FOR I=0 TO 4
RawTword(I)=RawTword(I) + CurStepTW(I) + Cy
IF RawTword(I)>999 THEN
Cy=RawTword(I)\1000
RawTword(I)=RawTword(I) MOD 1000
ELSE
Cy=0
ENDIF
NEXT I
ENDIF

'Save the New Tuning Word for next time
FOR I=0 TO 7
BCDC(I)=RawTword(I)
NEXT I

'Round to the nearest 1,000,000
'ie Add 500,000, then chop off the last 6 digits
Cy=500
FOR I=1 TO 3
BCDC(I)=BCDC(I)+Cy
IF BCDC(I)<1000 THEN
EXIT FOR
ELSE
Cy=BCDC(I)\1000
BCDC(I)=BCDC(I) MOD 1000
ENDIF
NEXT I

'And make the Actual DDS Tuning Word, ie scale down by 1E6
'For BCD that just means removing the last 6 digits
FOR I=2 TO 7
BCDA(I-2)=BCDC(I)
NEXT I
BCDA(6)=0:BCDA(7)=0

'Convert BCD to UINT32
BCDA2Bin

'Send the Tuning Word to the DDS
SendDDSData
ENDIF

'Request a display of Frequency
DispRqst=1

'Reset change flag for next iteration
Change=0

PRINT "Loop Time=";TIMER-L 'DEBUG

'Slowdown the CPU to save power
CPU 5

ENDIF

'Is there a request to change the Tune Step ?
IF StepChangeRqst THEN
StepChange
StepChangeRqst=0
ENDIF

'Go check again
LOOP

END SUB

END

'=========================================================
'
'Interrupt Service Routines
'
'Here when the Rotary encoder moves
SUB ISRREInt

IF PIN(RB)=1 THEN
'Clockwise rotation
Value=Value+1
ELSE
'Anti-Clockwise rotation
Value=Value-1
ENDIF

END SUB

'=========================================================
'
'Here on Step Switch click
'
SUB ISRStepChange
'Set Step Change Requested
StepChangeRqst=1
' PRINT "ISRStepChange" 'DEBUG
END SUB


'=========================================================
'
'Change the Tuning Step
'
SUB StepChange

LOCAL CurrentStepHz
LOCAL CurrentStepIndex
LOCAL Freq$(1) Length 12
LOCAL D$(1) Length 20

'Capture the current step Index
CurrentStepIndex=CurStepIndex

'Bump the index
CurStepIndex=CurStepIndex+1

'Roll round CurStepIndex if greater than 6
CurStepIndex=CurStepIndex MOD 7

'Did we roll over to step 0 ?
'If Yes then we are going to use extended precision arithmetic
'so we have to load up the BCD variables
IF CurStepIndex=0 THEN
'Get the Current Frequency
' PRINT "StepChange:";STR$(CurrentFrequency) 'DEBUG
Freq$(1)=STR$(CurrentFrequency)

L=LEN(Freq$(1))
IF L>6 THEN
IF MID$(Freq$(1),L,1)="6" THEN
Freq$(1)=STR$(CurrentFrequency/1e1)+"0"
ELSE
Freq$(1)=STR$(CurrentFrequency/1e2)+"00"
ENDIF
ENDIF

LoadBCD CurFreq(0),Freq$(1)

'Calculate the Tuning Word - this is the x 1E6 one
CopyBCD DivConst(0),BCDA(0)
CopyBCD CurFreq(0),BCDB(0)
'Calculate the Tuning Word, this one is * 1E6
MulAB2C

'Save the RawTWord
CopyBCD BCDC(0), RawTWord(0)
ENDIF

'Was the last StepHz less than 100Hz and the new one greater than 99 Hz
IF (StepHz(CurrentStepIndex) < 100) AND (StepHz(CurStepIndex>99)) THEN
'Convert CurFreq() into CurrentFrequency
Freq$(1)=CurFreq2Asc$()
' PRINT "Conversion of Freq$(1):";Freq$(1) 'DEBUG
CurrentFrequency=VAL(Freq$(1))
' PRINT "Val Freq$(1):";CurrentFrequency 'DEBUG
TWordSingle=CurrentFrequency * DivConstSingle
CurStepTWSingle=VAL(StepTWord$(CurStepIndex))/1E6
ENDIF

'Display the Step size
LCD 2,1,STRING$(20," ")
D$(1)=STR$(StepHz(CurStepIndex))
IF MID$(D$(1),LEN(D$(1),1))="5" THEN
D$(1)=STR$(StepHz(CurStepIndex)/1e1)+"0"
ENDIF
LCD 2,1,"Step="+D$(1)+" Hz"
PRINT "Tune Step="+STR$(StepHz(CurStepIndex)) 'DEBUG

END SUB


'=========================================================
'
'Increment CurFreq() by Inc
'
SUB IncCurFreq(Inc)
LOCAL I,Cy

Cy=Inc
FOR I=0 TO 2 '7
CurFreq(I)=CurFreq(I) + Cy

IF CurFreq(I)<1000 THEN
EXIT FOR
ELSE
Cy=CurFreq(I)\1000
CurFreq(I)=CurFreq(I) MOD 1000
ENDIF

NEXT I

END SUB

'=========================================================
'
'Decrement CurFreq() by Dec
'
SUB DecCurFreq(Dec)

LOCAL I,Bw

Bw=Dec

FOR I=0 TO 7
CurFreq(I)=CurFreq(I)+1000 - BW
BW=1 - (CurFreq(I) \ 1000)
CurFreq(I)=CurFreq(I) MOD 1000
IF BW=0 THEN EXIT FOR
NEXT I

END SUB


'=========================================================
'Returns a string representing the BCD Digits from CurFreq()
'eg if CurFreq(0)=123, CurFreq(1)=456,CurFreq(2)=789, then
'CurFreq2ASC$ will return "789456123"
'
FUNCTION CurFreq2Asc$()

LOCAL I,J,A$(1) Length BCDSize*3,B$(1) Length BCDSize*3

'Frequency is 8 digits long , eg 30,000,000
FOR I=2 TO 0 STEP -1

'Find First non Zero Triplet
IF CurFreq(I)<>0 THEN

FOR J=I TO 0 STEP -1
B$(1)=B$(1)+STR$(CurFreq(J),3,0,"0")
NEXT J

'Now Remove any leading Zeroes
FOR J=1 TO 3
IF PEEK(VAR B$(1),J)<>&H30 THEN
B$(1)=MID$(B$(1),J)
EXIT FOR
ENDIF

NEXT J

EXIT FOR

ENDIF

NEXT I

CurFreq2Asc$=B$(1)

END FUNCTION


'=========================================================
'
'Imitialise the DDS
'
SUB InitDDS

SETPIN FQUD, DOUT : PIN(FQUD)=0
SETPIN SData, DOUT : PIN(SData)=0
SETPIN WCLK, DOUT : PIN(WCLK)=0
SetFreq

END SUB


'----------------------------------------------------------- ---
'Fundamental equation for DDS
'Tuningword = FrequencyDesired * (AccumulatorBits / ClockIn)
'For an AD9850, TuningWord = F * ( (2^32) / ClkIn )
'
SUB SetFreq
LOCAL I,J,TWord(7)

FOR I=0 TO 7
BCDA(I)=CurFreq(I)
NEXT I

FOR I=0 TO 7
BCDB(I)=DivConst(I)
NEXT I

'Calc the Tuning Word
MulAB2C

'Save this Long Tuning Word
FOR I=0 TO 7
RawTWord(I)=BCDC(I)
NEXT I

'Div by 1E6
J=0
ClrBCD(BCDA(0))
FOR I=2 TO 7
BCDA(J)=BCDC(I)
J=J+1
NEXT I

' PRINT BCDA2Asc$() 'DEBUG

'Convert BCDA() to 8 hex digits, ie 32 bits
BCDA2Bin
'Tuning Word is now in BCDC()

'Send it to out
SendDDSData

END SUB

'=========================================================
'
'Tuning Word to be sent to the DDS must be in BCDC()
'Called by BCD based routines
'
SUB SendDDSData

' LOCAL I

' Print "SendDDSData:BCDC():&H"; 'DEBUG
' For I=3 to 0 step -1 'DEBUG
' Print Hex$(BCDC(I)); 'DEBUG
' Next I 'DEBUG
' Print 'DEBUG

' BCDC(4)=0

PIN(FQUD)=0 'Make sure FQUD is Low
PIN(WCLK)=0 'Clock pin Low
PIN(Sdata)=0 'Data Pin Low

'Send the Tuning Word and COntrol bytes to the AD9850
'Inline for speed
Send8Bits BCDC(0)
Send8Bits BCDC(1)
Send8Bits BCDC(2)
Send8Bits BCDC(3)
Send8Bits 0

PULSE FQUD,0.05 'Latch the data into the DDS chip

END SUB


'=========================================================
'
'Send Tuning Word as SINGLE TWord to DDS
'
SUB SendDDSDataSingle(TWord)
LOCAL B

PIN(FQUD)=&H0 'Make sure FQUD is Low
PIN(WCLK)=&H0 'Clock pin Low
PIN(Sdata)=&H0 'Data Pin Low

'Make a copy because we're going to change the Arg
B=TWord

'Inline the 5 byte send for maximum speed
Send8Bits B AND &HFF:B=B\&H100
Send8Bits B AND &HFF:B=B\&H100
Send8Bits B AND &HFF:B=B\&H100
Send8Bits B
Send8Bits 0

PULSE FQUD,0.05 'Latch the data into the DDS chip

END SUB


'=========================================================
'
'Send Byte in B to DDS chip
'
SUB Send8Bits(B)

'Inline the 8 bit send for max speed
PIN(SData)=B AND &H1:PULSE WCLK,0.05
PIN(SData)=B AND &H2:PULSE WCLK,0.05
PIN(SData)=B AND &H4:PULSE WCLK,0.05
PIN(SData)=B AND &H8:PULSE WCLK,0.05
PIN(SData)=B AND &H10:PULSE WCLK,0.05
PIN(SData)=B AND &H20:PULSE WCLK,0.05
PIN(SData)=B AND &H40:PULSE WCLK,0.05
PIN(SData)=B AND &H80:PULSE WCLK,0.05

END SUB

'=========================================================
'
'Display Operating Frequency on LCD and Console
'
SUB DispFreq
LOCAL CurFreq$(1) Length 12
LOCAL L

'If No Request to Display then nothing to do
IF DispRqst=0 THEN EXIT SUB

'Reset the Display Request flag
DispRqst=0

'Using Single precision arithmetic ?
IF StepHZ(CurStepIndex) < 100 THEN
CurFreq$(1)=CurFreq2Asc$()
ELSE
CurFreq$(1)=STR$(CurrentFrequency)
L=LEN(CurFreq$(1))
'Is Sciemtific Notation in force
IF L>6 THEN
IF MID$(CurFreq$(1),L,1)="6" THEN
CurFreq$(1)=STR$(CurrentFrequency/1e1)+"0"
ELSE
CurFreq$(1)=STR$(CurrentFrequency/1e2)+"00"
ENDIF
ENDIF
ENDIF

'Display Frequency on the console
PRINT "CurFreq$:";CurFreq$(1) 'DEBUG

'Display Frequency on the LCD on Line 1
LCD 1, C16, CurFreq$(1)



END SUB


'=========================================================
'
'Initialise the BCD Library
'MUST be called BEFORE calling any other BCD Lib routines
'Creates Global BCD Lib Vars, BCDA/B/C() and BCDSize
'NumDigits is Number of BCD digits, eg 24,
'BCDSize will return number of elements used to represent NumDigits, ie NumDigits\3
'
SUB InitBCDLib(NumDigits)

IF NumDigits=0 THEN NumDigits=24

DIM BCDSize

'Number of elements per BCD register
'Each Element holds 3 digits
BCDSize=(NumDigits\3)
'The next version of the BCDLib will use BCDSize
'instead of hard-coded values of 7, 15, 24 etc
'to allow arbitrary precision arithmetic

DIM BCDA(BCDSize-1),BCDB(BCDSize-1),BCDC(BCDSize*3)

END SUB


'=========================================================
'BCDC()=BCDA() x BCDB()
'This algorithm works on Triplets of digits
'For optimum speed, make sure the shortest multiplier is in BCDB()
'
SUB MulAB2C

LOCAL Cy, I, J, K, L, M, N

'Array for the intermediate multiplication
LOCAL C1(16)

FOR I=0 TO 15
BCDC(I)=0
NEXT I

'Set default length
M=7
'Find length of BCDA()
FOR I = 7 TO 0 STEP -1
IF BCDA(I) <> 0 THEN
M=I
EXIT FOR
ENDIF
NEXT I

'Set default length
N=7
'Find Length of BCDB()
FOR I = 7 TO 0 STEP -1
IF BCDB(I) <> 0 THEN
N=I
EXIT FOR
ENDIF
NEXT I

'Now Do the Long Multiplication of the two numbers
L = 0
K = 0

FOR I = 0 TO M+1
Cy = 0
FOR J = 0 TO N+1

C1(J)=(BCDA(I)*BCDB(J))+Cy

IF C1(J) > 999 THEN
Cy = C1(J) \ 1000
C1(J) = C1(J) MOD 1000
ELSE
Cy = 0
ENDIF

NEXT J

'Add the partial result to the overall total
'Add each element of C() to D() result into D()
Cy = 0

FOR J = 0 TO 7 '23 \ 3
K = J + L
BCDC(K)=BCDC(K)+C1(J)+Cy
IF BCDC(K) > 999 THEN
Cy=BCDC(K)\1000
BCDC(K)=BCDC(K) MOD 1000
ELSE
Cy = 0
ENDIF
NEXT J

L=L+1

NEXT I

END SUB


'=========================================================
'
'Clear BCD Register
'Dest is Element 0 of a BCD register, eg FREQ(0)
'NumDigits is Number of digits in the BCD register, is Optional
'
SUB ClrBCD(Dest,NumDigits)
LOCAL I
IF NumDigits=0 THEN NumDigits=7

FOR I=0 TO (NumDigits*4)-1
POKE VAR Dest,I,0
NEXT I

END SUB


'=========================================================
'
'Copy a BCD string into a BCD Register/Destination
'Dest is the first element of a BCD register, eg BCDA(0), CurFreq(0)
'A$ is a string of BCD digits, eg "1234567890"
'
SUB LoadBCD(Dest,A$,NumDigits)
LOCAL I,J,M
LOCAL B(15),A2$(28)

IF NumDigits=0 THEN NumDigits=7

'Pad to make sure string is a multiple of 3 digits
A2$(1)=LPad$(A$,3)

J = 0
M=LEN(A2$(1))
FOR I = M - 2 TO 1 STEP -3
B(J) = VAL(MID$(A2$(1), I, 3))
J = J + 1
NEXT I

FOR I=0 TO (NumDigits*4)-1
POKE VAR Dest,I,PEEK(VAR B(0),I)
NEXT I


END SUB

'=========================================================
'
'Prepend leading 0 to make sure
'string is a multiple of ML digits
'
FUNCTION LPad$(A$,ML)
LOCAL I,J,M
M=LEN(A$)

IF M MOD ML <> 0 THEN
FOR I=ML TO 24 STEP ML
IF M<I THEN
' Print "LPad$:A$";A$ 'DEBUG
LPad$=STRING$(I-M,"0")+A$
EXIT FOR
ENDIF
NEXT I
ELSE
LPad$=A$
ENDIF
END FUNCTION


'==============================================
'
'Convert BCDA() into an unsigned 32 bit integer
'in BCDC()
'Algorithm process triplets of decimal digits
'
SUB BCDA2Bin

LOCAL I,T,L,Cy

FOR I=0 TO 15
BCDC(I)=0
NEXT I

T=7
' print "BCDA(I) "; 'DEBUG
FOR I=7 TO 0 STEP -1
' Print BCDA(I);" "; 'DEBUG
IF BCDA(I)<>0 THEN
T=I
EXIT FOR
ENDIF
NEXT I

'Each triplet of digits are worth 0-999, ie 1000's
L=1000 ^ (T)
FOR I=T TO 0 STEP -1 '0 To 11

'Add Next Decimal Digit into the Binary Long word
BCDC(0)=BCDC(0)+(BCDA(I)*L)

'Has this caused an overflow
IF BCDC(0)>&HFF THEN
'Yes
'Now ripple the overflow across the other bytes
Cy=BCDC(0) AND &H7FFFFF00 '2147483392 '&H7FFFFF00
BCDC(0)=BCDC(0)AND &HFF '255 '&HFF
BCDC(1)=BCDC(1)+(Cy\&H100) '256)

'Has this caused an overflow
IF (BCDC(1)>&HFF) THEN
'Yes
'Now ripple the overflow across the other bytes
Cy=BCDC(1) AND &H7FFFFF00 '2147483392 '&H7FFFFF00
BCDC(1)=BCDC(1) AND &HFF '255 '&HFF
BCDC(2)=BCDC(2)+(Cy\&H100) '256)

'Has this caused an overflow
IF (BCDC(2)>&HFF) THEN
'Yes
'Now ripple the overflow across the other bytes
Cy=BCDC(2) AND &H7FFFFF00 '2147483392 '&H7FFFFF00
BCDC(2)=BCDC(2) AND &HFF '255 '&HFF
BCDC(3)=BCDC(3)+(Cy\&H100) '256)

ENDIF
ENDIF
ENDIF

L=L\1000

NEXT I

'Was there an overflow
IF (BCDC(3)>&HFF) THEN
ERROR "OverFlow"
ENDIF

END SUB


'=========================================================
'
'Returns a string representing the BCD Digits from BCDA()
'eg if BCDA(0)=123, BCDA(1)=456,BCDA(2)=789, then
'BCD2ASC$ will return "789456123"
'
FUNCTION BCDA2Asc$()

LOCAL I,J,A$(1) Length BCDSize*3,B$(1) Length BCDSize*3

FOR I=7 TO 0 STEP -1

'Find First non Zero Triplet
IF BCDA(I)<>0 THEN

FOR J=I TO 0 STEP -1
'Uncomment the following line for Micromite only code - faster
B$(1)=B$(1)+STR$(BCDA(J),3,0,"0")
'Comment out the following 2 lines for Micromite only code - faster
' A$(1)=STR$(BCDA(J))
' B$(1)=B$(1)+STRING$(3-LEN(A$(1)),"0")+A$(1)
NEXT J

'Now Remove any leading Zeroes
FOR J=1 TO 3
' IF MID$(B$(1),J,1)<>"0" THEN
IF PEEK(VAR B$(1),J)<>&H30 THEN
B$(1)=MID$(B$(1),J)
EXIT FOR
ENDIF

NEXT J

EXIT FOR

ENDIF

NEXT I

BCDA2Asc$=B$(1)

END FUNCTION


'=========================================================
'
' General purpose way to move BCD data between source and dest
' arrays. NOT as fast as doing a direct copy using a FOR loop.
'
SUB CopyBCD(Src,Dest,NumDigits)

LOCAL I
IF NumDigits=0 THEN NumDigits=7
FOR I=0 TO (NumDigits * 4)-1
POKE VAR Dest,I,PEEK(VAR Src,I)
NEXT I

END SUB

The only Konstant is Change
 
G8JCF

Guru

Joined: 15/05/2014
Location: United Kingdom
Posts: 676
Posted: 09:50am 16 Jul 2014
Copy link to clipboard 
Print this post

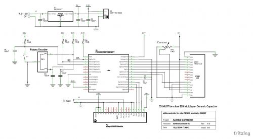
Here are the

1) Schematic of my set-up (my first time with Fritzing, so it doesn't look very pretty)

2) Schematic of the eBay module

3) Picture of the eBay module

Hope these help.

73

Peter








Edited by G8JCF 2014-07-17
The only Konstant is Change
 
BobD

Guru

Joined: 07/12/2011
Location: Australia
Posts: 935
Posted: 10:17am 16 Jul 2014
Copy link to clipboard 
Print this post

Peter,
you made the change from ISRs to SUBs. Was there a reason for that and did you find it beneficial?
Bob
 
G8JCF

Guru

Joined: 15/05/2014
Location: United Kingdom
Posts: 676
Posted: 11:17am 16 Jul 2014
Copy link to clipboard 
Print this post

Hi Bob

The ISRs are SUBs just not in the Gosub sense.

Gosub Label, I/Return just strikes me as a little old fashioned compared to named procedures. I know that functionally they do the same thing, but it just seems more 'proper' to have Sub XXX .... End Sub than Label: .... I/Return. At the end of the day it's really a matter of style I guess (for an interpreted language at least - not so for a block structured compiled language like C/C++/Delphi/c#VB etc.

Oh, I forgot, the other really good reason to use Sub XXXX .... End Sub, is that one can use LOCAL variables which is really important from a portability, maintainability, & error-reduction point of view.

As for operation, I've now converted all my ISRs over to SUB/End Sub including SetTick, and everything continues to work just as before as far as I can tell. I haven't done any performance benchmarking to see if there is any difference in speed between the different styles.

Perhaps Geoff could step in here and give us his thoughts since he clearly has the greatest knowledge of just how MMBasic works :)

Hope that helps answer your question ?

73

Peter
The only Konstant is Change
 
boss

Senior Member

Joined: 19/08/2011
Location: Canada
Posts: 268
Posted: 11:39am 16 Jul 2014
Copy link to clipboard 
Print this post

Hi,

@G8JCF

I had just about 5minutes to test the new code. All I can say is "WOW".

Thanks

@BobD

I had the same question couple of days ago. Peter explained me that Label/Iretutn works the same way like Sub/End sub. He is right.

Regards
 
boss

Senior Member

Joined: 19/08/2011
Location: Canada
Posts: 268
Posted: 11:46am 16 Jul 2014
Copy link to clipboard 
Print this post

Hi Peter,

I sent an email (this afternoon) to Geoff with question about 32/64 Integer FW availability.

Regards
 
G8JCF

Guru

Joined: 15/05/2014
Location: United Kingdom
Posts: 676
Posted: 12:20pm 16 Jul 2014
Copy link to clipboard 
Print this post

@boss

For extended precision purposes, and speed, 64 bit integers would be really great, altho if 32 bit ints were implemented, it shouldn't be too difficult/slow to write in MMBasic to create longer integers.

I think Geoff is understandably very, very busy so it might be a long wait, I'm just glad to have the uMIte to play with

What would be really great would be if there was a way to create a function/library in C using MPLAB, and then be able to call that from MMBasic - I know that would be a very big ask from Geoff, but if he could work out how to do it, then that would really open the floodgates for using the uMite in realtime situations.

I'm glad you like the new code, please give it a real thrashing and let me know the results.

My 128 PPR optical encoders have arrived - AVAGO/HP - so tomorrow I'll get them wired up and find out.

73

Peter
The only Konstant is Change
 
G8JCF

Guru

Joined: 15/05/2014
Location: United Kingdom
Posts: 676
Posted: 01:27pm 16 Jul 2014
Copy link to clipboard 
Print this post

Here's a more readable (I think) version of the schematic.




73

Peter

The only Konstant is Change
 
G8JCF

Guru

Joined: 15/05/2014
Location: United Kingdom
Posts: 676
Posted: 01:36pm 16 Jul 2014
Copy link to clipboard 
Print this post

Sorry, posting JPG's doesn't seem too good !

So here's the picture as a GIF


If anybody wants the hires PDF or .FZZ just PM me with your email address and I'll send it directly to you.

73

Peter
The only Konstant is Change
 
boss

Senior Member

Joined: 19/08/2011
Location: Canada
Posts: 268
Posted: 05:36pm 16 Jul 2014
Copy link to clipboard 
Print this post

Hi everyone,

I received an email from Geoff today and it looks like we will have 32/64bit Integer math soon for MM and then for uM as well. Soon means in fall and this is really good news.

Regards
boss
 
G8JCF

Guru

Joined: 15/05/2014
Location: United Kingdom
Posts: 676
Posted: 05:38pm 16 Jul 2014
Copy link to clipboard 
Print this post

Great News !
The only Konstant is Change
 
JohnS
Guru

Joined: 18/11/2011
Location: United Kingdom
Posts: 4304
Posted: 08:46pm 16 Jul 2014
Copy link to clipboard 
Print this post

Might help Geoff if the smallest and simplest set of C routines already built for MMBasic were written.

As C32 (gcc for MIPS/PIC32) has a 64-bit integer (long long) that should make things short & simple unless using it pulls in support code that's not now pulled in.

John
 
G8JCF

Guru

Joined: 15/05/2014
Location: United Kingdom
Posts: 676
Posted: 01:30pm 17 Jul 2014
Copy link to clipboard 
Print this post

@JohnS could you please provide some code examples ?

73

Peter
The only Konstant is Change
 
JohnS
Guru

Joined: 18/11/2011
Location: United Kingdom
Posts: 4304
Posted: 12:10am 18 Jul 2014
Copy link to clipboard 
Print this post

  G8JCF said   @JohnS could you please provide some code examples ?

73

Peter
In C, and just add & subtract? What number of bits / range of values & integers (fixed point) only? And Geoff will add to MMBasic?

If no to any/all, what do you mean precisely?

Just add & subtract and not much range (fixed point), say at least 32-bits, can be quite short even in MMbasic code, but if you want multiply (and maybe divide) with reasonable speed I see little option but C and must be in MMBasic itself or the idea's doomed.

Bearing in mind Geoff has previously refused to allow additions to be circulated in effect other than via him then anything in C needs his assistance even if he doesn't write the code. I have zero interest in writing code that may be blocked from release. So, at the very least a spec for a few helper functions would need to be agreed in advance or I see no way to go forward. I haven't got the current MMBasic sources due to it going closed source.

JohnEdited by JohnS 2014-07-19
 
G8JCF

Guru

Joined: 15/05/2014
Location: United Kingdom
Posts: 676
Posted: 03:34am 18 Jul 2014
Copy link to clipboard 
Print this post

@JohnS

I was asking if you could provide a code example of what you meant by "helper functions" please. Right now I don't know what these "helper functions" would be. I'm quite prepared to write code and submit it to Geoff for his consideration, but I don't actually know what to write unfortunately. I must be missing something.

73

Peter




The only Konstant is Change
 
G8JCF

Guru

Joined: 15/05/2014
Location: United Kingdom
Posts: 676
Posted: 03:42am 18 Jul 2014
Copy link to clipboard 
Print this post

Hi

As part of ongoing performance improvements, I've coded up in MMBasic Add/Subtract with 5 decimal digits per MMBasic Single variable, and there is quite a speed improvement compared to 3 decimal digits per MMBasic single. Before I go create a proper library, I would be interested if others could please take a look at the code below, and check that it is optimal and/or make suggestions for how to make it run more quickly. I think it is optimal, but then the programmer never sees their own mistakes - too close to the coalface :)

Many thanks in advance for your help

Peter


CPU 48

'35 Digit BCD, 5 Decimal Digits per Single
DIM BCDA(6),BCDB(6)

'Test using DDS AD9850 Numbers

'Tuning Word for 10,000,000Hz is 343597383.68
'Increment for 1Hz 34.359738368

'Now scale everything by 1E6 so that we can do everything
'using integer arithmetic

'Tuning Word for 10,000,000 = 34359,73836,80000
'Increment for 1Hz 343,59738.368

ClrBCD BCDA(0)
BCDA(0)=80000
BCDA(1)=73836
BCDA(2)=34359

ClrBCD BCDB(0)
BCDB(0)=59738
BCDB(1)=00343

'Subtraction Test
TIMER=L

BCDA(0)=BCDA(0)+100000-BCDB(0)
Cy=1-(BCDA(0)\100000)
BCDA(0)=BCDA(0) MOD 100000

BCDA(1)=BCDA(1)+100000-BCDB(1)-Cy
Cy=1-(BCDA(1)\100000)
BCDA(1)=BCDA(1) MOD 100000

BCDA(2)=BCDA(2)+100000-BCDB(2)-Cy
Cy=1-(BCDA(2)\100000)
BCDA(2)=BCDA(2) MOD 100000

' BCDA(3)=BCDA(3)+100000-BCDB(3)-Cy
' Cy=1-(BCDA(3)\100000)
' BCDA(3)=BCDA(3) MOD 100000

PRINT TIMER-L;" 5-Decimal Digits:Subtraction:";

PrintBCDA(5)

'Addition Test
' ClrBCD BCDA(0)
' BCDA(0)=80000
' BCDA(1)=73836
' BCDA(2)=34359

ClrBCD BCDB(0)
BCDB(0)=59738
BCDB(1)=00343

TIMER=L

BCDA(0)=BCDA(0)+BCDB(0)
Cy=BCDA(0)\100000
BCDA(0)=BCDA(0) MOD 100000

BCDA(1)=BCDA(1)+BCDB(1)+Cy
Cy=BCDA(1)\100000
BCDA(1)=BCDA(1) MOD 100000

BCDA(2)=BCDA(2)+BCDB(2)+Cy
Cy=BCDA(2)\100000
BCDA(2)=BCDA(2) MOD 100000

' BCDA(3)=BCDA(3)+BCDB(3)+Cy
' Cy=BCDA(3)\100000
' BCDA(3)=BCDA(3) MOD 100000
'
' BCDA(4)=CY

PRINT TIMER-L;" 5-Decimal Digits:Addition: ";

PrintBCDA(5)

'Now do the same calc with 3 digits per SINGLE

'10MHz Tuning Word is 343,597,383,680,000
'1 Hz is 34,359,738.368
'Subtraction Test
ClrBCD BCDA(0)
BCDA(0)=000
BCDA(1)=680
BCDA(2)=383
BCDA(3)=597
BCDA(4)=343

ClrBCD BCDB(0)
BCDB(0)=738
BCDB(1)=359
BCDB(2)=034

TIMER=L

BCDA(0)=BCDA(0)+1000-BCDB(0)
Cy=1-(BCDA(0)\1000)
BCDA(0)=BCDA(0) MOD 1000

BCDA(1)=BCDA(1)+1000-BCDB(1)-Cy
Cy=1-(BCDA(1)\1000)
BCDA(1)=BCDA(1) MOD 1000

BCDA(2)=BCDA(2)+1000-BCDB(2)-Cy
Cy=1-(BCDA(2)\1000)
BCDA(2)=BCDA(2) MOD 1000

BCDA(3)=BCDA(3)+1000-BCDB(3)-Cy
Cy=1-(BCDA(3)\1000)
BCDA(3)=BCDA(3) MOD 1000

BCDA(4)=BCDA(4)+1000-BCDB(4)-Cy
Cy=1-(BCDA(4)\1000)
BCDA(4)=BCDA(4) MOD 1000

' BCDA(5)=BCDA(5)+1000-BCDB(5)-Cy
' Cy=1-(BCDA(5)\1000)
' BCDA(5)=BCDA(5) MOD 1000

PRINT TIMER-L;" 3-Decimal Digits:Subtraction:";

PrintBCDA(3)

'Addition Test
' ClrBCD BCDA(0)
' BCDA(0)=000
' BCDA(1)=680
' BCDA(2)=383
' BCDA(3)=597
' BCDA(4)=343

ClrBCD BCDB(0)
BCDB(0)=738
BCDB(1)=359
BCDB(2)=034

TIMER=L
'Cy=0

BCDA(0)=BCDA(0)+BCDB(0)
Cy=BCDA(0)\1000
BCDA(0)=BCDA(0) MOD 1000

BCDA(1)=BCDA(1)+BCDB(1)+Cy
Cy=BCDA(1)\1000
BCDA(1)=BCDA(1) MOD 1000

BCDA(2)=BCDA(2)+BCDB(2)+Cy
Cy=BCDA(2)\1000
BCDA(2)=BCDA(2) MOD 1000

BCDA(3)=BCDA(3)+BCDB(3)+Cy
Cy=BCDA(3)\1000
BCDA(3)=BCDA(3) MOD 1000

BCDA(4)=BCDA(4)+BCDB(4)+Cy
Cy=BCDA(4)\1000
BCDA(4)=BCDA(4) MOD 1000

' BCDA(5)=BCDA(5)+BCDB(5)+Cy
' Cy=BCDA(5)\1000
' BCDA(5)=BCDA(5) MOD 1000

BCDA(6)=CY

PRINT TIMER-L;" 3-Decimal Digits:Addition: ";

PrintBCDA(3)


END

SUB PrintBCDA(Width)
LOCAL I

PRINT "BCDA()=";

FOR I=6 TO 1 STEP -1
PRINT STR$(BCDA(I),Width,0,"0");",";
NEXT I
PRINT STR$(BCDA(I),Width,0,"0")

END SUB


SUB ClrBCD(Reg)
LOCAL I
FOR I=0 TO 6
POKE VAR Reg,I,0
NEXT I
END SUB
Edited by G8JCF 2014-07-19
The only Konstant is Change
 
JohnS
Guru

Joined: 18/11/2011
Location: United Kingdom
Posts: 4304
Posted: 04:37am 18 Jul 2014
Copy link to clipboard 
Print this post

  G8JCF said   @JohnS

I was asking if you could provide a code example of what you meant by "helper functions" please. Right now I don't know what these "helper functions" would be. I'm quite prepared to write code and submit it to Geoff for his consideration, but I don't actually know what to write unfortunately. I must be missing something.

73

Peter


Oh - I see! Sorry.

I meant to add (a few) functions in to MMBasic to help doing wider arithmetic.

Like just about every system, MMBasic has functions, such as CHR(), and more can be added. Currently only Geoff adds them to public releases.

I was thinking to add (by way of example only - this stuff needs proper thought) some more functions, maybe:
A = Add32(B, C) 'A = B + C, where B and C are 32-bit signed integers
A = Sub32(B, C) 'A = B - C
etc

They're very short C. The challenges are:
1. finding the simplest and smallest number of new functions that get the job done
2. getting Geoff to add them

#1 is "obvious" for add & subtract in 32 bits. Well, mostly. What happens on overflow?

The good news is that for 32 bits the A,B and C can just be ordinary variables. That doesn't work for 64 bits, so you couldn't do:
X = Add64(Y, Z)
because the variables simply don't have enough bits.

However, you could use arrays (where each pair of elements make up a 64-bit number) or strings (just use 8 chars as the 64 bits). Yes, ugly, but adding wider integers to the core parts of MMBasic so that they "just work" needs a lot of flash & RAM.

JohnEdited by JohnS 2014-07-19
 
G8JCF

Guru

Joined: 15/05/2014
Location: United Kingdom
Posts: 676
Posted: 05:16am 18 Jul 2014
Copy link to clipboard 
Print this post

@JohnS

Ah OK, I understand what U mean, yes indeed, I agree.

I think one of the really important things to add to MMBasic would be to be able to pass arrays to Subs/Funcs - I have discussed this with GeoffG and I think he's looking at implementing it soon - I had asked for a VarPtr functionality, and GeoffG came back with passing arrays as the more proper Basic style solution.

So eg Carry=Add64( A(), B(), C(0) )

where A(0), A(1) would be 8 Bytes of one operand
B(0), B(1) would be 8 Bytes of second operand
C(0), c(1) would be the result
Carry would be set if there was an overflow thus allowing arbitrary precision if needed.

And as U say Carry=Add32( A(),B(),C() ) would also work

I prefer the Array style of argument passing, even tho one could probably get away with just a single for Add32.

I have to admit that in writing my BCD arithmetic library, being unable to pass arrays to Subs/Funcs was really frustrating, I even tried using Peek and Poke but that was just too slow, hence in the end I had to create 3 BCD registers, A,B,C so that just like in Assembler one was having to Load operands into the BCD registers, and then Store the results back out again.

I agree with you that adding INT32/INT64 into the core of MMBasic would be much, much greater undertaking.

Thanks for the clarification, makes sense now.

73

Peter


The only Konstant is Change
 
JohnS
Guru

Joined: 18/11/2011
Location: United Kingdom
Posts: 4304
Posted: 05:25am 18 Jul 2014
Copy link to clipboard 
Print this post

In that MMBasic code you posted with the "BCD" variables, if you used a bigger power of 10 it would reduce the number of steps thus go faster.

If you're not doing multiply then you don't need to stick to 3 digits (1000s). You could use a lot more, bearing in mind the internal limitation based on 16777100. You could try 1000000 (a million).

John
 
boss

Senior Member

Joined: 19/08/2011
Location: Canada
Posts: 268
Posted: 05:49am 18 Jul 2014
Copy link to clipboard 
Print this post

Hi,

I have little bit different idea. Let 32/64 math on Geoff, I think he is already decided to add it to the MM and uM FW.

I suggest to add to the existing FW a new command DDS()

TuningWordHex$=DDS(RefClk$,DesiredFreq$,TW_Lenght,LSB_first or MSB_first)

It should be just a short code in C and with Geoff support could be added to FW almost immediately.


Regards
Boss

 
     Page 1 of 2    
Print this page
The Back Shed's forum code is written, and hosted, in Australia.
© JAQ Software 2026