Home
JAQForum Ver 24.01
Log In or Join  
Active Topics
Local Time 11:44 23 Apr 2026 Privacy Policy
Jump to

Notice. New forum software under development. It's going to miss a few functions and look a bit ugly for a while, but I'm working on it full time now as the old forum was too unstable. Couple days, all good. If you notice any issues, please contact me.

Forum Index : Microcontroller and PC projects : Modding the SM1 for composite PAL only

Author Message
Greg Fordyce
Senior Member

Joined: 16/09/2011
Location: United Kingdom
Posts: 153
Posted: 10:10pm 20 Oct 2011
Copy link to clipboard 
Print this post

Reading through the Silicon Chip articles of the MM and I see that they could be built for dedicated PAL or VGA. Apparently you can get better video output this way. I only use the PAL output on my SM1 and so am thinking of changing diode U3 for a 120 ohm resistor. Has any one done this on any MM's and how much of an improvement could I expect? Will it sharpen characters or just brighten the display? I am using a 7 inch lcd which is mostly readable, but on a 3.5 inch display it really needs FONT 2.

Thanks, Greg
 
sparkey

Senior Member

Joined: 15/06/2011
Location: Australia
Posts: 819
Posted: 06:45am 23 Oct 2011
Copy link to clipboard 
Print this post

its problly doable you would need a copy of both circuits as the sm1 board differs ...my sugestion look up the schems..note the differences and you may have to cut and shut some of thc tracks...and do the diode jump ....but i would reckon the vga will be a better out put... due to the configuratin of it iniatially...but i dont think you are going to do any better with the pal..you do realise that there are well on my boards thereis a jumper for the pal also you may have to stick with pal if your screens dont support the vga....i have a simaliar problem that the smallest screen in lcd ..i have is 15 inch i do think that jaycar sells a seven inch with vga ....also you might try a web search ...but when all you have to work with is what u have then thats just the way its going to be.....regards sparkey ...also get on sil chip website i think there was a kit that was a converter ,,,but its been a long time since i looked at that edition cannot put my hands on it at this moment ......
technicians do it with least resistance
 
sparkey

Senior Member

Joined: 15/06/2011
Location: Australia
Posts: 819
Posted: 08:32am 23 Oct 2011
Copy link to clipboard 
Print this post

greg have a look at page four "pal/ntsc"there is a firm revision dont know if this helps ...regards sparkey...//..//
technicians do it with least resistance
 
Greg Fordyce
Senior Member

Joined: 16/09/2011
Location: United Kingdom
Posts: 153
Posted: 10:23pm 27 Oct 2011
Copy link to clipboard 
Print this post

I've replaced the diode at U3 for a 120 ohm resistor. Can't say I can notice any improvement in the display comparing my unmodified SM1 with my modified one. The other thing I was hoping it would help with is that the cheap chinese lcd display that I have sometimes flickers like it is losing the video sync. It may be slightly better with the resistor instead of the diode, but it still does it.
 
sparkey

Senior Member

Joined: 15/06/2011
Location: Australia
Posts: 819
Posted: 10:41pm 27 Oct 2011
Copy link to clipboard 
Print this post

also i think that don has a plug in adaptor to plug straight to the vga with a pal sckt on it dont know weather he stil has them or if it was a one off maybe you should pm him ...regards sparkey...///
technicians do it with least resistance
 
aargee
Senior Member

Joined: 21/08/2008
Location: Australia
Posts: 255
Posted: 01:21am 28 Oct 2011
Copy link to clipboard 
Print this post

  sparkey said   also i think that don has a plug in adaptor to plug straight to the vga with a pal sckt on it dont know weather he stil has them or if it was a one off maybe you should pm him ...regards sparkey...///


Home made, look at my link below.
For crying out loud, all I wanted to do was flash this blasted LED.
 
Greg Fordyce
Senior Member

Joined: 16/09/2011
Location: United Kingdom
Posts: 153
Posted: 11:25am 28 Oct 2011
Copy link to clipboard 
Print this post

Thanks for the ideas on the vga to pal; adapter. What I have done is to simple fit a rca jack to my case. Some slightly fuzzy photos in this thread.
http://www.batteryvehiclesociety.org.uk/bvsorguk/forums/view topic.php?f=53&t=3126
Also in the thread is my breadboard adapter.

GregEdited by Greg Fordyce 2011-10-29
 
sparkey

Senior Member

Joined: 15/06/2011
Location: Australia
Posts: 819
Posted: 04:43pm 28 Oct 2011
Copy link to clipboard 
Print this post

im shure don showed me a pic of a vga to comp adaptor i remember it its in this forum some whare there is a photo of it ..i like the pic`s cool i wonder if you would do any better trying to just mod your own vga plug and using a rca socket for the output it cannot be too difficult and the sm1 its not a bad unit...///.../// greg i sent don a pm explaining the adaptor and what it looked like ...see if this jolts his mem ...but even with this adaptor there still may be limitations....Edited by sparkey 2011-10-30
technicians do it with least resistance
 
sparkey

Senior Member

Joined: 15/06/2011
Location: Australia
Posts: 819
Posted: 05:15pm 28 Oct 2011
Copy link to clipboard 
Print this post


]greg check my spot there may be something of interest.../// Edited by sparkey 2011-10-30
technicians do it with least resistance
 
Greg Fordyce
Senior Member

Joined: 16/09/2011
Location: United Kingdom
Posts: 153
Posted: 10:55pm 28 Oct 2011
Copy link to clipboard 
Print this post

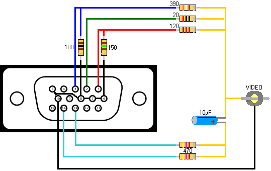
Thanks for the schematic sparkey, of course with the MM it's much simpler to jumper U4 and connect U5 to the RCA plug. But I can see where it can be useful if you don't have a composite output.

Greg
 
Print this page


To reply to this topic, you need to log in.

The Back Shed's forum code is written, and hosted, in Australia.
© JAQ Software 2026