Home
JAQForum Ver 24.01
Log In or Join  
Active Topics
Local Time 13:05 30 Apr 2026 Privacy Policy
Jump to

Notice. New forum software under development. It's going to miss a few functions and look a bit ugly for a while, but I'm working on it full time now as the old forum was too unstable. Couple days, all good. If you notice any issues, please contact me.

Forum Index : Microcontroller and PC projects : Enter short text

     Page 1 of 2    
Author Message
rea23
Newbie

Joined: 16/09/2022
Location: Switzerland
Posts: 26
Posted: 10:19am 27 Nov 2022
Copy link to clipboard 
Print this post

Hi
A short text, e.g. a name, is to be entered on a 2.4" display without touch screen. One possibility is shown in the listing. Maybe someone has a more elegant solution for this?






'*****************************************************
' INPUT a short text e.g. a name w/o KBD or Touch
' Use of three buttons: Left, Right and Enter
' ----------------------------------------------------
' Display 2.4", 320 x 240 ILI9341 (from MikroShop)
' works with ILI9488 driver only (Portrait mode)!
' Colors are inverted ! (255-RGB=iRGB) ?? cheap LCD
' MMBasic on Pi Pico with USB-C and on board RGB-LED!
' Test Buzzer: ok with SUB BUZZ
' 6.10.2022: Moving Cursor: two buttons < and >
' 09.11.2022: < / > button, 3rd button for Enter
' 10.11.2022: Display limit l/r ok
' Sometimes bouncing ===> 100 nF // to switches, ok
' New name: Move over margin </>, then Enter button
'*****************************************************

'OPTIONS:
'OPTION SYSTEM SPI GP18,GP19,GP16
'OPTION LCDPANEL ILI9488, P, GP15, GP14, GP13   !! false driver, but works
'
setpin GP23, dout                           'RGB-LED, on board
SETPIN GP3, dout                            'Buzzer
setpin GP4, intl, move_r, pullup            'Button >
setpin GP1, intl, move_l, pullup            'Button <
setpin GP2, intl, take, pullup              'Button Enter, pin4, GND: pin3

' !! inverted colors because of "false" driver for LCD!! Take RGB values
CONST black_= RGB(255,255,255)              'black inv.
CONST green_= RGB(255,127,255)              'green inv.
CONST yellow_= RGB(0,0,255)                 'yellow inv.

dim letter as string length 1                'letter for name
dim newname as string
Dim z, no, fini, t as Integer                'counter, number, flag, toggle

print mm.ver, "  RC9"
print mm.info$(lcdpanel), "  should be ILI9341, but then 240x240 only!?"
print mm.info$(flash), "    SD does not work"
print mm.info$(touch), "Touch does not work"
print

abc$ = "ABCDEFGHIJKLMNOPQRSTUVWXYZ"   'choice of letters
x = 148                               'cursor position at begin
dx = 12                               'spacing
ytxt = 60                             'y-position of text
dy = 20                               'distance cursor to text
no = 13                               'number of letter/cursor position
t = 0                                 'toggle

cls black_                            'display black, iRGB of (0,0,0)
box 0,0,320,240,1, yellow_            'FILL not possible on this display!
FONT 2, 1
text 4, ytxt, abc$,,,, green_, black_ 'ABCDE...Z
text x, ytxt+dy, "^",,2,, yellow_, black_

do
do while t = 0                      'wait on toggle/button
 pause 10
loop
text x, ytxt+dy, "^",,2,, yellow_, black_
letter = mid$(abc$,no,1)
 if t = 1 then
   t=0
   newname = newname + letter
   setpin GP2, off
 end if
text 4, 110, newname,,2,, yellow_, black_
pause 10
 setpin GP2, intl, take, pullup
 if fini = 1 then exit do
loop
text 4, 16, "New name is: "+newname,,2,, yellow_, black_
print
print "New name:", newname

end
'>>>>>>>>>>>>>>>>>>>>>>>>> FINITO >>>>>>>>>>>>>>>>>>>>>>>

sub move_r                            'interrupt, move cursor
 t=0
 no = no + 1
 if x < (320-2*dx) then
   text x, ytxt+dy, " ",,2,, yellow_, black_
   text x+dx, ytxt+dy, "^",,2,, yellow_, black_
   x=x+dx
 else
   text x, ytxt+dy, " ",,2,, yellow_, black_
   no = 33
   letter = ""                       'to the right, over Z
   fini = 1                          'flag
 endif
End sub

sub move_l                            'interrupt, move cursor
 t=0
 no = no - 1
 if x > 12 then
   text x, ytxt+dy, " ",,2,, yellow_, black_
   text x-dx, ytxt+dy, "^",,2,, yellow_, black_
   x=x-dx
 else
   text x, ytxt+dy, " ",,2,, yellow_, black_
   no = 33
   letter = ""                       'to the right, over Z
   fini = 1                          'flag
 endif
End sub

sub take                              'interrupt to catch the letter
 t=1                                 'toggle
 z=z+1                               'counter
 BUZZ(1, 100)                        'buzzer 500Hz, 100 ms
end sub

SUB BUZZ(freq,length)                 'produces 0.5ms pulses on GP3
 local i
 for i = 1 to length                 'freq falls with higher numbers
   pulse GP3, 1                      'freq = 0.5 is 1kHz
   pause freq
 next
End sub


Edited 2022-11-27 21:32 by rea23
 
TimD
Newbie

Joined: 23/02/2021
Location: United Kingdom
Posts: 32
Posted: 12:04am 28 Nov 2022
Copy link to clipboard 
Print this post

Hi,

I've always found it frustrating trying to enter text using left & right buttons - a much quicker and friendlier method is to use a rotary encoder.  This will still need only 2 I/O pins, but it adds a little more complexity to your code.  I haven't used one personally, but you should be able to find plenty of information on the web and in this forum - indeed, there was a thread about this recently.

You could even use one that incorporates a momentary push switch as your 'enter' button - then you've got everything in one controller, and if you intend to house your circuit in a box then you'll only need to drill a single hole to mount it, rather than have to make 3 separate cut-outs for the push buttons.

Kind regards,
Tim.
 
Grogster

Admin Group

Joined: 31/12/2012
Location: New Zealand
Posts: 9938
Posted: 01:45am 28 Nov 2022
Copy link to clipboard 
Print this post

TimD's idea is excellent, and that is how I would go about it for this kind of text entry, but separate buttons is very simple and easy to manage in code, so I can see why you went in that direction.  

Rotary-encoders need a bit more code to decipher what they are doing, but as TimD said, there are examples here on the forum if you do a search.

With any luck, someone in the know with rotary-encoders, will link to one of those threads, or post example code here for you to experiment with.  I too, have not really done anything with them, otherwise I would post some code.
Smoke makes things work. When the smoke gets out, it stops!
 
panky

Guru

Joined: 02/10/2012
Location: Australia
Posts: 1121
Posted: 05:35am 28 Nov 2022
Copy link to clipboard 
Print this post

For absolute minimum pin count, you could use an IR receiver and a spare remote you may have floating around. You could use just left, right and enter or decode in software the number keys into letters (like the old early mobile phones).
Doug.
... almost all of the Maximites, the MicromMites, the MM Extremes, the ArmMites, the PicoMite and loving it!
 
Turbo46

Guru

Joined: 24/12/2017
Location: Australia
Posts: 1692
Posted: 06:53am 28 Nov 2022
Copy link to clipboard 
Print this post

Geoff's Super Clock uses 'keyboard' touch buttons to enter text. It works quite well.

Bill
Keep safe. Live long and prosper.
 
phil99

Guru

Joined: 11/02/2018
Location: Australia
Posts: 3166
Posted: 07:53am 28 Nov 2022
Copy link to clipboard 
Print this post

Not elegant, just a bit shorter. Still needs work.
'Character Selector -  brief press pin 4 button to save character,
' long press after last character to save name & exit
CLS
Font 2 '12x20
SetPin 4,din,pullup :SetPin 5,din,pullup :SetPin 6,din,pullup
For n=1 To 52:carat$=carat$+" ":Next 'Make marker
MID$(carat$,26)="^"
x=14 : done=0
vpos = 100
For n=2 To 27 'make A - Z
 Text n*MM.Info(FONTWIDTH),vpos,Chr$(n+63)
Next
Text 1,vpos+MM.Info(FONTHEIGHT),Mid$(carat$,x)
Do
 Do While Pin(4) And Pin(5) And Pin(6) : Loop ' wait for a button press
  If Pin(6)=0  Then
    Inc x,-1
    If x<1 Then x=1 :Print x,
    Text 2*MM.Info(FONTWIDTH),vpos+MM.Info(FONTHEIGHT),Mid$(carat$,27-x)
    Do : Loop Until Pin(6) 'wait for button release
  EndIf
  If Pin(5)=0  Then
    Inc x, 1
    If x>26 Then x=26 :Print x,
    Text  2*MM.Info(FONTWIDTH),vpos+MM.Info(FONTHEIGHT),Mid$(carat$,27-x)
    Do : Loop Until Pin(5) 'wait for button release
  EndIf
  If Pin(4)=0  Then
    Timer = 0
    name$=name$+Chr$(x+64)
    Print x,Chr$(x+64),name$
    Do : Loop Until Pin(4) Or (Timer > 1500) 'wait for button release or finished
    If Timer > 1500 Then  done=1
  EndIf
Loop Until done
Text 100, vpos+3*MM.Info(FONTHEIGHT),name$
Print name$
 
Tinine
Guru

Joined: 30/03/2016
Location: United Kingdom
Posts: 1646
Posted: 08:19am 28 Nov 2022
Copy link to clipboard 
Print this post

Bluetooth....Phone...job done  
 
Frank N. Furter
Guru

Joined: 28/05/2012
Location: Germany
Posts: 1083
Posted: 08:33am 28 Nov 2022
Copy link to clipboard 
Print this post

Have any of you ever seen this concept here?
This is a "Filewalker " PDA: https://linuxdevices.org/new-euro-pda-boasts-linux-gsm-gprs-gps/

It works with a rotary encoder AND three buttons for index, middle and ring fingers.
I think this input is genius!

Frank
 
rea23
Newbie

Joined: 16/09/2022
Location: Switzerland
Posts: 26
Posted: 01:15pm 28 Nov 2022
Copy link to clipboard 
Print this post

Thank you for the many good ideas and the shortening of the program. I have to think about what I want to use. But the idea to use a rotary encoder is really tempting.
 
Volhout
Guru

Joined: 05/03/2018
Location: Netherlands
Posts: 5863
Posted: 02:37pm 28 Nov 2022
Copy link to clipboard 
Print this post

For those who have no access to a rotary encoder: you can use a analog input and measure the voltage at a potmeter connected to 3.3V and 0.
A potmeter (and knob) have enough resolution to select individual characters (1 of 26).
PicomiteVGA PETSCII ROBOTS
 
Volhout
Guru

Joined: 05/03/2018
Location: Netherlands
Posts: 5863
Posted: 02:38pm 28 Nov 2022
Copy link to clipboard 
Print this post

For those who have no access to a rotary encoder: you can use a analog input and measure the voltage at a potmeter connected to 3.3V and 0.
A potmeter (and knob) have enough resolution to select individual characters (1 of 26).

Poor mans rotary....
PicomiteVGA PETSCII ROBOTS
 
TimD
Newbie

Joined: 23/02/2021
Location: United Kingdom
Posts: 32
Posted: 02:58pm 28 Nov 2022
Copy link to clipboard 
Print this post

A potentiometer is nice idea, especially since the cursor is travelling a line of letters with stops at each end - so turn it fully left and it's at 'A', turn it fully right and it's at 'Z' - there's no wrap-around to contend with.  You'd just have to ensure that it's linear rather than logarithmic, otherwise you'd need some extra maths in the code to keep the spread of the letters equally spaced around the travel of the potentiometer!

Kind regards,
Tim.
 
vegipete

Guru

Joined: 29/01/2013
Location: Canada
Posts: 1168
Posted: 06:41pm 28 Nov 2022
Copy link to clipboard 
Print this post

An extra choice for DELETE would be useful too, in case the user mis-enters a character.
Visit Vegipete's *Mite Library for cool programs.
 
TimD
Newbie

Joined: 23/02/2021
Location: United Kingdom
Posts: 32
Posted: 07:16pm 28 Nov 2022
Copy link to clipboard 
Print this post

And wouldn't you need an 'End' option as well, to allow for variable length names?  Unless the intention is just to let it time out and accept what's been entered after a certain period of inactivity.

I think this would end up resembling a classic arcade game's 'name registration' screen for the high scores!

Kind regards,
Tim.
 
phil99

Guru

Joined: 11/02/2018
Location: Australia
Posts: 3166
Posted: 08:36pm 28 Nov 2022
Copy link to clipboard 
Print this post

A button can be added to the pot. input without using an extra pin.
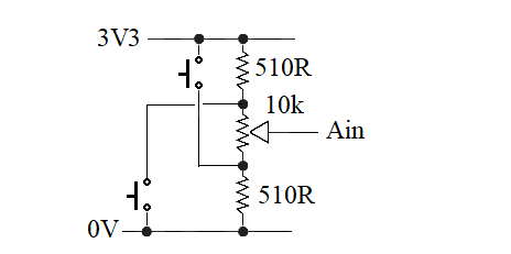
Add resistors (about 1/10th of pot. value) between the top and bottom ends of the pot. to the rails and put the button from wiper to ground. The bottom resistor ensures voltage can only reach zero when the button is pressed. The top resistor prevents a short if the button is pressed while the wiper is at the top.
A short press enters the letter and a long one enters the name, as in the above program.

Edit
Forget that.
Two buttons can be added to the pot. input without using any extra pins. Use the second to delete the last letter.

The top button inputs 3V3 and the lower 0V while the pot goes from 0.16V to 3.14V.
Edited 2022-11-29 17:23 by phil99
 
rea23
Newbie

Joined: 16/09/2022
Location: Switzerland
Posts: 26
Posted: 10:16am 01 Dec 2022
Copy link to clipboard 
Print this post

Yes, TimD and phil99, it's a clever idea. And I like to turn instead of clicking.
I will do it with a potentiometer and one switch.
Many thanks
 
rea23
Newbie

Joined: 16/09/2022
Location: Switzerland
Posts: 26
Posted: 03:59pm 03 Dec 2022
Copy link to clipboard 
Print this post

I made the circuit with a 10k potentiometer and R1k to 3.3 V and R1k to AGND. A button from wiper to ground is inserted. The setting of the letters works fine. But the transfer in the name always results in "?". Something in the program is terribly wrong and my old brain can't find the error.


' ***************************************
' Text input with poti (TimD and phil99)
' ADC0, 1k-10k-1k gives (measured):
' 0.2790...3.0080 V over poti
' Switch down on lower R1k: 0.0130 V
' Poti works ok ==> shows A...Z
' Newname shows ??? instead
'****************************************

SetPin GP26, AIN                      'ADC0 at pin31

' !! inverted colors because of "false" driver for LCD!! Take RGB values
CONST black_= RGB(255,255,255)        'black inv.
CONST green_= RGB(255,127,255)        'green inv.
CONST yellow_= RGB(0,0,255)           'yellow inv.

dim letter as string length 1         'letter for name
dim newname as string

newname = ""

cls black_                            'display black, iRGB of (0,0,0)
box 0,0,320,240,1, yellow_
FONT 2, 1

Again:
do
 mvolt=int(1000*pin(31))             'millivolt
 diff=3008-279                       'measured min/max
 du=diff/25                          '26-1 between
 u=int(mvolt/du)-1                   'first # should be 1
 letter=chr$(u+64)                   'A is chr$(65)
 text 4, 100, "Letter is: " + letter,,2,, yellow_, black_  'is ok, A...Z
 pause 100
loop until mvolt < 220                'leave the loop

Take:
newname = newname + letter            '??? only, letter lost
text 4, 16, "New name is: " + newname,,2,, yellow_, black_
goto Again

'How to save the name? ===> long press
end
 
matherp
Guru

Joined: 11/12/2012
Location: United Kingdom
Posts: 11252
Posted: 04:56pm 03 Dec 2022
Copy link to clipboard 
Print this post

Hasn't the action of leaving the loop

loop until mvolt < 220                'leave the loop

changed the letter?
 
phil99

Guru

Joined: 11/02/2018
Location: Australia
Posts: 3166
Posted: 05:38am 04 Dec 2022
Copy link to clipboard 
Print this post

Using Peter's insight and adding provision for a second button (top one in the above diagram) to delete the last letter.
It should work as you intend with your current wiring. The extra lines should not matter.
' ***************************************
' Text input with poti (TimD and phil99)
' ADC0, 1k-10k-1k gives (measured):
' 0.2790...3.0080 V over poti
' Switch down on lower R1k: 0.0130 V
' Poti works ok ==> shows A...Z
' Newname shows ??? instead
'****************************************

SetPin GP26, AIN                      'ADC0 at pin31

' !! inverted colors because of "false" driver for LCD!! Take RGB values
Const black_= RGB(255,255,255)        'black inv.
Const green_= RGB(255,127,255)        'green inv.
Const yellow_= RGB(0,0,255)           'yellow inv.

Dim letter As string length 1         'letter for name
Dim newname As string

newname = ""

CLS black_                            'display black, iRGB of (0,0,0)
Box 0,0,320,240,1, yellow_
Font 2, 1

Again:
Do
 NewLetter = 0 : finished = 0
 mvolt=Int(1000*Pin(31))             'millivolt
 If (mvolt > 220) And (mvolt < 3100) Then   'Read letter if no buttons pressed
  diff=3008-279                       'measured min/max
  du=diff/25                          '26-1 between
  u=Int(mvolt/du)-1                   'first # should be 1
  letter=Chr$(u+64)                   'A is chr$(65)
  Text 4, 100, "Letter is: " + letter,,2,, yellow_, black_  'is ok, A...Z
  Pause 100
 EndIf

 If mvolt < 220 Then                  'If lower button pressed add current letter
  Timer = 0
  Do
   mvolt=Int(1000*Pin(31))             'millivolt
   If Timer > 1500 Then Finished = 1
  Loop While (mvolt < 220) And (finished = 0)               'wait for button release
  NewLetter = 1
  Print newname
 EndIf

 If mvolt > 3100 Then                 'If upper button pressed remove last letter
  Timer = 0
  Do
   mvolt=Int(1000*Pin(31))             'millivolt
   If Timer > 1500 Then Finished = 1
  Loop While (mvolt > 3100) And (finished = 0)              'wait for button release
  If Len(newname) > 0 Then newname = Left$(newname, Len(newname)-1)
  Text 4, 100, "Letter is: " + letter,,2,, yellow_, black_  'is ok, A...Z
  Print newname
  NewLetter = 1
 EndIf

Loop Until (NewLetter =1) Or (Finished =1)                'leave the loop

Take:
newname = newname + letter            '??? only, letter lost
Text 4, 16, "New name is: " + "                             ",,2,, yellow_, black_
Text 4, 16, "New name is: " + newname,,2,, yellow_, black_

If Finished = 0 Then GoTo Again
Print newname
Text 4, 200, "Saved name is: " + newname,,2,, yellow_, black_

'How to save the name? >=== long press
End


edit
got something wrong in the delete letter loop but otherwise seems ok.
Edited 2022-12-04 17:26 by phil99
 
rea23
Newbie

Joined: 16/09/2022
Location: Switzerland
Posts: 26
Posted: 09:20am 04 Dec 2022
Copy link to clipboard 
Print this post

@matherp:
Yes, we have to define what happens if mvolt < 220 (switch down).
But if I insert a line "IF mvolt < 220 THEN letter=letter" at the end inside the loop, the same behavior can be seen.

@phil99:
It's strange, but I get the error:

[31] Print If(mvolt > 220) And (mvolt < 3100) Then   'Read letter if no buttons pressed
Error : IF is not declared

And indeed, MM Edit or the interpreter knows nothing about a command IF or ENDIF/END IF. I don't no what happens.

Edit:
False alarm: After a restart of MM Edit the program works as intended. Thank you very much.
Edited 2022-12-04 20:47 by rea23
 
     Page 1 of 2    
Print this page
The Back Shed's forum code is written, and hosted, in Australia.
© JAQ Software 2026