Home
JAQForum Ver 24.01
Log In or Join  
Active Topics
Local Time 00:35 01 May 2026 Privacy Policy
Jump to

Notice. New forum software under development. It's going to miss a few functions and look a bit ugly for a while, but I'm working on it full time now as the old forum was too unstable. Couple days, all good. If you notice any issues, please contact me.

Forum Index : Microcontroller and PC projects : PicoStick VGA

     Page 1 of 2    
Author Message
Mixtel90

Guru

Joined: 05/10/2019
Location: United Kingdom
Posts: 8782
Posted: 05:52pm 15 Jul 2022
Copy link to clipboard 
Print this post

Ok, I promise I'll sort out some way of finding my PCB designs more easily. :)

However, in the meantime I got a bit creative after seeing one of those little USB PCs. I thought, what would the PicoMite version look like? So the PicoStick VGA was born...

It's 33mm x 52mm (should be able to get 3 out of a 100x100 board, with JLCPCB notching them). Construction would be fun, having to fit through-hole components then trim their leads very flat so that something else can be mounted on the other side. The PS/2 socket has it's tabs cut off so that the shell can be made surface mount. Power is via the PicoMite USB only (VBUS powers the keyboard).



Apologies for leaving off the linear reg, audio filter, stepper motor driver, GPS, RTC, RS485 etc. Space was a bit tight. ;)
Mick

Zilog Inside! nascom.info for Nascom & Gemini
Preliminary MMBasic docs & my PCB designs
 
pwillard
Guru

Joined: 07/06/2022
Location: United States
Posts: 339
Posted: 06:03pm 15 Jul 2022
Copy link to clipboard 
Print this post

  Quote  Space was a bit tight


Good design.  I like it.
 
vegipete

Guru

Joined: 29/01/2013
Location: Canada
Posts: 1168
Posted: 09:09pm 15 Jul 2022
Copy link to clipboard 
Print this post

Unless you are specifically trying for minimal size, I would stretch the board to 66 (or 67) mm long. Four would fit on a standard 100x100 pcb, with a 33x33 sea-of-holes left in the corner. Maybe shrink the width slightly so there is room for butchering the boards apart, for those without shears. A row of the smallest allowable holes along the separation line would help with snapping them apart. I also like to prevent the copper fill areas going right to the cut edge - I've often seen the solder mask flake off from the copper at the cut.
Visit Vegipete's *Mite Library for cool programs.
 
Mixtel90

Guru

Joined: 05/10/2019
Location: United Kingdom
Posts: 8782
Posted: 09:31pm 15 Jul 2022
Copy link to clipboard 
Print this post

I didn't want to get it too long, Pete, in case I decided to do a version for plugging directly into the VGA port of a monitor. At that point it was a minimum size exercise and it didn't have GPIO pins. It was only later that I figured that I may as well do it like this. :)  That's also why it hasn't got my usual barrel jack on it - I figured that a USB socket on the monitor would be used to power it.

I don't think JLCPCB need much space between boards for grooving them - it takes up less space than drilling holes or slots and is much neater. The only problem is that you can't get 4 on a cheap board if they are grooved, but not many people are going to want 15 of them, never mind 20 as minimum orders. :)  I'm not even sure if they charge extra for grooving them.

As usual, it's just an idea in progress. :)
Mick

Zilog Inside! nascom.info for Nascom & Gemini
Preliminary MMBasic docs & my PCB designs
 
lizby
Guru

Joined: 17/05/2016
Location: United States
Posts: 3743
Posted: 11:02pm 15 Jul 2022
Copy link to clipboard 
Print this post

How do you specify a groove, Mick?
PicoMite, Armmite F4, SensorKits, MMBasic Hardware, Games, etc. on FOTS
 
pwillard
Guru

Joined: 07/06/2022
Location: United States
Posts: 339
Posted: 12:29am 16 Jul 2022
Copy link to clipboard 
Print this post

JLCPCB has a section on their website that explains the VGROVE... you also need to add extra blank space past the groove area.
 
bigmik

Guru

Joined: 20/06/2011
Location: Australia
Posts: 2980
Posted: 01:35am 16 Jul 2022
Copy link to clipboard 
Print this post

Gday All,

I used to get Vee groove done quite often but JCL have good prices for smaller PCBs so I dont need to panelise up as much.

But for the record I have had gaps of approximately 1mm from the nearest track to the V-Groove section. If you need an exact figure I would have to look them up.

I had one design (My NanoMite) that had a 6 x 6 layout (36 boards in total) on a 100mm x 100mm panel, the PCB is 15mm x 15mm which gives them room to add manufacturing holes in the excess edges of a 100mm panel


Regards,

Mick


EDIT ***

Here is a picture of some I sent to MicroBlocks (Are you still around Jean?)

Unfortunately I dont have a full panel anymore but I probably have a block of 4 I can take a better picture of.

Mick
Edited 2022-07-16 12:42 by bigmik
Mick's uMite Stuff can be found >>> HERE (Kindly hosted by Dontronics) <<<
 
Solar Mike
Guru

Joined: 08/02/2015
Location: New Zealand
Posts: 1204
Posted: 02:34am 16 Jul 2022
Copy link to clipboard 
Print this post

For small quantities of multiple pcb's like that fitting within 100 x 100mm size, I get them made in 1mm thickness and just cut them out using a large pair of tin-snips, easy as bro.

Cheers
Mike
 
bigmik

Guru

Joined: 20/06/2011
Location: Australia
Posts: 2980
Posted: 02:43am 16 Jul 2022
Copy link to clipboard 
Print this post

All,

I forgot to upload the picture



Mik
Mick's uMite Stuff can be found >>> HERE (Kindly hosted by Dontronics) <<<
 
Mixtel90

Guru

Joined: 05/10/2019
Location: United Kingdom
Posts: 8782
Posted: 06:08am 16 Jul 2022
Copy link to clipboard 
Print this post

@Lizby
Using Sprint Layout, I don't know. :)
I'd guess at leaving a gap in the groundplane on both sides with a thin line on the O layer where the groove is wanted. I've never tried it, and SL hasn't got a special layer or anything - not even a comments layer.
Mick

Zilog Inside! nascom.info for Nascom & Gemini
Preliminary MMBasic docs & my PCB designs
 
Mixtel90

Guru

Joined: 05/10/2019
Location: United Kingdom
Posts: 8782
Posted: 02:03pm 17 Jul 2022
Copy link to clipboard 
Print this post

Erm... it grew just a little.
Now about 62mm x 31mm but includes a RTC.


 
Power comes from USB socket, with 5V from VSYS, which also has a diode from a 2-pin header to power it from an external source. You could leave off the VGA and PS/2 sockets and use mounting pillars, loading ordinary PicoMite firmware, to make a stand-alone controller.

H1 includes enough pins to get a I2C, COM or SPI port, H2 includes the ADC inputs and a couple of digitals. H1 and H2 are on a sensible 2.54mm mm grid, so it would be possible to make a piggy-back board over the top of the PicoMite.

I think I'll do one with the male VGA connector, to plug directly into a monitor. It might make a useful little development device without cluttering the table up. Or you can run MMB4W, of course. :)


Edit:
Just squeezed in a WS2812B on GP15.  :)


Edit Edit:
I've just realized - no need to do a direct plug-in version. Just mount a DB15M on the same side as the PicoMite instead of a DB15F on the other side.  :)
.
Edited 2022-07-18 17:57 by Mixtel90
Mick

Zilog Inside! nascom.info for Nascom & Gemini
Preliminary MMBasic docs & my PCB designs
 
Mixtel90

Guru

Joined: 05/10/2019
Location: United Kingdom
Posts: 8782
Posted: 11:54am 24 Jul 2022
Copy link to clipboard 
Print this post

Construction Pack now available. Very slightly different to the above.

This might be a good one for those looking for a small format board without resorting to surface mount.


Construction pack.zip
.
Mick

Zilog Inside! nascom.info for Nascom & Gemini
Preliminary MMBasic docs & my PCB designs
 
lizby
Guru

Joined: 17/05/2016
Location: United States
Posts: 3743
Posted: 02:27pm 24 Aug 2022
Copy link to clipboard 
Print this post

I put together this great little PicoStickVGA board:



I used the resistors as specified, but got the same tan-ish white as with the PicoPear (posted recently), so maybe it's my monitor:



The text on this image shows that I was able to fix the offsetting of the image to the left--there was a horizontal shift adjustment possible on my monitor.

Same code as before:

 mode 2
 dim integer i,j,k,c,x,y=1
 dim integer xx=mm.hres-1,yi=mm.vres/8
 for i=0 to 1
   for j=0 to 1:
     for k=0 to 1
       c=rgb(i*255,j*255,k*255)
       box x,y,xx,yi,,c,c
       y=y+yi
     next k
   next j
 next i


I ran into two minor problems building the board: 1) I misunderstood where the right ends of R3 and R5 were, so soldered them into the holes for the external power (which I didn't intend to use); I noticed it and fixed it before powering it on; and 2) the holes for the pin header for the DS3231 module are smaller than the other holes--I had to file down the male header pins to make them fit.

I haven't yet tried keyboard, RTC, or SD card.  Will soon.
PicoMite, Armmite F4, SensorKits, MMBasic Hardware, Games, etc. on FOTS
 
Martin H.

Guru

Joined: 04/06/2022
Location: Germany
Posts: 1447
Posted: 04:39pm 24 Aug 2022
Copy link to clipboard 
Print this post

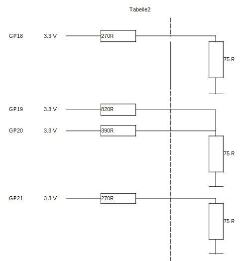
in theory your resistor for Red is a little low so red is a little to high.
All resistors are ~270Ohm (Both Green in Parllel are about 264Ohm)
With 75 R VGA input impedance the Voltage of each Chanal should be ~1.45 Volt on each Color. Looks that Red is a little higher so try to add 10 Ohm to R9



Edited 2022-08-25 02:45 by Martin H.
'no comment
 
lizby
Guru

Joined: 17/05/2016
Location: United States
Posts: 3743
Posted: 06:00pm 24 Aug 2022
Copy link to clipboard 
Print this post

Thanks for the suggestion. I'll live with tan for now.

It would be good if the help file had the OPTION SYSTEM setups.

I figured out OPTION SYSTEM I2C GP12,GP13 but got RTC not found (or something like that). Turns out "-" on the RTC header is not connected to anything. After wiring it to ground, I have the RTC set up and working through power cycling (after RTC SETTIME).

But the OPTION SYSTEM SPI for the SD card has me baffled. Upside down and backwards images of a two-sided board have left me only confused. What should the OPTION be?
PicoMite, Armmite F4, SensorKits, MMBasic Hardware, Games, etc. on FOTS
 
Mixtel90

Guru

Joined: 05/10/2019
Location: United Kingdom
Posts: 8782
Posted: 06:46pm 24 Aug 2022
Copy link to clipboard 
Print this post

I do like it when people test my PCB designs. That looks great!  :)
I'd missed a GND on that pin. Sorry. I'll sort that out.

OPTION SDCARD GP6, GP11, GP7, GP10

Martin:
If he's followed the circuit he has the recommended values.
Edited 2022-08-25 04:51 by Mixtel90
Mick

Zilog Inside! nascom.info for Nascom & Gemini
Preliminary MMBasic docs & my PCB designs
 
lizby
Guru

Joined: 17/05/2016
Location: United States
Posts: 3743
Posted: 09:25pm 24 Aug 2022
Copy link to clipboard 
Print this post

Thanks, Mick--that did it. SD card is working. Real PS/2 keyboard is also working.

Very nice little board, thank you.
PicoMite, Armmite F4, SensorKits, MMBasic Hardware, Games, etc. on FOTS
 
phil99

Guru

Joined: 11/02/2018
Location: Australia
Posts: 3166
Posted: 11:21pm 24 Aug 2022
Copy link to clipboard 
Print this post

@Martin H.
A trap when calculating Pico output currents or voltages is the Pin resistance (40 to 50 ohms) is in series. So the VGA resistors need to be lower than you expect.

With LCD monitors (and most CRT's) a little overdrive does no harm and ensures a pure white when all 4 outputs are high, even if the resistor values aren't exactly right or perfectly matched.
The clipping diodes aren't needed as the monitors A-D converters do the clipping for you.
All monitors I have tested can tolerate an input of at least 1.5V without ill effect.

@Lizby
Your monitor blues appear to be a lack of blues!
Does your monitor have a "Night Mode"? That would reduce the blue content.

To see if the problem is at the Pico end measure the voltages on the VGA socket pins.

With
MODE 2
CLS RGB(WHITE)

Using a multimeter I get 0.55V on red and blue and 0.57V on green. These are lower than you get on a CRO because of the blanking intervals. The important point is that red and blue should be the same.

The resistors I am using are:-

Red = 220R
Green H = 330R
Green L = 680R
Blue = 220R

'Generate Colour bars. RGB(1,2,1) 4 bit
Mode 2
Dim integer i, R=0, G=0, B=1
For i=1 To 301 Step 20
 If i > 155 Then : R=255 : Else : R=0: EndIf
 B=(Not B)*255
 Select Case (i Mod 160)
  Case 1 : G=0
  Case 41 : G=64
  Case 81 : G=128
  Case 121 : G=255
 End Select
 Box i,1,20,240,1,RGB(R,G,B),RGB(R,G,B)
Next


Or modifying the previous one to also get all 16 colours.


mode 2
dim integer i,j,k,c,x,y=1
dim integer xx=mm.hres-1,yi=mm.vres/16
for i=0 to 1
  for j=0 to 3
    for k=0 to 1
      c=rgb(i*255,j*64,k*255)
      box x,y,xx,yi,,c,c
      y=y+yi
    next k
  next j
next i

Edited 2022-08-25 18:32 by phil99
 
JohnS
Guru

Joined: 18/11/2011
Location: United Kingdom
Posts: 4304
Posted: 11:18am 25 Aug 2022
Copy link to clipboard 
Print this post

  Mixtel90 said  Construction Pack now available. Very slightly different to the above.

This might be a good one for those looking for a small format board without resorting to surface mount.


Construction pack.zip
.

The BOM refers to:

Micro USB socket module incorporating pull-up resistors and decoupling capacitors (ebay - see pic)

Is the pic missing?

John
 
Mixtel90

Guru

Joined: 05/10/2019
Location: United Kingdom
Posts: 8782
Posted: 11:23am 25 Aug 2022
Copy link to clipboard 
Print this post

It's the pic called s-1286d.jpg. It's mounted with the socket towards the PCB. This is a very nice little module, it just seems odd that it's "upside down" - it comes with the header pins ready soldered.


Edited 2022-08-25 21:27 by Mixtel90
Mick

Zilog Inside! nascom.info for Nascom & Gemini
Preliminary MMBasic docs & my PCB designs
 
     Page 1 of 2    
Print this page
The Back Shed's forum code is written, and hosted, in Australia.
© JAQ Software 2026