Home
JAQForum Ver 24.01
Log In or Join  
Active Topics
Local Time 00:59 24 Apr 2026 Privacy Policy
Jump to

Notice. New forum software under development. It's going to miss a few functions and look a bit ugly for a while, but I'm working on it full time now as the old forum was too unstable. Couple days, all good. If you notice any issues, please contact me.

Forum Index : Microcontroller and PC projects : MM Magic Switchboard

Author Message
Bill.b

Senior Member

Joined: 25/06/2011
Location: Australia
Posts: 244
Posted: 02:38am 19 Jan 2012
Copy link to clipboard 
Print this post

Hi all

is is a project I built using a PICAXE 18M2 so I though I would convert the code into MMbasic and try is out on my Maximite.

for those who donot know what a magic switchboar is, have a look at this on utube

www.youtube.com/watch?v=0lGP8nQLANU

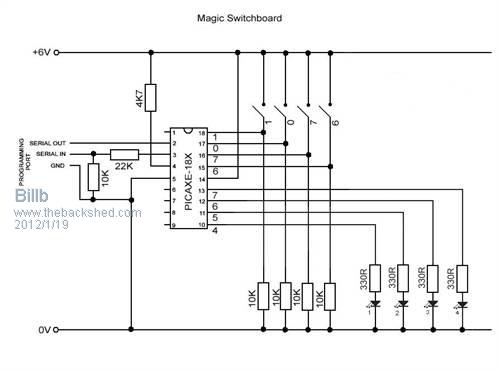
this picture is of my PICAXE version.



I will follow uo with a schematic soon.



' Magic Switchboard - original source by "Technical" from PicAxe Forum
' Modified for PicAxe 18x by Wayne Thomason of Addison, TX USA
' 7/15/2009
' Modified for Maximite MMBasic by Bill Brown bill.b
' 19/01/2012
'
' mods: 1. Now is easily configurable via switch? and bulb? variables
' 2. "timeout" functions even without learning all 4 switches
' 3. starting point and sequence direction dependent on last switch turned off
' 4. Now has Audience_lockdown feature. If power is turned on while switch-4
' is set, each light will respond only to corresponding switch position
' until circuit is reset.
'
' Assumptions
' 1. Times out after 10 seconds of all switches in the off position
' regardless of whether all switches are learned yet
' 2. All switches must be off at start
' (If switch 4 on when started, it starts up in audience-mode.)
' 3. All 4 switches must be switched on before that sequence is learned
' 4. Set bulb/LED outputs using bulb1, bulb2, bulb3 & bulb4
' 5. Set switch inputs using switch1, switch2, switch3 and switch4
' 6. first pattern is left to right, bulbs 1, 2, 3, 4
' 7. subsequent patterns are determined by last SWITCH turned off:
' Switch 1 = 1234 order (bulb 1 first, then right in sequence)
' Switch 2 = 2143 order (bulb 2 first, then left in sequence, wrapping after first)
' Switch 3 = 3412 order (bulb 3 first, then right in sequence, wrapping after last)
' Switch 4 = 4321 order (bulb 4 first, then left in sequence)
timeout = 750 'loop reset time approx 10 seconds
timeout_counter = 0
SetPin 11,2
SetPin 12,2
SetPin 13,2
SetPin 14,2
SetPin 15,8
SetPin 16,8
SetPin 17,8
SetPin 18,8
Pin(15) = 0:Pin(16)=0:Pin(17)=0:Pin(18)=0
If Pin(14) = 1 Then GoTo Audience_Lockdown
starting_lite = 1

' Start of program

do_reset: ' reset position counter

If starting_lite = 1 Then
position = 0 ' if starting with bulb 1, position reset to 0.
EndIf
If starting_lite = 2 Then
position = 1 ' if starting with bulb 2, position reset to 1.
EndIf
If starting_lite = 3 Then
position = 2 ' if starting with bulb 3, position reset to 2.
EndIf
If starting_lite = 4 Then
position = 3 ' if starting with bulb 4, position reset to 3.
EndIf
flag0 = 0 : flag1 = 0 :flag2 = 0:flag3 = 0

' Learning loop

waiting_to_learn_loop:

If (Pin(11) = 1) And (flag0 = 0) Then GoTo learn0
If (Pin(12) = 1) And (flag1 = 0) Then GoTo learn1
If (Pin(13) = 1) And (flag2 = 0) Then GoTo learn2
If (Pin(14) = 1) And (flag3 = 0) Then GoTo learn3

' we have learnt that switch so light output accordingly

If flag0 = 1 Then
If Pin(11) = 1 Then
Pin(light0) = 1
Else
Pin(light0) = 0
EndIf
EndIf
If flag1 = 1 Then
If Pin(12) = 1 Then
Pin(light1) = 1
Else
Pin(light1) = 0
EndIf
EndIf
If flag2 = 1 Then
If Pin(13) = 1 Then
Pin(light2) = 1
Else
Pin(light2) = 0
EndIf
EndIf
If flag3 = 1 Then
If Pin(14) = 1 Then
Pin(light3) = 1
Else
Pin(light3) = 0
EndIf
EndIf

If (Pin(11) = 0) And (Pin(12) = 0) And (Pin(13) = 0) And (Pin(14) = 0) Then
Pause 10
timeout_counter = timeout_counter + 1
If timeout_counter > timeout Then
timeout_counter = 0
GoTo do_reset
EndIf
Else
timeout_counter = 0
EndIf
GoTo waiting_to_learn_loop

' Learn a light position and set flag so we know that switch is done

learn0:

GoSub bulbset
flag0 = 1
light0 = bulb
GoTo learn_end

learn1:

GoSub bulbset
flag1 = 1
light1 = bulb
GoTo learn_end

learn2:

GoSub bulbset
flag2 = 1
light2 = bulb
GoTo learn_end

learn3:

GoSub bulbset
flag3 = 1
light3 = bulb
GoTo learn_end

learn_end:

If starting_lite = 1 Then 'if starting with 1st lamp, sequence = 1-2-3-4
position = position + 1
If position > 3 Then GoTo have_learnt_all
GoTo waiting_to_learn_loop
EndIf
If starting_lite = 2 Then 'if starting with 2nd lamp, sequence = 2-1-4-3
If position > 0 Then 'don't dec if position=0, will cause error
position = position - 1
Else
position = 3
EndIf
If position = 1 Then GoTo have_learnt_all
GoTo waiting_to_learn_loop
EndIf
If starting_lite = 3 Then 'if starting with 3rd lamp, sequence = 3-4-1-2
position = position + 1
If position > 3 Then
position = 0
EndIf
If position = 2 Then GoTo have_learnt_all
GoTo waiting_to_learn_loop
EndIf
If starting_lite = 4 Then 'if starting with 4th lamp, sequence = 4-3-2-1
If position > 0 Then
position = position - 1
Else
GoTo have_learnt_all
EndIf
GoTo waiting_to_learn_loop
EndIf

' now simply loop reacting to the switches
' timeout_counter value will increment every 10ms
' however if any light is on the timeout_counter is reset
' so this means the timeout will only
' occur after 10 secoonds of all switches off

have_learnt_all:

If Pin(11) = 1 Then
Pin(light0) = 1
timeout_counter = 0
Else
Pin(light0) = 0
EndIf
If Pin(12) = 1 Then
Pin(light1) = 1
timeout_counter = 0
Else
Pin(light1) = 0
EndIf
If Pin(13) = 1 Then
Pin(light2) = 1
timeout_counter = 0
Else
Pin(light2) = 0
EndIf
If Pin(14) = 1 Then
Pin(light3) = 1
timeout_counter = 0
Else
Pin(light3) = 0
EndIf

If (flag0=1) And (flag1=1) And (flag2=1) And (flag3=1) Then
all_flags = 1
EndIf
If (all_flags=1) And (Pin(11)=1) And (Pin(12)=0) And (Pin(13)=0) And Pin(14)=0) Then
starting_lite = 1
EndIf
If (all_flags=1) And (Pin(11)=0) And (Pin(12)=1) And (Pin(13)=0) And Pin(14)=0) Then
starting_lite = 2
EndIf
If (all_flags=1) And (Pin(11)=0) And (Pin(12)=0) And (Pin(13)=1) And Pin(14)=0) Then
starting_lite = 3
EndIf
If (all_flags=1) And (Pin(11)=0) And (Pin(12)=0) And (Pin(13)=0) And Pin(14)=1) Then
starting_lite = 4
EndIf
Rem Print starting_lite;all_flags
Pause 10
timeout_counter = timeout_counter + 1
If timeout_counter > timeout Then GoTo do_reset
GoTo have_learnt_all

bulbset:
If position = 0 Then
bulb = 15
EndIf
If position = 1 Then
bulb = 16
EndIf
If position = 2 Then
bulb = 17
EndIf
If position = 3 Then
bulb = 18
EndIf
Rem Print position;bulb
Return

audience_lockdown:
If Pin(11) = 1 Then
Pin(15) = 1
Else
Pin(15) = 0
EndIf
If Pin(12) = 1 Then
Pin(16) = 1
Else
Pin(16) = 0
EndIf
If Pin(13) = 1 Then
Pin(17) = 1
Else
Pin(17) = 0
EndIf
If Pin(14) = 1 Then
Pin(18) = 1
Else
Pin(18) = 0
EndIf
GoTo audience_lockdown



In the interests of the environment, this post has been constructed entirely from recycled electrons.
 
Bill.b

Senior Member

Joined: 25/06/2011
Location: Australia
Posts: 244
Posted: 09:58am 19 Jan 2012
Copy link to clipboard 
Print this post

Schematic for the Magic Switchboard




In the interests of the environment, this post has been constructed entirely from recycled electrons.
 
Bill.b

Senior Member

Joined: 25/06/2011
Location: Australia
Posts: 244
Posted: 10:01am 19 Jan 2012
Copy link to clipboard 
Print this post

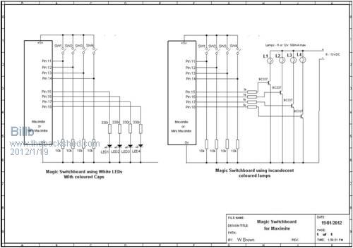
sorry wrong schematic in previous post

this is the correct schematic for the Maximite




In the interests of the environment, this post has been constructed entirely from recycled electrons.
 
Gizmo

Admin Group

Joined: 05/06/2004
Location: Australia
Posts: 5177
Posted: 10:35am 19 Jan 2012
Copy link to clipboard 
Print this post

Well I watched the video and I was stumped!

How did it work?

Then I had a look at your software Bill, and I worked it out

Brilliant project.

Glenn
The best time to plant a tree was twenty years ago, the second best time is right now.
JAQ
 
Vikingboy
Regular Member

Joined: 23/09/2011
Location: Australia
Posts: 82
Posted: 03:37pm 19 Jan 2012
Copy link to clipboard 
Print this post

Hi,

I have only had a quick read through the code, but isn't there a missing subroutine "bulbset" it is referenced in 'learn 0' etc and it dosn't appear anywhere in your code ?

Andrew
 
CircuitGizmos

Guru

Joined: 08/09/2011
Location: United States
Posts: 1427
Posted: 03:42pm 19 Jan 2012
Copy link to clipboard 
Print this post

  Vikingboy said   Hi,

I have only had a quick read through the code, but isn't there a missing subroutine "bulbset" it is referenced in 'learn 0' etc and it dosn't appear anywhere in your code ?

Andrew


It is the 2nd to the last subroutine.


bulbset:
If position = 0 Then
bulb = 15
EndIf
If position = 1 Then
bulb = 16
EndIf
If position = 2 Then
bulb = 17
EndIf
If position = 3 Then
bulb = 18
EndIf
Rem Print position;bulb
Return

Micromites and Maximites! - Beginning Maximite
 
Vikingboy
Regular Member

Joined: 23/09/2011
Location: Australia
Posts: 82
Posted: 03:54pm 19 Jan 2012
Copy link to clipboard 
Print this post

Just looked closer, it seems the code you have posted is truncated, at least here ?

these are the last lines I see:
xxxxxSNIPxxxxx

WOW ! how strange. I was just about to cut and paste to show the last lines I can see in my window here, I can only see the first half of the 'learn_end' subroutine, when I copied and then pasted those lines, lo and behold, all the rest of the code appeared including the missing subroutines etc, very strange, don't know what was happening there, anyone else see this ?


AndrewEdited by Vikingboy 2012-01-21
 
Vikingboy
Regular Member

Joined: 23/09/2011
Location: Australia
Posts: 82
Posted: 05:14pm 19 Jan 2012
Copy link to clipboard 
Print this post

Hi,

A very cool trick :) , I see you use a more complicated program than that used on the ones demonstrated on you-tube, even the simple version shown in the you tube link is very convincing until you know the method, but while looking around I saw this version of the trick :

you tube

I can only guess that either it is being controlled by someone off stage or it has some sensors which detect the position of the discs in this case ???

Andrew
 
ArtBecker
Regular Member

Joined: 25/08/2011
Location: Philippines
Posts: 47
Posted: 07:27pm 19 Jan 2012
Copy link to clipboard 
Print this post

"WOW ! how strange."

Using Firefox beta 10 I only see about 75% of the code in the box. Doing a select all and copying to a programming text editor (NotePad2) gives me all the code, but the last 20% is all jumbled together.

Using Internet Explorer 9, all the code displays properly in the window, and can be copied to a text editor, with the formatting intact.

Using Chrome 15 I also get the complete code in the box, and can copy it to a text editor with no problem.
 
Gizmo

Admin Group

Joined: 05/06/2004
Location: Australia
Posts: 5177
Posted: 10:10pm 19 Jan 2012
Copy link to clipboard 
Print this post

  ArtBecker said   "WOW ! how strange."

Using Firefox beta 10 I only see about 75% of the code in the box. Doing a select all and copying to a programming text editor (NotePad2) gives me all the code, but the last 20% is all jumbled together.

Using Internet Explorer 9, all the code displays properly in the window, and can be copied to a text editor, with the formatting intact.

Using Chrome 15 I also get the complete code in the box, and can copy it to a text editor with no problem.


It seams the latest version of Firefox has a few bugs, I've had a few comments similar to this. The forum software is formatting the page correctly, so there is nothing I can change to fix the problem, its just a Firefox bug.

Glenn
The best time to plant a tree was twenty years ago, the second best time is right now.
JAQ
 
Gizmo

Admin Group

Joined: 05/06/2004
Location: Australia
Posts: 5177
Posted: 10:45pm 19 Jan 2012
Copy link to clipboard 
Print this post

I've made a change to the forum software to make Firefox render the code text correctly. Basically, I've broken the HTML code. But it seams to work OK with Firefox.

Glenn
The best time to plant a tree was twenty years ago, the second best time is right now.
JAQ
 
Vikingboy
Regular Member

Joined: 23/09/2011
Location: Australia
Posts: 82
Posted: 12:14am 20 Jan 2012
Copy link to clipboard 
Print this post


very strange, yes It now looks fine, I haven't noticed it before even looking at longer quotes.
Thanks for the fix. FYI I am not using the latest firefox I am a couple versions behind as I had some trouble with later versions ,so it is maybe a more basic Firefox incompatibility.

Andrew
 
Bill.b

Senior Member

Joined: 25/06/2011
Location: Australia
Posts: 244
Posted: 07:44am 20 Jan 2012
Copy link to clipboard 
Print this post

If any one is interested in the PICAXE code for then Magic Switchboard,
let me know and I will post the code.
In the interests of the environment, this post has been constructed entirely from recycled electrons.
 
shoebuckle
Senior Member

Joined: 21/01/2012
Location: Australia
Posts: 189
Posted: 09:05pm 21 Jan 2012
Copy link to clipboard 
Print this post

Bill's Magic Switchboard program and schematic will be included in the next version of the Maximite User Program library, which should be uploaded soon.
Cheers,
Hugh
Edited by shoebuckle 2012-01-23
 
Print this page


To reply to this topic, you need to log in.

The Back Shed's forum code is written, and hosted, in Australia.
© JAQ Software 2026