Home
JAQForum Ver 24.01
Log In or Join  
Active Topics
Local Time 16:38 30 Apr 2026 Privacy Policy
Jump to

Notice. New forum software under development. It's going to miss a few functions and look a bit ugly for a while, but I'm working on it full time now as the old forum was too unstable. Couple days, all good. If you notice any issues, please contact me.

Forum Index : Microcontroller and PC projects : 74HC595 display

Author Message
Herry

Senior Member

Joined: 31/05/2014
Location: Australia
Posts: 261
Posted: 03:57am 02 Nov 2022
Copy link to clipboard 
Print this post

A long while ago (over 10 years), I built a GPS car speed warning unit for my 30 year old Classic Jag. It displayed speed on a 74HC595 display, not like the 'bare' displays now available. This is a 3 digit model with quite large figures (7 segment of course) housed in a neat black plastic housing that could readily be pressed into an aperture cut into to the font panel of a Jiffy box. Does anyone know where I can purchase another in the same neat housing. The only ones I can find so far are on bare PCs with significantly smaller characters.
Senior?!  Whatever it says, I'm a complete and utter beginner...
 
Herry

Senior Member

Joined: 31/05/2014
Location: Australia
Posts: 261
Posted: 06:46am 02 Nov 2022
Copy link to clipboard 
Print this post

Found it! Electrodragon 2.80 US each!
Senior?!  Whatever it says, I'm a complete and utter beginner...
 
vegipete

Guru

Joined: 29/01/2013
Location: Canada
Posts: 1168
Posted: 03:49pm 02 Nov 2022
Copy link to clipboard 
Print this post

For those who want more details:
LED 7-Segment Display

Visit Vegipete's *Mite Library for cool programs.
 
Volhout
Guru

Joined: 05/03/2018
Location: Netherlands
Posts: 5863
Posted: 04:03pm 02 Nov 2022
Copy link to clipboard 
Print this post

This is even cheaper, also 0.56", and has brightness control... I2C input

other option
PicomiteVGA PETSCII ROBOTS
 
Grogster

Admin Group

Joined: 31/12/2012
Location: New Zealand
Posts: 9938
Posted: 11:25pm 02 Nov 2022
Copy link to clipboard 
Print this post

Yes, I had a handful of these displays a few years ago.
From what I remember, you use an SPI channel to load the data, and another pin as the latch line to make the display show the data.  Quick, simple and easy.
Smoke makes things work. When the smoke gets out, it stops!
 
Herry

Senior Member

Joined: 31/05/2014
Location: Australia
Posts: 261
Posted: 11:51pm 05 Nov 2022
Copy link to clipboard 
Print this post

I'm looking at the software I developed to run that GPS indicator for the car about 2 or so years ago, which made use of SPI to display on the 74HC595. Although I wrote it, part of it no longer make any sense to me (programmer's curse). It makes use of a table of characters (based on their ASCIIs) and works.

This is part of it


DISP(48)=&B00111111 '0
DISP(49)=&B00000110 '1
DISP(50)=&B01011011 '2
DISP(51)=&B01001111 '3
DISP(52)=&B01100110 '4

'....  


Clearly the array holds coding to display the characters 1, 2, 3  and the position in the array is the ASCII for those characters but I can't relate it to the binary code. The device works and I know that the code must have been logical because I wrote it when only 80!
Edited 2022-11-06 10:42 by Herry
Senior?!  Whatever it says, I'm a complete and utter beginner...
 
phil99

Guru

Joined: 11/02/2018
Location: Australia
Posts: 3166
Posted: 01:14am 06 Nov 2022
Copy link to clipboard 
Print this post

My guess at the bit numbers for the segments to match your code.

        __1__   LSB = 1,  MSB = 8 = DP (if it has a decimal point)
       /    /
    6 /    / 2
     __7__
    /    /
 5 /    / 3
  __4__   o8

.

Edited 2022-11-06 11:15 by phil99
 
Herry

Senior Member

Joined: 31/05/2014
Location: Australia
Posts: 261
Posted: 02:57am 06 Nov 2022
Copy link to clipboard 
Print this post

  phil99 said  My guess at the bit numbers for the segments to match your code.

        __1__   LSB = 1,  MSB = 8 = DP (if it has a decimal point)
       /    /
    6 /    / 2
     __7__
    /    /
 5 /    / 3
  __4__   o8

.

Can you please relate that to say the first binary string in my post?
Senior?!  Whatever it says, I'm a complete and utter beginner...
 
Herry

Senior Member

Joined: 31/05/2014
Location: Australia
Posts: 261
Posted: 03:35am 06 Nov 2022
Copy link to clipboard 
Print this post

Thanks Phil99, no further reply needed. That was it! I can see now that the bits are read in reverse order and correspond to the segment numbers as per your diagram!
Senior?!  Whatever it says, I'm a complete and utter beginner...
 
phil99

Guru

Joined: 11/02/2018
Location: Australia
Posts: 3166
Posted: 07:01am 06 Nov 2022
Copy link to clipboard 
Print this post

Though you don't need this here it is anyway.


       __1__   LSB = 1,  MSB = 8 = DP (if it has a decimal point)  1=2,3            &B00000110     6
      /    /                                                       2=1,2,4,5,7      &B01011011     91
   6 /    / 2                                                      3=1,2,3,4,7      &B01001111     79
    __7__                                                          4=2,3,6,7        &B01100110     102
   /    /                                                          5=1,3,4,6,7      &B01101101     109
5 /    / 3                                                         6=3,4,5,6,7      &B01111100     124
 __4__   o8                                                        7=1,2,3          &B00000111     7
                                                                   8=1,2,3,4,5,6,7  &B01111111     127
                                                                   9=1,2,3,6,7      &B01100111     103
                                                                   0=1,2,3,4,5,6    &B00111111     63
                                                                 DP=8 ADD TO ABOVE  &B10000000     128
 
Herry

Senior Member

Joined: 31/05/2014
Location: Australia
Posts: 261
Posted: 07:30am 06 Nov 2022
Copy link to clipboard 
Print this post

Yup. A 1 bit is segment alight and a 0 bit is off, going clockwise from the top as you numbered. The string must be read in reverse. The decimal translation of the stream of bits is really a red herring and misled me.
Edited 2022-11-06 17:35 by Herry
Senior?!  Whatever it says, I'm a complete and utter beginner...
 
Martin H.

Guru

Joined: 04/06/2022
Location: Germany
Posts: 1447
Posted: 07:40am 06 Nov 2022
Copy link to clipboard 
Print this post

and with a little imagination, you'll also get Test:


ok for M  and W you will need 2 Digits

a little helper for Excel or Libre Office



7segment.zip
Edited 2022-11-06 19:46 by Martin H.
'no comment
 
oh3gdo
Regular Member

Joined: 18/11/2021
Location: Finland
Posts: 47
Posted: 10:04am 06 Nov 2022
Copy link to clipboard 
Print this post

Hey, I did motor speed display about 1976.
It shows also battery voltage and the percentage of car breaker tips.

I worked very well and it was a good help when I was fishing at winter.
It was about -20C Temperature. My car doesn't start. Looked the meter and I see that the breaker tips was changing between 0 or 100%. It should be about 62%.
I had an old breaker tips in my car and I changed old tips.
My car stated normally.

Second times when I was traveling in Sweden (I am from Finland) and I stopped to get gas. After that my car can't start. I asked help from gas salesmen.
They measure my car battery and it was about 8V. They sell a new battery to me.
It was about two times more money than in Finland.
When I started I saw from voltmeter that the battery voltage is about 12V.
It should be about 14.2V. Now I knew that my charger is gone.

When I open car engine hatch and looked my charger's belt, it was stretchy.
I asked the salesmen if they have a new belts, but they said that they only sell batteries.
They took my new battery off and advised where is the nearest Toyota dealer.
I live my car running, when they remove the battery and I found the Toyota dealer and I got new belt. Then I went to Germany for the holiday.

What was the reason?
At this time Finland has no forced light on order also in daytime, but in Sweden it was on.

Here is the schematic http://remotesmart.wikidot.com/digitest

Pekka
 
phil99

Guru

Joined: 11/02/2018
Location: Australia
Posts: 3166
Posted: 12:04pm 07 Nov 2022
Copy link to clipboard 
Print this post

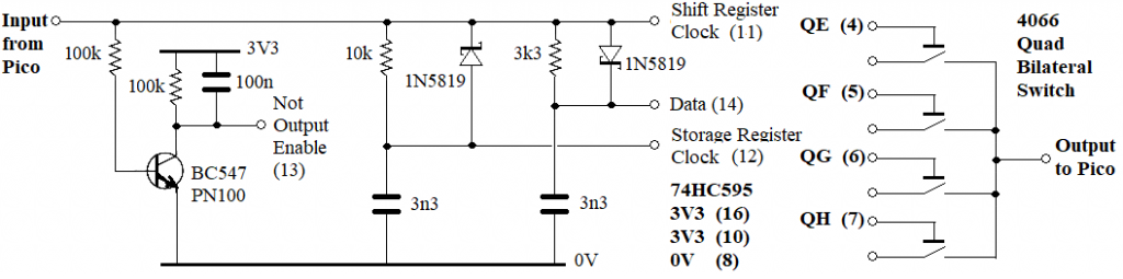
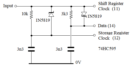
Another way to drive these displays, or any SN74HC595N chips and save a pin or two.
SPI requires a Rx pin even though it isn't needed here and a fourth pin is used for the storage register clock.
And a fifth pin for CS if SPI is shared.

This circuit provides the storage register clock when the shift register clock pauses between transmissions.
Any two PicoMite pins can be used. HC595 pins 16 & 10 to 3V3, 8 & 13 to 0V.






       __1__   LSB = 1,  MSB = 8 = DP (if it has a decimal point)  0=1,2,3,4,5,6    &B00111111     63
      /    /                                                       1=2,3            &B00000110     6
   6 /    / 2                                                      2=1,2,4,5,7      &B01011011     91
    __7__                                                          3=1,2,3,4,7      &B01001111     79
   /    /                                                          4=2,3,6,7        &B01100110     102
5 /    / 3                                                         5=1,3,4,6,7      &B01101101     109
 __4__   o8                                                        6=3,4,5,6,7      &B01111100     124
                                                                   7=1,2,3          &B00000111     7
                                                                   8=1,2,3,4,5,6,7  &B01111111     127
                                                                   9=1,2,3,6,7      &B01100111     103
                                                                 DP=8 ADD TO ABOVE  &B10000000     128


EDIT
After devising a method of also getting the shift-register clock from pulse width modulating the data I found it had been done better before by getting the data from the PW modulated clock..

See here:- www.RomanBlack.com/shift1.htm



His method for getting the latch pulse sacrifices a data bit. Adding one diode fixes that and no longer needs a separate latch pulse (the separate latch pulse uses a data bit).
Adding another diode to the data line allows it to run faster, by instantly recharging the timing capacitor.



These are the results.


Here is a console command line prog. to demonstrate.
One chip
clear : pin(4)=1 : setpin 4, dout : dim integer C=1, B(C*16-1) 'C = number of 74HC595 chips chained, B=Bitstream array.
'count up
> do:for n=0 to (C*8-1):B(n*2)=25-(w>>(C*8-n) and 1)*22:B(1+n*2)=5:next:BITBANG BITSTREAM 4,C*16,B():inc w :loop
> w=2^(c*8) 'count down
> do:for n=0 to C*8-1:B(n*2)=25-(w>>(C*8-1-n) and 1)*22:B(1+n*2)=5:next:BITBANG BITSTREAM 4,C*16,B():inc w,-1:loop

Four chips
clear : pin(4)=1 : setpin 4, dout : dim integer C=4, B(C*16-1) 'C = number of 74HC595 chips chained, B=Bitstream array.
'count up
> do:for n=0 to (C*8-1):B(n*2)=25-(w>>(C*8-n) and 1)*22:B(1+n*2)=5:next:BITBANG BITSTREAM 4,C*16,B():inc w :loop
> w=2^(c*8) 'count down
> do:for n=0 to C*8-1:B(n*2)=25-(w>>(C*8-1-n) and 1)*22:B(1+n*2)=5:next:BITBANG BITSTREAM 4,C*16,B():inc w,-1:loop

Data Pin 14 - 3n3 to gnd, 3k3 to CK, diode cathode, anode to CK - Pin 11
Latch Pin 12 3n3 to gnd, 10k to CK, diode anode, cathode to CK  - Pin 11

Another EDIT
When first powered up there can be some random output. This circuit holds the Not Output Enable pin (13) high until you have initialized the chips with all low, all high or whatever startup state you require.


Here is some test code for a 4 digit display. HC595 pins 16 & 10 to 3V3, 8 to 0V.

'One pin drive for SN74HC595 chips.

Dim integer dp=4, C=4, B(C*16-1) ,TI=C*16-1, n, word ':Print Bin$(word,C*8) 'word = data to send
 ' dp = data pin, TI = Time intervals, C = number of 74HC595 chips chained, B = Bitstream array.

 ' When dp first goes high outputs are high Z for 3mS to allow time for initialization
 ' 2uS to 5uS low = 1, >22uS low = 0 and >50uS high = latch clock
 ' Set all bits high or low before outputs become active.
 HC595 dp, C, C*0 'Call Sub with DataPin, number of Chips, Word to send, 0=all low, C*256-1=all high
 Pause C

For n=24 to 0 step -8
 word = 1987655743>>n
 HC595 dp, C, word 'Call Sub with DataPin, number of Chips, Word to send.
 Pause 1000
Next
Pause 3000

Dim integer LT(11)=(63,6,91,79,102,109,124,7,127,103,128,0) 'Lookup table LT(11)=blank
word = 0
For n=0 To 9
  word = (word<<8 And (2^32-1)) + LT(n)

 Print n, Bin$(word,32), word
   HC595 dp, C, word
   Pause 2000
Next

Sub HC595 dp As integer, C As integer, input As integer
'DataPin, number of Chips, Word to send.

 Pin(dp)=1
 Local integer n, B(C*16-1), TI=C*16-1

 For n=0 To TI Step 2
  B(n)=25-(input>>(TI-n)\2 And 1)*22 'low data pulses
  B(n+1)=5 'high spaces
 Next

 Bitbang BITSTREAM dp, C*16, B() 'send it
 Pause C

End Sub

The Bitstream times are chosen to suit the R-C values in the diagram.

Yet Another Edit

The Pico doesn't have many ADC input pins and the PicoMiteVGA with all extras fitted doesn't have all that many pins left. This gives you another 3 analogue (or digital) inputs and 3 more digital outputs.
In this example the 74HC595's 4 low outputs expand one Pico output and the upper 4 outputs drive a CD4066 quad analogue switch IC to expand one analogue input.

The 4 analogue inputs are read one at a time and displayed via LEDs as integer values on the 4 low outputs. Not useful just a hint at what can be done.
Connect 4066 input 1 to 0V, !k from 1 to 2, 1k from 2 to 3, 1k from 3 to 4 and 4 to 3V3 and the LEDs will light in sequence.
74HC595
pin 15, bit 0 = 0v
pin 1, bit 1 = 1v
pin 2, bit 2 = 2v
pin 3, bit 3 = 3v


'Four position analogue switch plus four digital outputs using two Pico pins

Dim integer  dp=4, ap=31, C=1, Vin, Led, n, W
'dp = data out pin, ap = annalogue in pin, C= No. of 74HC595 chips.
Pin(dp) = 1 : SetPin dp,dout : SetPin ap, ain

Do
 For n=0 To 3
  W = 16 * 2^n  'Select input switch position
  HC595 4,1,W   'activate switch
  Vin = Int(Pin(ap)) 'Read the voltage
  Led = 2^Vin 'Convert voltage to LED number
  W = 16 * 2^n + Led
  HC595 4,1,W 'Output the voltage on LEDs 0 - 3
  Pause 2000
 Next
Loop

Sub HC595 dp As integer, C As integer, input As integer
'         DataPin,     number of Chips, Word to send.

 Pin(dp)=1
 Local integer n, B(C*16-1), TI=C*16-1

 For n=0 To TI Step 2
  B(n)=25-(input>>(TI-n)\2 And 1)*22 'low data pulses
  B(n+1)=5 'high spaces
 Next

 Bitbang BITSTREAM dp, C*16, B() 'send it
 Pause C

End Sub




.
Edited 2022-11-27 06:29 by phil99
 
Print this page


To reply to this topic, you need to log in.

The Back Shed's forum code is written, and hosted, in Australia.
© JAQ Software 2026