Home
JAQForum Ver 24.01
Log In or Join  
Active Topics
Local Time 15:46 23 Apr 2026 Privacy Policy
Jump to

Notice. New forum software under development. It's going to miss a few functions and look a bit ugly for a while, but I'm working on it full time now as the old forum was too unstable. Couple days, all good. If you notice any issues, please contact me.

Forum Index : Other Stuff : FP 36 Pole 1mm Wire Rewind

Author Message
nshea
Newbie

Joined: 14/03/2014
Location: United Kingdom
Posts: 10
Posted: 09:09am 16 Mar 2014
Copy link to clipboard 
Print this post

I see that the subject of pedal generated power is in "Other" so I presume it is not taken too seriously; perhaps this is because the maximum number of generated watts is around 300. Nevertheless, for those without land for wind or water mills, it is good alternative energy source.

With this in mind I decided to purchase a 36 pole FP stator and rotor. Unfortunately this arrived damaged due to bad packaging; the magnets were broken because the stator had been shipped in the rotor (shriek); and the coils had been nipped by the metal foldings on the rotor...



Rather than purchase I new stator/rotor, I decided to see if I could mend/improve the original one. The alternator will be modified to use strong neodymium magnets which can induce very high currents. So the stator was rewound with 1mm gauge enameled magnet wire: this is about twice the thickness of the original gauge but should prevent coil burn-out at high RPMs. This post documents progress thus far. By the way, I am hoping to use this on an old exercise bike with an iron flywheel. The rotor will be bolted to the flywheel and fitted with neodymium magnets; whilst the stator will be fitted on an iron plate with a clutch mechanism. The clutch will move the stator it in and out of the rotor; the idea is to prevent cogging until a descent rpm has been achieved, then the clutch can be released, increasing flux density around the poles...

Now, I am just a beginner compared to the more experienced folk in this forum, but I thought I'd share my progress so far. First of all the rewind. Warning: do not attempt rewinding an FP stator with 1mm magnet wire unless you want to get rheumatism in your thumbs and split your nail-beds open!

After unwinding all the damaged wire, I decided to remove the terminal blocks:







This PET (polybutylene terephthalate) or glass filled polypropylene (I'm not sure which) is exceedingly tough, and it took some shaving with a Stanley knife to get a smooth surface. The reason for removing the terminal blocks is to make room for the stator plate.

I was very reluctant to begin the first coil with my precious new copper wire and procrastinated for a long while in fear of making a pig's ear of it...



A clothes peg is useful to help form the wire round the pole. It also saves your fingers...









Winding a single pole. There are twenty one turns of wire spiraling upward in the first layer, with the second layer commencing the downward pass at turn twenty-two.

When using 1mm guage wire, there is only room for two layers per pole. The factory winding, (which used a narrower gauge), had four layers per pole. But the mass of copper in the new winding should give similar, if not greater inductance when using neodymium magnets

Generally speaking, increasing the number of turns per coil results in greater inductance (voltage); but the increased length of wire also means more resistance and therefore less current is able to flow. I am hoping that using fewer turns with a larger gauge will provide a flexible set-up with the stronger neodymium magnets…

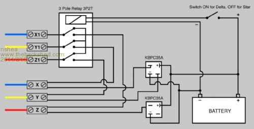
Delta wiring will be used for large currents and small voltages, whilst Star winding will be used for large voltages small currents.

The stator was wound one phase at a time, with six pole pairs making up each phase. Each pole has forty one turns of wire, and each coil pair takes about an hour to complete.

I wound the first phase in six continuous hours, which knackered my thumbs for two whole weeks; after that fiasco, I wound two coils at a time, resting my thumbs on the following day. I'm serious though, this played havoc with my nigh-on fifty year old skeleton.



Phase two done...



Phase three close up.



Phase three complete from rear (so your can't see all my messy ends).

I will be winding the stator for three phase power as instructed by Glenn. Here are some pretty diagrams I did in Adobe Illustrator...



Phase One...



Phase Two...



Phase Three...


And a relay switch will select star or delta winding. The reference for this circuit diagram was sourced from Hugh Piggot's axial windmill pdf paper...



The stator plate is made from 5mm mild steel...



Laser cutting this beast is too expensive, so I bought a piece of steel with the nearest dimensions I could find:



The CAD drawing was printed at 100% and high resolution, then stuck on the plate. A very sharp screw was used as a punch to mark the hole centers. The paper was removed and white acrylic smudged in the holes. Originally, I tried scribing the design on the reverse using ruler and compass but one of the centers was 1mm out. The printout method proved 100% accurate.



Now I have some hefty metal work to do. This project will no doubt seem rather primitive to many "Back Shed" members - there are some very impressive windmills posted here. I have been lurking on this forum for a number of years, gathering information and confidence. I have limited resources and funds, so will probably be here 'til doomsday. I note that the subjects of "pedal power" and "depression" are both grouped in "Other" - and trust that the former is not a cause of the latter...Edited by nshea 2014-03-18
 
brucedownunder2
Guru

Joined: 14/09/2005
Location: Australia
Posts: 1548
Posted: 10:53am 17 Mar 2014
Copy link to clipboard 
Print this post



Interesting , but I'm confused... This flat stator plate ,,, what are you going to do with it??? Weld a ring around the perimeter and attach the Neo's ???

I've 3 of these LG motors and have allways liked their design,have made a test frame for one of them ,but dropped the investigation when I was told here that it would not perform like the F@P ..

Maybe ,You will motivate me into setting it up again and have more fun ,thanks.

bruce
Bushboy
 
nshea
Newbie

Joined: 14/03/2014
Location: United Kingdom
Posts: 10
Posted: 11:17pm 17 Mar 2014
Copy link to clipboard 
Print this post

  brucedownunder2 said  

Interesting , but I'm confused... This flat stator plate ,,, what are you going to do with it??? Weld a ring around the perimeter and attach the Neo's ???

I've 3 of these LG motors and have allways liked their design,have made a test frame for one of them ,but dropped the investigation when I was told here that it would not perform like the F@P ..

Maybe ,You will motivate me into setting it up again and have more fun ,thanks.

bruce


Hi Bruce,

My 36 pole F&P stator does not have a central bearing hole like the older models I've seen; instead it has six 1/4" bolt holes arranged in a hexagon around the perimeter molding. Once drilled, the stator plate will be bolted to these; the other holes in the stator plate are for the FC205 bearing unit. I uploaded a CAD drawing of the stator plate in my original post - it's just that the stator plate is shown before drilling...

I wanted something substantial because the entire plate will slide in and out of the rotor on the bearing shaft using a clutch mechanism. The clutch will be operated by a cable from the handlebars. The only difficulty I can foresee is in finding two clutch springs of correct elasticity. The plan is to put one spring behind the stator plate and another in front. These will help counteract the pull of the Neodymium magnets once the stator is fully home, thus easing load on the clutch cable. This is important because each magnet can pull up to six kilograms.

Thanks for the reply,

Nicholas
 
brucedownunder2
Guru

Joined: 14/09/2005
Location: Australia
Posts: 1548
Posted: 12:20pm 18 Mar 2014
Copy link to clipboard 
Print this post


Nicholas,
thanks for the terrific pics ,, I have some ,but just can't post them ,too big ,I guess. Braindead,can't resize them ,sorry.

OK, thats an LG motor ,not a F@P .. you probably know that ..

The LG base , shaft, mounting arrangement are very well designed ,if you can get a complete unit , it will be a big advantage..

I like the very solid shaft and bearings ,it's compactness and possibly easier blade hub ,or ,in your case, excersize bike attachment.

keep going with your neo arrangements, You may be onto a big breakthrough ..

bruce

Bushboy
 
nshea
Newbie

Joined: 14/03/2014
Location: United Kingdom
Posts: 10
Posted: 05:38am 19 Mar 2014
Copy link to clipboard 
Print this post

Hi Bruce,

Ah yes, LG and not Fisher Paykel. The article concerning the history of Fisher Paykel on this site is very interesting; certainly their new 36 pole design is very similar to the LG model I am modifying. I have not seen the LG shaft and mounting arrangement you mention, although I have "Googled" for one. I would imagine the performance of the factory wound LG 36:48 motor is comparable the factory wound Fisher Paykel "Smart Drive" 36:48; both have similar gauge wire (0.53mm) with four layers of winding per pole - unless the Fisher Paykel uses considerably stronger magnets.

I am envious of those who own a Fisher Paykel 100 series motor, which I understand is now becoming very rare indeed. This has a wire size of approx 1mm diameter, with 42 Poles; and the performance must be excellent when used with Neodymium magnets.

For reclaimed "home brew" power, these motors are still expensive here in the UK. Bye for now,

Nicholas.
 
brucedownunder2
Guru

Joined: 14/09/2005
Location: Australia
Posts: 1548
Posted: 12:09am 20 Mar 2014
Copy link to clipboard 
Print this post




Thats a pic of the LG bearing/housing

Bruce
Bushboy
 
nshea
Newbie

Joined: 14/03/2014
Location: United Kingdom
Posts: 10
Posted: 08:19am 20 Mar 2014
Copy link to clipboard 
Print this post

  brucedownunder2 said  
Thats a pic of the LG bearing/housing

Bruce


Ah! I see now. Thanks for posting that Bruce. Your LG rotor looks more substantial with regard to the steel central hub and its female shaft housing. The center of my LG rotor is "missing" in this respect, and the "hub" for the shaft is made from some sort of polybutylene terephthalate or polycarbonate. Whatever the material, it's extremely dense and hard - which of course, it should be. Here's a photo with this synthetic hub in position:



And here's another with it removed:



Note the remnants of the cracked ceramic magnets which I still can't shift - even with a chisel. Apparently, a blow torch will soften the glue to facilitate removal. But I'm worried that an uneven heat such as this might damage the rotor. An oven would be more gentle and even.

The iron flywheel from the "Tunturi" exercise bike seems made for my rotor though, because the hub on the flywheel is level with the pressed indent at the rotor's center - so I wont be using the synthetic "hub" at all.

Nicholas
 
brucedownunder2
Guru

Joined: 14/09/2005
Location: Australia
Posts: 1548
Posted: 02:42pm 12 Apr 2014
Copy link to clipboard 
Print this post

Hi Nicholas,,,

How is the project going , any updates..

Very interested in your work , luv your expertise in those nice illistrations ..

wish you well,

Bruce
Bushboy
 
Print this page


To reply to this topic, you need to log in.

The Back Shed's forum code is written, and hosted, in Australia.
© JAQ Software 2026