Home
JAQForum Ver 24.01
Log In or Join  
Active Topics
Local Time 08:49 22 Apr 2026 Privacy Policy
Jump to

Notice. New forum software under development. It's going to miss a few functions and look a bit ugly for a while, but I'm working on it full time now as the old forum was too unstable. Couple days, all good. If you notice any issues, please contact me.

Forum Index : Other Stuff : 3 amp Constant Current PS for CNC

Author Message
Bryan1

Guru

Joined: 22/02/2006
Location: Australia
Posts: 1872
Posted: 09:58am 10 Jun 2009
Copy link to clipboard 
Print this post

Hiya Guys,
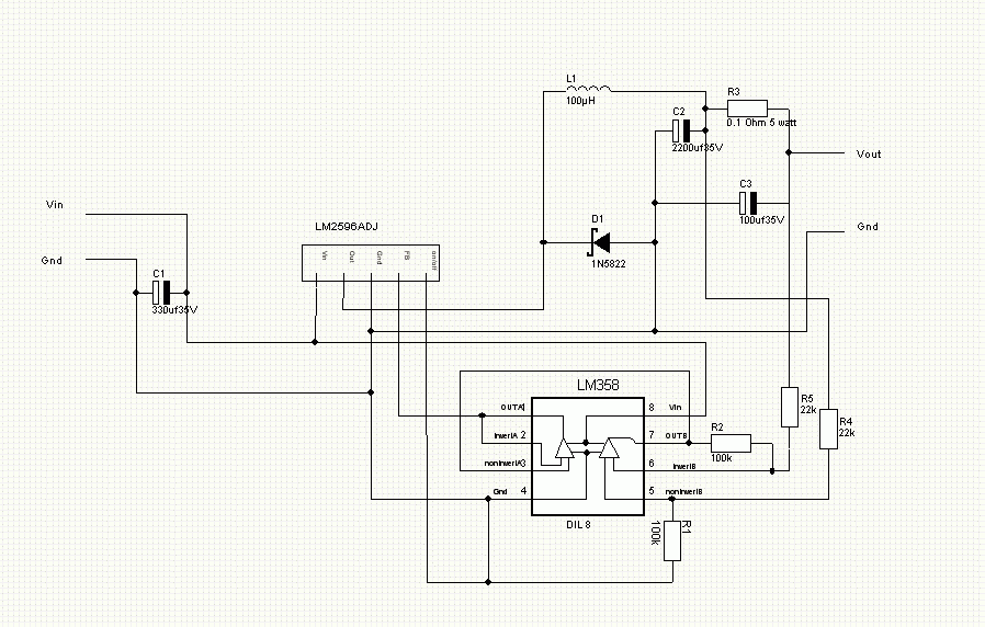
Below is a schematic for a 3 amp constant current power supply for powering a stepper for cnc use. I've tested it on the cnc i'm making and using my nife bank as the power supply.

Input voltage 12.8 volts
Output voltage when the stepper is at rest 4.8 volts
The voltage ramps up as the stepper speed increases and using the above input voltage the running speed @ 8foot/minute was 11.8 volts.





Not many components and it does work perfect.

Have fun guys

Cheers Bryan

Edit: Thanks for the tip Glenn
Edited by Bryan1 2009-06-11
 
Gizmo

Admin Group

Joined: 05/06/2004
Location: Australia
Posts: 5177
Posted: 11:04am 10 Jun 2009
Copy link to clipboard 
Print this post

Nice work Bryan. A constant current source is a must have for fast reliable stepper operation.

I see the forum has resized the picture down a little to far. Its gone for the default 500pixels wide for JPG images. If you save the screen shot as a GIF file before uploading it, the forum will only resize down to 1000pixels wide, better for circuits and plans etc.

Glenn
The best time to plant a tree was twenty years ago, the second best time is right now.
JAQ
 
vasi

Guru

Joined: 23/03/2007
Location: Romania
Posts: 1697
Posted: 05:43am 18 Jun 2009
Copy link to clipboard 
Print this post

Interesting source. How you power the steppers? With or
without current limiting? 12V steppers?
Hobbit name: Togo Toadfoot of Frogmorton
Elvish name: Mablung Miriel
Beyound Arduino Lang
 
woodchips
Newbie

Joined: 05/01/2009
Location: United Kingdom
Posts: 27
Posted: 10:51am 21 Jun 2009
Copy link to clipboard 
Print this post

Bryan

C1 is the wrong way round, what about for C2 and C3?

Bob
 
Bryan1

Guru

Joined: 22/02/2006
Location: Australia
Posts: 1872
Posted: 11:07am 21 Jun 2009
Copy link to clipboard 
Print this post

  woodchips said   Bryan

C1 is the wrong way round, what about for C2 and C3?

Bob


If you know electronics then you will know some schematic software will do things different. The concept of that schematic is to show a simple way to get a 3 amp CCS. To pick by the way a schematic is drawn is plain out there behind the out house and your in the sh*te pile before ya know it

To Vasi,
This CCS will only draw the current needed for the stepper and be limited to 3 amps so current limiting resistores aren''t needed.
 
GWatPE

Senior Member

Joined: 01/09/2006
Location: Australia
Posts: 2127
Posted: 11:04pm 21 Jun 2009
Copy link to clipboard 
Print this post

Hey Bryan,

I am with U on this. Far better to present something. Those who know a bit will put the caps in the right way round anyway.

Gordon.

become more energy aware
 
woodchips
Newbie

Joined: 05/01/2009
Location: United Kingdom
Posts: 27
Posted: 06:31pm 25 Jun 2009
Copy link to clipboard 
Print this post

Bryan

Yes, I do know electronics, I was rather more concerned with the majority who don't, and want a correct, working circuit to follow.

I can also read data sheets, where the catch diode must have a current rating at least 1.3 times the output current, so the 3A 1N5822 isn't really up to it. Does it need the feedforward capacitor, if not then why not?

Someone without the detailed electronic knowledge, or suitable test equipment, could be in for a long session of headscratching.

When you only have limited experience you both need and want to know why? Why is this a good circuit? Why is it better than a variable three terminal regulator wired as a constant current source?

And Bryan, it takes no more time to do the job correctly than incorrectly, and those that don't know have an exploded capacitor in their face, rather on your consciences than mine.

Bob
 
Print this page


To reply to this topic, you need to log in.

The Back Shed's forum code is written, and hosted, in Australia.
© JAQ Software 2026