Home
JAQForum Ver 24.01
Log In or Join  
Active Topics
Local Time 07:08 22 Apr 2026 Privacy Policy
Jump to

Notice. New forum software under development. It's going to miss a few functions and look a bit ugly for a while, but I'm working on it full time now as the old forum was too unstable. Couple days, all good. If you notice any issues, please contact me.

Forum Index : Solar : Another PI Pico PV Controller

Author Message
Solar Mike
Guru

Joined: 08/02/2015
Location: New Zealand
Posts: 1203
Posted: 10:53am 21 Dec 2021
Copy link to clipboard 
Print this post

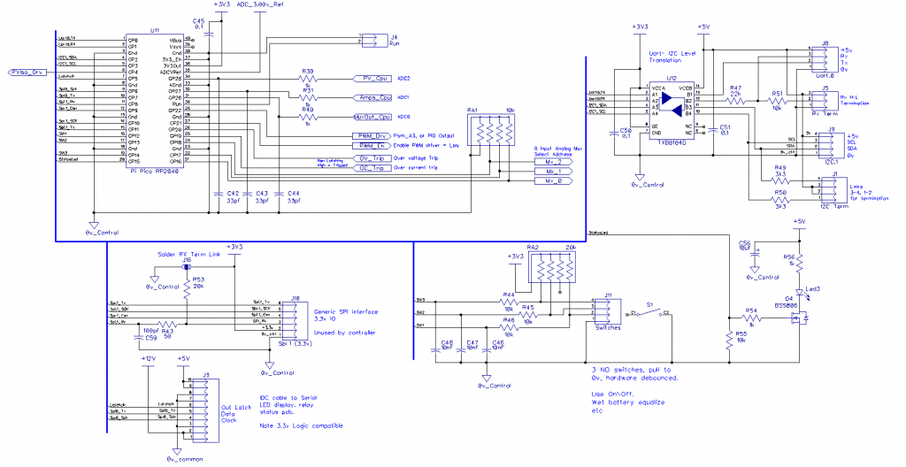
Last one for 2021 I promise, thought I would throw together a smaller non-synchronous version, where all parts including the buck inductor fit on the pcb. Less current 30 amps and using smd mosfets. The pcb conducts the heat through to an alloy spacer under the pcb to the heatsink - back panel.

Schematic and gerbers attached, anyone wanting to build go for it, sorry it will be next year until I have some software.

Top: 150 x 183mm




























Gerbers_02.zip



PCB's for other Pico designs will be back before the end of this week I hope, glad I ordered good selection of parts earlier, just about all smd chips are now unavailable until 2023.

Cheers
Mike
 
Astro67
Newbie

Joined: 26/12/2021
Location: United Kingdom
Posts: 1
Posted: 10:53am 16 Jan 2022
Copy link to clipboard 
Print this post

Thanks for sharing your hard work. I have been pouring over this for several hours and researched around it, and I've learned heaps of new stuff. Thank you.
 
Print this page


To reply to this topic, you need to log in.

The Back Shed's forum code is written, and hosted, in Australia.
© JAQ Software 2026